TOP
|
特許
|
意匠
|
商標
特許ウォッチ
Twitter
他の特許を見る
公開番号
2025152700
公報種別
公開特許公報(A)
公開日
2025-10-10
出願番号
2024054728
出願日
2024-03-28
発明の名称
コントローラ
出願人
横河電機株式会社
代理人
弁理士法人酒井国際特許事務所
主分類
G05B
19/042 20060101AFI20251002BHJP(制御;調整)
要約
【課題】IOデバイスのデータを用いた処理時間を短縮する。
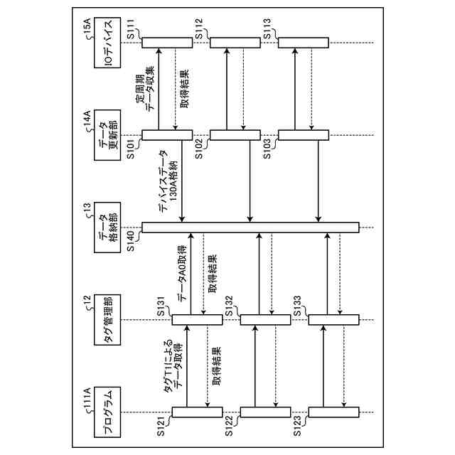
【解決手段】データ格納部13は、複数のIOデバイス15A~15Cから受信されたそれぞれのデータを一時的に保持する。データ更新部14A~14Cは、IOデバイス15A~15Cのいずれかに重複せずにそれぞれが対応し、対応するIOデバイス15A~15Cが保持するデータを対応するIOデバイス15A~15Cが使用する通信方式を用いて取得して、取得したデータでデータ格納部13が保持する対応するIOデバイス15A~15Cのデータを更新する。アプリケーション実行部11Aは、データ格納部13に格納されたデータを用いてプログラム111Aを実行する。
【選択図】図2
特許請求の範囲
【請求項1】
複数の外部デバイスから受信されたそれぞれのデータを一時的に保持するデータ格納部と、
外部デバイスのいずれかに重複せずにそれぞれが対応し、対応する外部デバイスが保持するデータを前記対応する外部デバイスが使用する通信方式を用いて取得して、取得したデータで前記データ格納部が保持する前記対応する外部デバイスのデータを更新する複数のデータ更新部と、
データ格納部に格納されたデータを用いてプログラムを実行するプログラム実行部と
を備えたことを特徴とするコントローラ。
続きを表示(約 800 文字)
【請求項2】
前記プログラム実行部は、実行したプログラムに前記データ格納部が保持するデータにアクセスさせて所定の処理を実行させることを特徴とする請求項1に記載のコントローラ。
【請求項3】
前記データ更新部は、取得したデータに取得日時を対応付けて前記データ格納部に保持させることを特徴とする請求項1に記載のコントローラ。
【請求項4】
前記プログラム実行部は、実行したプログラムに前記データ格納部が保持するデータ及びデータの取得日時へアクセスさせて所定の処理を実行させることを特徴とする請求項3に記載のコントローラ。
【請求項5】
前記プログラム実行部は、実行したプログラムにデータの取得日時を基に時系列に応じたデータ分析を行わせることを特徴とする請求項4に記載のコントローラ。
【請求項6】
前記複数の外部デバイスは、所定のセンサが収集したデータを送信するデバイスを含むことを特徴とする請求項1に記載のコントローラ。
【請求項7】
前記複数の外部デバイスは、データの入出力を行うIO(Input Output)デバイスを含むことを特徴とする請求項1に記載のコントローラ。
【請求項8】
前記複数の外部デバイスは、他のコントローラを含むことを特徴とする請求項1に記載のコントローラ。
【請求項9】
前記データ格納部は、保持する記憶領域を前記外部デバイス毎に分割して、分割領域のそれぞれに異なる前記外部デバイスから送信されたデータを格納することを特徴とする請求項1に記載のコントローラ。
【請求項10】
前記データ更新部は、前記外部デバイス毎に独立した周期でデータを取得することを特徴とする請求項1に記載のコントローラ。
(【請求項11】以降は省略されています)
発明の詳細な説明
【技術分野】
【0001】
本発明は、コントローラに関する。
続きを表示(約 1,700 文字)
【背景技術】
【0002】
プラント又は工場等の様々な生産設備において、温度、流量、圧力等の各種センサといったIO(Input Output)デバイスからの情報を受信し、受信した情報を基にアクチュエータ等の制御を行うコントローラが知られている。コントローラ上では様々なプログラムが実行され、IOデバイスやアクチュエータ等を制御する複数の制御アプリケーションが動作する。制御アプリケーションは、例えば、IOデバイスから読み取ったデータ等を用いて制御演算を行い、演算結果をアクチュエータに出力して制御を行う。他にも、制御アプリケーションは、IOデバイスから収集したデータの解析や処理を行う。
【0003】
アプリケーションでは、コントローラ外部に接続したIOデバイスの入出力を制御するためのIOデータや、コントローラ内部で管理する内部データといった様々なデータが用いられる。内部データには、コントローラの状態を示すステータスデータやアプリケーションで使用するローカルデータ等が含まれる。
【0004】
各種IOデバイスは、多様な通信プロトコルを使用して接続され、制御アプリケーションからそれぞれの通信プロトコルにしたがったアクセス手順によりデータアクセスが行われる。また、プログラムに用いられた言語毎によっても、IOデバイスから収集されたデータのアクセス方法や管理方法が異なる。
【0005】
例えば、組込み機器向けとして最も普及しているC/C++言語を使用した場合、実際のIOデバイスへのアクセス方法や各種データの管理方法をアプリケーション側で作成する必要がある。この際、変数定義を各プログラム内に用意して、IOデバイスのデータと定義変数とを紐づける変数に対するIOデバイスの割り付けが行われる。従来、IOデバイスのデータと変数との紐づけは言語単位で行われてきた。
【0006】
産業用コントローラに関する技術として、以下のようなものがある。例えば、制御プログラムの変数名を抽出してアドレスマップファイル及びヘッダファイルを作成し、ヘッダファイルを使用して作成したプログラムが、アドレスマップファイルを用いてデータにアクセスする技術が提案されている。また、産業オートメーション環境におけるプログラマブルロジックコントローラで実行されるプログラムが外部デバイスと通信するためのシンボルテーブルを作成する技術が提案されている。
【先行技術文献】
【特許文献】
【0007】
特開2018-185772号公報
国際公開第2013/005350号
【発明の概要】
【発明が解決しようとする課題】
【0008】
しかしながら、従来のコントローラで動作するアプリケーションでは、それぞれのIOデバイスに応じた専用の通信用プログラム及びIOデバイスと交換するデータを処理するメインプログラムが存在する。そのため、アプリケーションが異なるIOデバイスのデータに対するアクセスに時間がかかり、処理時間を短縮することが困難であった。また、データに対するアクセス時間は、制御プログラムの変数名を抽出してアドレスマップファイルを用いてデータにアクセスする技術やシンボルテーブルを作成する技術を用いても短縮することは困難である。
【0009】
本発明の一側面は、IOデバイスのデータを用いた処理時間を短縮する。
【課題を解決するための手段】
【0010】
一側面に係るコントローラは、以下の各部を有する。データ格納部は、複数の外部デバイスから受信されたそれぞれのデータを一時的に保持する。複数のデータ更新部は、外部デバイスのいずれかに重複せずにそれぞれが対応し、対応する外部デバイスが保持するデータを前記対応する外部デバイスが使用する通信方式を用いて取得して、取得したデータで前記データ格納部が保持する前記対応する外部デバイスのデータを更新する。プログラム実行部は、データ格納部に格納されたデータを用いてプログラムを実行する。
【発明の効果】
(【0011】以降は省略されています)
この特許をJ-PlatPat(特許庁公式サイト)で参照する
関連特許
横河電機株式会社
磁気コア
10日前
横河電機株式会社
コントローラ
24日前
横河電機株式会社
情報プログラム
24日前
横河電機株式会社
測定装置及び測定方法
1か月前
横河電機株式会社
適応方法及び情報処理装置
17日前
横河電機株式会社
光パルス試験器及び測定方法
1か月前
横河電機株式会社
フィールド機器及び診断方法
1か月前
横河電機株式会社
装置、方法およびプログラム
25日前
横河電機株式会社
装置、方法、およびプログラム
25日前
横河電機株式会社
菌体培養槽および菌体培養方法
1か月前
横河電機株式会社
装置、方法、およびプログラム
1か月前
横河電機株式会社
細胞穿刺装置及び顕微鏡システム
24日前
横河電機株式会社
細胞穿刺装置及び顕微鏡システム
24日前
横河電機株式会社
制御プログラム及びコントローラ
24日前
横河電機株式会社
分散制御ノード(DCN)冗長性
1か月前
横河電機株式会社
クランプ式電流計及び電流測定方法
4日前
横河電機株式会社
表面散乱型濁度計及び濁度測定方法
1か月前
横河電機株式会社
測定装置、測定方法、及びプログラム
1か月前
横河電機株式会社
測定装置、測定方法、及びプログラム
24日前
横河電機株式会社
測定装置、測定方法、及びプログラム
1か月前
横河電機株式会社
メタン製造システム及びメタン製造方法
25日前
横河電機株式会社
データ管理支援装置及びデータ管理支援方法
24日前
横河電機株式会社
情報処理装置、情報処理方法及びプログラム
1か月前
横河電機株式会社
情報処理装置、更新方法及び更新プログラム
1か月前
横河電機株式会社
一液型組成物、フラン樹脂硬化物及びキット
1か月前
横河電機株式会社
センサ装置、端末装置、及び、センサシステム
27日前
横河電機株式会社
支援システム、支援方法および支援プログラム
26日前
横河電機株式会社
情報処理装置、情報処理方法、及び、プログラム
1か月前
横河電機株式会社
情報生成装置、情報生成システムおよび情報生成方法
4日前
横河電機株式会社
回路モジュール、細胞穿刺装置、及び顕微鏡システム
24日前
横河電機株式会社
測定値算出方法、測定値算出プログラム、及び測定値算出装置
1か月前
横河電機株式会社
培養容器及び培養キット並びに微生物の落下菌検査を行う方法
1か月前
横河電機株式会社
アラーム管理装置、アラーム管理方法およびアラーム管理プログラム
1か月前
横河電機株式会社
プラントモデル構築装置、プラントモデル構築方法およびプログラム
1か月前
横河電機株式会社
固体電解質組成物、固体電解質膜、積層体、電池、固体電解質組成物の製造方法
10日前
横河電機株式会社
光スペクトル測定プログラム、光スペクトル測定方法、及び光スペクトラムアナライザ
24日前
続きを見る
他の特許を見る