TOP
|
特許
|
意匠
|
商標
特許ウォッチ
Twitter
他の特許を見る
10個以上の画像は省略されています。
公開番号
2025146629
公報種別
公開特許公報(A)
公開日
2025-10-03
出願番号
2024203813
出願日
2024-11-22
発明の名称
ガスセンサ
出願人
TDK株式会社
代理人
個人
,
個人
主分類
G01N
27/18 20060101AFI20250926BHJP(測定;試験)
要約
【課題】検出対象ガスの濃度が短期間で大きく変動する場合であっても、測定結果を濃度変化に追従させる。
【解決手段】ガスセンサ100は、検出信号Vgas1,Vgas2をそれぞれ出力するセンサ部10,20と、検出信号Vgas1,Vgas2に基づいて検出対象ガスの濃度を算出する信号処理回路40とを備える。信号処理回路40は、センサ部10を制御する際には、ガス濃度測定動作とダミー加熱動作を交互に繰り返し実行し、センサ部20を制御する際には、ガス濃度測定動作を繰り返し連続的に実行している間、ダミー加熱動作を行わない。動作期間T1においては、センサ部10を用いたガス濃度測定動作の実行頻度よりも、センサ部20を用いたガス濃度測定動作の実行頻度の方が高い。
【選択図】図1
特許請求の範囲
【請求項1】
直列に接続された第1及び第2の感温素子と、前記第1の感温素子を加熱する第1のヒータと、前記第2の感温素子を加熱する第2のヒータとを含み、前記第1の感温素子と前記第2の感温素子の接続点から第1の検出信号を出力する第1のセンサ部と、
直列に接続された第3及び第4の感温素子と、前記第3の感温素子を加熱する第3のヒータと、前記第4の感温素子を加熱する第4のヒータとを含み、前記第3の感温素子と前記第4の感温素子の接続点から第2の検出信号を出力する第2のセンサ部と、
前記第1及び第2のセンサ部を制御するとともに、前記第1及び第2の検出信号に基づいて検出対象ガスの濃度を算出する信号処理回路と、
を備え、
前記信号処理回路は、
前記第1のセンサ部を制御する際には、前記第1のヒータにより前記第1の感温素子を第1の温度域に加熱し、前記第2のヒータにより前記第2の感温素子を第2の温度域に加熱する第1のガス濃度測定動作と、前記第1のヒータにより前記第1の感温素子を前記第2の温度域に加熱し、前記第2のヒータにより前記第2の感温素子を前記第1の温度域に加熱するダミー加熱動作とを交互に繰り返し実行し、
前記第2のセンサ部を制御する際には、前記第3のヒータにより前記第3の感温素子を前記第1の温度域に加熱し、前記第4のヒータにより前記第4の感温素子を前記第2の温度域に加熱する第2のガス濃度測定動作を、前記第3のヒータにより前記第3の感温素子を前記第2の温度域に加熱し、前記第4のヒータにより前記第4の感温素子を前記第1の温度域に加熱する加熱動作を実行することなく、繰り返し実行し、
第1の動作期間においては、前記第1のガス濃度測定動作の実行頻度よりも、前記第2のガス濃度測定動作の実行頻度の方が高い、
ガスセンサ。
続きを表示(約 860 文字)
【請求項2】
前記信号処理回路は、第2の動作期間においては、前記第1のガス濃度測定動作及び前記ダミー加熱動作を実行し、前記第2のガス濃度測定動作を停止する、
請求項1に記載のガスセンサ。
【請求項3】
前記信号処理回路は、前記第1及び第2の動作期間においては、前記第1のガス濃度測定動作と前記ダミー加熱動作を周期的に実行する、
請求項2に記載のガスセンサ。
【請求項4】
前記第1及び第2の動作期間における、前記第2のガス濃度測定動作の累積実行時間は、前記第1のガス濃度測定動作の累積実行時間よりも短い、
請求項2に記載のガスセンサ。
【請求項5】
前記信号処理回路は、前記第2の動作期間において、前記第3のヒータにより前記第3の感温素子を前記第2の温度域に加熱し、前記第4のヒータにより前記第4の感温素子を前記第1の温度域に加熱する第2のダミー加熱動作を実行する、
請求項2に記載のガスセンサ。
【請求項6】
前記第2の温度域よりも前記第1の温度域の方が温度が高く、
前記第1のガス濃度測定動作において前記第2のヒータにより前記第2の感温素子を前記第2の温度域に加熱する動作から、前記ダミー加熱動作において前記第2のヒータにより前記第2の感温素子を前記第1の温度域に加熱する動作までの間のインターバルよりも、前記第1のガス濃度測定動作において前記第1のヒータにより前記第1の感温素子を前記第1の温度域に加熱する動作から、前記ダミー加熱動作において前記第1のヒータにより前記第1の感温素子を前記第2の温度域に加熱する動作までの間のインターバルが長い、
請求項1に記載のガスセンサ。
【請求項7】
前記ダミー加熱動作から前記第1のガス濃度測定動作までの間のインターバルは、前記ダミー加熱動作の実行時間の10倍以上である、
請求項1から請求項6のいずれか一項に記載のガスセンサ。
発明の詳細な説明
【技術分野】
【0001】
本開示はガスセンサに関し、特に、サーミスタ等の感温素子を加熱することにより検出対象ガスの濃度を測定するガスセンサに関する。
続きを表示(約 2,300 文字)
【背景技術】
【0002】
特許文献1には、検知用のサーミスタと参照用のサーミスタを互いに異なる温度に加熱することによって検出対象ガスの濃度を測定するガスセンサが開示されている。特許文献1に記載されたガスセンサは、測定動作後にダミー加熱期間を設け、測定期間における検知用のサーミスタの加熱温度とダミー加熱期間における参照用のサーミスタの加熱温度を一致させ、測定期間における参照用のサーミスタの加熱温度とダミー加熱期間における検知用のサーミスタの加熱温度を一致させることにより、検知用のサーミスタと参照用のサーミスタの熱履歴差を低減している。
【先行技術文献】
【特許文献】
【0003】
国際公開WO2020/031517号
【発明の概要】
【発明が解決しようとする課題】
【0004】
しかしながら、ダミー加熱期間を設けると測定周期が長くなるため、検出対象ガスの濃度が短期間で大きく変動する場合、測定結果が濃度変化に追従できない可能性があった。
【0005】
本開示においては、サーミスタ等の感温素子を加熱することにより検出対象ガスの濃度を測定するガスセンサにおいて、検出対象ガスの濃度が短期間で大きく変動する場合であっても、測定結果を濃度変化に追従させる技術が説明される。
【課題を解決するための手段】
【0006】
本開示の一側面によるガスセンサは、直列に接続された第1及び第2の感温素子と、第1の感温素子を加熱する第1のヒータと、第2の感温素子を加熱する第2のヒータとを含み、第1の感温素子と第2の感温素子の接続点から第1の検出信号を出力する第1のセンサ部と、直列に接続された第3及び第4の感温素子と、第3の感温素子を加熱する第3のヒータと、第4の感温素子を加熱する第4のヒータとを含み、第3の感温素子と第4の感温素子の接続点から第2の検出信号を出力する第2のセンサ部と、第1及び第2のセンサ部を制御するとともに、第1及び第2の検出信号に基づいて検出対象ガスの濃度を算出する信号処理回路と、を備え、信号処理回路は、第1のセンサ部を制御する際には、第1のヒータにより第1の感温素子を第1の温度域に加熱し、第2のヒータにより第2の感温素子を第2の温度域に加熱する第1のガス濃度測定動作と、第1のヒータにより第1の感温素子を第2の温度域に加熱し、第2のヒータにより第2の感温素子を第1の温度域に加熱するダミー加熱動作とを交互に繰り返し実行し、第2のセンサ部を制御する際には、第3のヒータにより第3の感温素子を第1の温度域に加熱し、第4のヒータにより第4の感温素子を第2の温度域に加熱する第2のガス濃度測定動作を、第3のヒータにより第3の感温素子を第2の温度域に加熱し、第4のヒータにより第4の感温素子を第1の温度域に加熱する加熱動作を実行することなく、繰り返し実行し、第1の動作期間においては、第1のガス濃度測定動作の実行頻度よりも、第2のガス濃度測定動作の実行頻度の方が高い。
【発明の効果】
【0007】
本開示によれば、サーミスタ等の感温素子を加熱することにより検出対象ガスの濃度を測定するガスセンサにおいて、検出対象ガスの濃度が短期間で大きく変動する場合であっても、測定結果を濃度変化に追従させる技術が提供される。
【図面の簡単な説明】
【0008】
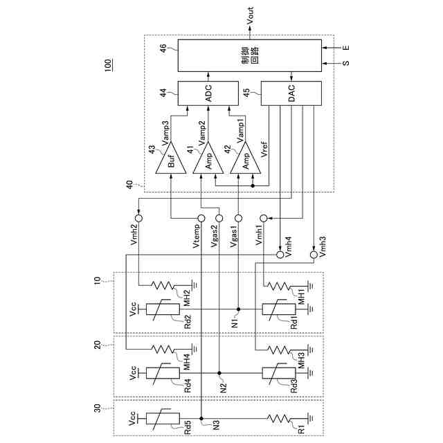
図1は、本開示に係る技術の一実施形態によるガスセンサ100の構成を示す回路図である。
図2(a),(b)は、センサ部10,20によるガス濃度測定動作の一例を説明するための模式図である。
図3は、センサ部10の動作を説明するためのフローチャートである。
図4は、センサ部10の動作を説明するためのタイミング図である。
図5は、オン期間Ton2に対するオフ期間Toff2の比(Toff2/Ton2)と、CO
2
ガス濃度の測定結果の単位時間当たりのドリフト量との関係を示すグラフである。
図6は、CO
2
ガス濃度が管理された雰囲気中における出力信号Voutの変化を示すグラフである。
図7は、センサ部10の変形例による動作を説明するためのタイミング図である。
図8は、センサ部20の動作を説明するためのフローチャートである。
図9は、センサ部20の動作を説明するためのタイミング図である。
図10は、動作期間T1におけるセンサ部10,20の動作を説明するためのタイミング図である。
図11は、センサ部20を用いたガス濃度測定動作が間欠的に実行される様子を説明するためのタイミング図である。
図12は、センサ部20の変形例による動作を説明するためのフローチャートである。
図13は、センサ部20の変形例による動作の一例を説明するためのタイミング図である。
図14は、センサ部20の変形例による動作の別の例を説明するためのタイミング図である。
【発明を実施するための形態】
【0009】
以下、添付図面を参照しながら、本開示に係る技術の実施形態について詳細に説明する。
【0010】
図1は、本開示に係る技術の一実施形態によるガスセンサ100の構成を示す回路図である。
(【0011】以降は省略されています)
この特許をJ-PlatPat(特許庁公式サイト)で参照する
関連特許
TDK株式会社
センサ
1か月前
TDK株式会社
電子部品
1か月前
TDK株式会社
電子部品
1か月前
TDK株式会社
フィルタ
1か月前
TDK株式会社
電子部品
23日前
TDK株式会社
電子部品
1か月前
TDK株式会社
電子部品
19日前
TDK株式会社
電子部品
1か月前
TDK株式会社
電子部品
24日前
TDK株式会社
電子部品
24日前
TDK株式会社
電子部品
23日前
TDK株式会社
フィルタ
24日前
TDK株式会社
圧電素子
24日前
TDK株式会社
コイル装置
23日前
TDK株式会社
コイル部品
1か月前
TDK株式会社
コイル装置
23日前
TDK株式会社
コイル部品
1か月前
TDK株式会社
圧力センサ
26日前
TDK株式会社
ガスセンサ
1か月前
TDK株式会社
コイル部品
23日前
TDK株式会社
コイル部品
24日前
TDK株式会社
光検知装置
1か月前
TDK株式会社
センサ装置
1か月前
TDK株式会社
コイル装置
23日前
TDK株式会社
コイル装置
23日前
TDK株式会社
磁気センサ
24日前
TDK株式会社
コイル装置
1か月前
TDK株式会社
コイル部品
23日前
TDK株式会社
コイル部品
1か月前
TDK株式会社
ガスセンサ
25日前
TDK株式会社
温度センサ
1か月前
TDK株式会社
ガスセンサ
1か月前
TDK株式会社
コイル部品
1か月前
TDK株式会社
熱処理容器
12日前
TDK株式会社
コイル部品
1か月前
TDK株式会社
コイル部品
1か月前
続きを見る
他の特許を見る