TOP
|
特許
|
意匠
|
商標
特許ウォッチ
Twitter
他の特許を見る
10個以上の画像は省略されています。
公開番号
2025152427
公報種別
公開特許公報(A)
公開日
2025-10-09
出願番号
2024054320
出願日
2024-03-28
発明の名称
フィルタ
出願人
TDK株式会社
代理人
インフォート弁理士法人
,
弁理士法人イトーシン国際特許事務所
主分類
H01P
1/203 20060101AFI20251002BHJP(基本的電気素子)
要約
【課題】製造時の積層体の積層ずれに起因する特性の変化を抑制する。
【解決手段】フィルタ1の共振器14は、共振器用の導体層604を含んでいる。フィルタ1のシールド20の複数の柱状導体T4は、第1の間隔を開けて配置された2つの特定の第1の柱状導体T4aまたはT4cと、第2の間隔を開けて配置された2つの特定の第2の柱状導体T4bまたはT4cとを含んでいる。積層体50は、2つの特定の第1の柱状導体T4aまたはT4cの間に位置する第1の誘電体部分31と、2つの特定の第2の柱状導体T4bまたはT4cの間に位置する第2の誘電体部分32とを含んでいる。共振器用の導体層604の第1の線路部分604Aと第2の線路部分604Bの少なくとも一方は、第1の誘電体部分31よりも、第2の誘電体部分32により近い位置に配置されている。
【選択図】図13
特許請求の範囲
【請求項1】
積層された複数の誘電体層を含む積層体と、
前記積層体に一体化された第1の入出力端子および第2の入出力端子と、
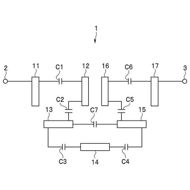
前記積層体内に設けられていると共に、回路構成上前記第1の入出力端子と前記第2の入出力端子との間に設けられた複数の共振器と、
導体よりなり、前記積層体に一体化されたシールドとを備え、
前記複数の共振器は、第1の共振器と、第2の共振器と、回路構成上前記第1の共振器と前記第2の共振器との間に設けられた第3の共振器とを含み、
前記第1の共振器は、前記第1の入出力端子に接続され、
前記第2の共振器は、前記第2の入出力端子に接続され、
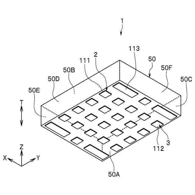
前記第3の共振器は、前記複数の誘電体層の積層方向に直交する直交平面に沿って延在する第1の共振器用導体層を含み、
前記第1の共振器用導体層は、前記第1の共振器用導体層における長手方向の両端に位置する第1の端部および第2の端部を有すると共に、前記第1の端部を含む第1の線路部分と、前記第2の端部を含む第2の線路部分と、前記第1の線路部分と前記第2の線路部分とを接続する第1の中央部分とを含み、
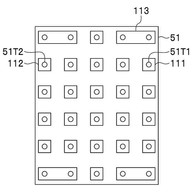
前記シールドは、前記複数の共振器を挟むように前記積層方向において間隔を開けて配置された第1の導体層および第2の導体層と、それぞれ前記積層方向に延在し且つ前記第1の導体層と前記第2の導体層とを接続する複数の柱状導体とを含み、
前記複数の柱状導体は、前記積層体の外面に沿って、前記複数の共振器を囲むように並び、
前記複数の柱状導体は、第1の間隔を開けて配置された2つの特定の第1の柱状導体と、前記第1の間隔よりも大きい第2の間隔を開けて配置された2つの特定の第2の柱状導体とを含み、
前記積層体は、更に、前記第1の導体層と前記第2の導体層との間且つ前記2つの特定の第1の柱状導体の間に位置する第1の誘電体部分と、前記第1の導体層と前記第2の導体層との間且つ前記2つの特定の第2の柱状導体の間に位置する第2の誘電体部分とを含み、
前記第1の線路部分と前記第2の線路部分の少なくとも一方は、前記第1の誘電体部分よりも、前記第2の誘電体部分により近い位置に配置されていることを特徴とするフィルタ。
続きを表示(約 2,200 文字)
【請求項2】
前記積層体は、前記第1の共振器および前記第2の共振器を含むが前記第3の共振器を含まない第1の領域と、前記第3の共振器を含むが前記第1の共振器および前記第2の共振器を含まない第2の領域とを含み、
前記複数の柱状導体は、前記第2の領域に配置されていることを特徴とする請求項1記載のフィルタ。
【請求項3】
前記第1の中央部分は、前記第2の誘電体部分よりも前記2つの特定の第1の柱状導体により近い位置に配置されていることを特徴とする請求項1記載のフィルタ。
【請求項4】
前記第1の中央部分は、前記第2の誘電体部分よりも前記2つの特定の第2の柱状導体のうちの1つにより近い位置に配置されていることを特徴とする請求項1記載のフィルタ。
【請求項5】
前記複数の柱状導体は、更に、前記第1の間隔よりも大きい第3の間隔を開けて配置された2つの特定の第3の柱状導体を含み、
前記積層体は、更に、前記第1の導体層と前記第2の導体層との間且つ前記2つの特定の第3の柱状導体の間に位置する第3の誘電体部分を含み、
前記第1の線路部分は、前記第1の誘電体部分よりも、前記第2の誘電体部分により近い位置に配置され、
前記第2の線路部分は、前記第1の誘電体部分よりも、前記第3の誘電体部分により近い位置に配置されていることを特徴とする請求項1記載のフィルタ。
【請求項6】
前記第1の線路部分は、前記第1の誘電体部分よりも、前記第2の誘電体部分により近い位置に配置され、
前記第1の共振器用導体層の前記第2の端部は、前記第1の共振器用導体層の前記第1の端部よりも、前記積層体の外面からより遠い位置にあることを特徴とする請求項1記載のフィルタ。
【請求項7】
前記積層体は、前記第1の共振器用導体層の前記第1の端部に対して前記第1の線路部分と前記第1の中央部分との境界から前記第1の端部を経由して前記積層体の外面に向かう第1の方向の先にあり且つ前記第1の線路部分と同じ幅を有する第1の前方領域と、前記第1の線路部分に対して前記第1の方向に直交し且つ前記積層体の外面に向かう第2の方向の先にあり且つ前記第1の線路部分と同じ幅を有する第1の直交領域とを含み、
前記第1の前方領域と前記第1の直交領域には、前記複数の柱状導体は設けられていないことを特徴とする請求項1記載のフィルタ。
【請求項8】
前記積層体は、更に、前記第1の共振器用導体層の前記第2の端部に対して前記第2の線路部分と前記第1の中央部分との境界から前記第2の端部を経由して前記積層体の外面に向かう第3の方向の先にあり且つ前記第2の線路部分と同じ幅を有する第2の前方領域と、前記第2の線路部分に対して前記第3の方向に直交し且つ前記積層体の外面に向かう第4の方向の先にあり且つ前記第2の線路部分と同じ幅を有する第2の直交領域とを含み、
前記第2の前方領域と前記第2の直交領域には、前記複数の柱状導体は設けられていないことを特徴とする請求項7記載のフィルタ。
【請求項9】
前記第3の共振器の前記第1の線路部分は、前記第1の誘電体部分よりも、前記第2の誘電体部分により近い位置に配置され、
前記複数の共振器は、更に、第4の共振器を含み、
前記第4の共振器は、前記直交平面に沿って延在する第2の共振器用導体層を含み、
前記第2の共振器用導体層は、前記第2の共振器用導体層における長手方向の両端に位置する第3の端部および第4の端部を有すると共に、前記第3の端部を含む第3の線路部分と、前記第4の端部を含む第4の線路部分と、前記第3の線路部分と前記第4の線路部分とを接続する第2の中央部分とを含み、
前記第4の共振器の前記第3の線路部分は、前記第3の共振器の前記第1の線路部分の近傍に配置されていることを特徴とする請求項1記載のフィルタ。
【請求項10】
前記複数の柱状導体は、更に、前記第1の間隔よりも大きい第3の間隔を開けて配置された2つの特定の第3の柱状導体を含み、
前記積層体は、更に、前記第1の導体層と前記第2の導体層との間且つ前記2つの特定の第3の柱状導体の間に位置する第3の誘電体部分を含み、
前記複数の共振器は、更に、第5の共振器を含み、
前記第5の共振器は、前記直交平面に沿って延在する第3の共振器用導体層を含み、
前記第3の共振器用導体層は、前記第3の共振器用導体層における長手方向の両端に位置する第5の端部および第6の端部を有すると共に、前記第5の端部を含む第5の線路部分と、前記第6の端部を含む第6の線路部分と、前記第5の線路部分と前記第6の線路部分とを接続する第3の中央部分とを含み、
前記第5の共振器の前記第5の線路部分は、前記第1の誘電体部分よりも、前記第3の誘電体部分により近い位置に配置され、
前記第4の共振器の前記第4の線路部分は、前記第5の共振器の前記第5の線路部分の近傍に配置されていることを特徴とする請求項9記載のフィルタ。
(【請求項11】以降は省略されています)
発明の詳細な説明
【技術分野】
【0001】
本発明は、積層体と複数の共振器とを備えたフィルタに関する。
続きを表示(約 2,000 文字)
【背景技術】
【0002】
通信装置に用いられる電子部品の一つには、複数の共振器を備えたバンドパスフィルタがある。複数の共振器の各々は、例えば、所定の長さを有する導体層によって構成されている。特に小型の通信装置に用いられるバンドパスフィルタには、小型化が求められる。小型化に適したバンドパスフィルタとしては、積層された複数の誘電体層と複数の導体層とを含む積層体を用いたものが知られている。
【0003】
バンドパスフィルタには、周囲へ電磁波が放射されることを防止するために、複数の共振器をシールドで囲った構造のものがある。例えば、特許文献1には、筒状体のグラウンド電極をチップ本体に設け、チップ本体内に設けられた共振器電極が、筒状体によって囲まれているチップ型フィルタ部品が開示されている。共振器電極の上方と下方には、チップ本体を貫通するビアホール電極によって相互に電気的に接続された2つのグランド電極が設けられている。
【先行技術文献】
【特許文献】
【0004】
国際公開第2009/060696号
【発明の概要】
【発明が解決しようとする課題】
【0005】
バンドパスフィルタを構成する積層体は、例えば、以下のようにして形成される。まず、後に複数の誘電体層になる複数のセラミックグリーンシートを作製する。各セラミックグリーンシートには、後に複数の導体層になる複数の焼成前導体層と、後に複数のスルーホールになる複数の焼成前スルーホールが形成されている。次に、複数のセラミックグリーンシートを積層して、グリーンシート積層体を作製する。次に、このグリーンシート積層体を切断して、焼成前積層体を作製する。次に、この焼成前積層体におけるセラミックと導体を低温同時焼成工程によって焼成して、積層体を完成させる。
【0006】
バンドパスフィルタの製造過程においては、複数のセラミックグリーンシートを積層する際に、複数のセラミックグリーンシートがわずかにずれてしまう場合がある。この場合、ある誘電体層に形成された導体層と他の誘電体層に形成されたスルーホールとの間隔が、設計値からずれてしまう。導体層が共振器用の導体層である場合、導体層とスルーホールとの間隔がずれてしまうと、所望のフィルタ特性を得ることができなくなるという問題があった。
【0007】
本発明はかかる問題点に鑑みてなされたもので、その目的は、製造時の積層体の積層ずれに起因する特性の変化を抑制できるようにしたフィルタを提供することにある。
【課題を解決するための手段】
【0008】
本発明のフィルタは、積層された複数の誘電体層を含む積層体と、積層体に一体化された第1の入出力端子および第2の入出力端子と、積層体内に設けられていると共に、回路構成上第1の入出力端子と第2の入出力端子との間に設けられた複数の共振器と、導体よりなり、積層体に一体化されたシールドとを備えている。複数の共振器は、第1の共振器と、第2の共振器と、回路構成上第1の共振器と第2の共振器との間に設けられた第3の共振器とを含んでいる。第1の共振器は、第1の入出力端子に接続されている。第2の共振器は、第2の入出力端子に接続されている。
【0009】
第3の共振器は、複数の誘電体層の積層方向に直交する直交平面に沿って延在する第1の共振器用導体層を含んでいる。第1の共振器用導体層は、第1の共振器用導体層における長手方向の両端に位置する第1の端部および第2の端部を有すると共に、第1の端部を含む第1の線路部分と、第2の端部を含む第2の線路部分と、第1の線路部分と第2の線路部分とを接続する第1の中央部分とを含んでいる。シールドは、複数の共振器を挟むように積層方向において間隔を開けて配置された第1の導体層および第2の導体層と、それぞれ積層方向に延在し且つ第1の導体層と第2の導体層とを接続する複数の柱状導体とを含んでいる。複数の柱状導体は、積層体の外面に沿って、複数の共振器を囲むように並んでいる。複数の柱状導体は、第1の間隔を開けて配置された2つの特定の第1の柱状導体と、第1の間隔よりも大きい第2の間隔を開けて配置された2つの特定の第2の柱状導体とを含んでいる。
【0010】
積層体は、更に、第1の導体層と第2の導体層との間且つ2つの特定の第1の柱状導体の間に位置する第1の誘電体部分と、第1の導体層と第2の導体層との間且つ2つの特定の第2の柱状導体の間に位置する第2の誘電体部分とを含んでいる。第1の線路部分と第2の線路部分の少なくとも一方は、第1の誘電体部分よりも、第2の誘電体部分により近い位置に配置されている。
【発明の効果】
(【0011】以降は省略されています)
この特許をJ-PlatPat(特許庁公式サイト)で参照する
関連特許
東ソー株式会社
絶縁電線
19日前
APB株式会社
蓄電セル
17日前
株式会社東芝
端子台
11日前
ローム株式会社
半導体装置
18日前
マクセル株式会社
電源装置
11日前
株式会社ホロン
冷陰極電子源
25日前
株式会社GSユアサ
蓄電装置
12日前
株式会社GSユアサ
蓄電装置
12日前
株式会社GSユアサ
蓄電装置
4日前
北道電設株式会社
配電具カバー
17日前
トヨタ自動車株式会社
蓄電装置
12日前
日本特殊陶業株式会社
保持装置
20日前
トヨタ自動車株式会社
バッテリ
17日前
日新イオン機器株式会社
基板処理装置
14日前
日本特殊陶業株式会社
保持装置
3日前
トヨタ自動車株式会社
冷却構造
19日前
日亜化学工業株式会社
半導体レーザ素子
14日前
住友電装株式会社
コネクタ
19日前
株式会社デンソー
電子装置
14日前
甲神電機株式会社
変流器及び零相変流器
5日前
トヨタ自動車株式会社
電池パック
24日前
トヨタ自動車株式会社
密閉型電池
13日前
トヨタ自動車株式会社
電池パック
24日前
株式会社トクヤマ
シリコンエッチング液
25日前
株式会社トクヤマ
シリコンエッチング液
25日前
ローム株式会社
半導体装置
19日前
日本無線株式会社
レーダアンテナ
5日前
株式会社東芝
高周波回路
20日前
株式会社デンソー
熱交換部材
5日前
マクセル株式会社
扁平形電池
18日前
三協立山株式会社
バッテリーケース
18日前
株式会社村田製作所
二次電池
25日前
日本航空電子工業株式会社
コネクタ
3日前
富士電機株式会社
半導体モジュール
6日前
株式会社半導体エネルギー研究所
二次電池
24日前
トヨタ自動車株式会社
蓄電モジュール
24日前
続きを見る
他の特許を見る