TOP
|
特許
|
意匠
|
商標
特許ウォッチ
Twitter
他の特許を見る
公開番号
2025133249
公報種別
公開特許公報(A)
公開日
2025-09-11
出願番号
2024031076
出願日
2024-03-01
発明の名称
乾燥装置及び記録装置
出願人
セイコーエプソン株式会社
代理人
個人
,
個人
,
個人
主分類
F26B
23/08 20060101AFI20250904BHJP(乾燥)
要約
【課題】媒体の乾燥度合いの不均等を抑制することができる乾燥装置及び記録装置を提供する。
【解決手段】乾燥装置は、高周波電圧の印加に応じて電磁波を発生させることにより、液体が吐出された媒体を乾燥させる乾燥部を備える。乾燥部は、第1電極と、媒体に向かう第1方向からの平面視において第1電極を取り囲むように配置される第2電極と、コイルを有し、高周波電圧を伝送可能である伝送線路と第1電極とを電気的に接続する第1導体と、伝送線路と第2電極とを電気的に接続する第2導体と、を有する。第1電極は、第1方向と交差する第2方向に延設される。第2電極は、第1電極を取り囲む開口部を有し、開口部は、第2方向が長辺となり、かつ、第1方向及び第2方向と交差する第3方向が短辺となる。第2方向における第1電極と開口部の短辺との第1距離は、第3方向における第1電極と開口部の長辺との第2距離よりも長い。
【選択図】図2
特許請求の範囲
【請求項1】
高周波電圧の印加に応じて電磁波を発生させることにより、液体が吐出された媒体を乾燥させる乾燥部を備え、
前記乾燥部は、
第1電極と、
媒体に向かう第1方向からの平面視において前記第1電極を取り囲むように配置される第2電極と、
コイルを有し、高周波電圧を伝送可能である伝送線路と前記第1電極とを電気的に接続する第1導体と、
前記伝送線路と前記第2電極とを電気的に接続する第2導体と、
を有し、
前記第1電極は、前記第1方向と交差する第2方向に延設され、
前記第2電極は、前記第1電極を取り囲む開口部を有し、
前記開口部は、前記第2方向が長辺となり、かつ、前記第1方向及び前記第2方向と交差する第3方向が短辺となり、
前記第2方向における前記第1電極と前記開口部の短辺との第1距離は、前記第3方向における前記第1電極と前記開口部の長辺との第2距離よりも長い、
ことを特徴とする乾燥装置。
続きを表示(約 1,100 文字)
【請求項2】
請求項1に記載の乾燥装置において、
前記第3方向に並ぶように複数の前記乾燥部が配置される、
ことを特徴とする乾燥装置。
【請求項3】
請求項1に記載の乾燥装置において、
前記第2方向に並ぶように複数の前記乾燥部が配置される、
ことを特徴とする乾燥装置。
【請求項4】
請求項1に記載の乾燥装置において、
第1列において前記第2方向に並ぶように複数の前記乾燥部が配置され、
前記第3方向に前記第1列と隣り合う第2列において前記第2方向に並ぶように複数の前記乾燥部が配置され、
前記第1列の複数の前記乾燥部と前記第2列の複数の前記乾燥部とは、前記第2方向における位置が異なるように配置される、
ことを特徴とする乾燥装置。
【請求項5】
請求項1~請求項4のうち何れか一項に記載の乾燥装置において、
前記開口部は、短辺の長さが長辺の長さの3分の1以下となるように設けられる、
ことを特徴とする乾燥装置。
【請求項6】
請求項1~請求項4のうち何れか一項に記載の乾燥装置において、
前記第1電極は、前記第1方向において前記第2電極と重なる位置に設けられる、
ことを特徴とする乾燥装置。
【請求項7】
請求項1~請求項4のうち何れか一項に記載の乾燥装置において、
前記第1電極は、前記第2方向における中央部と、前記第2方向における両端部と、を有し、
前記両端部は、前記第1方向において媒体と離れる方向に延設される、
ことを特徴とする乾燥装置。
【請求項8】
請求項7に記載の乾燥装置において、
前記中央部と前記両端部とが一体に設けられる、
ことを特徴とする乾燥装置。
【請求項9】
請求項1~請求項4のうち何れか一項に記載の乾燥装置において、
前記乾燥部に対して媒体を前記第3方向に沿って相対的に移動させる移動部を備える、
ことを特徴とする乾燥装置。
【請求項10】
請求項9に記載の乾燥装置において、
第1列において前記第2方向に並ぶように複数の前記乾燥部が配置され、
第2列において前記第2方向に並ぶように複数の前記乾燥部が配置され、
前記第1列の複数の前記乾燥部と前記第2列の複数の前記乾燥部とは、共振周波数が異なる、
ことを特徴とする乾燥装置。
(【請求項11】以降は省略されています)
発明の詳細な説明
【技術分野】
【0001】
本発明は、乾燥装置及び記録装置に関する。
続きを表示(約 2,100 文字)
【背景技術】
【0002】
例えば特許文献1のように、液体が吐出された媒体に対して電磁波を発生させることにより、媒体を乾燥させる乾燥装置が開示されている。このような乾燥装置は、第1電極と第2電極との間に高周波電圧を供給することにより、媒体に対して電磁波を発生させる。これにより、液体が吐出された媒体を乾燥させることができる。
【先行技術文献】
【特許文献】
【0003】
特開2019-155811号公報
【発明の概要】
【発明が解決しようとする課題】
【0004】
しかしながら、このような乾燥装置では、媒体の乾燥度合いが不均等になってしまうおそれがあった。このため、媒体の乾燥度合いの均等化を図ることが望まれている。
【課題を解決するための手段】
【0005】
上記課題を解決する乾燥装置は、高周波電圧の印加に応じて電磁波を発生させることにより、液体が吐出された媒体を乾燥させる乾燥部を備え、前記乾燥部は、第1電極と、媒体に向かう第1方向からの平面視において前記第1電極を取り囲むように配置される第2電極と、コイルを有し、高周波電圧を伝送可能である伝送線路と前記第1電極とを電気的に接続する第1導体と、前記伝送線路と前記第2電極とを電気的に接続する第2導体と、を有し、前記第1電極は、前記第1方向と交差する第2方向に延設され、前記第2電極は、前記第1電極を取り囲む開口部を有し、前記開口部は、前記第2方向が長辺となり、かつ、前記第1方向及び前記第2方向と交差する第3方向が短辺となり、前記第2方向における前記第1電極と前記開口部の短辺との第1距離は、前記第3方向における前記第1電極と前記開口部の長辺との第2距離よりも長い。
【0006】
上記課題を解決する記録装置は、媒体に液体を吐出することにより記録を行う記録部と、高周波電圧の印加に応じて電磁波を発生させることにより、前記記録部により液体が吐出された媒体を乾燥させる乾燥部を備え、前記乾燥部は、第1電極と、媒体に向かう第1方向からの平面視において前記第1電極を取り囲むように配置される第2電極と、コイルを有し、高周波電圧を伝送可能である伝送線路と前記第1電極とを電気的に接続する第1導体と、前記伝送線路と前記第2電極とを電気的に接続する第2導体と、を有し、前記第1電極は、前記第1方向と交差する第2方向に延設され、前記第2電極は、前記第1電極を取り囲む開口部を有し、前記開口部は、前記第2方向が長辺となり、かつ、前記第1方向及び前記第2方向と交差する第3方向が短辺となり、前記第2方向における前記第1電極と前記開口部の短辺との第1距離は、前記第3方向における前記第1電極と前記開口部の長辺との第2距離よりも長い。
【図面の簡単な説明】
【0007】
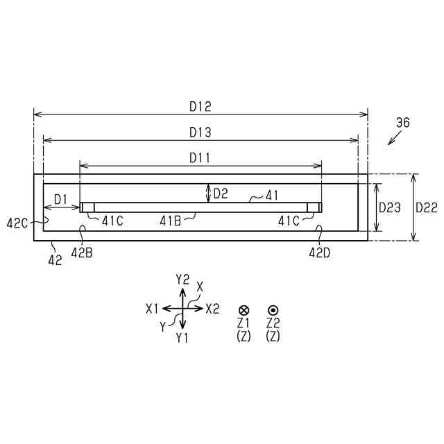
図1は、第1実施形態の記録システムを示す模式図である。
図2は、第1実施形態の乾燥部を示す斜視図である。
図3は、第1実施形態の乾燥部を示す模式図である。
図4は、第1実施形態の乾燥部を示す模式図である。
図5は、第2実施形態の乾燥部を示す斜視図である。
図6は、変更例の乾燥部を示す模式図である。
【発明を実施するための形態】
【0008】
[第1実施形態]
以下、乾燥装置及び記録装置を含む記録システムの一実施形態について説明する。以下の説明では、鉛直方向Zと交差する方向を幅方向Xとし、鉛直方向Z及び幅方向Xと交差する方向を奥行方向Yとする。幅方向Xに沿う一方の方向を第1幅方向X1とし、幅方向Xに沿う他方の方向を第2幅方向X2とする。奥行方向Yに沿う一方の方向を第1奥行方向Y1とし、奥行方向Yに沿う他方の方向を第2奥行方向Y2とする。鉛直方向Zのうち上方を上方Z1とし、鉛直方向Zのうち下方を下方Z2とする。鉛直方向Zが第1方向の一例に相当する。幅方向Xが第2方向の一例に相当する。奥行方向Yが第3方向の一例に相当する。
【0009】
<記録システム10の構成>
図1に示すように、記録システム10は、媒体90に記録を行うシステムである。特に、記録システム10は、媒体90に液体を吐出することにより、媒体90に記録を行うシステムである。記録システム10は、液体を吐出した記録後の媒体90を乾燥させるシステムである。
【0010】
記録システム10は、記録装置11を備える。記録装置11は、媒体90に記録を行うように構成される。特に、記録装置11は、媒体90に液体を吐出することにより、媒体90に記録を行う。記録装置11は、液体の一例であるインクを媒体90に吐出することにより記録を行うインクジェット式のプリンターであってもよい。媒体90は、表面90Aと裏面90Bとを備える。媒体90は、布帛であるが、例えば紙などであってもよい。
(【0011】以降は省略されています)
この特許をJ-PlatPat(特許庁公式サイト)で参照する
関連特許
個人
ハンディ傘乾燥丸め器
2か月前
株式会社サタケ
循環式穀物乾燥機
1か月前
株式会社サタケ
粒状物の乾燥装置
29日前
株式会社ダイソー
乾熱減容処理装置
2か月前
株式会社チノー
乾燥システム
3か月前
株式会社カワタ
粉粒体処理装置
29日前
株式会社クレブ
ブーツ乾燥装置
8か月前
東レエンジニアリング株式会社
乾燥装置
2か月前
東レ株式会社
塗膜付きシートの加熱装置
5か月前
東レエンジニアリング株式会社
乾燥装置
1か月前
エイ・エス・デイ株式会社
乾燥装置
3か月前
大東電子株式会社
傘水滴除去装置
9か月前
株式会社サタケ
穀物乾燥機
3か月前
株式会社ヨシカワ
乾燥装置
2か月前
株式会社ヒメジ理化イノテック
乾燥装置
3日前
クリーン・テクノロジー株式会社
乾燥装置
1日前
クリーン・テクノロジー株式会社
乾燥装置
9か月前
クリーン・テクノロジー株式会社
乾燥装置
8か月前
アントム株式会社
搬送式乾燥炉
6か月前
高砂工業株式会社
凍結乾燥装置
7か月前
株式会社ワカミヤ商会
乾燥装置
4か月前
株式会社カワタ
粉粒体処理装置および乾燥方法
29日前
株式会社カワタ
粉粒体処理容器および乾燥装置
29日前
セイコーエプソン株式会社
乾燥機
5か月前
株式会社マクニカ
乾熱減容処理装置
2か月前
株式会社大川原製作所
乾燥システム
7か月前
クリーン・テクノロジー株式会社
熱風式乾燥装置
8か月前
株式会社大川原製作所
乾燥システム
7か月前
個人
常服乾燥装置
1か月前
株式会社アサヒテクノ
乾燥装置及び乾燥方法
5か月前
特殊電極株式会社
塗装乾燥装置および塗装乾燥方法
8か月前
カワサキ機工株式会社
ネット型乾燥装置
4か月前
トヨタ自動車株式会社
乾燥装置
22日前
株式会社ワコーシステムコントロール
乾燥装置
29日前
株式会社ショウワテクノ
コンテナ容器脱水装置
8か月前
京セラドキュメントソリューションズ株式会社
乾燥装置
8か月前
続きを見る
他の特許を見る