TOP
|
特許
|
意匠
|
商標
特許ウォッチ
Twitter
他の特許を見る
公開番号
2025127078
公報種別
公開特許公報(A)
公開日
2025-09-01
出願番号
2024023585
出願日
2024-02-20
発明の名称
乾燥装置
出願人
株式会社ヨシカワ
代理人
個人
,
個人
,
個人
主分類
F26B
21/00 20060101AFI20250825BHJP(乾燥)
要約
【課題】貯留槽内の材料を均一かつ効率的に乾燥できる乾燥装置を提供する。
【解決手段】材料を貯留する貯留槽10と、貯留槽10の上部に接続された材料供給手段12と、貯留槽10の下部に接続された材料排出手段14とを備え、貯留槽10内に熱風を送り込んで材料を乾燥させる乾燥装置であって、貯留槽10の側壁上部又は上壁に設けられた上部熱風導入口22と連通し、貯留槽10内の上部中央から下部中央にわたって延設されると共に貯留槽10内の下部中央に熱風供給口24を有する中央熱風供給管16と、貯留槽10の側壁下部に設けられた下部熱風導入口28と連通し、貯留槽10の外周部に延設されると共にその下部に熱風供給開口30を有する周囲熱風通路18と、貯留槽10の側壁上部又は上壁に設けられた排気口20とを備えている乾燥装置1である。
【選択図】図1
特許請求の範囲
【請求項1】
材料を貯留する貯留槽と、該貯留槽に材料を供給する材料供給手段と、該貯留槽から材料を排出する材料排出手段とを備え、前記貯留槽内に熱風を送り込んで前記貯留槽内に貯留した材料を乾燥させる乾燥装置であって、
前記貯留槽の側壁上部又は上壁に設けられた上部熱風導入口と連通し、該貯留槽内の中央上部から中央下部にわたって延設されると共に該貯留槽内の中央下部に熱風供給口を有する中央熱風供給管と、
前記貯留槽の側壁下部に設けられた下部熱風導入口と連通し、該貯留槽内の外周部に延設されると共にその下部に熱風供給開口を有する周囲熱風通路と、
前記貯留槽の側壁上部又は上壁に設けられ、該貯留槽に導入された熱風を排出する排気口と、
を備えていることを特徴とする乾燥装置。
続きを表示(約 280 文字)
【請求項2】
前記材料供給手段が、前記貯留槽の上壁に設けられた材料導入口と連通し、該貯留槽内で下方向に延設されると共に該貯留槽内の上部に材料供給口を有する材料供給管を備えており、
前記材料供給管の材料供給口の上方かつ前記排気口の下方に、前記材料の通過を防止する通気性フィルタが設けられ、
前記貯留槽内は、前記通気性フィルタ下方の材料貯留部と、前記通気性フィルタ上方の吸引空間部とに区分けされていることを特徴とする請求項1記載の乾燥装置。
【請求項3】
前記通気性フィルタがクリンプ網であることを特徴とする請求項2記載の乾燥装置。
発明の詳細な説明
【技術分野】
【0001】
本発明は、バイオマス材料などを貯留する貯留槽において材料の乾燥を行う乾燥装置に関する。
続きを表示(約 2,200 文字)
【背景技術】
【0002】
従来、バイオマス発電設備では、貯留槽に保管されたバイオマス材料の燃焼させる前に、燃焼効率の低下を防止するために、独立した乾燥装置を用いてバイオマス材料の乾燥が行われていた(特許文献1参照)。
【0003】
また、貯留槽のバイオマス材料の乾燥を行う乾燥装置としては、例えば、原料を貯留する貯留槽と、貯留槽の下部に接続された供給機とを有し、貯留槽内に熱風を送り込んで原料を乾燥させる供給機における乾燥装置であって、貯留槽の中間部よりも下側の外壁において、貯留槽内に連通して接続された熱風導入管と、熱風導入管に熱風を導入する熱風供給手段と、貯留槽の中間部より上側の上端部近傍の外壁において、貯留槽内に連通して接続された熱風吸引管と、熱風吸引管に接続された熱風吸引手段と、熱風導入管の外壁への接続位置より下方位置において、一端が供給機の内部に連通して接続され、他端が熱風吸引管の貯留槽への接続位置と略同一水準位置の外壁に接続されたバイパス管とを設け、熱風吸引手段の吸引力により、貯留槽内に導入された熱風が熱風吸引管内に排出されるように構成されると共に、一端からバイパス管内に導入された熱風が他端から貯留槽内に導入されると共に熱風吸引管に排気されるように構成されたものである供給機における乾燥装置が知られている(特許文献2参照)。
【先行技術文献】
【特許文献】
【0004】
特開2005-291526号公報
特開2017-198434号公報
【発明の概要】
【発明が解決しようとする課題】
【0005】
しかしながら、特許文献2に記載の乾燥装置は、熱風の供給が貯留槽の下部外周部に制限されていたため、貯留槽の外周部の材料と中央部の材料との間で乾燥が不均一となり、材料によっては材料全体を十分に乾燥できない場合があった。
【0006】
本発明はかかる事情に鑑みなされたものであり、本発明の課題は、貯留槽内の材料を均一かつ効率的に乾燥できる乾燥装置を提供することにある。
【課題を解決するための手段】
【0007】
本発明者は、上記課題を解決すべく鋭意研究した結果、乾燥装置の貯留槽において、貯留槽内の中央上部から中央下部にわたって延設されると共に貯留槽内の中央下部に熱風供給口を有する中央熱風供給管と、貯留槽内の外周部に延設されると共にその下部に熱風供給開口を有する周囲熱風通路とを設けることにより、貯留槽の外周部の材料と中央部の材料との間での乾燥の不均一さを抑制し、材料全体を均一かつ効率的に乾燥できることを見いだし、本発明を完成するに至った。
【0008】
すなわち、本発明は、以下の通りである。
[1]材料を貯留する貯留槽と、該貯留槽に材料を供給する材料供給手段と、該貯留槽から材料を排出する材料排出手段とを備え、前記貯留槽内に熱風を送り込んで前記貯留槽内に貯留した材料を乾燥させる乾燥装置であって、
前記貯留槽の側壁上部又は上壁に設けられた上部熱風導入口と連通し、該貯留槽内の中央上部から中央下部にわたって延設されると共に該貯留槽内の中央下部に熱風供給口を有する中央熱風供給管と、
前記貯留槽の側壁下部に設けられた下部熱風導入口と連通し、該貯留槽内の外周部に延設されると共にその下部に熱風供給開口を有する周囲熱風通路と、
前記貯留槽の側壁上部又は上壁に設けられ、該貯留槽に導入された熱風を排出する排気口と、
を備えていることを特徴とする乾燥装置。
[2]前記材料供給手段が、前記貯留槽の上壁に設けられた材料導入口と連通し、該貯留槽内で下方向に延設されると共に該貯留槽内の上部に材料供給口を有する材料供給管を備えており、
前記材料供給管の材料供給口の上方かつ前記排気口の下方に、前記材料の通過を防止する通気性フィルタが設けられ、
前記貯留槽内は、前記通気性フィルタ下方の材料貯留部と、前記通気性フィルタ上方の吸引空間部とに区分けされていることを特徴とする上記[1]記載の乾燥装置。
[3]前記通気性フィルタがクリンプ網であることを特徴とする上記[2]記載の乾燥装置。
【発明の効果】
【0009】
本発明の乾燥装置は、貯留槽内の材料を均一かつ効率的に乾燥できる。
【図面の簡単な説明】
【0010】
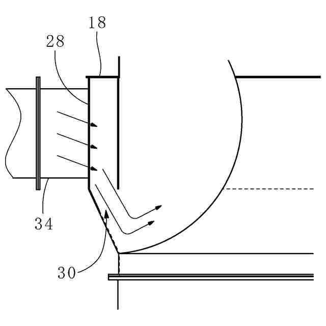
本発明の一実施形態に係る乾燥装置の一部断面側面図である。なお、A は周囲熱風通路の熱風導入口付近の一部断面を示す。
図1に示す乾燥装置の平面図である。
図1に示す乾燥装置の中央熱風供給管の先端部の拡大図であり、(A)は正面図を示し、(B)は底面図を示す。なお、斜線部分は切欠部分を示す。
図1に示す乾燥装置の周囲熱風通路の熱風導入口付近の拡大図である。
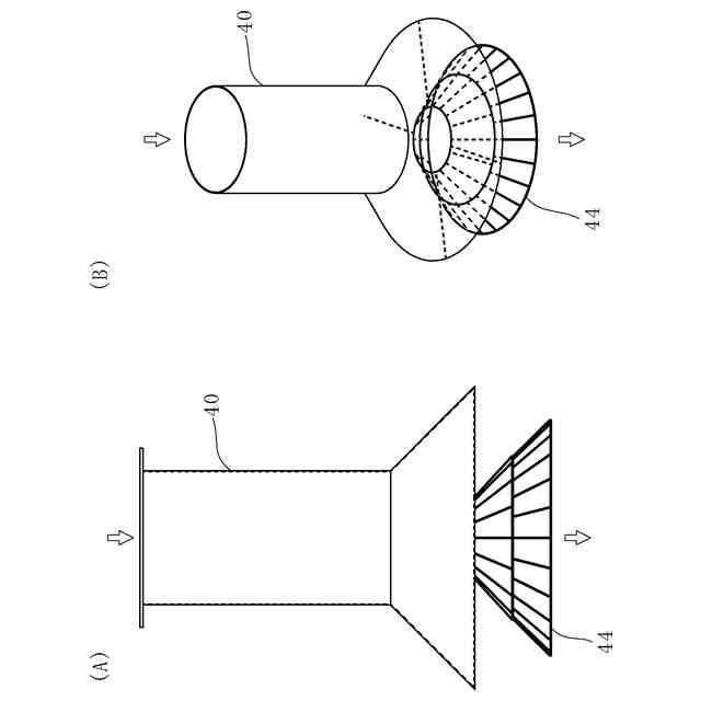
図1に示す乾燥装置の材料供給手段の説明図である。
図5に示す材料供給手段の先端部の拡大図であり、(A)は正面図を示し、(B)は斜視図を示す。
図1に示す乾燥装置の通気性フィルタの説明図である。
【発明を実施するための形態】
(【0011】以降は省略されています)
この特許をJ-PlatPat(特許庁公式サイト)で参照する
関連特許
個人
ハンディ傘乾燥丸め器
2か月前
株式会社サタケ
循環式穀物乾燥機
2か月前
株式会社サタケ
粒状物の乾燥装置
1か月前
株式会社ダイソー
乾熱減容処理装置
3か月前
株式会社チノー
乾燥システム
4か月前
株式会社カワタ
粉粒体処理装置
1か月前
株式会社クレブ
ブーツ乾燥装置
9か月前
東レエンジニアリング株式会社
乾燥装置
1か月前
東レ株式会社
塗膜付きシートの加熱装置
6か月前
東レエンジニアリング株式会社
乾燥装置
3か月前
エイ・エス・デイ株式会社
乾燥装置
3か月前
株式会社サタケ
穀物乾燥機
3か月前
株式会社ヨシカワ
乾燥装置
3か月前
株式会社ヒメジ理化イノテック
乾燥装置
27日前
大東電子株式会社
傘水滴除去装置
10か月前
クリーン・テクノロジー株式会社
乾燥装置
9か月前
クリーン・テクノロジー株式会社
乾燥装置
25日前
クリーン・テクノロジー株式会社
乾燥装置
10か月前
株式会社ワカミヤ商会
乾燥装置
5か月前
高砂工業株式会社
凍結乾燥装置
8か月前
アントム株式会社
搬送式乾燥炉
7か月前
株式会社カワタ
粉粒体処理容器および乾燥装置
1か月前
セイコーエプソン株式会社
乾燥機
6か月前
株式会社カワタ
粉粒体処理装置および乾燥方法
1か月前
株式会社大川原製作所
乾燥システム
8か月前
クリーン・テクノロジー株式会社
熱風式乾燥装置
9か月前
個人
常服乾燥装置
2か月前
株式会社大川原製作所
乾燥システム
8か月前
株式会社マクニカ
乾熱減容処理装置
3か月前
株式会社アサヒテクノ
乾燥装置及び乾燥方法
6か月前
特殊電極株式会社
塗装乾燥装置および塗装乾燥方法
8か月前
カワサキ機工株式会社
ネット型乾燥装置
5か月前
株式会社KMコーポレーション
二重効用乾燥システム
4日前
株式会社ワコーシステムコントロール
乾燥装置
1か月前
トヨタ自動車株式会社
乾燥装置
1か月前
株式会社ショウワテクノ
コンテナ容器脱水装置
9か月前
続きを見る
他の特許を見る