TOP
|
特許
|
意匠
|
商標
特許ウォッチ
Twitter
他の特許を見る
10個以上の画像は省略されています。
公開番号
2025125090
公報種別
公開特許公報(A)
公開日
2025-08-27
出願番号
2024020940
出願日
2024-02-15
発明の名称
測定装置および推定システム
出願人
横河電機株式会社
代理人
弁理士法人RYUKA国際特許事務所
主分類
G01R
31/396 20190101AFI20250820BHJP(測定;試験)
要約
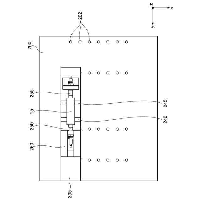
【解決手段】電池セルから放出される磁束密度を測定する測定装置であって、磁束密度を測定するセンサセルを有するセンサと、センサセルに対する電池セルの相対位置を維持した状態で、電池セルを回転可能に保持する回転保持部とを備える測定装置を提供する。回転保持部は、電池セルとセンサの相対位置を変更可能に、電池セルを保持してよい。回転保持部は、電池セルを回転させる回転部を有してよい。回転保持部は、センサセルを電池セルに対して移動させてよい。
【選択図】図1
特許請求の範囲
【請求項1】
電池セルから放出される磁束密度を測定する測定装置であって、
前記磁束密度を測定するセンサセルを有するセンサと、
前記センサセルに対する前記電池セルの相対位置を維持した状態で、前記電池セルを回転可能に保持する回転保持部と
を備える測定装置。
続きを表示(約 830 文字)
【請求項2】
前記回転保持部は、前記電池セルと前記センサの相対位置を変更可能に、前記電池セルを保持する
請求項1に記載の測定装置。
【請求項3】
前記回転保持部は、前記電池セルを回転させる回転部を有する
請求項1に記載の測定装置。
【請求項4】
前記回転保持部は、前記センサセルを前記電池セルに対して移動させる
請求項3に記載の測定装置。
【請求項5】
前記電池セルの少なくとも2つの回転角度において、前記センサにおける前記磁束密度の測定結果を取りこむ制御部を更に備える
請求項3に記載の測定装置。
【請求項6】
前記制御部は、前記センサと前記電池セルとの前記相対位置を制御し、少なくとも2つの前記相対位置のそれぞれにおいて、前記少なくとも2つの回転角度における前記測定結果を取りこむ
請求項5に記載の測定装置。
【請求項7】
前記回転保持部は、
前記回転部が固定されるセル基材と、
前記センサが固定されるセンサ基材とをさらに有し、
前記セル基材は、前記センサ基材に対して相対的に移動可能である
請求項3に記載の測定装置。
【請求項8】
前記センサ基材は、前記センサと前記電池セルとの相対位置を決定する、複数の位置決め穴を有し、
前記セル基材は、前記複数の位置決め穴に挿入される位置決めピンを有する
請求項7に記載の測定装置。
【請求項9】
前記センサ基材は、前記センサと前記電池セルとの相対位置を移動させるためのレールを有する
請求項7に記載の測定装置。
【請求項10】
前記回転保持部は、前記センサと前記電池セルとの相対位置を移動させる移動部を有する
請求項1に記載の測定装置。
(【請求項11】以降は省略されています)
発明の詳細な説明
【技術分野】
【0001】
本発明は、測定装置および推定システムに関する。
続きを表示(約 740 文字)
【背景技術】
【0002】
リチウムイオン電池等を含む電池ユニットは、複数の電池セルで構成され、電気自動車等の電源として用いられる。
【0003】
電池の周囲の複数の点で磁束密度を測定する技術は従来から存在していた(特許文献1)。
【先行技術文献】
【特許文献】
【0004】
特開2018-46007号公報
【発明の概要】
【0005】
本発明の第1の態様においては、電池セルから放出される磁束密度を測定する測定装置であって、磁束密度を測定するセンサセルを有するセンサと、センサセルに対する電池セルの相対位置を維持した状態で、電池セルを回転可能に保持する回転保持部とを備える測定装置を提供する。
【0006】
上記の測定装置において、回転保持部は、電池セルとセンサの相対位置を変更可能に、電池セルを保持してよい。
【0007】
上記のいずれかの測定装置において、回転保持部は、電池セルを回転させる回転部を有してよい。
【0008】
上記の測定装置において、回転保持部は、センサセルを電池セルに対して移動させてよい。
【0009】
上記のいずれかの測定装置において、電池セルの少なくとも2つの回転角度において、センサにおける磁束密度の測定結果を取りこむ制御部を更に備えてよい。
【0010】
上記の測定装置において、制御部は、センサと電池セルとの相対位置を制御し、少なくとも2つの相対位置のそれぞれにおいて、少なくとも2つの回転角度における測定結果を取りこんでよい。
(【0011】以降は省略されています)
この特許をJ-PlatPat(特許庁公式サイト)で参照する
関連特許
横河電機株式会社
磁気コア
15日前
横河電機株式会社
コントローラ
29日前
横河電機株式会社
情報プログラム
29日前
横河電機株式会社
適応方法及び情報処理装置
22日前
横河電機株式会社
装置、方法およびプログラム
1か月前
横河電機株式会社
装置、方法、およびプログラム
1か月前
横河電機株式会社
細胞穿刺装置及び顕微鏡システム
29日前
横河電機株式会社
細胞穿刺装置及び顕微鏡システム
29日前
横河電機株式会社
制御プログラム及びコントローラ
29日前
横河電機株式会社
クランプ式電流計及び電流測定方法
9日前
横河電機株式会社
測定装置、測定方法、及びプログラム
29日前
横河電機株式会社
測定装置、測定方法、及び、プログラム
2日前
横河電機株式会社
メタン製造システム及びメタン製造方法
1か月前
横河電機株式会社
センタリングデバイスおよび流量計ユニット
1日前
横河電機株式会社
データ管理支援装置及びデータ管理支援方法
29日前
横河電機株式会社
情報処理装置、表示方法および表示プログラム
1日前
横河電機株式会社
支援システム、支援方法および支援プログラム
1か月前
横河電機株式会社
回路モジュール、細胞穿刺装置、及び顕微鏡システム
29日前
横河電機株式会社
情報生成装置、情報生成システムおよび情報生成方法
9日前
横河電機株式会社
記録計、バックアップ方法及びバックアッププログラム
1日前
横河電機株式会社
固体電解質組成物、固体電解質膜、積層体、電池、固体電解質組成物の製造方法
15日前
横河電機株式会社
液体サンプルバルブ、ガスクロマトグラフ装置、洗浄方法、および洗浄プログラム
4日前
横河電機株式会社
光スペクトル測定プログラム、光スペクトル測定方法、及び光スペクトラムアナライザ
29日前
横河電機株式会社
設備を保守するための装置、方法、およびプログラム
11日前
個人
メジャー文具
1か月前
日本精機株式会社
検出装置
3日前
個人
採尿及び採便具
9日前
個人
高精度同時多点測定装置
24日前
個人
アクセサリー型テスター
25日前
ユニパルス株式会社
ロードセル
1か月前
株式会社ミツトヨ
測定器
15日前
甲神電機株式会社
電流検出装置
3日前
アズビル株式会社
電磁流量計
18日前
トヨタ自動車株式会社
監視装置
1か月前
株式会社ヨコオ
ソケット
1か月前
株式会社ヨコオ
ソケット
1か月前
続きを見る
他の特許を見る