TOP
|
特許
|
意匠
|
商標
特許ウォッチ
Twitter
他の特許を見る
10個以上の画像は省略されています。
公開番号
2025120839
公報種別
公開特許公報(A)
公開日
2025-08-18
出願番号
2024015964
出願日
2024-02-05
発明の名称
遅延回路
出願人
ローム株式会社
代理人
個人
,
個人
,
個人
,
個人
主分類
H03K
5/134 20140101AFI20250808BHJP(基本電子回路)
要約
【課題】遅延時間のばらつきを抑制すること。
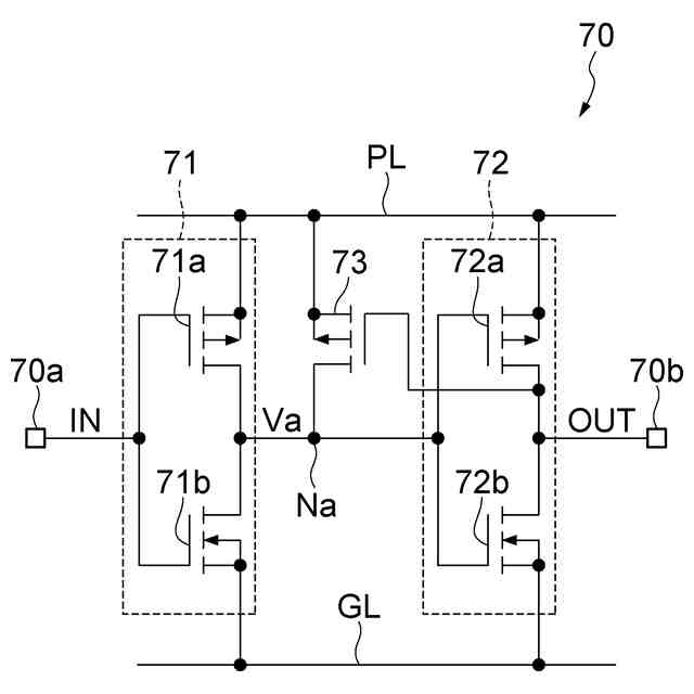
【解決手段】遅延回路70は、入力端子70aと、出力端子70bと、それぞれのゲートが入力端子70aに接続されたMOSFET71a及びMOSFET71bを有するインバータ回路71と、それぞれのゲートがMOSFET71a及びMOSFET71bのドレインに接続され、それぞれのドレインが出力端子70bに接続されたMOSFET72a及びMOSFET72bを有するインバータ回路72と、出力端子70bに接続されたゲート、電源ラインPLに接続されたソース、及びMOSFET71aのドレインとMOSFET71bのドレインとに接続されたドレインを含む帰還トランジスタ73と、を備える。
【選択図】図21
特許請求の範囲
【請求項1】
入力端子と、
出力端子と、
前記入力端子に接続された第1ゲート、電源ラインに接続された第1ソース、及び第1ドレインを含むPチャネルMOSトランジスタである第1トランジスタと、前記入力端子に接続された第2ゲート、接地ラインに接続された第2ソース、及び前記第1ドレインに接続された第2ドレインを含むNチャネルMOSトランジスタである第2トランジスタと、を有する第1インバータ回路と、
前記第1ドレインと前記第2ドレインとの接続点に接続された第3ゲート、前記電源ラインに接続された第3ソース、及び前記出力端子に接続された第3ドレインを含むPチャネルMOSトランジスタである第3トランジスタと、前記接続点に接続された第4ゲート、前記接地ラインに接続された第4ソース、及び前記出力端子に接続された第4ドレインを含むNチャネルMOSトランジスタである第4トランジスタと、を有する第2インバータ回路と、
前記出力端子に接続された第5ゲート、前記電源ラインに接続された第5ソース、及び前記接続点に接続された第5ドレインを含むPチャネルMOSトランジスタである帰還トランジスタと、
を備える、遅延回路。
続きを表示(約 690 文字)
【請求項2】
前記帰還トランジスタのサイズは、前記第1トランジスタのサイズと同じか前記第1トランジスタのサイズよりも小さい、請求項1に記載の遅延回路。
【請求項3】
入力端子と、
出力端子と、
前記入力端子に接続された第1ゲート、電源ラインに接続された第1ソース、及び第1ドレインを含むPチャネルMOSトランジスタである第1トランジスタと、前記入力端子に接続された第2ゲート、接地ラインに接続された第2ソース、及び前記第1ドレインに接続された第2ドレインを含むNチャネルMOSトランジスタである第2トランジスタと、を有する第1インバータ回路と、
前記第1ドレインと前記第2ドレインとの接続点に接続された第3ゲート、前記電源ラインに接続された第3ソース、及び前記出力端子に接続された第3ドレインを含むPチャネルMOSトランジスタである第3トランジスタと、前記接続点に接続された第4ゲート、前記接地ラインに接続された第4ソース、及び前記出力端子に接続された第4ドレインを含むNチャネルMOSトランジスタである第4トランジスタと、を有する第2インバータ回路と、
前記出力端子に接続された第5ゲート、前記接地ラインに接続された第5ソース、及び前記接続点に接続された第5ドレインを含むNチャネルMOSトランジスタである帰還トランジスタと、
を備える、遅延回路。
【請求項4】
前記帰還トランジスタのサイズは、前記第2トランジスタのサイズと同じか前記第2トランジスタのサイズよりも小さい、請求項3に記載の遅延回路。
発明の詳細な説明
【技術分野】
【0001】
本開示は、遅延回路に関する。
続きを表示(約 2,700 文字)
【背景技術】
【0002】
特許文献1には、直列に接続された上側スイッチング素子及び下側スイッチング素子のうちの、上側スイッチング素子をオンオフ制御する上側ドライバが記載されている。例えば、特許文献1に記載の上側ドライバにおいては、P端子とN端子との間に上側スイッチング素子と下側スイッチング素子とが直列に接続され、上側スイッチング素子と下側スイッチング素子とが接続されるノードが出力端子に接続されている。
【先行技術文献】
【特許文献】
【0003】
国際公開第2021/131157号
【0004】
[概要]
上側ドライバなどの回路においては、遅延回路が用いられる場合がある。例えば、抵抗素子とキャパシタとを用いることによって遅延回路が構成される。しかしながら、抵抗素子の抵抗値、及びキャパシタのキャパシタンスのばらつきなどによって、遅延回路における遅延時間にばらつきが生じる。本技術分野においては、遅延回路における遅延時間のばらつきを抑えることが望まれている。
【0005】
本開示は、遅延時間のばらつきを抑制可能な遅延回路を説明する。
【0006】
本開示の一側面に係る遅延回路は、入力端子と、出力端子と、入力端子に接続された第1ゲート、電源ラインに接続された第1ソース、及び第1ドレインを含むPチャネルMOSトランジスタである第1トランジスタと、入力端子に接続された第2ゲート、接地ラインに接続された第2ソース、及び第1ドレインに接続された第2ドレインを含むNチャネルMOSトランジスタである第2トランジスタと、を有する第1インバータ回路と、第1ドレインと第2ドレインとの接続点に接続された第3ゲート、電源ラインに接続された第3ソース、及び出力端子に接続された第3ドレインを含むPチャネルMOSトランジスタである第3トランジスタと、接続点に接続された第4ゲート、接地ラインに接続された第4ソース、及び出力端子に接続された第4ドレインを含むNチャネルMOSトランジスタである第4トランジスタと、を有する第2インバータ回路と、出力端子に接続された第5ゲート、電源ラインに接続された第5ソース、及び接続点に接続された第5ドレインを含むPチャネルMOSトランジスタである帰還トランジスタと、を備える。
【図面の簡単な説明】
【0007】
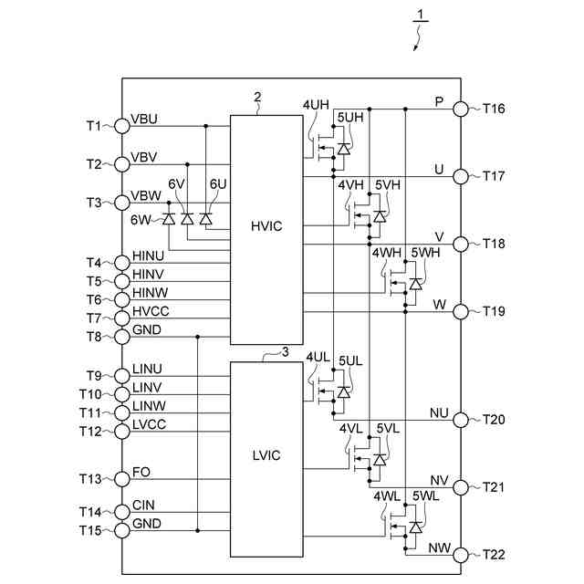
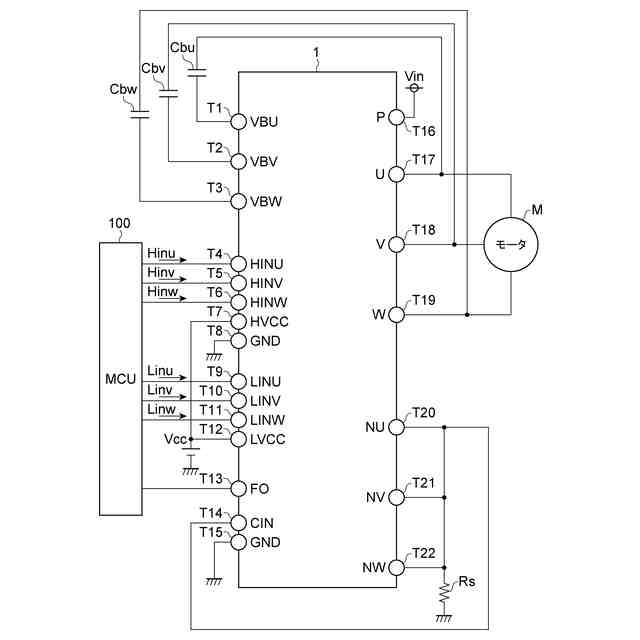
図1は、一実施形態に係るハイサイドトランジスタの駆動回路を含むIPM(Intelligent Power Module)の例示的な内部構成を示す図である。
図2は、図1に示されるIPMの適用例を示す図である。
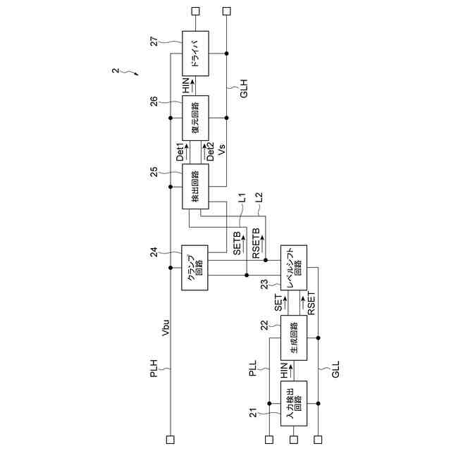
図3は、図1に示されるハイサイドトランジスタの駆動回路を概略的に説明するための図である。
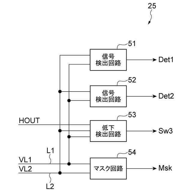
図4は、図3に示される検出回路を概略的に説明するための図である。
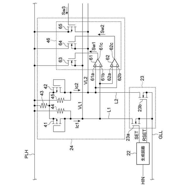
図5は、図3に示されるレベルシフト回路及びクランプ回路の例示的な回路構成を示す図である。
図6は、上回生時における電圧変化を説明するための図である。
図7は、図5に示される差動対回路の動作を説明するための図である。
図8は、図5に示される急速充電回路の動作を説明するための図である。
図9は、図5に示されるクランプ回路の、下回生時における動作を説明するための図である。
図10は、クランプ回路及び信号検出回路の別の回路構成を示す図である。
図11は、図4に示される信号検出回路の例示的な回路構成を示す図である。
図12は、図11に示される信号検出回路の、入力信号が入力されていない場合の動作を説明するための図である。
図13は、図11に示される信号検出回路の、入力信号が入力された場合の動作を説明するための図である。
図14は、図4に示される低下検出回路の例示的な回路構成を示す図である。
図15は、図14に示される低下検出回路の動作を説明するための図である。
図16は、信号検出を説明するための図である。
図17は、図14に示される低下検出回路が用いられない場合の信号検出を説明するための図である。
図18は、図4に示されるマスク回路の例示的な回路構成を示す図である。
図19は、図18に示されるマスク回路の動作を説明するための図である。
図20は、図18に示されるマスク回路による変化検出を説明するための図である。
図21は、遅延回路の例示的な回路構成を示す図である。
図22は、図21に示される遅延回路の遅延動作を説明するための図である。
図23は、遅延回路の別の例示的な回路構成を示す図である。
図24は、図23に示される遅延回路の遅延動作を説明するための図である。
図25は、図21に示される遅延回路における遅延時間のばらつきを説明するための図である。
図26は、遅延回路の更に別の例示的な回路構成を示す図である。
図27は、図26に示される遅延回路における遅延時間のばらつきを説明するための図である。
【0008】
[詳細な説明]
以下、図面を参照しながら本開示の実施形態が詳細に説明される。なお、図面の説明において同一要素には同一符号が付され、重複する説明は省略される。
【0009】
図1及び図2を参照しながら、一実施形態に係るハイサイドトランジスタの駆動回路を含むIPMを説明する。図1は、一実施形態に係るハイサイドトランジスタの駆動回路を含むIPMの例示的な内部構成を示す図である。図2は、図1に示されるIPMの適用例を示す図である。
【0010】
図1及び図2に示されるIPM1は、パワー素子とゲートドライバとを1パッケージに封入したデバイスである。IPM1のパッケージとしては、例えば、DIP(Dual In-line Package)が用いられる。IPM1のパッケージとして、HSDIP(Shrink Dual In-line Package with Heat Sink)及びSMD(Surface Mount Device)などの任意のパッケージが用いられ得る。IPM1は、例えば、MCU(Micro Control Unit)100によって制御され、モータMを駆動する。モータMの例としては、3相DC(Direct Current)ブラシレスモータが挙げられる。
(【0011】以降は省略されています)
この特許をJ-PlatPat(特許庁公式サイト)で参照する
関連特許
ローム株式会社
光センサ
3日前
ローム株式会社
半導体装置
3日前
ローム株式会社
半導体装置
3日前
ローム株式会社
半導体装置
4日前
ローム株式会社
窒化物半導体装置
5日前
ローム株式会社
検証装置及び検証方法
9日前
ローム株式会社
信号伝達装置、電子機器、車両
5日前
ローム株式会社
電流生成回路、半導体装置、電子機器及び車両
2日前
ローム株式会社
圧電アクチュエータ及び圧電アクチュエータの駆動方法
2日前
ローム株式会社
半導体装置
2日前
ローム株式会社
半導体装置
5日前
ローム株式会社
半導体装置、電子機器、車両
5日前
ローム株式会社
基板部品、および、半導体装置
4日前
ローム株式会社
半導体ユニット、バッテリユニット、及び車両
2日前
ローム株式会社
半導体素子、半導体回路、半導体装置、モータシステム、電気機器、及びプリンタ
2日前
エイブリック株式会社
増幅器
10日前
エイブリック株式会社
増幅器
17日前
エイブリック株式会社
増幅回路
11日前
日本電波工業株式会社
圧電振動片
9日前
エイブリック株式会社
電圧検出器
1か月前
日本電波工業株式会社
圧電デバイス
2か月前
ローム株式会社
オペアンプ
2か月前
ローム株式会社
オペアンプ
2か月前
ローム株式会社
オペアンプ
2か月前
株式会社トーキン
ノイズフィルタ
1か月前
株式会社大真空
恒温槽型圧電発振器
2か月前
株式会社半導体エネルギー研究所
駆動回路
20日前
株式会社村田製作所
増幅回路
1か月前
個人
誤り訂正装置及び誤り訂正方法
2か月前
三菱電機株式会社
半導体装置
2か月前
ローム株式会社
オペアンプ回路
2か月前
TDK株式会社
電子部品
9日前
TDK株式会社
電子部品
10日前
ローム株式会社
半導体集積回路
2か月前
ローム株式会社
オペアンプ回路
2か月前
ローム株式会社
オペアンプ回路
2か月前
続きを見る
他の特許を見る