TOP
|
特許
|
意匠
|
商標
特許ウォッチ
Twitter
他の特許を見る
10個以上の画像は省略されています。
公開番号
2025120836
公報種別
公開特許公報(A)
公開日
2025-08-18
出願番号
2024015961
出願日
2024-02-05
発明の名称
駆動回路
出願人
ローム株式会社
代理人
個人
,
個人
,
個人
,
個人
主分類
H03K
17/16 20060101AFI20250808BHJP(基本電子回路)
要約
【課題】信号の誤検出を抑制すること。
【解決手段】信号検出回路51は、伝送ラインL1に供給される電圧VL1が入力される入力端子11aと、電圧VL1の電圧レベルを反転した電圧レベルを有する反転信号INV1を出力する出力端子11bと、を有し、伝送ラインL2に供給される電圧VL2を電源電圧として用いるインバータ回路11と、出力端子11bに接続される入力端子12aと、反転信号INV1の電圧レベルを反転した電圧レベルを有する反転信号INV2を出力する出力端子12bと、を有し、電圧VL2を電源電圧として用いるインバータ回路12と、反転信号INV1及び反転信号INV2に基づいて、ハイサイド電源電位をハイレベルとし、ハイサイド接地電位をローレベルとする検出信号Det1を生成するレベルシフト回路15と、を備える。
【選択図】図11
特許請求の範囲
【請求項1】
ハイサイドトランジスタの駆動回路であって、
入力信号の第1エッジに応じて生成されたローレベルの第1パルス信号を検出する信号検出回路を備え、
前記信号検出回路は、
前記第1パルス信号を伝送する第1伝送ラインに供給される第1電圧が入力される第1入力端子と、前記第1電圧の電圧レベルを反転した電圧レベルを有する第1反転信号を出力する第1出力端子と、を有し、前記入力信号の第2エッジに応じて生成されたローレベルの第2パルス信号を伝送する第2伝送ラインに供給される第2電圧を電源電圧として用いる第1インバータ回路と、
前記第1出力端子に接続される第2入力端子と、前記第1反転信号の前記電圧レベルを反転した電圧レベルを有する第2反転信号を出力する第2出力端子と、を有し、前記第2電圧を電源電圧として用いる第2インバータ回路と、
前記第1反転信号及び前記第2反転信号に基づいて、ハイサイド電源電位をハイレベルとし、ハイサイド接地電位をローレベルとする第1検出信号を生成するレベルシフト回路と、
を備える、駆動回路。
続きを表示(約 630 文字)
【請求項2】
前記信号検出回路は、
前記第1出力端子と前記ハイサイド接地電位の接地ラインとの間に設けられた第1抵抗素子と、
前記第2出力端子と前記ハイサイド電源電位の電源ラインとの間に設けられた第2抵抗素子と、
を更に備える、請求項1に記載の駆動回路。
【請求項3】
前記信号検出回路は、
前記第1反転信号と前記第2反転信号との否定論理和演算を行う否定論理和回路と、
前記レベルシフト回路の出力端子と前記ハイサイド接地電位の接地ラインとの間に設けられ、前記否定論理和回路の出力信号がハイレベルである場合に、オン状態に設定されるスイッチング素子と、
を更に備える、請求項1又は請求項2に記載の駆動回路。
【請求項4】
前記ハイサイド電源電位の電源ラインと前記第1伝送ラインとの間に設けられ、前記電源ラインと前記第1伝送ラインとを導通するオン状態と、前記電源ラインと前記第1伝送ラインとを遮断するオフ状態との間で切り替え可能なスイッチング素子と、
前記ハイサイドトランジスタを駆動する駆動信号がローレベルであり、前記第1電圧が第1閾値電圧よりも低く、かつ、前記第2電圧が前記第1閾値電圧よりも高い第2閾値電圧よりも低いという条件を満たした場合に、前記スイッチング素子をオン状態に切り替える低下検出回路と、
を更に備える、請求項1又は請求項2に記載の駆動回路。
発明の詳細な説明
【技術分野】
【0001】
本開示は、駆動回路に関する。
続きを表示(約 2,600 文字)
【背景技術】
【0002】
特許文献1には、直列に接続された上側スイッチング素子及び下側スイッチング素子のうちの、上側スイッチング素子をオンオフ制御する上側ドライバが記載されている。例えば、特許文献1に記載の上側ドライバにおいては、P端子とN端子との間に上側スイッチング素子と下側スイッチング素子とが直列に接続され、上側スイッチング素子と下側スイッチング素子とが接続されるノードが出力端子に接続されている。
【先行技術文献】
【特許文献】
【0003】
国際公開第2021/131157号
【0004】
[概要]
下側スイッチング素子がオンからオフに切り替えられると、上記出力端子の電圧が上昇する。このとき、上側ドライバには、信号の誤検出を回避することが求められる。
【0005】
本開示は、信号の誤検出を抑制可能な駆動回路を説明する。
【0006】
本開示の一側面に係る駆動回路は、ハイサイドトランジスタの駆動回路であって、入力信号の第1エッジに応じて生成されたローレベルの第1パルス信号を検出する信号検出回路を備える。信号検出回路は、第1パルス信号を伝送する第1伝送ラインに供給される第1電圧が入力される第1入力端子と、第1電圧の電圧レベルを反転した電圧レベルを有する第1反転信号を出力する第1出力端子と、を有し、入力信号の第2エッジに応じて生成されたローレベルの第2パルス信号を伝送する第2伝送ラインに供給される第2電圧を電源電圧として用いる第1インバータ回路と、第1出力端子に接続される第2入力端子と、第1反転信号の電圧レベルを反転した電圧レベルを有する第2反転信号を出力する第2出力端子と、を有し、第2電圧を電源電圧として用いる第2インバータ回路と、第1反転信号及び第2反転信号に基づいて、ハイサイド電源電位をハイレベルとし、ハイサイド接地電位をローレベルとする第1検出信号を生成するレベルシフト回路と、を備える。
【図面の簡単な説明】
【0007】
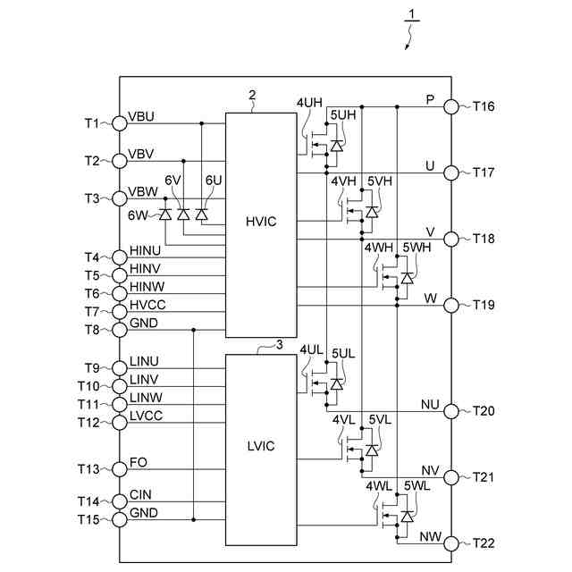
図1は、一実施形態に係るハイサイドトランジスタの駆動回路を含むIPM(Intelligent Power Module)の例示的な内部構成を示す図である。
図2は、図1に示されるIPMの適用例を示す図である。
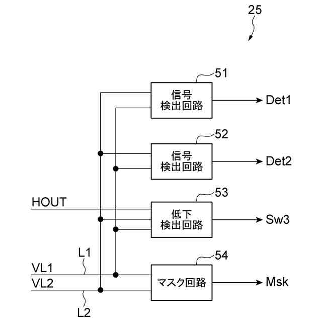
図3は、図1に示されるハイサイドトランジスタの駆動回路を概略的に説明するための図である。
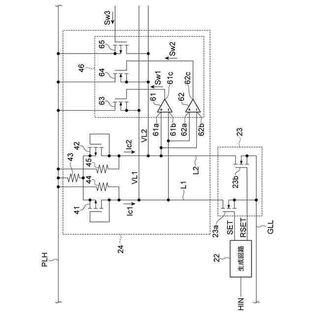
図4は、図3に示される検出回路を概略的に説明するための図である。
図5は、図3に示されるレベルシフト回路及びクランプ回路の例示的な回路構成を示す図である。
図6は、上回生時における電圧変化を説明するための図である。
図7は、図5に示される差動対回路の動作を説明するための図である。
図8は、図5に示される急速充電回路の動作を説明するための図である。
図9は、図5に示されるクランプ回路の、下回生時における動作を説明するための図である。
図10は、クランプ回路及び信号検出回路の別の回路構成を示す図である。
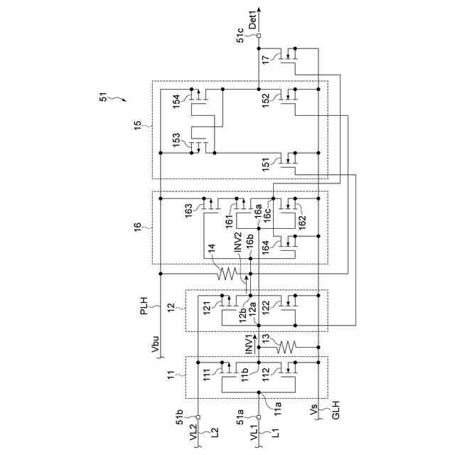
図11は、図4に示される信号検出回路の例示的な回路構成を示す図である。
図12は、図11に示される信号検出回路の、入力信号が入力されていない場合の動作を説明するための図である。
図13は、図11に示される信号検出回路の、入力信号が入力された場合の動作を説明するための図である。
図14は、図4に示される低下検出回路の例示的な回路構成を示す図である。
図15は、図14に示される低下検出回路の動作を説明するための図である。
図16は、信号検出を説明するための図である。
図17は、図14に示される低下検出回路が用いられない場合の信号検出を説明するための図である。
図18は、図4に示されるマスク回路の例示的な回路構成を示す図である。
図19は、図18に示されるマスク回路の動作を説明するための図である。
図20は、図18に示されるマスク回路による変化検出を説明するための図である。
図21は、遅延回路の例示的な回路構成を示す図である。
図22は、図21に示される遅延回路の遅延動作を説明するための図である。
図23は、遅延回路の別の例示的な回路構成を示す図である。
図24は、図23に示される遅延回路の遅延動作を説明するための図である。
図25は、図21に示される遅延回路における遅延時間のばらつきを説明するための図である。
図26は、遅延回路の更に別の例示的な回路構成を示す図である。
図27は、図26に示される遅延回路における遅延時間のばらつきを説明するための図である。
【0008】
[詳細な説明]
以下、図面を参照しながら本開示の実施形態が詳細に説明される。なお、図面の説明において同一要素には同一符号が付され、重複する説明は省略される。
【0009】
図1及び図2を参照しながら、一実施形態に係るハイサイドトランジスタの駆動回路を含むIPMを説明する。図1は、一実施形態に係るハイサイドトランジスタの駆動回路を含むIPMの例示的な内部構成を示す図である。図2は、図1に示されるIPMの適用例を示す図である。
【0010】
図1及び図2に示されるIPM1は、パワー素子とゲートドライバとを1パッケージに封入したデバイスである。IPM1のパッケージとしては、例えば、DIP(Dual In-line Package)が用いられる。IPM1のパッケージとして、HSDIP(Shrink Dual In-line Package with Heat Sink)及びSMD(Surface Mount Device)などの任意のパッケージが用いられ得る。IPM1は、例えば、MCU(Micro Control Unit)100によって制御され、モータMを駆動する。モータMの例としては、3相DC(Direct Current)ブラシレスモータが挙げられる。
(【0011】以降は省略されています)
この特許をJ-PlatPat(特許庁公式サイト)で参照する
関連特許
ローム株式会社
半導体装置
2日前
ローム株式会社
半導体装置
18日前
ローム株式会社
半導体装置
16日前
ローム株式会社
抵抗チップ
17日前
ローム株式会社
半導体装置
2日前
ローム株式会社
半導体装置
17日前
ローム株式会社
半導体装置
18日前
ローム株式会社
半導体装置
16日前
ローム株式会社
半導体装置
2日前
ローム株式会社
半導体集積回路
11日前
ローム株式会社
半導体メモリ装置
4日前
ローム株式会社
自己診断システム
19日前
ローム株式会社
窒化物半導体装置
17日前
ローム株式会社
半導体パッケージ
17日前
ローム株式会社
半導体装置、電子機器、車両
11日前
ローム株式会社
半導体装置、電子機器、車両
11日前
ローム株式会社
電圧電流変換回路および半導体集積回路
11日前
ローム株式会社
半導体装置および半導体装置の製造方法
2日前
ローム株式会社
パルス幅変調回路およびモータ駆動装置
11日前
ローム株式会社
半導体装置、および半導体装置の製造方法
2日前
ローム株式会社
力率改善回路、制御装置、および電子機器
2日前
ローム株式会社
モータドライバ回路およびハードディスク装置
19日前
ローム株式会社
電流生成回路、半導体装置、電子機器及び車両
23日前
ローム株式会社
電源制御装置、DC/DCコンバータ、および車両
12日前
ローム株式会社
三相ブラシレスモータのドライバ回路および駆動方法
4日前
ローム株式会社
圧電アクチュエータ及び圧電アクチュエータの駆動方法
23日前
ローム株式会社
半導体装置
12日前
ローム株式会社
半導体装置
18日前
ローム株式会社
半導体装置
10日前
ローム株式会社
半導体装置
23日前
ローム株式会社
テラヘルツ装置
16日前
ローム株式会社
SiC半導体装置
18日前
ローム株式会社
SiC半導体装置
4日前
ローム株式会社
半導体装置、および半導体装置の製造方法
12日前
ローム株式会社
半導体装置、および半導体装置の製造方法
4日前
ローム株式会社
半導体ユニット、バッテリユニット、及び車両
23日前
続きを見る
他の特許を見る