TOP
|
特許
|
意匠
|
商標
特許ウォッチ
Twitter
他の特許を見る
公開番号
2025178803
公報種別
公開特許公報(A)
公開日
2025-12-09
出願番号
2024085619
出願日
2024-05-27
発明の名称
地中熱利用システム
出願人
株式会社竹中工務店
代理人
個人
主分類
F24F
5/00 20060101AFI20251202BHJP(加熱;レンジ;換気)
要約
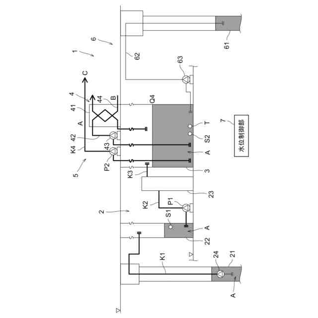
【課題】地下水が有する熱を有効に活用して、省エネルギー化を図る。
【解決手段】汲み上げ部2にて汲み上げた地下水Aを貯留する貯留部3と、貯留部3に貯留された地下水Aが有する熱を利用して空調を行う空調利用部4と、貯留部3に貯留された地下水Aを使用箇所Cに供給する地下水使用供給部5と、水位制御部7とが備えられ、空調利用部4は、空調用熱交換部41と貯留部3との間で地下水Aを循環させて、空調用熱交換部41にて取得した熱を利用して空調を行うように構成され、水位制御部7は、地下水使用供給部5による地下水Aの使用状況に応じて、貯留部3に貯留する地下水Aの設定水位を変更設定自在であり、且つ、その設定水位について、空調利用部4での地下水Aの利用が開始される利用開始タイミングの手前の利用開始前タイミングにて低い側の低水位に設定し、利用開始タイミングに合わせて低水位から高い側の高水位に変更設定している。
【選択図】図4
特許請求の範囲
【請求項1】
地下水を汲み上げる汲み上げ部と、
前記汲み上げ部にて汲み上げた地下水を貯留する貯留部と、
前記貯留部に貯留された地下水が有する熱を利用して空調を行う空調利用部と、
前記貯留部に貯留された地下水を使用箇所に供給する地下水使用供給部と、
前記汲み上げ部の作動状態を制御して、前記貯留部に貯留する地下水の水位を制御する水位制御部とが備えられ、
前記空調利用部は、空調用熱交換部と前記貯留部との間で地下水を循環させて、空調用熱交換部にて取得した熱を利用して空調を行うように構成され、
前記水位制御部は、前記地下水使用供給部による地下水の使用状況に応じて、前記貯留部に貯留する地下水の設定水位を変更設定自在であり、且つ、
その設定水位について、前記空調利用部での地下水の利用が開始される利用開始タイミングの手前の利用開始前タイミングにて低い側の低水位に設定し、利用開始タイミングに合わせて低水位から高い側の高水位に変更設定している地中熱利用システム。
続きを表示(約 240 文字)
【請求項2】
前記水位制御部は、前記利用開始前タイミングになるまで、前記地下水使用供給部による地下水の使用に伴って、前記設定水位を低い側に変更設定している請求項1に記載の地中熱利用システム。
【請求項3】
前記設定水位が予め設定された水位制御モードが複数備えられ、
前記水位制御部は、前記地下水使用供給部による地下水の使用状況に応じて、複数の水位制御モードのうちから選択した水位制御モードを実行している請求項1又は2に記載の地中熱利用システム。
発明の詳細な説明
【技術分野】
【0001】
本発明は、地下水が有する熱を利用して空調を行う地中熱利用システムに関する。
続きを表示(約 1,700 文字)
【背景技術】
【0002】
この地中熱利用システムでは、地下水(井水)を汲み上げる汲み上げ部と、汲み上げ部にて汲み上げた地下水を貯留する貯留部と、貯留部に貯留された地下水が有する熱を利用して空調を行う空調利用部とが備えられたものが知られている(例えば、特許文献1参照)。
【0003】
特許文献1に記載の地中熱利用システムでは、空調利用部が、冷媒と地下水とを熱交換することで、地下水を熱源として利用するヒートポンプ装置等を備え、室内の空気を冷却又は加熱して、建物の熱負荷を賄うようにしている。
【先行技術文献】
【特許文献】
【0004】
特開2016-080252号公報
【発明の概要】
【発明が解決しようとする課題】
【0005】
特許文献1に記載の地中熱利用システムでは、熱負荷を賄うために、貯留部の地下水が使用されており、例えば、地下水の使用量等に応じて地下水を汲み上げて貯留部に貯留している。よって、貯留部における地下水の貯留量を、建物の熱負荷を賄うために十分な一定の貯留量に保つようにしている。
【0006】
しかしながら、貯留部に貯留されている地下水から放熱されるので、貯留部に貯留されてから空調利用部にて利用されるまでの時間が長くなると、地下水からの放熱量が増大することになる。そのために、空調利用部において、元々地下水が有していた熱(冷熱)を有効に活用できなくなり、省エネルギー化の面で不利なものとなる。
【0007】
貯留部に貯留されている地下水からの放熱を抑制するために、貯留部を断熱することが考えられる。しかしながら、この場合には、断熱構造等を追加しなければならず、構成の複雑化やコストアップを招くだけでなく、貯留部を断熱したとしても多少の放熱ロスは生じてしまう。
【0008】
この実情に鑑み、本発明の主たる課題は、地下水が有する熱を有効に活用して、省エネルギー化を図ることができる地中熱利用システムを提供する点にある。
【課題を解決するための手段】
【0009】
本発明の第1特徴構成は、地下水を汲み上げる汲み上げ部と、
前記汲み上げ部にて汲み上げた地下水を貯留する貯留部と、
前記貯留部に貯留された地下水が有する熱を利用して空調を行う空調利用部と、
前記貯留部に貯留された地下水を使用箇所に供給する地下水使用供給部と、
前記汲み上げ部の作動状態を制御して、前記貯留部に貯留する地下水の水位を制御する水位制御部とが備えられ、
前記空調利用部は、空調用熱交換部と前記貯留部との間で地下水を循環させて、空調用熱交換部にて取得した熱を利用して空調を行うように構成され、
前記水位制御部は、前記地下水使用供給部による地下水の使用状況に応じて、前記貯留部に貯留する地下水の設定水位を変更設定自在であり、且つ、
その設定水位について、前記空調利用部での地下水の利用が開始される利用開始タイミングの手前の利用開始前タイミングにて低い側の低水位に設定し、利用開始タイミングに合わせて低水位から高い側の高水位に変更設定している点にある。
【0010】
本構成によれば、水位制御部は、地下水使用供給部による地下水の使用状況に応じて、貯留部に貯留する地下水の設定水位を変更設定するので、地下水使用供給部による地下水の使用予定量等を確保しながら、貯留部に地下水を貯留させておくことができる。しかも、利用開始前タイミングでは、水位制御部が設定水位を低水位に設定し、利用開始タイミングに合わせて、水位制御部が設定水位を低水位から高水位に変更設定しているので、利用開始タイミングに合わせて汲み上げ部にて地下水を汲み上げることができる。これにより、貯留部に貯留されてから空調利用部にて利用されるまでの時間を短くして、地下水からの放熱を抑えることができるので、地下水が有する熱(例えば冷熱)を有効に活用した空調を行うことができ、省エネルギー化を図ることができる。
(【0011】以降は省略されています)
この特許をJ-PlatPat(特許庁公式サイト)で参照する
関連特許
株式会社竹中工務店
複合壁
1か月前
株式会社竹中工務店
構真柱
2日前
株式会社竹中工務店
梁構造
3日前
株式会社竹中工務店
構造物
1か月前
株式会社竹中工務店
建物構造
1か月前
株式会社竹中工務店
仕口部材
2日前
株式会社竹中工務店
仕口部構造
1日前
株式会社竹中工務店
情報処理装置
2日前
株式会社竹中工務店
発電システム
28日前
株式会社竹中工務店
排水処理システム
7日前
株式会社竹中工務店
水素供給システム
16日前
株式会社竹中工務店
配管ユニット構造
1か月前
株式会社竹中工務店
地中熱利用システム
3日前
株式会社竹中工務店
塗装方法及び積層材料
14日前
株式会社竹中工務店
水平打ち継ぎ部補強構造
7日前
株式会社竹中工務店
ラチス構造材の補強構造
23日前
株式会社竹中工務店
被覆基材及び被覆基材の製造方法
14日前
株式会社竹中工務店
天井構造及び天井構造の固定方法
22日前
株式会社竹中工務店
制御装置、制御方法、及び制御プログラム
8日前
株式会社竹中工務店
構真柱の施工方法、及び構真柱の支持構造
22日前
株式会社竹中工務店
パラメータ探索装置及びパラメータ探索方法
7日前
株式会社竹中工務店
CaCO3量推定方法及び炭酸化度判定方法
7日前
株式会社竹中工務店
信号処理装置、信号処理方法、及び信号処理プログラム
15日前
個人
集熱器具
1か月前
株式会社トヨトミ
五徳
1か月前
株式会社コロナ
空調装置
2か月前
株式会社コロナ
空調装置
1か月前
個人
油ハネ防止カーテン
1か月前
株式会社コロナ
空調装置
2か月前
株式会社コロナ
空調装置
1か月前
株式会社コロナ
加湿装置
2か月前
個人
UFO型空気清浄機
23日前
株式会社コロナ
空調装置
3か月前
株式会社コロナ
風呂給湯機
3か月前
個人
太陽光パネル傾斜装置
1か月前
株式会社コロナ
貯湯式給湯機
2か月前
続きを見る
他の特許を見る