TOP
|
特許
|
意匠
|
商標
特許ウォッチ
Twitter
他の特許を見る
10個以上の画像は省略されています。
公開番号
2025178401
公報種別
公開特許公報(A)
公開日
2025-12-05
出願番号
2025163183,2025024712
出願日
2025-09-30,2021-03-18
発明の名称
液体吐出装置
出願人
セイコーエプソン株式会社
代理人
個人
,
個人
,
個人
主分類
B41J
2/17 20060101AFI20251128BHJP(印刷;線画機;タイプライター;スタンプ)
要約
【課題】吸収部材の交換作業がし易いうえ、交換時に、吸収部材と離間した部分から漏れた廃液で周囲の部品等が汚れることを抑制できる液体吐出装置、廃液回収ユニット及び廃液回収方法を提供する。
【解決手段】記録装置11は、支持部に支持された媒体の端部の外側へ吐出ヘッドから打ち捨てられた液体を廃液として吸収する第1吸収部材(拡張吸収部材90等)を備える。
記録装置11は、キャップから送られた廃液を吸収する第2吸収部材(廃液吸収部材50A)と、第2吸収部材を保持する収容部(廃液ボックス50B)と、第1吸収部材と第2吸収部材との間の液体の受け渡しを行う受渡し部141とを有する。収容部が装置本体12に挿着された状態において、受渡し部141は、第1吸収部材から第2吸収部材に向かって下り傾斜しており、収容部を装置本体12から取り外したときの受渡し部141の傾斜は、挿着された状態に対して異なる。
【選択図】図29
特許請求の範囲
【請求項1】
被記録材に液体を吐出する吐出ヘッドと、
前記吐出ヘッドと対向して設けられ、前記被記録材を下方から支持する支持部と、
前記支持部に支持された前記被記録材の端部の外側へ前記吐出ヘッドから打ち捨てられた液体を廃液として吸収する第1吸収部材と、
前記吐出ヘッドから排出される液体を廃液として受容する廃液受容部と、
前記廃液受容部から送られた廃液を吸収する第2吸収部材と、
前記第2吸収部材を保持する収容部と、
前記第1吸収部材と前記第2吸収部材との間の液体の受け渡しを行う受渡し部と
を有し、
前記収容部が装置本体に挿着された状態において、前記受渡し部は、前記第1吸収部材から前記第2吸収部材に向かって下り傾斜しており、前記収容部を前記装置本体から取り外したときの前記受渡し部の傾斜は、挿着された状態に対して異なり、前記収容部が前記装置本体に挿着されたときの前記第1吸収部材から前記第2吸収部材に向かう下り傾斜よりも勾配が小さな下り傾斜か、水平か、前記第1吸収部材から前記第2吸収部材に向かう上り傾斜のうちのいずれかであることを特徴とする液体吐出装置。
続きを表示(約 2,200 文字)
【請求項2】
被記録材に液体を吐出する吐出ヘッドと、
前記吐出ヘッドと対向して設けられ、前記被記録材を下方から支持する支持部と、
前記支持部に支持された前記被記録材の端部の外側へ前記吐出ヘッドから打ち捨てられた液体を廃液として吸収する第1吸収部材と、
前記吐出ヘッドから排出される液体を廃液として受容する廃液受容部と、
前記廃液受容部から送られた廃液を吸収する第2吸収部材と、
前記第2吸収部材を保持する収容部と、
前記第1吸収部材と前記第2吸収部材との間の液体の受け渡しを行う受渡し部と、
前記吐出ヘッドから液体を前記廃液受容部に強制的に排出させるメンテナンス装置と
を有し、
前記収容部が装置本体に挿着された状態において、前記受渡し部は、前記第1吸収部材から前記第2吸収部材に向かって下り傾斜しており、前記収容部を前記装置本体から取り外したときの前記受渡し部の傾斜は、挿着された状態に対して異なり、
前記収容部が前記装置本体に挿着された状態において、前記メンテナンス装置の動力を使って、前記受渡し部が、取り外し状態にあるときの前記傾斜の異なる姿勢から、前記第1吸収部材から前記第2吸収部材に向かって下る下り傾斜に変更されることを特徴とする液体吐出装置。
【請求項3】
被記録材に液体を吐出する吐出ヘッドと、
前記吐出ヘッドと対向して設けられ、前記被記録材を下方から支持する支持部と、
前記支持部に支持された前記被記録材の端部の外側へ前記吐出ヘッドから打ち捨てられた液体を廃液として吸収する第1吸収部材と、
前記吐出ヘッドから排出される液体を廃液として受容する廃液受容部と、
前記廃液受容部から送られた廃液を吸収する第2吸収部材と、
前記第2吸収部材を保持する収容部と、
前記第1吸収部材と前記第2吸収部材との間の液体の受け渡しを行う受渡し部と、
前記第1吸収部材と前記第2吸収部材との間の前記受渡し部による液体の受け渡しを一時的に遮断可能な遮断部とを有し、
前記収容部が装置本体に挿着された状態において、前記受渡し部は、前記第1吸収部材から前記第2吸収部材に向かって下り傾斜しており、前記収容部を前記装置本体から取り外したときの前記受渡し部の傾斜は、挿着された状態に対して異なり、
前記遮断部は、前記受渡し部の傾斜を、前記第1吸収部材から前記第2吸収部材に向かって下る下り傾斜から、前記第1吸収部材から前記第2吸収部材に向かって上る上り傾斜に変更することを特徴とする液体吐出装置。
【請求項4】
前記吐出ヘッドから液体を前記廃液受容部に強制的に排出させるメンテナンス装置を備え、
前記遮断部は、前記メンテナンス装置の動力を使って駆動されることを特徴とする請求項3に記載の液体吐出装置。
【請求項5】
被記録材に液体を吐出する吐出ヘッドと、
前記吐出ヘッドと対向して設けられ、前記被記録材を下方から支持する支持部と、
前記支持部に支持された前記被記録材の端部の外側へ前記吐出ヘッドから打ち捨てられた液体を廃液として吸収する第1吸収部材と、
前記吐出ヘッドから排出される液体を廃液として受容する廃液受容部と、
前記廃液受容部から送られた廃液を吸収する第2吸収部材と、
前記第2吸収部材を保持する収容部と、
前記第1吸収部材と前記第2吸収部材との間の液体の受け渡しを行う受渡し部と、
廃液を受ける廃液受け部と
を有し、
前記収容部が装置本体に挿着された状態において、前記受渡し部は、前記第1吸収部材から前記第2吸収部材に向かって下り傾斜しており、前記収容部を前記装置本体から取り外したときの前記受渡し部の傾斜は、挿着された状態に対して異なり、前記収容部が前記装置本体に挿着されたときの前記第1吸収部材から前記第2吸収部材に向かう下り傾斜よりも勾配が大きな下り傾斜であって、かつ、前記受渡し部の先端が前記廃液受け部の上方に位置する傾斜であることを特徴とする液体吐出装置。
【請求項6】
前記第2吸収部材は、前記第1吸収部材よりも低くに位置することを特徴とする請求項1~請求項5のいずれか一項に記載の液体吐出装置。
【請求項7】
前記受渡し部は、前記収容部が前記装置本体に挿着された状態において、前記収容部に対し挿着方向における位置が少なくとも一部でオーバーラップしていることを特徴とする請求項1~請求項6のいずれか一項に記載の液体吐出装置。
【請求項8】
前記収容部の挿着過程または取り外し過程で、前記受渡し部と係合して当該受渡し部が傾斜する向きを変更させるカム機構を備えることを特徴とする請求項1~請求項7のいずれか一項に記載の液体吐出装置。
【請求項9】
前記受渡し部は、前記収容部の挿着時の傾斜から前記収容部の抜取時の傾斜へ向かう方向に付勢されていることを特徴とする請求項1~請求項8のいずれか一項に記載の液体吐出装置。
【請求項10】
前記受渡し部の内底面には溝があることを特徴とする請求項1~請求項9のいずれか一項に記載の液体吐出装置。
(【請求項11】以降は省略されています)
発明の詳細な説明
【技術分野】
【0001】
本発明は、媒体を搬送する搬送部と、媒体を支持する支持部と、支持部に支持された媒体に記録する吐出ヘッドとを備えた液体吐出装置、廃液回収ユニット及び廃液回収方法に関する。
続きを表示(約 4,000 文字)
【背景技術】
【0002】
例えば、特許文献1には、媒体にインク等の液体を吐出する吐出ヘッドを備えた液体吐出装置が開示されている。この種の液体吐出装置には、吐出ヘッドのノズルからインク等の液体を強制的に排出するメンテナンス装置が設けられている。液体吐出装置は、メンテナンス装置により吐出ヘッドから排出されたインク等の廃液が回収される廃液吸収体を備える。
【先行技術文献】
【特許文献】
【0003】
特開2019-119136号公報
【発明の概要】
【発明が解決しようとする課題】
【0004】
しかしながら、特許文献1に記載された液体吐出装置では、廃液吸収体を交換する手段が示されているが、廃液吸収体を交換する際に、装置本体(ボトムフレーム)からチューブを離間したとき、チューブの先端から廃液が漏れ出る可能性がある。すなわち、廃液吸収体などの吸収部材の交換時に、離間した部分から漏れた廃液が周囲の部品等を汚す可能性があるという課題がある。なお、チューブが装置本体に固定された構成であっても、廃液吸収体を装置本体から取り外した際に、それまで廃液吸収体へ廃液を受け渡していた装置本体側の受渡し流路(チューブに限らない)から廃液が漏れる可能性があった。この場合も、その漏れた廃液が周囲の部品等を汚す可能性があるという同様の課題がある。
【課題を解決するための手段】
【0005】
上記課題を解決する液体吐出装置は、被記録材に液体を吐出する吐出ヘッドと、前記吐出ヘッドと対向して設けられ、前記被記録材を下方から支持する支持部と、前記支持部に支持された前記被記録材の端部の外側へ前記吐出ヘッドから打ち捨てられた液体を廃液として吸収する第1吸収部材と、前記吐出ヘッドから排出される液体を廃液として受容する廃液受容部と、前記第1吸収部材と前記第2吸収部材との間の液体の受け渡しを行う受渡し部とを有し、前記収容部が装置本体に挿着された状態において、前記受渡し部は、前記第1吸収部材から前記第2吸収部材に向かって下り傾斜しており、前記収容部を前記装置本体から取り外したときの前記受渡し部の傾斜は、挿着された状態に対して異なる。
【0006】
上記課題を解決する廃液回収ユニットは、被記録材を支持する支持部と、前記被記録材に液体を吐出する吐出ヘッドと、前記支持部に支持された前記被記録材の端部の外側へ前記吐出ヘッドから打ち捨てられた液体を吸収する第1吸収部材と、前記吐出ヘッドから排出される液体を廃液として受容する廃液受容部とを備えた液体吐出装置の装置本体に対して着脱可能に挿着される廃液回収ユニットであって、前記廃液回収ユニットは、前記廃液受容部から送られた廃液を吸収する第2吸収部材と、前記第2吸収部材を保持する収容部と、前記第1吸収部材と前記第2吸収部材との間の液体の受け渡しを行う受渡し部とを備え、前記収容部が前記装置本体に挿着された状態では、前記第2吸収部材は、前記廃液受容部からの廃液を吸収可能に接続され、かつ前記受渡し部は、前記第1吸収部材から前記第2吸収部材に向かって下り傾斜しており、前記収容部を前記装置本体から取り外した状態では、前記第2吸収部材は、前記廃液受容部からの廃液を吸収可能な接続が解除されるとともに、前記受渡し部の傾斜は、前記収容部が前記装置本体に挿着された状態に対して異なる。
【0007】
上記課題を解決する廃液回収方法は、被記録材を支持する支持部と、前記被記録材に液体を吐出する吐出ヘッドと、前記支持部に支持された前記被記録材の端部の外側に前記吐出ヘッドから打ち捨てられた液体を吸収する第1吸収部材と、前記吐出ヘッドから排出された液体を廃液として受容する廃液受容部から送られる当該廃液を吸収する第2吸収部材と、前記第2吸収部材を保持する収容部と、前記第1吸収部材と前記第2吸収部材との間の液体の受け渡しを行う受渡し部とを備える液体吐出装置において前記廃液を回収する廃液回収方法であって、前記収容部を装置本体に対して着脱可能に設け、前記収容部が前記装置本体に挿着されると、前記第2吸収部材は、前記廃液受容部から送られる廃液を吸収可能に廃液流路と接続されるとともに、前記受渡し部は、前記第1吸収部材から前記第2吸収部材に向かって下り傾斜することと、前記収容部が前記装置本体から取り外しされると、前記第2吸収部材は、前記廃液受容部の廃液流路との接続が解除されるとともに、前記受渡し部は、前記収容部が前記装置本体に挿着された状態における下り傾斜と異なる傾斜に変更されることと、を含む。
【図面の簡単な説明】
【0008】
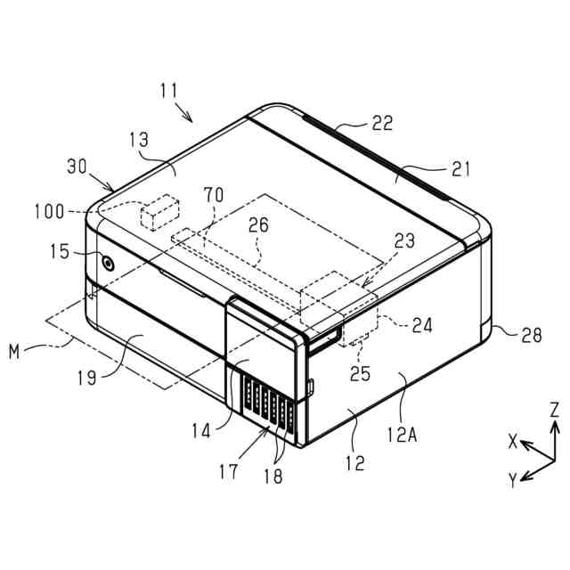
第1実施形態における記録装置の斜視図。
記録装置を示す背面斜視図。
給送トレイがセット状態とされた記録装置を示す背面斜視図。
図3の状態から更に廃液ボックスカバーを開けた状態にある記録装置を示す背面斜視図。
廃液回収ユニットを取り出した状態にある記録装置の背面斜視図。
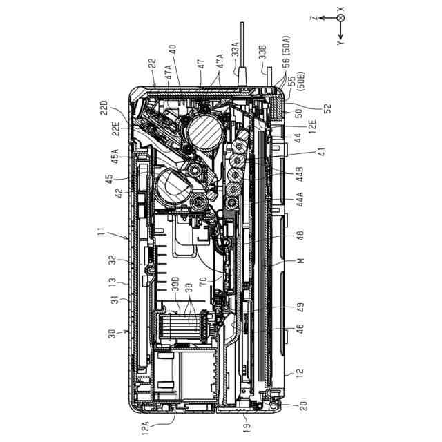
筐体を取り外した状態にある記録装置を示す平面図。
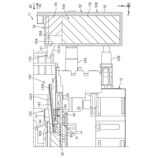
図6の7-7線矢視における記録装置を示す側断面図。
図6の8-8線矢視における記録装置を示す側断面図。
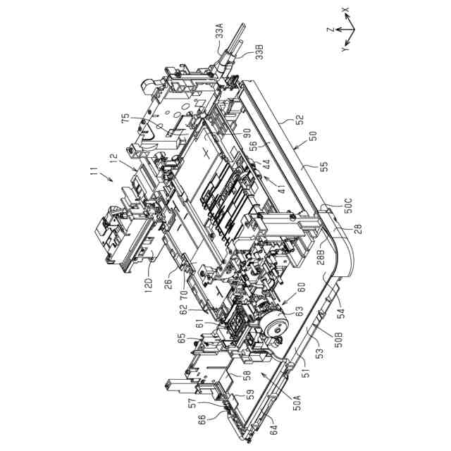
記録系を含む上部を取り外した記録装置を示す斜視図。
受渡し機構を示す拡大斜視図。
廃液回収ユニットおよび受渡し機構を示す背断面図。
受渡し機構による廃液の受渡しを遮断していない遮断機構を示す斜視図。
遮断機構を示す拡大斜視図。
受渡し機構による廃液の受渡しを遮断している遮断機構を示す斜視図。
廃液回収系を見える状態とした記録装置の一部を示す平面図。
図6の16-16線矢視における打捨て吸収部材の一部を示す正断面図。
メンテナンス装置と廃液回収ユニットの一部を示す斜視図。
廃液回収ユニットが着脱される装置本体側との接続部を示す斜視図。
図17の19-19線矢視における廃液回収ユニットと結合部との結合箇所周辺を示す側断面図。
廃液回収ユニットを押込み方向に付勢する機構を示す部分斜視図。
第2実施形態における廃液回収系を見える状態とした記録装置の一部を示す平面図。
記録系を含む上部を取り外した記録装置を前側から見た斜視図。
記録系を含む上部を取り外した記録装置を後側から見た斜視図。
接続状態にある受渡し部を示す斜視図。
非接続状態にある受渡し部を示す斜視図。
第2受渡し機構と廃液回収ユニットを示す側断面図。
第2受渡し機構と廃液回収ユニットを示す側断面図。
第2受渡し機構と廃液回収ユニットを示す側断面図。
第2受渡し機構と廃液回収ユニットを示す側断面図。
第3実施形態における受渡し部と液廃液回収ユニットを示す側断面図。
第4実施形態における受渡し部と液廃液回収ユニットを示す側断面図。
第5実施形態における廃液回収ユニットを取り外した状態にある記録装置を示す斜視図。
第6実施形態の記録装置を示す斜視図。
廃液ボックスを取り外した状態にある記録装置を示す斜視図。
第7実施形態における廃液回収ユニットを取り外した状態にある記録装置を示す背面斜視図。
第8実施形態におけるファンを有する廃液ユニットを示す部分斜視図。
第9実施形態における拡張吸収部材を含む廃液ユニットを示す平面図。
【発明を実施するための形態】
【0009】
(第1実施形態)
以下、液体吐出装置の一例である記録装置11に係る第1実施形態について、図面を参照して説明する。図1では、記録装置11が水平面上に置かれているものとして、互いに直交する3つの仮想軸を、X軸、Y軸及びZ軸とする。X軸は後述する吐出ヘッド25の走査方向と平行な仮想軸であり、Y軸は記録時の媒体の搬送方向と平行な仮想軸である。
また、Z軸は鉛直方向Zと平行な仮想軸である。X軸と平行な両方向が、吐出ヘッド25を含む記録部23が往復走査される方向を指す。そのため、記録部23が走査される方向を「走査方向X」ともいう。また、Y軸と平行な一方向が、吐出ヘッド25が媒体Mに記録する記録位置における媒体Mの搬送方向を指す。そのため、記録位置における媒体Mの搬送方向を「搬送方向Y」ともいう。なお、Y軸において記録装置11における後述する表示部14が配置される面側を前とし、前とは反対側を後という。また、媒体Mが搬送される搬送経路は全域においてY軸と平行である訳ではなく、搬送経路上の媒体Mの位置に応じて搬送方向は変化する。
【0010】
<記録装置の構成>
図1に示す記録装置11は、シリアル記録方式のインクジェットプリンターである。図1に示すように、記録装置11は、装置本体12と、装置本体12の上部に開閉可能に設けられたカバー13とを備える。装置本体12は、記録に係る各種の機構を収容する筐体12Aを備える。記録装置11は、全体として略直方体状をなしている。本例の記録装置11は、装置本体12の上部に画像読取装置30(スキャナー)を備える複合機である。
カバー13は、画像読取装置30に原稿をセットするときに開閉される。カバー13を開けると、画像読取装置30に原稿がセットされるガラス板を有する原稿台31(図7参照)が露出する。
(【0011】以降は省略されています)
この特許をJ-PlatPat(特許庁公式サイト)で参照する
関連特許
個人
印鑑
4日前
個人
箔熱転写装置
3か月前
シヤチハタ株式会社
印判
6か月前
東レ株式会社
凸版印刷版原版
12か月前
シヤチハタ株式会社
反転式印判
11か月前
独立行政法人 国立印刷局
印刷物
9か月前
キヤノン株式会社
電子機器
1か月前
キヤノン株式会社
記録装置
2か月前
三光株式会社
感熱記録材料
8か月前
株式会社リコー
画像形成装置
2か月前
株式会社リコー
画像形成装置
3か月前
独立行政法人 国立印刷局
貼付装置
3か月前
株式会社リコー
液体吐出装置
7か月前
株式会社リコー
液体吐出装置
9か月前
株式会社リコー
液体吐出装置
6か月前
独立行政法人 国立印刷局
記録媒体
10か月前
株式会社リコー
印刷システム
2か月前
株式会社リコー
画像形成装置
2か月前
株式会社リコー
液体吐出装置
3か月前
日本製紙株式会社
感熱記録体
9か月前
株式会社リコー
液体吐出装置
9か月前
独立行政法人 国立印刷局
貼付機構
3か月前
株式会社リコー
液体吐出装置
10か月前
株式会社リコー
液体吐出装置
7か月前
株式会社リコー
液体吐出装置
6か月前
キヤノン株式会社
画像形成装置
5か月前
キヤノン株式会社
画像形成装置
1か月前
独立行政法人 国立印刷局
潜像印刷物
3か月前
キヤノン株式会社
印刷システム
19日前
ブラザー工業株式会社
プリンタ
10か月前
ブラザー工業株式会社
プリンタ
3か月前
キヤノン株式会社
画像形成装置
10か月前
カシオ計算機株式会社
印刷装置
1か月前
キヤノン株式会社
情報処理装置
11か月前
独立行政法人 国立印刷局
潜像形成体
2か月前
シャープ株式会社
画像形成装置
1か月前
続きを見る
他の特許を見る