TOP
|
特許
|
意匠
|
商標
特許ウォッチ
Twitter
他の特許を見る
10個以上の画像は省略されています。
公開番号
2025174853
公報種別
公開特許公報(A)
公開日
2025-11-28
出願番号
2025033024
出願日
2025-03-03
発明の名称
半導体レーザ励起固体レーザ
出願人
京セラSOC株式会社
代理人
個人
,
個人
,
個人
主分類
G02B
26/00 20060101AFI20251120BHJP(光学)
要約
【課題】半導体レーザ励起固体レーザにおいて、高出力と安定した動作を実現する。
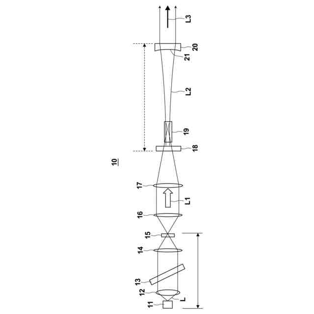
【解決手段】Pr:YLF結晶等の固体レーザ結晶19と、このレーザ結晶19を励起する励起光Lを発するLD11と、固体レーザ結晶19から発せられた光を共振させる共振器とを有してなるLD励起固体レーザ10において、LD11による励起光Lの発振波長を、固体レーザ結晶19の吸収ピーク波長と略一致させる、狭帯域バンドパスフィルター13等の波長制御手段を設ける。
【選択図】図1
特許請求の範囲
【請求項1】
固体レーザ結晶と、
前記固体レーザ結晶を励起する励起光を発する半導体レーザと、
励起されて前記固体レーザ結晶から発せられた光を共振させる共振器と、
を有してなる半導体レーザ励起固体レーザにおいて、
前記半導体レーザによる励起光の発振波長を、前記固体レーザ結晶の吸収ピーク波長と略一致させる波長制御手段が設けられた半導体レーザ励起固体レーザ。
続きを表示(約 950 文字)
【請求項2】
前記波長制御手段が、前記共振器内に配されて、共振させる光の波長を狭帯域化させるバンドパスフィルターから構成されている請求項1に記載の半導体レーザ励起固体レーザ。
【請求項3】
前記共振器がさらに、共振させる光の波長を選択する回折格子を含むものである請求項1または2に記載の半導体レーザ励起固体レーザ。
【請求項4】
前記共振器がさらに、共振させる光の波長を選択するVBG(Volume Bragg Grating)を含むものである請求項1または2に記載の半導体レーザ励起固体レーザ。
【請求項5】
前記共振器がさらに、共焦点光学系を含むものである請求項1または2に記載の半導体レーザ励起固体レーザ。
【請求項6】
前記波長制御手段を構成するために外部共振器が設けられ、
この外部共振器は、前記半導体レーザから発せられた励起光を前記固体レーザ結晶に向けて透過させると共に、該半導体レーザに向けて反射させる透過反射ミラーを有し、
この透過反射ミラーは、互いに接合された2枚のガラス板から形成されている請求項1または2に記載の半導体レーザ励起固体レーザ。
【請求項7】
前記2枚のガラス板は、オプティカルコンタクトで互いに接合されたものである請求項6に記載の半導体レーザ励起固体レーザ。
【請求項8】
前記2枚のガラス板は、各ガラス板周縁の近傍に金属メッキを形成し、それらの金属メッキ同士を加熱・溶接することにより互いに接合されたものである請求項6に記載の半導体レーザ励起固体レーザ。
【請求項9】
前記2枚のガラス板は、各ガラス板周縁の近傍に金属メッキおよび該金属メッキに重なる金属板を形成し、それらの金属メッキを介して前記金属板同士を加熱・溶接することにより互いに接合されたものである請求項6に記載の半導体レーザ励起固体レーザ。
【請求項10】
前記2枚のガラス板は、各ガラス板周縁の近傍に配された低融点ガラスを溶融させることにより互いに接合されたものである請求項6に記載の半導体レーザ励起固体レーザ。
(【請求項11】以降は省略されています)
発明の詳細な説明
【技術分野】
【0001】
本発明は半導体レーザ励起固体レーザ、詳しくは、レーザ媒質としての固体レーザ結晶を、半導体レーザが発した励起光により励起してレーザ発振させる固体レーザに関するものである。
続きを表示(約 1,900 文字)
【背景技術】
【0002】
例えば特許文献1に詳細例が示されている通り、例えばPr
3+
がドープされたYLF結晶(以下、Pr:YLF結晶という)等の固体レーザ結晶を、半導体レーザ(レーザダイオード。以下、LDという)が発した励起光により励起し、励起された固体レーザ結晶から発せられた光を共振器によって共振させるLD励起固体レーザが従来知られている。なお固体レーザ結晶としては、特許文献2に示されているNd
3+
がドープされたYAG結晶(以下、Nd:YAG結晶という)等も適用可能である。
【0003】
Pr:YLF結晶は、波長442nm、444nm、469nm、479nmの光を吸収し、波長479~720nmでレーザ発振をさせることが可能であり、極めて魅力的なレーザ結晶である。しかしPr:YLF結晶は、その吸収波長幅が狭いので、半導体レーザ励起固体レーザに適用する場合は、励起用LDの発振波長が吸収波長に一致し、さらに発振波長幅が0.5~1nm以下でないと、高出力で安定なレーザ発振ができない。なお、上記吸収波長や発振波長のことをより詳しく現実的に説明すれば、それらはいずれもピンポイント状に定まったものではなく、ある範囲に拡がった波形を有するものである。波長に具体的な数値を挙げている場合は、その波形におけるピーク波長(波形の中心波長であることも有る)を意味している。
【0004】
ところが、Pr:YLF結晶の吸収波長帯である400nm帯の光を発振可能な励起用GaN系LDは、市販品では5~10nmの発振波長バラツキがあり、上記吸収波長帯に合う発振波長のLDを選ぶと、歩留まりが数%となってしまう。元々LDの単価が10万円前後であることを考慮すると、LDの価格だけで100万円を超えることになる。そのため、実質工業的な量産生産を行うのは極めて困難である。また、その発振波長幅もPr:YLF結晶の吸収波長幅より広く約2nmあるため、波長が一致していたとしても、吸収効率が低下するという問題もある。また、LDは光出力や温度によりその発振波長が変動するという特性が有るので、その特性も含めてLDの発振波長をPr:YLF結晶の吸収波長に一致させて量産を行うことは極めて困難である。
【0005】
非特許文献1には、LDの発振波長がPr:YLF結晶の吸収波長と一致するようにLDを選別して使用することが示されている。しかし、そのようにLDを選別使用した場合でも、LDの発振波長が温度に応じて変動してしまえば、安定した高出力のレーザ発振を実現することは不可能になる。
【0006】
励起用LDの発振波長をPr:YLF結晶の吸収波長と一致させる上では、LDとして、発振波長域が比較的広いブロードエリアLDを用いることも考えられる。しかしブロードエリアLDは高出力ではあるものの、横モードがマルチモードであるため空間コヒーレントが悪いという難点がある。そこで、発振波長制御のための外部共振器を形成してLDへフィードバックしても、光学的な損失が多くなり、結局励起用LDの発振波長を所望値に制御するのは困難となる。
【先行技術文献】
【特許文献】
【0007】
特開2001-36176号公報
特開2001-36175号公報
「応用物理」誌 第85巻 第857~858頁
【発明の概要】
【発明が解決しようとする課題】
【0008】
本発明は上記の事情に鑑みてなされたものであり、Pr:YLF結晶等の固体レーザ結晶をLDによって励起するLD励起固体レーザにおいて、高出力と安定した動作を実現することを目的とする。
【課題を解決するための手段】
【0009】
本発明によるLD励起固体レーザは、
Pr:YLF結晶等の固体レーザ結晶と、
前記固体レーザ結晶を励起する励起光を発するLDと、
励起されて前記固体レーザ結晶から発せられた光を共振させる共振器と、
を有してなるLD励起固体レーザにおいて、
前記半導体レーザによる励起光の発振波長を、前記固体レーザ結晶の吸収ピーク波長と略一致させる波長制御手段が設けられたものである。
【0010】
なお上記の波長制御手段として具体的には、上記共振器内に配されて、共振させる光の波長を狭帯域化させるバンドパスフィルターを用いることが好ましい。
(【0011】以降は省略されています)
この特許をJ-PlatPat(特許庁公式サイト)で参照する
関連特許
京セラSOC株式会社
レーザ光源
5か月前
京セラSOC株式会社
半導体レーザ励起固体レーザ
12日前
京セラSOC株式会社
半導体レーザ励起固体レーザ
12日前
住友化学株式会社
偏光板
1か月前
カンタツ株式会社
光学系
1か月前
株式会社シグマ
結像光学系
1か月前
株式会社シグマ
結像光学系
1か月前
住友化学株式会社
垂直偏光板
1か月前
日本精機株式会社
ミラーユニット
1か月前
古河電気工業株式会社
融着機
1か月前
アイカ工業株式会社
反射防止フィルム
7日前
東京応化工業株式会社
光学製品
今日
日本電気株式会社
光モジュール
1か月前
日東電工株式会社
導光部材
1か月前
豊田合成株式会社
調光装置
20日前
個人
多方向視差効果のための微細穴加工
1か月前
株式会社コシナ
投射ズームレンズ
26日前
個人
眼鏡装着位置変更具および眼鏡
1か月前
日東電工株式会社
光学積層体
1か月前
新光電気工業株式会社
光導波路部品
今日
京セラ株式会社
光学系
1か月前
三菱電機株式会社
レンズモジュール
1か月前
日本精機株式会社
ヘッドアップディスプレイ
1か月前
AGC株式会社
インフィニティミラー
1か月前
日本精機株式会社
ヘッドアップディスプレイ
1か月前
キヤノン株式会社
表示装置
12日前
キヤノン株式会社
表示装置
5日前
新光電気工業株式会社
光導波路部品
1か月前
古河電気工業株式会社
光ファイバケーブル
5日前
日本精機株式会社
ヘッドアップディスプレイ装置
1か月前
マクセル株式会社
映像表示装置
26日前
住友化学株式会社
複合偏光板
5日前
京セラ株式会社
アイソレータ
12日前
古河電気工業株式会社
光ファイバケーブル
5日前
日本精機株式会社
ヘッドアップディスプレイ装置
1か月前
矢崎総業株式会社
光ケーブル
1日前
続きを見る
他の特許を見る