TOP
|
特許
|
意匠
|
商標
特許ウォッチ
Twitter
他の特許を見る
公開番号
2025174578
公報種別
公開特許公報(A)
公開日
2025-11-28
出願番号
2024081045
出願日
2024-05-17
発明の名称
ハイブリッド車両の制御装置
出願人
トヨタ自動車株式会社
代理人
弁理士法人酒井国際特許事務所
主分類
B60W
20/10 20160101AFI20251120BHJP(車両一般)
要約
【課題】過大なエンジン要求パワーが要求されるのを抑制して、エミッション悪化を抑制することができるハイブリッド車両の制御装置を提供すること。
【解決手段】本発明のハイブリッド車両の制御装置は、エンジンと、エンジンからの動力を用いて発電するモータと、モータと電力をやりとりするバッテリと、を備えるハイブリッド車両に設けられ、充電要求時には、アクセル開度に基づく車両要求パワーに充電要求パワーを加算して、エンジン要求パワーを設定する、ハイブリッド車両の制御装置であって、ハイブリッド車両の急加速判定時には、充電要求パワーを制限する。
【選択図】図2
特許請求の範囲
【請求項1】
エンジンと、前記エンジンからの動力を用いて発電するモータと、前記モータと電力をやりとりするバッテリと、を備えるハイブリッド車両に設けられ、
充電要求時には、アクセル開度に基づく車両要求パワーに充電要求パワーを加算して、エンジン要求パワーを設定する、ハイブリッド車両の制御装置であって、
前記ハイブリッド車両の急加速判定時には、前記充電要求パワーを制限することを特徴とするハイブリッド車両の制御装置。
発明の詳細な説明
【技術分野】
【0001】
本発明は、ハイブリッド車両の制御装置に関する。
続きを表示(約 1,300 文字)
【背景技術】
【0002】
特許文献1には、ハイブリッド車両において、蓄電量が目標蓄電量になるよう上限パワーの範囲内で充放電要求パワーを設定し、設定された充放電要求パワーと走行要求パワーとの和のパワーがエンジンから出力されるようにエンジンと二つのモータとを制御する技術が開示されている。
【先行技術文献】
【特許文献】
【0003】
特開2014-201245号公報
【発明の概要】
【発明が解決しようとする課題】
【0004】
特許文献1に開示された技術では、充電要求時にエンジン要求パワーを大きくするが、このとき車両加速などの車両要求パワーが大きくなる状況では、エンジン要求パワーがさらに大きくなり、エミッション悪化に繋がる。
【0005】
本発明は、上記課題に鑑みてなされたものであって、その目的は、過大なエンジン要求パワーが要求されるのを抑制して、エミッション悪化を抑制することができるハイブリッド車両の制御装置を提供することである。
【課題を解決するための手段】
【0006】
上述した課題を解決し、目的を達成するために、本発明に係るハイブリッド車両の制御装置は、エンジンと、前記エンジンからの動力を用いて発電するモータと、前記モータと電力をやりとりするバッテリと、を備えるハイブリッド車両に設けられ、充電要求時には、アクセル開度に基づく車両要求パワーに充電要求パワーを加算して、エンジン要求パワーを設定する、ハイブリッド車両の制御装置であって、前記ハイブリッド車両の急加速判定時には、前記充電要求パワーを制限することを特徴とするものである。
【発明の効果】
【0007】
本発明に係るハイブリッド車両の制御装置は、過大なエンジン要求パワーが要求されるのを抑制して、エミッション悪化を抑制することができるという効果を奏する。
【図面の簡単な説明】
【0008】
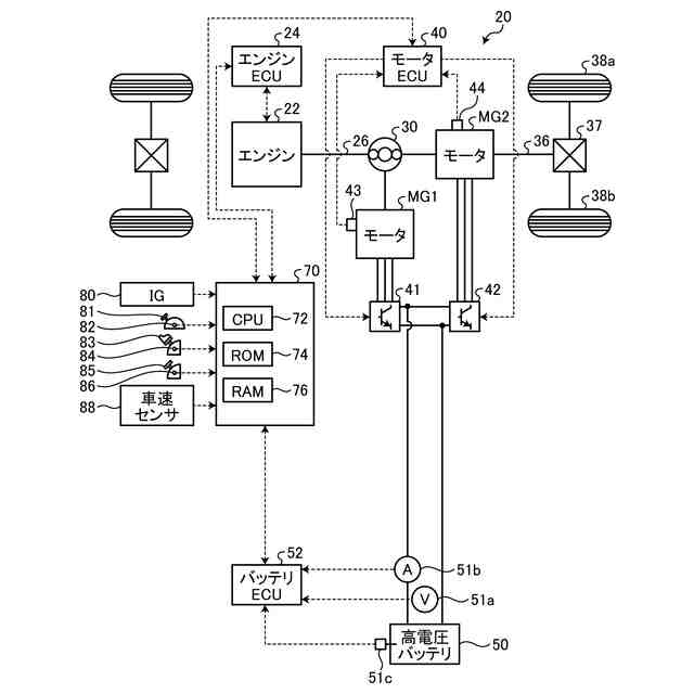
図1は、実施形態に係るハイブリッド車両の概略構成を示す図である。
図2は、ハイブリッド車両の急加速判定時における充電要求パワーの制限について示した図である。
【発明を実施するための形態】
【0009】
以下に、本発明に係るハイブリッド車両の制御装置の実施形態について説明する。なお、本実施形態により本発明が限定されるものではない。
【0010】
図1は、実施形態に係るハイブリッド車両20の概略構成を示す図である。実施形態に係るハイブリッド車両20は、図1に示すように、エンジン22、エンジン用電子制御ユニット(以下、エンジンECUという)24、プラネタリギヤ30、モータMG1、モータMG2、インバータ41,42、モータ用電子制御ユニット(以下、モータECUという)40、高電圧バッテリ50、バッテリ用電子制御ユニット(以下、バッテリECUという)52、及び、ハイブリッド用電子制御ユニット(以下、HVECUという)70などを備える。
(【0011】以降は省略されています)
この特許をJ-PlatPat(特許庁公式サイト)で参照する
関連特許
トヨタ自動車株式会社
電池
2日前
トヨタ自動車株式会社
配管
11日前
トヨタ自動車株式会社
電池
2日前
トヨタ自動車株式会社
電池
10日前
トヨタ自動車株式会社
車両
11日前
トヨタ自動車株式会社
車両
10日前
トヨタ自動車株式会社
電池
16日前
トヨタ自動車株式会社
電動車
10日前
トヨタ自動車株式会社
電動車
11日前
トヨタ自動車株式会社
ロータ
11日前
トヨタ自動車株式会社
反応容器
10日前
トヨタ自動車株式会社
蓄電装置
10日前
トヨタ自動車株式会社
蓄電装置
2日前
トヨタ自動車株式会社
制御装置
10日前
トヨタ自動車株式会社
蓄電装置
2日前
トヨタ自動車株式会社
蓄電装置
2日前
トヨタ自動車株式会社
制御装置
2日前
トヨタ自動車株式会社
判定装置
10日前
トヨタ自動車株式会社
蓄電装置
2日前
トヨタ自動車株式会社
処理装置
2日前
トヨタ自動車株式会社
蓄電装置
2日前
トヨタ自動車株式会社
蓄電装置
2日前
トヨタ自動車株式会社
蓄電装置
2日前
トヨタ自動車株式会社
車両装置
2日前
トヨタ自動車株式会社
塗工装置
2日前
トヨタ自動車株式会社
蓄電装置
3日前
トヨタ自動車株式会社
蓄電セル
18日前
トヨタ自動車株式会社
蓄電装置
3日前
トヨタ自動車株式会社
蓄電装置
2日前
トヨタ自動車株式会社
蓄電装置
2日前
トヨタ自動車株式会社
蓄電装置
2日前
トヨタ自動車株式会社
蓄電装置
2日前
トヨタ自動車株式会社
蓄電装置
2日前
トヨタ自動車株式会社
蓄電装置
2日前
トヨタ自動車株式会社
蓄電装置
2日前
トヨタ自動車株式会社
蓄電装置
10日前
続きを見る
他の特許を見る