TOP
|
特許
|
意匠
|
商標
特許ウォッチ
Twitter
他の特許を見る
10個以上の画像は省略されています。
公開番号
2025174045
公報種別
公開特許公報(A)
公開日
2025-11-28
出願番号
2024080043
出願日
2024-05-16
発明の名称
図形データ作成装置、図形データ作成方法、及び図形データ作成プログラム
出願人
株式会社アマダ
代理人
個人
,
個人
,
個人
主分類
G06T
7/60 20170101AFI20251120BHJP(計算;計数)
要約
【課題】操作者の作業を軽減させることができる図形データ作成装置を提供する。
【解決手段】中央処理装置1は、読み込まれた図面画像に描画されている任意の物体の外形を構成する水平方向及び垂直方向の線分を抽出する。中央処理装置1は、水平方向及び垂直方向の線分と重なる水平方向及び垂直方向のガイド線を生成する。中央処理装置1は、水平方向及び垂直方向のガイド線の交点に基づいて、物体の外形角部の位置を示す外形角点を抽出する。中央処理装置1は、抽出した外形角点を連結するトレース線を生成する。中央処理装置1は、トレース線に基づいて、物体を示す図形データを生成する。
【選択図】図1
特許請求の範囲
【請求項1】
図形データ作成プログラムを記憶する非一時的記憶媒体と、
中央処理装置と、
を備え、
前記中央処理装置は、前記図形データ作成プログラムを実行することにより、
前記中央処理装置によって読み込まれた図面画像に描画されている任意の物体の外形を構成する水平方向及び垂直方向の線分を抽出し、
前記水平方向及び垂直方向の線分と重なる水平方向及び垂直方向のガイド線を生成し、
前記水平方向及び垂直方向のガイド線の交点に基づいて、前記物体の外形角部の位置を示す外形角点を抽出し、
抽出した前記外形角点を連結するトレース線を生成し、
前記トレース線に基づいて、前記物体を示す図形データを生成する
図形データ作成装置。
続きを表示(約 2,100 文字)
【請求項2】
前記中央処理装置は、前記図形データ作成プログラムを実行することにより、
前記ガイド線の交点を中心とする所定の大きさの周辺部内に、前記図面画像に描画されている前記物体の色の画素が存在するか否かに基づいて、前記外形角点を抽出する
請求項1に記載の図形データ作成装置。
【請求項3】
前記中央処理装置は、前記図形データ作成プログラムを実行することにより、
前記水平方向のガイド線上に、前記交点を挟み、前記交点から離隔した位置に位置する左判定領域及び右判定領域と、前記垂直方向のガイド線上に、前記交点を挟み、前記交点から離隔した位置に位置する上判定領域及び下判定領域とを設定し、
前記左判定領域内、前記右判定領域内、前記上判定領域内、前記下判定領域内に、前記物体の色の画素が存在するか否かに基づいて、前記外形角点を抽出する
請求項2に記載の図形データ作成装置。
【請求項4】
前記中央処理装置は、前記図形データ作成プログラムを実行することにより、
前記水平方向及び垂直方向のガイド線を各交点で分断して複数のガイド線分に分割し、
前記複数のガイド線分における各ガイド線分が前記物体の前記水平方向の線分または前記垂直方向の線分と重なっている程度に基づいて、前記水平方向の線分または前記垂直方向の線分と重複するガイド線分を抽出し、
抽出したガイド線分に基づいて、前記外形角点を抽出する
請求項1に記載の図形データ作成装置。
【請求項5】
前記中央処理装置は、前記図形データ作成プログラムを実行することにより、
対となる前記物体の上角部と前記物体の下角部とのうちの一方が存在しない第1の外形角点と、対となる前記物体の左角部と前記物体の右角部とのうちの一方が存在しない第2の外形角点とが存在するとき、前記物体の未抽出の外形角点が存在すると判定し、
前記第1の外形角点を通るガイド線と前記第2の外形角点を通るガイド線との交点に外形角点を補填し、
抽出した前記外形角点及び補填した前記外形角点を連結するトレース線を生成する
請求項1~4のいずれか1項に記載の図形データ作成装置。
【請求項6】
コンピュータ機器が、
任意の物体が描画されている図面画像を読み込み、
前記図面画像に描画されている前記物体の外形を構成する水平方向及び垂直方向の線分を抽出し、
前記水平方向及び垂直方向の線分と重なる水平方向及び垂直方向のガイド線を生成し、
前記水平方向及び垂直方向のガイド線の交点に基づいて、前記物体の外形角部の位置を示す外形角点を抽出し、
抽出した前記外形角点を連結するトレース線を生成し、
前記トレース線に基づいて、前記物体を示す図形データを生成する
図形データ作成方法。
【請求項7】
前記コンピュータ機器が、
前記ガイド線の交点を中心とする所定の大きさの周辺部内に、前記図面画像に描画されている前記物体の色の画素が存在するか否かに基づいて、前記外形角点を抽出する
請求項6に記載の図形データ作成方法。
【請求項8】
前記コンピュータ機器が、
前記水平方向のガイド線上に、前記交点を挟み、前記交点から離隔した位置に位置する左判定領域及び右判定領域と、前記垂直方向のガイド線上に、前記交点を挟み、前記交点から離隔した位置に位置する上判定領域及び下判定領域とを設定し、
前記左判定領域内、前記右判定領域内、前記上判定領域内、前記下判定領域内に、前記物体の色の画素が存在するか否かに基づいて、前記外形角点を抽出する
請求項7に記載の図形データ作成方法。
【請求項9】
前記コンピュータ機器が、
前記水平方向及び垂直方向のガイド線を各交点で分断して複数のガイド線分に分割し、
前記複数のガイド線分における各ガイド線分が前記物体の前記水平方向の線分または前記垂直方向の線分と重なっている程度に基づいて、前記水平方向の線分または前記垂直方向の線分と重複するガイド線分を抽出し、
抽出したガイド線分に基づいて、前記外形角点を抽出する
請求項6に記載の図形データ作成方法。
【請求項10】
前記コンピュータ機器が、
対となる前記物体の上角部と前記物体の下角部とのうちの一方が存在しない第1の外形角点と、対となる前記物体の左角部と前記物体の右角部とのうちの一方が存在しない第2の外形角点とが存在するとき、前記物体の未抽出の外形角点が存在すると判定し、
前記第1の外形角点を通るガイド線と前記第2の外形角点を通るガイド線との交点に外形角点を補填し、
抽出した前記外形角点及び補填した前記外形角点を連結するトレース線を生成する
請求項6~9のいずれか1項に記載の図形データ作成方法。
(【請求項11】以降は省略されています)
発明の詳細な説明
【技術分野】
【0001】
本発明は、図形データ作成装置、図形データ作成方法、及び図形データ作成プログラムに関する。
続きを表示(約 3,400 文字)
【背景技術】
【0002】
特許文献1には、部品が描かれたラスタデータで形成された図面画像に基づいてベクトルデータよりなる図形データを作成する図形データ作成装置が記載されている。
【先行技術文献】
【特許文献】
【0003】
国際公開第2023/120432号
【発明の概要】
【発明が解決しようとする課題】
【0004】
特許文献1に記載されている図形データ作成装置においては、コンピュータ機器が、図面画像に描かれている物体としての部品を認識し、図面画像に、部品の水平及び垂直の線分と重なる水平及び垂直のガイド線を重畳する。特許文献1に記載されている図形データ作成装置においては、操作者が、ガイド線が重畳されている図面画像を見ながら、部品を囲うガイド線の線分を選択することにより、部品を描画する。これにより、図形データ作成装置は、描画された部品を示す図形データを作成することができる。
【0005】
特許文献1に記載されている図形データ作成装置においては、操作者が手動で図面画像に描かれている物体を描画する必要がある。操作者の作業を軽減させることができる図形データ作成装置、図形データ作成方法、及び図形データ作成プログラムの登場が望まれている。
【課題を解決するための手段】
【0006】
1またはそれ以上の実施形態の第1の態様は、図形データ作成プログラムを記憶する非一時的記憶媒体と、中央処理装置とを備え、前記中央処理装置は、前記図形データ作成プログラムを実行することにより、前記中央処理装置によって読み込まれた図面画像に描画されている任意の物体の外形を構成する水平方向及び垂直方向の線分を抽出し、前記水平方向及び垂直方向の線分と重なる水平方向及び垂直方向のガイド線を生成し、前記水平方向及び垂直方向のガイド線の交点に基づいて、前記物体の外形角部の位置を示す外形角点を抽出し、抽出した前記外形角点を連結するトレース線を生成し、前記トレース線に基づいて、前記物体を示す図形データを生成する図形データ作成装置を提供する。
【0007】
1またはそれ以上の実施形態の第2の態様は、コンピュータ機器が、任意の物体が描画されている図面画像を読み込み、前記図面画像に描画されている前記物体の外形を構成する水平方向及び垂直方向の線分を抽出し、前記水平方向及び垂直方向の線分と重なる水平方向及び垂直方向のガイド線を生成し、前記水平方向及び垂直方向のガイド線の交点に基づいて、前記物体の外形角部の位置を示す外形角点を抽出し、抽出した前記外形角点を連結するトレース線を生成し、前記トレース線に基づいて、前記物体を示す図形データを生成する図形データ作成方法を提供する。
【0008】
1またはそれ以上の実施形態の第3の態様は、コンピュータ機器に、任意の物体が描画されている図面画像を読み込むステップと、前記図面画像に描画されている前記物体の外形を構成する水平方向及び垂直方向の線分を抽出するステップと、前記水平方向及び垂直方向の線分と重なる水平方向及び垂直方向のガイド線を生成するステップと、前記水平方向及び垂直方向のガイド線の交点に基づいて、前記物体の外形角部の位置を示す外形角点を抽出するステップと、抽出した前記外形角点を連結するトレース線を生成するステップと、前記トレース線に基づいて、前記物体を示す図形データを生成するステップとを実行させる図形データ作成プログラムを提供する。
【発明の効果】
【0009】
1またはそれ以上の実施形態に係る図形データ作成装置、図形データ作成方法、及び図形データ作成プログラムによれば、操作者の作業を軽減させることができる。
【図面の簡単な説明】
【0010】
図1は、1またはそれ以上の実施形態に係る図形データ作成装置を示すブロック図である。
図2は、コンピュータ機器の中央処理装置が1またはそれ以上の実施形態に係る図形データ作成プログラムを実行することによって実現される、1またはそれ以上の実施形態に係る図形データ作成装置の機能的な構成例を示すブロック図である。
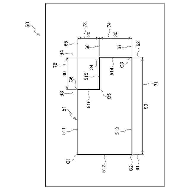
図3は、図面画像の一例を示す図である。
図4は、図3に示す図面画像に描かれている物体にガイド線を重畳した状態を示す図である。
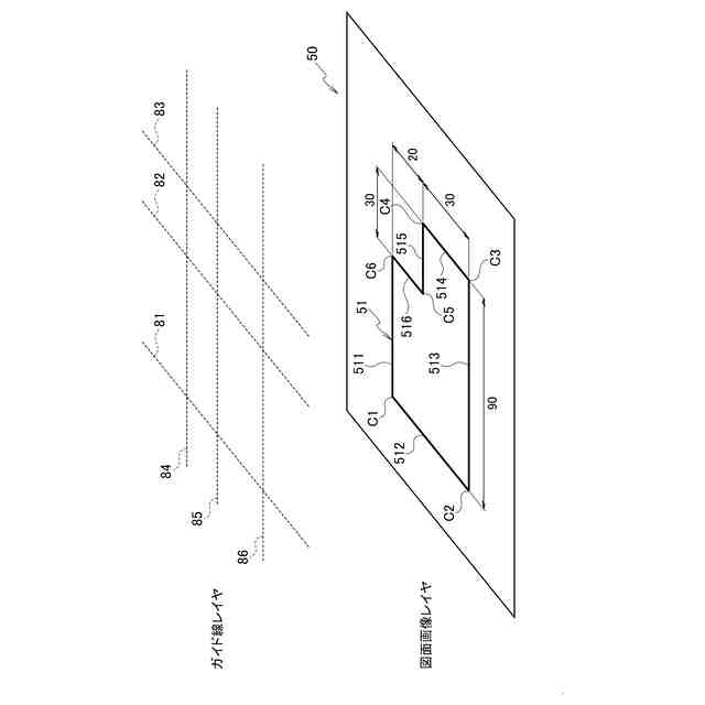
図5は、図面画像が描かれている図面画像レイヤとガイド線が描かれているガイド線レイヤとを立体的に示す概念図である。
図6は、ガイド線の交点を示す図である。
図7Aは、ガイド線の交点の周辺部に物体の画素が存在する例を示す図である。
図7Bは、ガイド線の交点の周辺部に物体の画素が存在しない例を示す図である。
図8Aは、ガイド線の交点の周辺部に設定した上下判定領域に基づいて判定される物体の上角部の例を示す図である。
図8Bは、ガイド線の交点の周辺部に設定した上下判定領域に基づいて判定される物体の下角部の例を示す図である。
図8Cは、ガイド線の交点の周辺部に設定した上下判定領域に基づいて判定される物体の垂直連続線の例を示す図である。
図8Dは、ガイド線の交点の周辺部に設定した上下判定領域に基づいて判定される垂直方向の物体画素非存在の例を示す図である。
図9Aは、ガイド線の交点の周辺部に設定した左右判定領域に基づいて判定される物体の左角部の例を示す図である。
図9Bは、ガイド線の交点の周辺部に設定した左右判定領域に基づいて判定される物体の右角部の例を示す図である。
図9Cは、ガイド線の交点の周辺部に設定した左右判定領域に基づいて判定される物体の水平連続線の例を示す図である。
図9Dは、ガイド線の交点の周辺部に設定した左右判定領域に基づいて判定される水平方向の物体画素非存在の例を示す図である。
図10は、物体の角部を示すガイド線の交点が外形角点として抽出された状態を示す概念図である。
図11は、ガイド線を分割したガイド線分を示す図である。
図12Aは、物体の外形線分を構成しないガイド線分の例を示す図である。
図12Bは、物体の外形線分を構成するガイド線分の例を示す図である。
図13は、物体の外形線分と重複するガイド線分を示す図である。
図14は、図13に示す物体の外形線分と重複するガイド線分に基づいて、物体の角部を示すガイド線の交点が外形角点として抽出された状態を示す図である。
図15は、図10または図14に示す外形角点に基づいて、トレース線レイヤに物体を示すトレース線が描画された状態を示す概念図である。
図16は、物体の角部がR面取りされている例を示す図である。
図17Aは、図16に示す角部がR面取りされている物体に基づいて生成されるトレース線を示す図である。
図17Bは、図17Aに示すトレース線をR面取りしてコーナRを有するトレース線に修正した状態を示す図である。
図18は、物体の角部が大きくC面取りされている例を示す図である。
図19は、図18に示す図面画像に重畳したガイド線の交点に基づいて抽出される物体の外形角点を示す図である。
図20は、図19に示す物体の外形角点を上下角部及び左右角部に分割した状態を示す概念図である。
図21は、図19において未抽出の外形角点を補填した状態を示す図である。
図22は、図21に示す4つの外形角点に基づいて生成したトレース線を示す図である。
図23は、図22に示すトレース線を図18に示す角部がC面取りされている実際の物体の形状となるように修正した状態を示す図である。
図24は、1またはそれ以上の実施形態に係る図形データ作成方法、または、1またはそれ以上の実施形態に係る図形データ作成プログラムがコンピュータ機器に実行させる処理を示すフローチャートである。
【発明を実施するための形態】
(【0011】以降は省略されています)
この特許をJ-PlatPat(特許庁公式サイト)で参照する
関連特許
株式会社アマダ
無人搬送車
1か月前
株式会社アマダ
ビード形成方法
1か月前
株式会社アマダ
工作機械制御装置
1か月前
株式会社アマダ
見積り作成システム
1か月前
株式会社アマダ
金型管理装置及び加工機制御装置
1か月前
株式会社アマダ
加工システム及び加工性判定システム
1か月前
株式会社アマダ
曲げ加工システム及びロボット搬送体
5日前
株式会社アマダ
ガルバノスキャナユニット及びレーザ加工機
25日前
株式会社アマダ
プレスブレーキ制御装置及び曲げ速度算出方法
2か月前
株式会社アマダ
干渉確認システム、干渉確認方法及び曲げ加工機
26日前
株式会社アマダ
プレスブレーキ及びプレスブレーキの金型位置決め方法
1か月前
株式会社アマダ
生産管理システム、生産管理方法及び生産管理プログラム
1か月前
株式会社アマダ
制御装置、溶接加工システム、教示点判定方法及び教示点判定プログラム
26日前
株式会社アマダ
図形データ作成装置、図形データ作成方法、及び図形データ作成プログラム
3日前
株式会社アマダ
制御装置、曲げ加工システム、ロボット制御方法及びロボット制御プログラム
5日前
株式会社アマダ
制御装置、曲げ加工システム、制御プログラム作成方法及び制御プログラム作成プログラム
5日前
株式会社アマダ
生産管理システム、生産シミュレーション装置、生産シミュレーション方法及び生産シミュレーションプログラム
1か月前
個人
詐欺保険
1か月前
個人
縁伊達ポイン
1か月前
個人
職業自動販売機
17日前
個人
RFタグシート
1か月前
個人
5掛けポイント
24日前
個人
ペルソナ認証方式
1か月前
個人
QRコードの彩色
1か月前
個人
地球保全システム
2か月前
個人
自動調理装置
1か月前
個人
情報処理装置
27日前
個人
表変換編集支援システム
2か月前
個人
残土処理システム
1か月前
個人
農作物用途分配システム
1か月前
個人
知的財産出願支援システム
1か月前
個人
インターネットの利用構造
1か月前
個人
サービス情報提供システム
19日前
個人
タッチパネル操作指代替具
1か月前
個人
携帯端末障害問合せシステム
1か月前
個人
スケジュール調整プログラム
1か月前
続きを見る
他の特許を見る