TOP
|
特許
|
意匠
|
商標
特許ウォッチ
Twitter
他の特許を見る
10個以上の画像は省略されています。
公開番号
2025168970
公報種別
公開特許公報(A)
公開日
2025-11-12
出願番号
2024073886
出願日
2024-04-30
発明の名称
水塗布装置
出願人
ブラザー工業株式会社
代理人
個人
,
個人
主分類
B65C
9/22 20060101AFI20251105BHJP(運搬;包装;貯蔵;薄板状または線条材料の取扱い)
要約
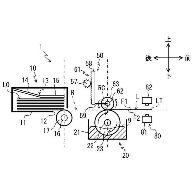
【課題】水が媒体の第一面に付着することを抑制できる水塗布装置を提供する。
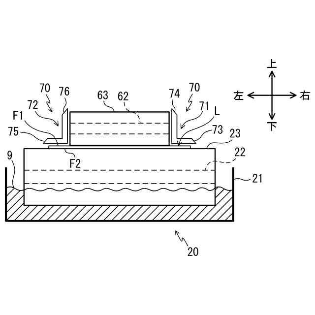
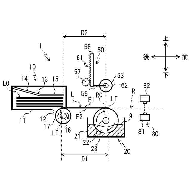
【解決手段】水塗布装置は、供給部材、塗布部材23、挟持部材63を有する。供給部材は、ラベルLを塗布部材23に向けて搬送する。塗布部材23は、供給部材により搬送されるラベルLの第二面F2に接触し、第二面F2に水9を塗布する。挟持部材63は、ラベルLの第一面F1に接触し、塗布部材23との間でラベルLを挟持する。挟持部材63の左右方向の両端は、前方から視て、塗布部材23の左右方向の両端よりも内側に位置する。
【選択図】図4
特許請求の範囲
【請求項1】
媒体の第一面とは反対側で且つ水活性粘着剤が設けられた第二面に水を塗布する水塗布装置であって、
前記媒体を搬送する搬送部と、
前記搬送部により搬送される前記媒体の前記第二面に対して接触し、前記第二面に前記水を塗布する塗布部材と、
前記第一面と接触し前記塗布部材との間で前記媒体を挟持する挟持部材と、を備え、
前記媒体の搬送方向から視た場合に、前記挟持部材の幅方向の両端は、前記媒体の前記幅方向の両端よりも内側に位置すること
を特徴とする水塗布装置。
続きを表示(約 830 文字)
【請求項2】
前記挟持部材における前記幅方向のうち一方である第一幅方向側に設けられ、前記搬送部により搬送される前記媒体の前記第一面に近接する規制部を備え、
前記規制部における前記第一幅方向と反対の第二幅方向の端は、前記挟持部材における前記第一幅方向の端と、前記媒体における前記第一幅方向の端との間に位置すること
を特徴とする請求項1に記載の水塗布装置。
【請求項3】
前記規制部における前記第一幅方向の端は、前記媒体における前記第一幅方向の端よりも、前記第一幅方向側に位置することを特徴とする請求項2に記載の水塗布装置。
【請求項4】
前記塗布部材は、ローラ状であることを特徴とする請求項1に記載の水塗布装置。
【請求項5】
前記水を収容する水槽を有し、
前記塗布部材の一部は、前記水槽に収容された前記水に浸かること
を特徴とする請求項4に記載の水塗布装置。
【請求項6】
前記塗布部材は、前記水を含浸させた含浸部材であることを特徴とする請求項1に記載の水塗布装置。
【請求項7】
前記挟持部材は、ローラ状であることを特徴とする請求項1に記載の水塗布装置。
【請求項8】
前記挟持部材は、板状であることを特徴とする請求項1に記載の水塗布装置。
【請求項9】
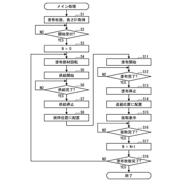
前記挟持部材は、前記第一面と接触し前記塗布部材との間で前記媒体を挟持する挟持位置と、前記挟持位置とは異なる退避位置であって前記塗布部材から離隔した前記退避位置とに移動可能であり、
前記挟持部材を前記挟持位置と前記退避位置とに移動する駆動部と、
前記駆動部を制御して、前記塗布部材と前記挟持部材とが前記媒体を挟持していないときに前記挟持部材を前記退避位置に配置させる制御部と、を備えること
を特徴とする請求項1に記載の水塗布装置。
発明の詳細な説明
【技術分野】
【0001】
本発明は、水塗布装置に関する。
続きを表示(約 1,600 文字)
【背景技術】
【0002】
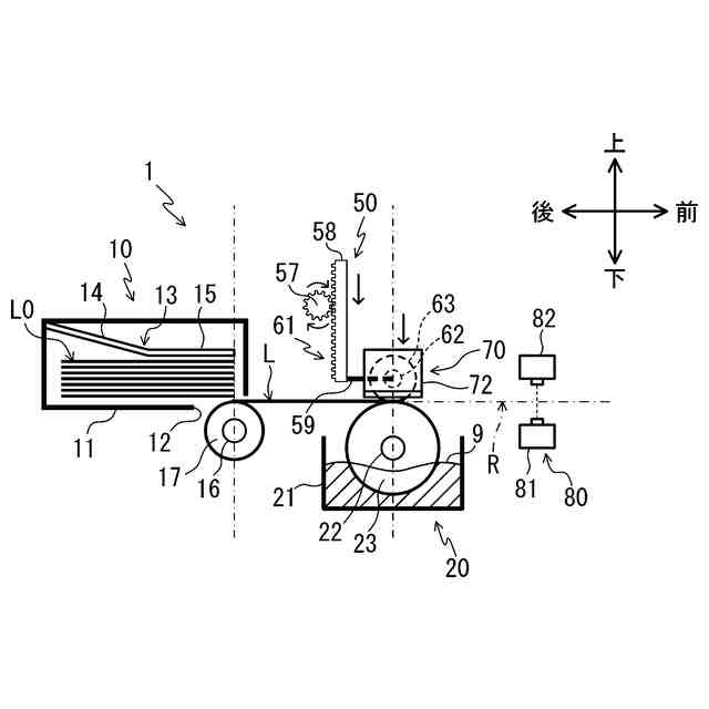
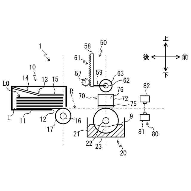
裏面に水溶性粘着剤層が設けられたラベルに水を付ける水付け装置が知られている。特許文献1に記載の水付け装置は液槽と、回転ローラと、押圧ばねとを有する。液槽は水を収容する。回転ローラは液槽内に水平に軸支した回転軸の周りを回転可能である。押圧ばねは回転ローラの上方に設けられ、回転ローラに上方から接触する。回転ローラを回転してラベルを搬送すると、回転ローラと押圧ばねとの間でラベルが挟持され、回転ローラに付着した液槽の水がラベルの裏面に付けられる。
【先行技術文献】
【特許文献】
【0003】
実開昭52-124700号公報
【発明の概要】
【発明が解決しようとする課題】
【0004】
上記水付け装置では、押圧ばねは回転ローラと接触するので、回転ローラに付着した水が押圧ばねに付着する可能性がある。仮に押圧ばねが回転ローラと接触しない場合にも、押圧ばねが回転ローラとの間でラベルを挟持するために、押圧ばねは回転ローラに対してラベルの厚み程度にしか離隔していないので、回転ローラに付着した水が押圧ばねに付着する可能性がある。
【0005】
本発明の目的は、水が媒体の第一面に付着することを抑制できる水塗布装置を提供することである。
【課題を解決するための手段】
【0006】
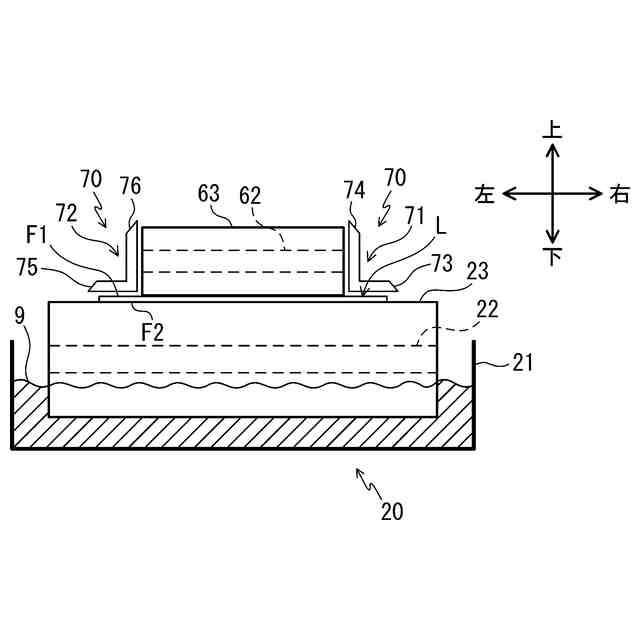
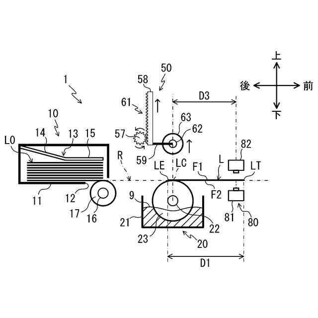
本発明に係る水塗布装置は、媒体の第一面とは反対側で且つ水活性粘着剤が設けられた第二面に水を塗布する水塗布装置であって、前記媒体を搬送する搬送部と、前記搬送部により搬送される前記媒体の前記第二面に対して接触し、前記第二面に前記水を塗布する塗布部材と、前記第一面と接触し前記塗布部材との間で前記媒体を挟持する挟持部材と、を備え、前記媒体の搬送方向から視た場合に、前記挟持部材の幅方向の両端は、前記媒体の前記幅方向の両端よりも内側に位置することを特徴とする。
【0007】
本発明の水塗布装置では、挟持部材は塗布部材との間で媒体を挟持する。このとき、搬送方向から視て、挟持部材の幅方向の両端が媒体の幅方向の両端の内側にある。従って、挟持部材は媒体に遮られ、塗布部材に対して露出していない。よって、水塗布装置は媒体の第一面水が付着することを抑制できる。
【0008】
本発明の水塗布装置は、前記挟持部材における前記幅方向のうち一方である第一幅方向側に設けられ、前記搬送部により搬送される前記媒体の前記第一面に近接する規制部を備え、前記規制部における前記第一幅方向と反対の第二幅方向の端は、前記挟持部材における前記第一幅方向の端と、前記媒体における前記第一幅方向の端との間に位置してもよい。これによれば、媒体における挟持部材よりも第一幅方向側の部分は規制部により浮き上がることを抑制される。これにより、水塗布装置は媒体の浮き上がりにより第二面に対して水が十分塗布されなくなることを抑制できる。
【0009】
本発明において、前記規制部における前記第一幅方向の端は、前記媒体における前記第一幅方向の端よりも、前記第一幅方向側に位置してもよい。これによれば、規制部における第一幅方向の端が、媒体における第一幅方向の端よりも第一幅方向側に配置されるので、媒体において浮き上がりやすい第一幅方向の端は規制部により浮き上がることを抑制される。これにより、水塗布装置は媒体の浮き上がりにより第二面に対して水が十分塗布されなくなることを更に抑制できる。
【0010】
本発明において、前記塗布部材は、ローラ状であってもよい。これによれば、塗布部材がローラ状であるので、水塗布装置は第二面に対して均一に水を塗布できる。
(【0011】以降は省略されています)
この特許をJ-PlatPat(特許庁公式サイト)で参照する
関連特許
ブラザー工業株式会社
印刷装置
5日前
ブラザー工業株式会社
水塗布装置
21日前
ブラザー工業株式会社
水塗布装置
21日前
ブラザー工業株式会社
水塗布装置
21日前
ブラザー工業株式会社
水塗布装置
21日前
ブラザー工業株式会社
画像形成装置
今日
ブラザー工業株式会社
液体吐出装置
14日前
ブラザー工業株式会社
液体吐出装置
5日前
ブラザー工業株式会社
液体吐出装置
7日前
ブラザー工業株式会社
液滴吐出ヘッド
7日前
ブラザー工業株式会社
液体吐出ヘッド
5日前
ブラザー工業株式会社
情報処理プログラム
5日前
ブラザー工業株式会社
タンクおよび液体吐出装置
5日前
ブラザー工業株式会社
プログラムおよび情報処理装置
5日前
ブラザー工業株式会社
プログラム、および、データ処理装置
5日前
ブラザー工業株式会社
画像処理装置及び認証処理プログラム
今日
ブラザー工業株式会社
サポートプログラムおよび印刷システム
5日前
ブラザー工業株式会社
サポートプログラムおよび印刷システム
14日前
ブラザー工業株式会社
印刷管理システム、サーバ、印刷管理方法
21日前
ブラザー工業株式会社
プログラム、電子装置、方法、及び印刷システム
19日前
ブラザー工業株式会社
コンピュータプログラム、および、データ処理装置
5日前
ブラザー工業株式会社
液体吐出装置用ヘッド及びこれを備える液体吐出装置
5日前
ブラザー工業株式会社
情報処理プログラム、情報処理装置、及び情報処理方法
21日前
ブラザー工業株式会社
画像形成装置
13日前
ブラザー工業株式会社
現像カートリッジ
19日前
ブラザー工業株式会社
サポートプログラム
19日前
ブラザー工業株式会社
サポートプログラム
19日前
ブラザー工業株式会社
サポートプログラム
5日前
ブラザー工業株式会社
コンピュータプログラム、データ処理装置、および、シートの製造方法
21日前
ブラザー工業株式会社
タンクセット及び液体消費装置
26日前
ブラザー工業株式会社
端末装置のためのコンピュータプログラム、端末装置、及び、端末装置を制御するための方法
5日前
ブラザー工業株式会社
端末装置のためのコンピュータプログラム、端末装置、及び、端末装置を制御するための方法
5日前
個人
収容箱
4か月前
個人
束ね具
22日前
個人
コンベア
6か月前
個人
段ボール箱
8か月前
続きを見る
他の特許を見る