TOP
|
特許
|
意匠
|
商標
特許ウォッチ
Twitter
他の特許を見る
10個以上の画像は省略されています。
公開番号
2025168964
公報種別
公開特許公報(A)
公開日
2025-11-12
出願番号
2024073879
出願日
2024-04-30
発明の名称
水塗布装置
出願人
ブラザー工業株式会社
代理人
個人
,
個人
主分類
B65C
9/22 20060101AFI20251105BHJP(運搬;包装;貯蔵;薄板状または線条材料の取扱い)
要約
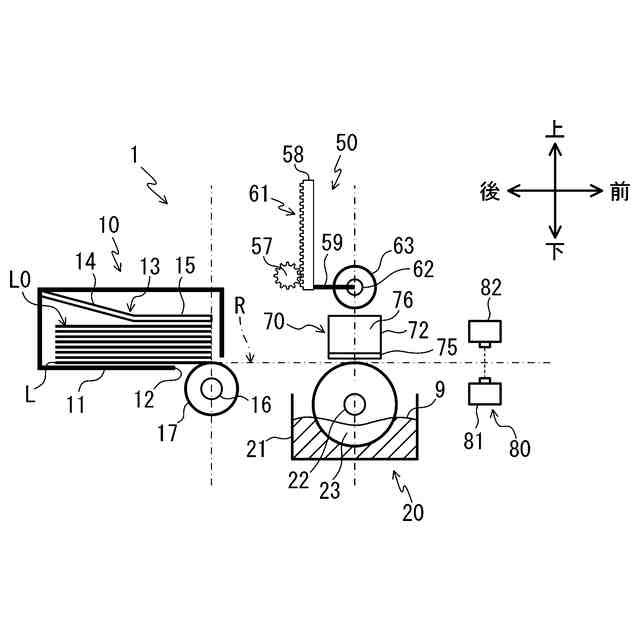
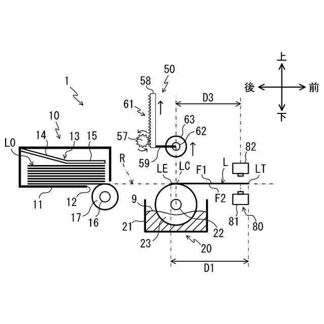
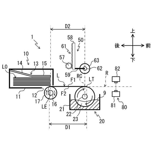
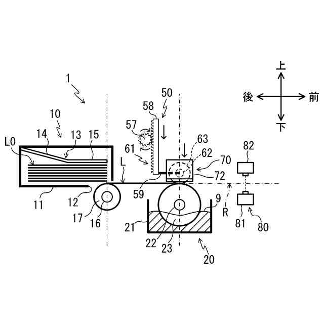
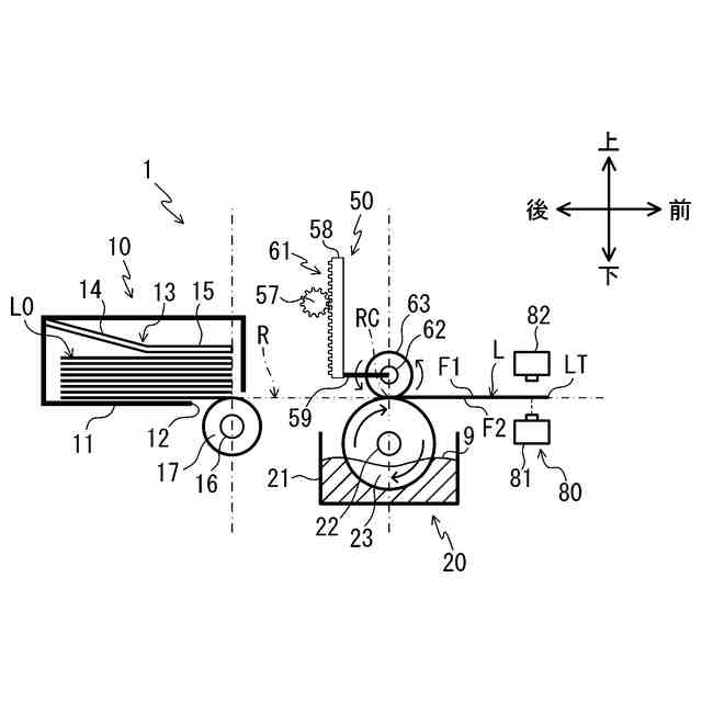
【課題】塗布部材の水がラベルの第一面に付着することを抑制できる水塗布装置を提供する。
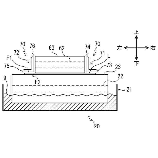
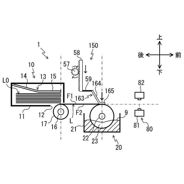
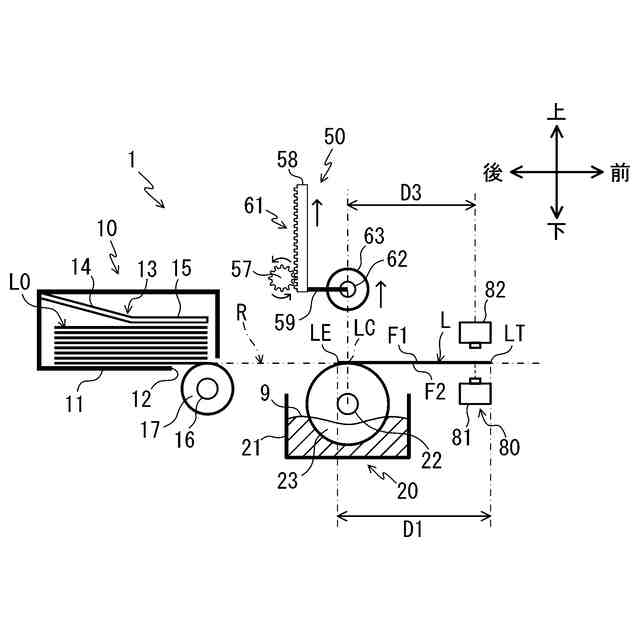
【解決手段】水塗布装置1は塗布部材23、挟持部材63、昇降モータ、及びCPUを有する。塗布部材23は、ラベルLの第二面F2に水9を塗布する。挟持部材63は、挟持位置と退避位置とに移動可能である。昇降モータは挟持部材63を挟持位置と退避位置とに配置させる。CPUはメイン処理において、塗布部材23と挟持部材63とでラベルLを挟持していないときに挟持部材63を退避位置に配置させる。
【選択図】図6
特許請求の範囲
【請求項1】
ラベルの第一面とは反対側で且つ水活性粘着剤が設けられた第二面に水を塗布する水塗布装置であって、
前記第二面に接触し、前記第二面に前記水を塗布する塗布部材と、
前記第一面と接触し前記塗布部材との間で前記ラベルを挟持する挟持位置と、前記挟持位置とは異なる退避位置であって前記塗布部材から離隔した前記退避位置とに移動可能な挟持部材と、
前記挟持部材を前記挟持位置と前記退避位置とに配置させる駆動部と、
前記駆動部を制御して、前記塗布部材と前記挟持部材とが前記ラベルを挟持していないときに前記挟持部材を前記退避位置に配置させる制御部と、
を備えることを特徴とする水塗布装置。
続きを表示(約 570 文字)
【請求項2】
前記塗布部材は、ローラ状であることを特徴とする請求項1に記載の水塗布装置。
【請求項3】
前記塗布部材を回転させる第一回転駆動部を有することを特徴とする請求項2に記載の水塗布装置。
【請求項4】
前記挟持部材は、ローラ状であることを特徴とする請求項2又は3に記載の水塗布装置。
【請求項5】
前記挟持部材を回転させる第二回転駆動部を有することを特徴とする請求項4に記載の水塗布装置。
【請求項6】
前記挟持部材は、板状であることを特徴とする請求項2又は3に記載の水塗布装置。
【請求項7】
前記水を収容する水槽を有し、
前記塗布部材の一部は、前記水槽に収容された前記水に浸かること
を特徴とする請求項2又は3に記載の水塗布装置。
【請求項8】
前記塗布部材は、前記水を含浸させた含浸部材であることを特徴とする請求項1に記載の水塗布装置。
【請求項9】
前記挟持部材は、ローラ状であることを特徴とする請求項8に記載の水塗布装置。
【請求項10】
前記挟持部材を回転させる第三回転駆動部を有することを特徴とする請求項9に記載の水塗布装置。
(【請求項11】以降は省略されています)
発明の詳細な説明
【技術分野】
【0001】
本発明は、水塗布装置に関する。
続きを表示(約 1,400 文字)
【背景技術】
【0002】
裏面に水溶性粘着剤層が設けられたラベルに水を付ける水付け装置が知られている。特許文献1に記載の水付け装置は液槽と、回転ローラと、押圧ばねとを有する。液槽は水を収容する。回転ローラは液槽内に水平に軸支した回転軸の周りを回転可能である。押圧ばねは回転ローラの上方に設けられ、回転ローラに上方から接触する。回転ローラを回転してラベルを搬送すると、回転ローラと押圧ばねとの間でラベルが挟持され、回転ローラに付着した液槽の水がラベルの裏面に付けられる。
【先行技術文献】
【特許文献】
【0003】
実開昭52-124700号公報
【発明の概要】
【発明が解決しようとする課題】
【0004】
上記水付け装置では、押圧ばねは回転ローラと接触するので、回転ローラに付着した水が押圧ばねに付着する可能性がある。仮に押圧ばねが回転ローラと接触しない場合にも、押圧ばねが回転ローラとの間でラベルを挟持するために、押圧ばねは回転ローラに対してラベルの厚み程度にしか離隔していないので、回転ローラに付着した水が押圧ばねに付着し、押圧ばねを介してラベルのおもて面に水が付着する可能性がある。
【0005】
本発明の目的は、塗布部材の水がラベルの第一面に付着することを抑制できる水塗布装置を提供することである。
【課題を解決するための手段】
【0006】
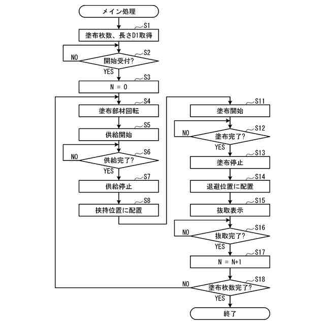
本発明に係る水塗布装置は、ラベルの第一面とは反対側で且つ水活性粘着剤が設けられた第二面に水を塗布する水塗布装置であって、前記第二面に接触し、前記第二面に前記水を塗布する塗布部材と、前記第一面と接触し前記塗布部材との間で前記ラベルを挟持する挟持位置と、前記挟持位置とは異なる退避位置であって前記塗布部材から離隔した前記退避位置とに移動可能な挟持部材と、前記挟持部材を前記挟持位置と前記退避位置とに配置させる駆動部と、前記駆動部を制御して、前記塗布部材と前記挟持部材とが前記ラベルを挟持していないときに前記挟持部材を前記退避位置に配置させる制御部と、を備えることを特徴とする。
【0007】
本発明の水塗布装置では、挟持部材が駆動部により挟持位置と退避位置とに配置させられる。挟持位置はラベルの第一面と接触し塗布部材との間でラベルを挟持する位置である。退避位置は挟持位置と異なる位置であって塗布部材から離隔した位置である。水塗布装置は塗布部材と挟持部材とがラベルを挟持していないときに挟持部材を退避位置に配置させることで、挟持部材を退避位置に配置させない場合と比較して、塗布部材の水がラベルの第一面に付着することを抑制できる。
【0008】
本発明において、前記塗布部材は、ローラ状であってもよい。これによれば、塗布部材がローラ状であるので、水塗布装置はラベルの第二面に対して均一に水を塗布できる。
【0009】
本発明の水塗布装置は、前記塗布部材を回転させる第一回転駆動部を有してもよい。これによれば、第一回転駆動部が塗布部材を回転させることで、水塗布装置はラベルの第二面に対して均一に水を塗布しつつ、ラベルを搬送できる。
【0010】
本発明において、前記挟持部材は、ローラ状であってもよい。これによれば、挟持部材がローラ状であるので、水塗布装置はラベルの第二面に対して均一に水を塗布できる。
(【0011】以降は省略されています)
この特許をJ-PlatPat(特許庁公式サイト)で参照する
関連特許
ブラザー工業株式会社
スキャナ
1か月前
ブラザー工業株式会社
印刷装置
7日前
ブラザー工業株式会社
スキャナ
1か月前
ブラザー工業株式会社
印刷装置
1か月前
ブラザー工業株式会社
印刷装置
1か月前
ブラザー工業株式会社
電子機器
1か月前
ブラザー工業株式会社
水塗布装置
23日前
ブラザー工業株式会社
水塗布装置
23日前
ブラザー工業株式会社
水塗布装置
23日前
ブラザー工業株式会社
水塗布装置
23日前
ブラザー工業株式会社
画像形成装置
2日前
ブラザー工業株式会社
液体吐出装置
7日前
ブラザー工業株式会社
画像形成装置
1か月前
ブラザー工業株式会社
画像形成装置
28日前
ブラザー工業株式会社
画像形成装置
1か月前
ブラザー工業株式会社
液体吐出装置
今日
ブラザー工業株式会社
液体吐出装置
今日
ブラザー工業株式会社
画像形成装置
1か月前
ブラザー工業株式会社
液体吐出装置
9日前
ブラザー工業株式会社
液体吐出装置
16日前
ブラザー工業株式会社
画像形成装置
1か月前
ブラザー工業株式会社
画像形成装置
1か月前
ブラザー工業株式会社
液体吐出ヘッド
7日前
ブラザー工業株式会社
シート給送装置
1か月前
ブラザー工業株式会社
液滴吐出ヘッド
9日前
ブラザー工業株式会社
情報処理プログラム
7日前
ブラザー工業株式会社
サポートプログラム
1か月前
ブラザー工業株式会社
印刷カセット収納体
1日前
ブラザー工業株式会社
サポートプログラム
1か月前
ブラザー工業株式会社
タンクおよび液体吐出装置
7日前
ブラザー工業株式会社
プリンタおよびプログラム
1か月前
ブラザー工業株式会社
工具搬送装置及び工作機械
今日
ブラザー工業株式会社
定着装置及び画像形成装置
28日前
ブラザー工業株式会社
プリンタおよびプログラム
1か月前
ブラザー工業株式会社
プログラムおよび情報処理装置
7日前
ブラザー工業株式会社
ラベルプリンタおよびプログラム
今日
続きを見る
他の特許を見る