TOP
|
特許
|
意匠
|
商標
特許ウォッチ
Twitter
他の特許を見る
10個以上の画像は省略されています。
公開番号
2025164551
公報種別
公開特許公報(A)
公開日
2025-10-30
出願番号
2024068593
出願日
2024-04-19
発明の名称
画像形成装置
出願人
ブラザー工業株式会社
代理人
個人
,
個人
主分類
G03G
15/00 20060101AFI20251023BHJP(写真;映画;光波以外の波を使用する類似技術;電子写真;ホログラフイ)
要約
【課題】DC/DCコンバータやメインモータ駆動回路を容易に交換できる画像形成装置を提供する。
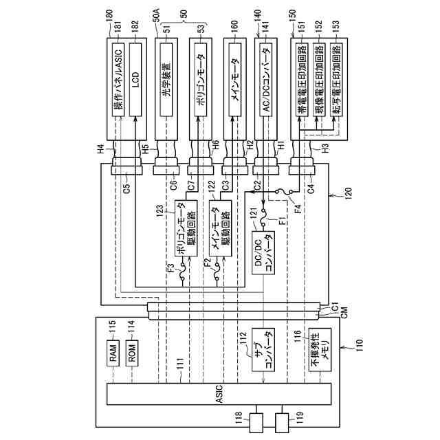
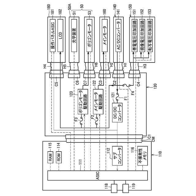
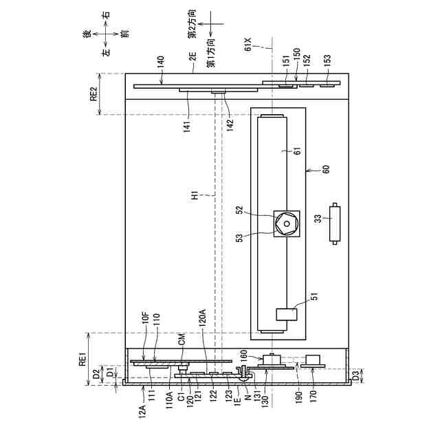
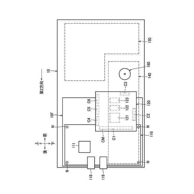
【解決手段】画像形成装置は、本体筐体と、メインモータ160と、AC/DCコンバータ141と、メイン基板110と、サブ基板120と、を備える。メイン基板110は、メインモータ160を制御するASIC111を有する。サブ基板120は、本体筐体またはメイン基板110に着脱可能である。サブ基板120は、メインモータ160およびメイン基板110のいずれにも電気的に接続されている。サブ基板120は、DC/DCコンバータ121と、メインモータ駆動回路122と、が配置されている。DC/DCコンバータ121は、第1電圧の直流電圧を第1電圧より低い第2電圧の直流電圧に変換する。メインモータ駆動回路122は、ASIC111から送られる制御信号に基づいて、メインモータ160に駆動電力を出力する。
【選択図】図3
特許請求の範囲
【請求項1】
本体筐体と、
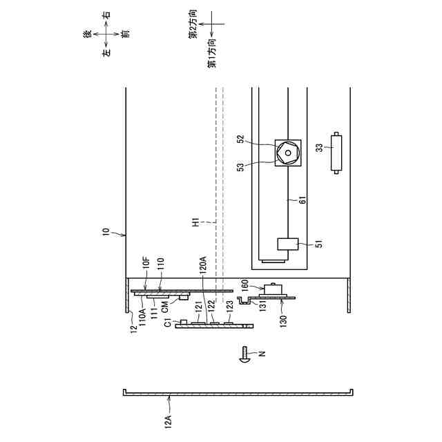
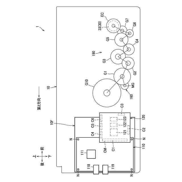
第1方向に延びる回転軸を中心に回転可能な感光ドラムと、
前記感光ドラムに駆動力を与えるメインモータと、
商用電源から供給された交流電圧を第1電圧の直流電圧に変換するAC/DCコンバータと、
前記メインモータを制御するASICを有するメイン基板と、
前記本体筐体または前記メイン基板の少なくともいずれかに着脱可能なサブ基板であって、前記メインモータおよび前記メイン基板のいずれにも電気的に接続されたサブ基板であり、前記第1電圧の直流電圧を前記第1電圧より低い第2電圧の直流電圧に変換するDC/DCコンバータと、前記ASICから送られる制御信号に基づいて、前記メインモータに駆動電力を出力するメインモータ駆動回路と、が配置されたサブ基板と、を備えることを特徴とする画像形成装置。
続きを表示(約 1,000 文字)
【請求項2】
上下方向と第1方向に直交する第2方向において、サブ基板は、前記メインモータと前記メイン基板の間に配置されたことを特徴とする請求項1に記載の画像形成装置。
【請求項3】
前記サブ基板は、
前記メイン基板と平行に配置され、
前記メイン基板とハーネスを介さずに直接接続される第1コネクタを有することを特徴とする請求項2に記載の画像形成装置。
【請求項4】
前記サブ基板は、前記第1方向において、少なくとも一部が前記メイン基板と向かい合い、
前記第1コネクタは、前記メイン基板に対し、前記第1方向に接続されていることを特徴とする請求項3に記載の画像形成装置。
【請求項5】
前記第1コネクタは、前記第2電圧の直流電圧および前記ASICから送られる制御信号を伝達することを特徴とする請求項4に記載の画像形成装置。
【請求項6】
前記AC/DCコンバータが配置された低圧電源基板を備え、
前記低圧電源基板と前記メイン基板は、前記サブ基板を経由して、電気的に接続されていることを特徴とする請求項5に記載の画像形成装置。
【請求項7】
前記AC/DCコンバータが配置された低圧電源基板を備え、
前記サブ基板は、前記低圧電源基板と前記サブ基板を接続する第1ハーネスの端子が接続される第2コネクタが配置されていること特徴とする請求項1に記載の画像形成装置。
【請求項8】
前記本体筐体は、
前記感光ドラムの前記第1方向の外側であって、前記感光ドラムの前記第1方向の一方側の第1領域と、
前記感光ドラムの前記第1方向の外側であって、前記感光ドラムの前記第1方向の他方側の第2領域と、を有し、
前記メイン基板、前記サブ基板および前記メインモータは、前記第1領域に位置し、
前記低圧電源基板は、前記第2領域に位置することを特徴とする請求項7に記載の画像形成装置。
【請求項9】
前記サブ基板は、前記第1方向から見て前記低圧電源基板と少なくとも一部が重なることを特徴とする請求項7に記載の画像形成装置。
【請求項10】
上下方向および前記第1方向に直交する第2方向において、前記第1ハーネスと前記低圧電源基板の接続部は、前記メイン基板よりも前記サブ基板に近い位置に配置されていることを特徴とする請求項7に記載の画像形成装置。
(【請求項11】以降は省略されています)
発明の詳細な説明
【技術分野】
【0001】
本発明は、着脱可能な基板を備える画像形成装置に関する。
続きを表示(約 1,200 文字)
【背景技術】
【0002】
従来、着脱可能な基板を備える画像形成装置が知られている(特許文献1参照)。この基板には、直流電圧の電圧を変更するためのDC/DCコンバータなどが配置されている。
【先行技術文献】
【特許文献】
【0003】
特開2003-241924号公報
【発明の概要】
【発明が解決しようとする課題】
【0004】
ところで、画像形成装置は、ASIC(主制御回路)を有するメイン基板がDC/DCコンバータやメインモータ駆動回路などの回路を有していると、DC/DCコンバータやメインモータ駆動回路を交換する場合には、メイン基板を交換する必要がある。この場合には、DC/DCコンバータやメインモータ駆動回路を交換するのに手間がかかる。
【0005】
そこで、本発明は、DC/DCコンバータやメインモータ駆動回路を容易に交換できる画像形成装置を提供することを目的とする。
【課題を解決するための手段】
【0006】
前記課題を解決するため、本発明に係る画像形成装置は、本体筐体と、感光ドラムと、メインモータと、AC/DCコンバータと、メイン基板と、サブ基板と、を備える。
感光ドラムは、第1方向に延びる回転軸を中心に回転可能である。
メインモータは、感光ドラムに駆動力を与える。
AC/DCコンバータは、商用電源から供給された交流電圧を第1電圧の直流電圧に変換する。
メイン基板は、メインモータを制御するASICを有する。
サブ基板は、本体筐体またはメイン基板の少なくともいずれかに着脱可能である。サブ基板は、メインモータおよびメイン基板のいずれにも電気的に接続されている。サブ基板は、DC/DCコンバータと、メインモータ駆動回路と、が配置されている。DC/DCコンバータは、第1電圧の直流電圧を第1電圧より低い第2電圧の直流電圧に変換する。メインモータ駆動回路は、ASICから送られる制御信号に基づいて、メインモータに駆動電力を出力する。
【0007】
DC/DCコンバータやメインモータ駆動回路を交換する場合には、サブ基板を交換すればよいので、ASICを有するメイン基板を交換することなく、DC/DCコンバータやメインモータ駆動回路を容易に交換することができる。
【0008】
また、上下方向と第1方向に直交する第2方向において、サブ基板は、メインモータとメイン基板の間に配置されていてもよい。
【0009】
また、サブ基板は、メイン基板と平行に配置され、メイン基板とハーネスを介さずに直接接続される第1コネクタを有していてもよい。
【0010】
サブ基板がメイン基板とハーネスを介さずに直接接続されるため、ハーネスを少なくすることができる。
(【0011】以降は省略されています)
この特許をJ-PlatPat(特許庁公式サイト)で参照する
関連特許
ブラザー工業株式会社
電子機器
20日前
ブラザー工業株式会社
印刷装置
26日前
ブラザー工業株式会社
水塗布装置
12日前
ブラザー工業株式会社
水塗布装置
12日前
ブラザー工業株式会社
水塗布装置
12日前
ブラザー工業株式会社
水塗布装置
12日前
ブラザー工業株式会社
液体吐出装置
5日前
ブラザー工業株式会社
画像形成装置
17日前
ブラザー工業株式会社
画像形成装置
25日前
ブラザー工業株式会社
画像形成装置
25日前
ブラザー工業株式会社
画像形成装置
25日前
ブラザー工業株式会社
画像形成装置
25日前
ブラザー工業株式会社
シート給送装置
19日前
ブラザー工業株式会社
サポートプログラム
25日前
ブラザー工業株式会社
サポートプログラム
25日前
ブラザー工業株式会社
定着装置及び画像形成装置
17日前
ブラザー工業株式会社
サポートプログラムおよび印刷システム
5日前
ブラザー工業株式会社
印刷管理システム、サーバ、印刷管理方法
12日前
ブラザー工業株式会社
プログラム、電子装置、方法、及び印刷システム
10日前
ブラザー工業株式会社
情報処理プログラム、情報処理装置、及び情報処理方法
12日前
ブラザー工業株式会社
通信システム、サーバ、および、コンピュータプログラム
25日前
ブラザー工業株式会社
画像形成装置
4日前
ブラザー工業株式会社
現像カートリッジ
10日前
ブラザー工業株式会社
サポートプログラム
10日前
ブラザー工業株式会社
サポートプログラム
10日前
ブラザー工業株式会社
コンピュータプログラム、データ処理装置、および、シートの製造方法
12日前
ブラザー工業株式会社
タンクセット及び液体消費装置
17日前
ブラザー工業株式会社
情報処理プログラム、情報処理装置、情報処理方法、印刷プログラム、印刷装置、及び印刷方法
27日前
個人
表示装置
1か月前
個人
雨用レンズカバー
1か月前
株式会社シグマ
絞りユニット
2か月前
キヤノン株式会社
撮像装置
1か月前
キヤノン株式会社
撮像装置
1か月前
日本精機株式会社
車両用投射装置
1か月前
キヤノン株式会社
撮像装置
2か月前
キヤノン株式会社
撮像装置
1か月前
続きを見る
他の特許を見る