TOP
|
特許
|
意匠
|
商標
特許ウォッチ
Twitter
他の特許を見る
10個以上の画像は省略されています。
公開番号
2025164549
公報種別
公開特許公報(A)
公開日
2025-10-30
出願番号
2024068587
出願日
2024-04-19
発明の名称
画像形成装置
出願人
ブラザー工業株式会社
代理人
個人
,
個人
主分類
G03G
15/00 20060101AFI20251023BHJP(写真;映画;光波以外の波を使用する類似技術;電子写真;ホログラフイ)
要約
【課題】DC/DCコンバータを容易に交換する。
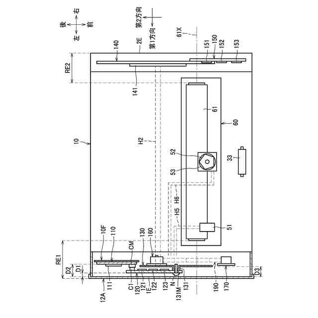
【解決手段】画像形成装置は、メインモータ160と、第2板金130と、AC/DCコンバータ141と、メイン基板110と、サブ基板120とを備える。第2板金130は、メインモータ160を支持する。サブ基板120は、第1電圧を第2電圧に変換するDC/DCコンバータ121を有する。サブ基板120は、メイン基板110と電気的に接続され、第2板金130に着脱可能に支持される。メイン基板110、サブ基板120およびメインモータ160は、第1領域RE1に位置する。本体筐体10は、第1方向において第1領域RE1に近い第1端1Eと、第1方向において第1端1Eよりも第1領域RE1から離れた第2端2Eとを有する。サブ基板と第1端1Eとの距離D1は、メイン基板110と第1端1Eとの距離D2よりも小さく、かつ、第2板金130と第1端1Eとの距離D3よりも小さい。
【選択図】図4
特許請求の範囲
【請求項1】
本体筐体と、
第1方向に延びる回転軸を中心に回転可能な感光ドラムと、
前記感光ドラムに駆動力を与えるメインモータと、
前記メインモータを支持する板金と、
商用電源から供給された交流電圧を第1電圧の直流電圧に変換するAC/DCコンバータと、
前記メインモータを制御するASICを有し、基板実装面が前記第1方向を向くメイン基板と、
前記第1電圧の直流電圧を前記第1電圧より低い第2電圧の直流電圧に変換するDC/DCコンバータを有し、前記メイン基板と電気的に接続されるサブ基板であって、前記板金に着脱可能に支持されるサブ基板と、を備え、
前記メイン基板、前記サブ基板および前記メインモータは、前記感光ドラムの前記第1方向における一方側の領域であり、かつ、前記感光ドラムの前記第1方向の外側である第1領域に位置し、
前記本体筐体は、第1方向において前記第1領域に近い第1端と、第1方向において第1端よりも前記第1領域から離れた第2端とを有し、
前記サブ基板と前記第1端との距離は、前記メイン基板と前記第1端との距離よりも小さく、かつ、前記板金と前記第1端との距離よりも小さいことを特徴とする画像形成装置。
続きを表示(約 870 文字)
【請求項2】
前記サブ基板は、前記メイン基板にハーネスを介さずに直接接続される第1コネクタを有することを特徴とする請求項1に記載の画像形成装置。
【請求項3】
前記サブ基板は、少なくとも一部が前記第1方向において前記メイン基板と向かい合い、
前記第1コネクタは、前記メイン基板に対し、前記第1方向に接続されていることを特徴とする請求項2に記載の画像形成装置。
【請求項4】
前記第1コネクタは、上下方向および前記第1方向と直交する第2方向における前記サブ基板の一方側の端部に配置され、
前記サブ基板は、前記第2方向における前記サブ基板の他方側の端部が前記板金に係止されていることを特徴とする請求項2に記載の画像形成装置。
【請求項5】
前記DC/DCコンバータは、前記サブ基板の前記第2端を向く面に配置されていることを特徴とする請求項1に記載の画像形成装置。
【請求項6】
前記第1方向において、前記板金は、前記メイン基板と前記サブ基板の間に位置することを特徴とする請求項5に記載の画像形成装置。
【請求項7】
前記メイン基板および前記板金は、上下方向と前記第1方向に直交する第2方向において異なる位置に位置する請求項6に記載の画像形成装置。
【請求項8】
前記DC/DCコンバータは、第1方向から見て前記板金と重なることを特徴とする請求項6に記載の画像形成装置。
【請求項9】
前記サブ基板は、前記メインモータに駆動電力を出力するメインモータ駆動回路をさらに有し、
前記メインモータ駆動回路は、第1方向から見て前記板金と重なることを特徴とする請求項8に記載の画像形成装置。
【請求項10】
前記板金は、前記サブ基板に向けて突出する凸部を有し、
前記サブ基板は、前記凸部にねじで固定されていることを特徴とする請求項6に記載の画像形成装置。
(【請求項11】以降は省略されています)
発明の詳細な説明
【技術分野】
【0001】
本発明は、着脱可能な基板を備える画像形成装置に関する。
続きを表示(約 1,200 文字)
【背景技術】
【0002】
従来、着脱可能な基板を備える画像形成装置が知られている(特許文献1参照)。この基板には、直流電圧の電圧を変更するためのDC/DCコンバータが配置されている。
【先行技術文献】
【特許文献】
【0003】
特開2003-241924号公報
【発明の概要】
【発明が解決しようとする課題】
【0004】
ところで、従来の画像形成装置では、メイン基板がDC/DCコンバータを有しているため、DC/DCコンバータを交換するときには、メイン基板を交換する必要があった。このため、DC/DCコンバータを交換するのに手間がかかるという問題点があった。
【0005】
そこで、本発明は、DC/DCコンバータを容易に交換できる画像形成装置を提供することを目的とする。
【課題を解決するための手段】
【0006】
前記課題を解決するため、本発明に係る画像形成装置は、本体筐体と、感光ドラムと、メインモータと、板金と、AC/DCコンバータと、メイン基板と、サブ基板と、を備える。
感光ドラムは、第1方向に延びる回転軸を中心に回転可能である。メインモータは、感光ドラムに駆動力を与える。板金は、メインモータを支持する。AC/DCコンバータは、商用電源から供給された交流電圧を第1電圧の直流電圧に変換する。メイン基板は、メインモータを制御するASICを有する。メイン基板は、基板実装面が第1方向を向く。サブ基板は、第1電圧の直流電圧を第1電圧より低い第2電圧の直流電圧に変換するDC/DCコンバータを有する。サブ基板は、メイン基板と電気的に接続される。サブ基板は、板金に着脱可能に支持される。
メイン基板、サブ基板およびメインモータは、感光ドラムの第1方向における一方側の領域であり、かつ、感光ドラムの第1方向の外側である第1領域に位置する。
本体筐体は、第1方向において第1領域に近い第1端と、第1方向において第1端よりも第1領域から離れた第2端とを有する。
サブ基板と第1端との距離は、メイン基板と第1端との距離よりも小さく、かつ、板金と第1端との距離よりも小さい。
【0007】
DC/DCコンバータが配置されたサブ基板がメイン基板および板金より外側に位置するため、DC/DCコンバータを容易に交換ことができる。
【0008】
また、サブ基板は、メイン基板にハーネスを介さずに直接接続される第1コネクタを有していてもよい。
【0009】
サブ基板がメイン基板にハーネスを介さずに直接接続されるため、ハーネスを少なくできる。
【0010】
また、サブ基板は、少なくとも一部が第1方向においてメイン基板と向かい合う構成としてもよい。そして、第1コネクタは、メイン基板に対し、第1方向に接続されていてもよい。
(【0011】以降は省略されています)
この特許をJ-PlatPat(特許庁公式サイト)で参照する
関連特許
ブラザー工業株式会社
印刷装置
26日前
ブラザー工業株式会社
印刷装置
1か月前
ブラザー工業株式会社
電子機器
20日前
ブラザー工業株式会社
水塗布装置
12日前
ブラザー工業株式会社
水塗布装置
12日前
ブラザー工業株式会社
水塗布装置
12日前
ブラザー工業株式会社
水塗布装置
12日前
ブラザー工業株式会社
液体吐出装置
5日前
ブラザー工業株式会社
画像形成装置
25日前
ブラザー工業株式会社
画像形成装置
25日前
ブラザー工業株式会社
画像形成装置
25日前
ブラザー工業株式会社
画像形成装置
25日前
ブラザー工業株式会社
画像形成装置
17日前
ブラザー工業株式会社
シート給送装置
19日前
ブラザー工業株式会社
サポートプログラム
25日前
ブラザー工業株式会社
サポートプログラム
25日前
ブラザー工業株式会社
定着装置及び画像形成装置
17日前
ブラザー工業株式会社
プリンタおよびプログラム
27日前
ブラザー工業株式会社
プリンタおよびプログラム
27日前
ブラザー工業株式会社
サポートプログラムおよび印刷システム
5日前
ブラザー工業株式会社
印刷管理システム、サーバ、印刷管理方法
12日前
ブラザー工業株式会社
プログラム、電子装置、方法、及び印刷システム
10日前
ブラザー工業株式会社
プログラム、データ処理装置、および、データ処理方法
27日前
ブラザー工業株式会社
情報処理プログラム、情報処理装置、及び情報処理方法
12日前
ブラザー工業株式会社
プリンタ
1か月前
ブラザー工業株式会社
通信システム、サーバ、および、コンピュータプログラム
25日前
ブラザー工業株式会社
画像形成装置
1か月前
ブラザー工業株式会社
画像形成装置
4日前
ブラザー工業株式会社
現像カートリッジ
10日前
ブラザー工業株式会社
サポートプログラム
10日前
ブラザー工業株式会社
サポートプログラム
10日前
ブラザー工業株式会社
コンピュータプログラム、データ処理装置、および、シートの製造方法
12日前
ブラザー工業株式会社
タンクセット及び液体消費装置
17日前
ブラザー工業株式会社
情報処理プログラム、情報処理装置、情報処理方法、印刷プログラム、印刷装置、及び印刷方法
27日前
個人
表示装置
1か月前
個人
雨用レンズカバー
1か月前
続きを見る
他の特許を見る