TOP
|
特許
|
意匠
|
商標
特許ウォッチ
Twitter
他の特許を見る
公開番号
2025168819
公報種別
公開特許公報(A)
公開日
2025-11-12
出願番号
2024073599
出願日
2024-04-30
発明の名称
印刷管理システム、サーバ、印刷管理方法
出願人
ブラザー工業株式会社
代理人
弁理士法人第一テクニカル国際特許事務所
主分類
G06F
3/12 20060101AFI20251105BHJP(計算;計数)
要約
【課題】コンテンツが印刷されるまでの状況を管理可能とする印刷管理システム、サーバ、及び印刷管理方法を提供する。
【解決手段】配信サーバ100、画像変換サーバ500、印刷装置200、販売店末300及び新聞社端末400が互いにネットワークで通信可能に印刷管理システムにおいて、配信サーバは、原稿データを記憶する記憶部を有し、かつ、原稿データを1ページ毎に印刷データに変換し、変換された印刷データの印刷指示を印刷装置に送信するS94。印刷装置は、印刷指示を受信し、受信した印刷指示に基づき、印刷データを印刷するS100。新聞社端末は、印刷状況表示画面を表示部に表示し、印刷データの再印刷を指示する「再開」ボタン操作S91を受け付けたことに応じて、印刷指示の再送信指示を配信サーバに対し送信するS90。
【選択図】図3
特許請求の範囲
【請求項1】
サーバと、プリンタと、情報処理装置と、が互いにネットワークで通信可能に構成される印刷管理システムであって、
前記サーバは、
コンテンツを記憶するメモリを有し、
かつ、
前記コンテンツを部分データごとに印刷データに変換する変換処理と、
前記変換処理において変換された前記印刷データの印刷指示を前記プリンタに送信する第1送信処理と、
を実行し、
前記プリンタは、
前記第1送信処理で送信された前記印刷指示を受信する受信処理と、
前記受信処理で受信した前記印刷指示に基づき、前記印刷データを印刷する印刷処理と、
を実行し、
前記情報処理装置は、
前記印刷処理の状態を表す第1管理画面をディスプレイに表示する第1表示処理と、
前記印刷データの再印刷を指示する第1操作を受け付けたことに応じて、前記印刷指示の再送信指示を前記サーバに対して送信する第2送信処理と、
を実行する、印刷管理システム。
続きを表示(約 1,300 文字)
【請求項2】
前記第1管理画面は、
前記第1操作を受け付けるために表示されるオブジェクトを含む、請求項1記載の印刷管理システム。
【請求項3】
前記オブジェクトは、
前記印刷処理において異常が発生した場合に前記第1管理画面の中に表示される、請求項2記載の印刷管理システム。
【請求項4】
前記情報処理装置は、
前記印刷処理のキャンセルを指示する第2操作を受け付けたことに応じて、前記第1送信処理の中止指示を前記サーバへ送信し、
前記サーバは、
前記中止指示を受信すると、前記第1送信処理における未送信の前記印刷指示の送信を中止する、請求項1記載の印刷管理システム。
【請求項5】
前記第1管理画面は、
特定の前記コンテンツに対する複数の前記プリンタの印刷状態の表示を含む、請求項1乃至請求項4のいずれか1項記載の印刷管理システム。
【請求項6】
前記情報処理装置は、さらに、
前記変換処理の状態を表す第2管理画面を前記ディスプレイに表示する第2表示処理と、
前記変換処理において異常が発生したことを報知する報知処理と、
を実行する、請求項1記載の印刷管理システム。
【請求項7】
前記メモリは、外部装置からアップロードされた前記コンテンツの前記部分データを記憶しており、
前記サーバは、前記コンテンツのアップロード期限と、アップロード予定のコンテンツに関する情報とに基づき、前記コンテンツの前記部分データのうち未アップロードの前記部分データが存在する場合に、対応する通知を前記情報処理装置へ行う通知処理
を実行する、請求項1記載の印刷管理システム。
【請求項8】
前記サーバは、前記未アップロードの前記部分データが存在する場合に、前記未アップロードの前記部分データの存在を示す印刷データの印刷指示を前記プリンタに送信する第3送信処理
を実行する、請求項7記載の印刷管理システム。
【請求項9】
前記サーバは、
前記外部装置からアップロードされた前記コンテンツの前記部分データと、前記メモリに記憶された前記コンテンツの前記部分データとの差異があるか否かを判断する判断処理を実行し、
前記判断処理で前記差異があると判断した場合に、前記アップロードされた部分データの前記変換処理を実行する、請求項7に記載の印刷管理システム。
【請求項10】
プリンタ及び情報処理装置に対して通信可能な通信部と、コンテンツを記憶するメモリと、制御部と、を有するサーバであって、
前記制御部は、
前記コンテンツを部分データごとに印刷データに変換する変換処理と、
前記変換処理において変換された印刷データの印刷指示を前記プリンタに送信する指示送信処理と、
前記情報処理装置のディスプレイに表示され前記プリンタの印刷処理の状態を表す管理画面における、前記印刷データの再印刷を指示する所定操作に応じた、前記印刷指示の再送信指示を受信する指示受信処理と、
を実行する、サーバ。
(【請求項11】以降は省略されています)
発明の詳細な説明
【技術分野】
【0001】
本開示は、コンテンツに関わる印刷を管理する印刷管理システム、サーバ、及び印刷管理方法に関する。
続きを表示(約 2,200 文字)
【背景技術】
【0002】
従来、例えば特許文献1に記載のように、ネットワークを介して配信されたコンテンツの印刷を管理するためのシステムが知られている。このシステムは、コンテンツ作成サーバと、コンテンツ配信サーバと、ログ管理サーバと、複合機とで構成されている。コンテンツ作成サーバは、新たなコンテンツデータを作成してコンテンツ配信サーバに登録する。コンテンツ配信サーバは、コンテンツの印刷条件などを含むメタデータをコンテンツデータに付加してコンテンツデータをプリンタにプッシュ配信する。プリンタは、コンテンツデータを受信するとコンテンツデータに付加されたメタデータに基づいてコンテンツデータの印刷を行う。またプリンタは、コンテンツデータの印刷部数をカウントアップし、全ての印刷が完了するとそのログデータをログ管理サーバに送信する。ログ管理サーバは、プリンタからログデータを受信する。
【先行技術文献】
【特許文献】
【0003】
特許5468829号
【発明の概要】
【発明が解決しようとする課題】
【0004】
コンテンツを提供する提供者により、コンテンツが正常に印刷されるまでの状況を管理することが望まれている。しかしながら、特許文献1に記載のシステムでは、そのような管理を行うことについては、特に考慮されていない。
【0005】
本開示の目的は、コンテンツが印刷されるまでの状況を管理可能な技術を提供することにある。
【課題を解決するための手段】
【0006】
上記目的を達成するために、本開示は、以下の技術に関する。サーバと、プリンタと、情報処理装置と、が互いにネットワークで通信可能に構成される印刷管理システムであって、前記サーバは、コンテンツを記憶するメモリを有し、かつ、前記コンテンツを部分データごとに印刷データに変換する変換処理と、前記変換処理において前記コンテンツに含まれる前記部分データが前記印刷データに変換されたことを条件に、当該印刷データの印刷指示を前記プリンタに送信する第1送信処理と、を実行し、前記プリンタは、前記第1送信処理で送信された前記印刷指示を受信する受信処理と、前記受信処理で受信した前記印刷指示に基づき、前記印刷データを印刷する印刷処理と、を実行し、前記情報処理装置は、前記印刷処理の状態を表す第1管理画面をディスプレイに表示する第1表示処理と、前記印刷データの再印刷を指示する第1操作を受け付けたことに応じて、前記印刷指示の再送信指示を前記サーバに対して送信する第2送信処理と、を実行する。
【0007】
本開示の印刷管理システムは、サーバと、プリンタと、情報処理装置と、を有する。
サーバのメモリは、コンテンツを記憶している。サーバは、変換処理を実行することによってコンテンツを部分データごとに印刷データに変換する。全ての部分データを印刷データに変換すると、サーバは、変換後の印刷データの印刷指示を第1送信処理によりプリンタに送信する。プリンタは、第1送信処理で送信された印刷指示を受信処理で受信し、その印刷指示に基づき印刷データを印刷処理で印刷する。
情報処理装置は、第1表示処理により、プリンタにおける上記印刷処理の状態を表す第1管理画面をディスプレイに表示する。第1管理画面の表示に応じて、操作者が印刷データの再印刷を指示する第1操作を行うと、情報処理装置は第2送信処理において印刷指示の再送信指示をサーバへと送信する。
【0008】
以上のようにして、本開示によれば、操作者は、情報処理装置のディスプレイに表示される第1管理画面を用いて、コンテンツが印刷されるまでの状況を管理することができる。特に、操作者は、必要に応じ情報処理装置において第1操作を行うことにより、印刷指示の再送信の指示をサーバへ送信することができる。
【発明の効果】
【0009】
本開示によれば、コンテンツが印刷されるまでの状況を管理することができる。
【図面の簡単な説明】
【0010】
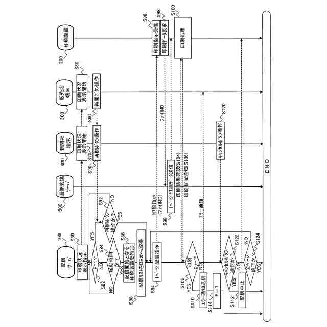
実施形態に係る印刷管理システムの全体構成の一例を表すブロック図である。
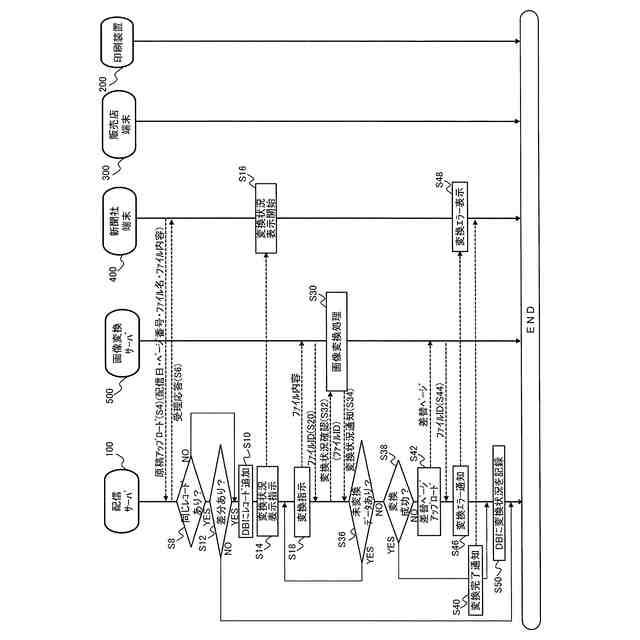
配信サーバ、画像変換サーバ、新聞社端末、販売店端末、及びプリンタにより実行される処理の流れの一例を表すシーケンスフローである。
配信サーバ、画像変換サーバ、新聞社端末、販売店端末、及びプリンタにより実行される処理の流れの一例を表すシーケンスフローである。
新聞社端末が表示部に表示する変換状況表示画面の一例を表す説明図である。
販売店端末において各印刷装置の配信時刻を設定するための配信時刻設定画面を表す説明図、及び、配信時刻を変更するための配信時刻変更画面を表す説明図である。
画像変換に成功した本来の正規コンテンツと、画像変換に失敗して差し替えられた所定内容の印刷ページと、を混在して含む印刷物の一例を表す説明図である。
画像変換に成功した本来の正規コンテンツと、画像変換に失敗して差し替えられた所定内容の印刷ページと、を混在して含む印刷物の別例を表す説明図である。
新聞社端末が表示部に表示する印刷状況表示画面の一例を表す説明図である。
【発明を実施するための形態】
(【0011】以降は省略されています)
この特許をJ-PlatPat(特許庁公式サイト)で参照する
関連特許
ブラザー工業株式会社
印刷装置
1か月前
ブラザー工業株式会社
印刷装置
1か月前
ブラザー工業株式会社
電子機器
29日前
ブラザー工業株式会社
印刷装置
5日前
ブラザー工業株式会社
水塗布装置
21日前
ブラザー工業株式会社
水塗布装置
21日前
ブラザー工業株式会社
水塗布装置
21日前
ブラザー工業株式会社
水塗布装置
21日前
ブラザー工業株式会社
液体吐出装置
7日前
ブラザー工業株式会社
画像形成装置
1か月前
ブラザー工業株式会社
画像形成装置
1か月前
ブラザー工業株式会社
画像形成装置
1か月前
ブラザー工業株式会社
画像形成装置
1か月前
ブラザー工業株式会社
画像形成装置
26日前
ブラザー工業株式会社
液体吐出装置
14日前
ブラザー工業株式会社
画像形成装置
今日
ブラザー工業株式会社
液体吐出装置
5日前
ブラザー工業株式会社
液滴吐出ヘッド
7日前
ブラザー工業株式会社
液体吐出ヘッド
5日前
ブラザー工業株式会社
シート給送装置
28日前
ブラザー工業株式会社
情報処理プログラム
5日前
ブラザー工業株式会社
サポートプログラム
1か月前
ブラザー工業株式会社
サポートプログラム
1か月前
ブラザー工業株式会社
プリンタおよびプログラム
1か月前
ブラザー工業株式会社
プリンタおよびプログラム
1か月前
ブラザー工業株式会社
タンクおよび液体吐出装置
5日前
ブラザー工業株式会社
定着装置及び画像形成装置
26日前
ブラザー工業株式会社
プログラムおよび情報処理装置
5日前
ブラザー工業株式会社
インクジェット記録方法及び印刷物
1か月前
ブラザー工業株式会社
画像処理装置及び認証処理プログラム
今日
ブラザー工業株式会社
プログラム、および、データ処理装置
5日前
ブラザー工業株式会社
サポートプログラムおよび印刷システム
5日前
ブラザー工業株式会社
サポートプログラムおよび印刷システム
14日前
ブラザー工業株式会社
印刷管理システム、サーバ、印刷管理方法
21日前
ブラザー工業株式会社
プログラム、電子装置、方法、及び印刷システム
19日前
ブラザー工業株式会社
コンピュータプログラム、および、データ処理装置
5日前
続きを見る
他の特許を見る