TOP
|
特許
|
意匠
|
商標
特許ウォッチ
Twitter
他の特許を見る
10個以上の画像は省略されています。
公開番号
2025168503
公報種別
公開特許公報(A)
公開日
2025-11-07
出願番号
2025146383,2023156489
出願日
2025-09-03,2015-03-13
発明の名称
コンバイン
出願人
株式会社クボタ
代理人
弁理士法人R&C
主分類
A01D
41/12 20060101AFI20251030BHJP(農業;林業;畜産;狩猟;捕獲;漁業)
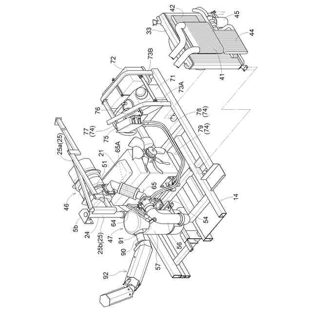
要約
【課題】排ガス処理装置を配備するにあたって、塵埃による悪影響を受けるおそれのない良好な状態で備えることが望まれていた。
【解決手段】エンジンを備えた原動部と、脱穀処理を行う脱穀装置と、脱穀装置の横側で且つ原動部の後方側に位置して脱穀後の穀粒を貯留する穀粒タンク6と、エンジンの排ガスを処理する排ガス処理装置と、が備えられ、排ガス処理装置として、エンジンの排ガス中に含まれる粒子状物質を低減する第1排ガス処理装置と、第1排ガス処理装置にて処理された後の排ガス中に含まれる窒素酸化物を低減する第2排ガス処理装置47と、が備えられ、第2排ガス処理装置47が、平面視、かつ、正面視で、穀粒タンク6と重複する状態で配備されているコンバイン。
【選択図】図15
特許請求の範囲
【請求項1】
エンジンを備えた原動部と、
脱穀処理を行う脱穀装置と、
前記脱穀装置の横側で且つ前記原動部の後方側に位置して脱穀後の穀粒を貯留する穀粒タンクと、
前記エンジンの排ガスを処理する排ガス処理装置と、が備えられ、
前記排ガス処理装置として、前記エンジンの排ガス中に含まれる粒子状物質を低減する第1排ガス処理装置と、前記第1排ガス処理装置にて処理された後の排ガス中に含まれる窒素酸化物を低減する第2排ガス処理装置と、が備えられ、
前記第1排ガス処理装置と、前記第2排ガス処理装置の本体処理部とが、別の外装ケーシングに収容され、
前記第2排ガス処理装置が、平面視、かつ、正面視で、前記穀粒タンクと重複する状態で配備されているコンバイン。
発明の詳細な説明
【技術分野】
【0001】
本発明は、コンバインに関し、詳しくは、エンジンの排ガスを浄化するための排ガス処理装置を備えたコンバインに関する。
続きを表示(約 1,400 文字)
【背景技術】
【0002】
コンバインでは、尿素水を還元剤とする選択触媒還元(SCR)を用いて排ガス中に含まれる窒素酸化物(NOx)を低減させる排ガス処理装置を備えたものがある。そして、従来では、このような排ガス処理装置が、機体横方向に並列配備される脱穀装置と穀粒タンクとの左右中間位置に形成された空間において、機体下部側の低い位置に備えられていた(例えば、特許文献1参照)。
【先行技術文献】
【特許文献】
【0003】
特開2010-166878号公報
【発明の概要】
【発明が解決しようとする課題】
【0004】
上記従来構成では、排ガス処理装置が、脱穀装置と穀粒タンクとの左右中間位置に形成された空間における低位置に備えられるので、刈取作業に伴って発生するワラ屑等の塵埃が排ガス処理装置の上方側の外表面に堆積するおそれがある。一方、排ガス処理装置は、その内部をエンジンから排出される燃料後の排ガスが通過するので高温となる。
【0005】
その結果、上記従来構成では、高温の排ガス処理装置の上方側の外表面に、刈取作業に伴って発生する塵埃が堆積するおそれが大きくなるという不利な面があり、改善の余地があった。
【0006】
そこで、排ガス処理装置を配備するにあたって、塵埃による悪影響を受けるおそれのない良好な状態で備えることが望まれていた。
【課題を解決するための手段】
【0007】
本発明に係るコンバインの特徴構成は、機体前部側に位置するとともに、エンジンを備えた原動部と、前記原動部の後方側に位置して脱穀後の穀粒を貯留する穀粒タンクと、前記エンジンの排ガス中に含まれる粒子状物質を低減する第1排ガス処理装置と、前記第1排ガス処理装置にて処理された後の排ガス中に含まれる窒素酸化物を低減する第2排ガス処理装置とを備え、前記第2排ガス処理装置が、前記穀粒タンクの前部下方に位置するとともに、平面視で前記穀粒タンクと重複する状態で配備されている点にある。
【0008】
本発明によれば、第2排ガス処理装置が、穀粒タンクの前部下方に位置するとともに、平面視で穀粒タンクと重複する状態で配備されているので、第2排ガス処理装置の上方側は穀粒タンクにて覆われる状態になる。その結果、収穫作業に伴ってワラ屑等の塵埃が飛散しても、第2排ガス処理装置の上方側の外表面に塵埃が堆積するおそれが少ないものとなる。
【0009】
コンバインでは、機体前部の運転部の下方にエンジンが搭載される場合が多いが、第2排ガス処理装置は穀粒タンクの前部下方に位置するので、機体前部に搭載されるエンジンに近い箇所に第2排ガス処理装置を備えることができる。
【0010】
ところで、刈取作業に伴って発生する塵埃が飛散して堆積することを回避するために、第2排ガス処理装置を機体後部側箇所に備えることが考えられる、しかし、このような構成では、エンジンから遠く離れることになり、排ガス通流経路が長くなる不利がある。しかし、本発明によれば、エンジンに近い箇所に第2排ガス処理装置を備えることができるので、第2排ガス処理装置を機体後部側箇所に設置する場合のように、排ガス通流経路が長くなることがない。その結果、排ガス通流経路を必要以上に長くすることなく、塵埃による悪影響を受けるおそれが少ないものとなる。
(【0011】以降は省略されています)
この特許をJ-PlatPat(特許庁公式サイト)で参照する
関連特許
株式会社クボタ
作業車
2か月前
株式会社クボタ
作業車
1か月前
株式会社クボタ
作業車
24日前
株式会社クボタ
作業機
1か月前
株式会社クボタ
作業車
1か月前
株式会社クボタ
作業車
1か月前
株式会社クボタ
作業車
1か月前
株式会社クボタ
作業車
1か月前
株式会社クボタ
作業車
1か月前
株式会社クボタ
作業車
1か月前
株式会社クボタ
作業車
22日前
株式会社クボタ
移植機
1か月前
株式会社クボタ
移植機
1か月前
株式会社クボタ
作業車
1か月前
株式会社クボタ
作業車
1か月前
株式会社クボタ
作業車
1か月前
株式会社クボタ
作業車
1か月前
株式会社クボタ
作業車
1か月前
株式会社クボタ
作業車
22日前
株式会社クボタ
作業車
1か月前
株式会社クボタ
作業車
1か月前
株式会社クボタ
作業機
16日前
株式会社クボタ
作業車
2か月前
株式会社クボタ
作業車
8日前
株式会社クボタ
作業車両
1か月前
株式会社クボタ
作業車両
1か月前
株式会社クボタ
作業車両
1か月前
株式会社クボタ
作業車両
1か月前
株式会社クボタ
作業車両
1か月前
株式会社クボタ
農業機械
8日前
株式会社クボタ
作業車両
22日前
株式会社クボタ
作業車両
22日前
株式会社クボタ
作業車両
1か月前
株式会社クボタ
多目的車両
1か月前
株式会社クボタ
多目的車両
1か月前
株式会社クボタ
ガスケット
1か月前
続きを見る
他の特許を見る