TOP
|
特許
|
意匠
|
商標
特許ウォッチ
Twitter
他の特許を見る
10個以上の画像は省略されています。
公開番号
2025164504
公報種別
公開特許公報(A)
公開日
2025-10-30
出願番号
2024068520
出願日
2024-04-19
発明の名称
画像形成装置、画像形成方法
出願人
コニカミノルタ株式会社
代理人
弁理士法人鷲田国際特許事務所
主分類
G03G
15/08 20060101AFI20251023BHJP(写真;映画;光波以外の波を使用する類似技術;電子写真;ホログラフイ)
要約
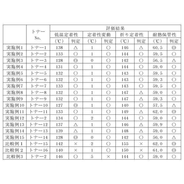
【課題】トナーの低温定着性を維持した画像形成装置を提供すること。
【解決手段】画像形成装置は、静電荷像現像用トナーを用いて画像を形成するための画像形成装置であって、静電荷像現像用トナーを収納し、電子写真感光体の表面に形成された静電潜像を現像してトナー画像を形成するための現像部と、静電荷像現像用トナーを冷却するための冷却部とを有し、静電荷像現像用トナーは、多価カルボン酸および多価アルコールとの重縮合体である非晶性ポリエステルを含有し、前記非晶性ポリエステルは全多価アルコール由来の構造単位100モル%に対してビスフェノールA誘導体由来の構造単位の含有量は、第1多価アルコール由来の構造単位100モル%に対して50モル%以下である。
【選択図】図2
特許請求の範囲
【請求項1】
静電荷像現像用トナーを用いて画像を形成するための画像形成装置であって、
前記静電荷像現像用トナーを収納し、電子写真感光体の表面に形成された静電潜像を現像してトナー画像を形成するための現像部と、
前記静電荷像現像用トナーを冷却するための冷却部とを有し、
前記静電荷像現像用トナーは、多価カルボン酸および多価アルコールとの重縮合体である非晶性ポリエステル樹脂を含有し、前記非晶性ポリエステル樹脂は全多価アルコール由来の構造単位100モル%に対してビスフェノールA誘導体由来の構造単位の含有率は、前記第1多価アルコール由来の構造単位100モル%に対して50モル%以下である、
画像形成装置。
続きを表示(約 820 文字)
【請求項2】
前記冷却部は、前記現像部を冷却する、請求項1に記載の画像形成装置。
【請求項3】
前記非晶性ポリエステル樹脂における前記ビスフェノールA誘導体由来の構造単位の含有量は、前記第1多価アルコール由来の構造単位100モル%に対して10モル%以上である、請求項1に記載の画像形成装置。
【請求項4】
前記非晶性ポリエステル樹脂における前記ビスフェノールA誘導体由来の構造単位の含有量は、前記第1多価アルコール由来の構造単位100モル%に対して20~40モル%以下の範囲内である、請求項1記載の画像形成装置。
【請求項5】
前記第1多価アルコールは、炭素数2以上6以下の脂肪族多価アルコールを含む、請求項1に記載の画像形成装置。
【請求項6】
前記第1多価アルコールは、エチレングリコールまたは1,3プロパンジオールを含む、請求項1に記載の画像形成装置。
【請求項7】
前記静電荷像現像用トナーは、結晶性ポリエステル樹脂をさらに有する、請求項1に記載の画像形成装置。
【請求項8】
前記静電荷像現像用トナーにおける前記結晶性ポリエステル樹脂の含有量は、2~30質量%の範囲内である、請求項7記載の画像形成装置。
【請求項9】
前記結晶性ポリエステル樹脂は、第2多価カルボン酸と、第2多価アルコールとの重縮合体であり、
前記第2多価アルコールは、脂肪族アルコールを含み、
前記第2多価カルボン酸の炭素数と、前記脂肪族アルコールの炭素数とは、いずれも2~12の範囲内である、
請求項7に記載の画像形成装置。
【請求項10】
前記冷却部は、エチレングリコールの水溶液で前記静電荷像現像用トナーを冷却する、請求項1に記載の画像形成装置。
(【請求項11】以降は省略されています)
発明の詳細な説明
【技術分野】
【0001】
本発明は、画像形成装置、画像形成方法に関する。
続きを表示(約 1,500 文字)
【背景技術】
【0002】
近年、電子写真方式の画像形成装置では、プリントスピードの高速化、環境負荷低減などを目的とした一層の省エネルギー化のため、結着樹脂の溶融温度や溶融粘度を下げて、より低い温度で定着できる静電荷像現像用トナー(以下、単に「トナー」ともいう。)が要求されている(例えば、特許文献1、2参照)。
【0003】
特許文献1には、結晶性ポリエステルを含む結着樹脂を有する電子写真用トナー(トナー)が記載されている。特許文献1に記載の電子写真用トナーは、結晶性樹脂である結晶性ポリエステルを含むことによる可塑化効果によって、低温定着性を発揮している。
【0004】
特許文献2には、結晶性樹脂である結晶性ポリエステルおよび非晶性樹脂を含む結着樹脂と、着色剤と、ワックスとを有するトナーが記載されている。特許文献2に記載のトナーの製造工程では、結晶性ポリエステルの融点よりも低い温度となるように加熱処理することで、相溶していた結晶性樹脂と非晶性樹脂の非相溶化を促進させている。これにより、トナーは、ガラス転移温度以上の温度で保管された場合でも低温定着性の悪化が抑制される。
【先行技術文献】
【特許文献】
【0005】
特開2001-222138号公報
特開2012-42508号公報
【発明の概要】
【発明が解決しようとする課題】
【0006】
しかしながら、特許文献1のトナーの製造工程では、所望の粒子径および所定の円形度にするため、融点以上に加熱され、コア樹脂と相溶した状態で製造される。コア樹脂と相溶した状態で出来上がったトナーが高温高湿下に保管されると、コアと結晶物質との非相溶化に伴い低温定着性が悪化することがある。また、結晶性樹脂を含んでいない非晶性樹脂のみで構成されたトナーにおいても、ガラス転移温度以下の温度で保管しても低温定着性が徐々に悪化することが知られている。このように、トナーの低温定着性については、検討の余地が残されている。
【0007】
本発明の目的は、トナーの低温定着性を維持した画像形成装置および画像形成方法を提供することである。
【課題を解決するための手段】
【0008】
本発明の一実施の形態に係る画像形成装置は、静電荷像現像用トナーを用いて画像を形成するための画像形成装置であって、静電荷像現像用トナーを収納し、電子写真感光体の表面に形成された静電潜像を現像してトナー画像を形成するための現像部と、静電荷像現像用トナーを冷却するための冷却部とを有し、静電荷像現像用トナーは、多価カルボン酸および多価アルコールとの重縮合体である非晶性ポリエステルを含有し、前記非晶性ポリエステルは全多価アルコール由来の構造単位100モル%に対してビスフェノールA誘導体由来の構造単位の含有量は、第1多価アルコール由来の構造単位100モル%に対して50モル%以下である。
【0009】
本発明の一実施の形態に係る画像形成方法は、上記の画像形成装置を用いた画像形成方法であって、前記静電荷像現像用トナーを電子写真感光体の表面に送る工程と、前記静電荷像現像用トナーを収納し、電子写真感光体の表面に形成された静電潜像を現像してトナー画像を形成する工程と、を有し、前記電子写真感光体の表面に送る工程では、前記冷却部により、前記静電荷像現像用トナーが冷却される。
【発明の効果】
【0010】
本発明によれば、トナーの低温定着性を維持した画像形成装置および画像形成方法を提供できる。
【図面の簡単な説明】
(【0011】以降は省略されています)
この特許をJ-PlatPat(特許庁公式サイト)で参照する
関連特許
コニカミノルタ株式会社
緩衝材
17日前
コニカミノルタ株式会社
光計測装置
4日前
コニカミノルタ株式会社
液滴吐出装置
12日前
コニカミノルタ株式会社
画像形成装置
10日前
コニカミノルタ株式会社
画像形成装置
18日前
コニカミノルタ株式会社
超音波診断装置
18日前
コニカミノルタ株式会社
画像形成システム
19日前
コニカミノルタ株式会社
放射線撮影システム
10日前
コニカミノルタ株式会社
放射線撮影システム
10日前
コニカミノルタ株式会社
画像読取装置及び画像形成システム
4日前
コニカミノルタ株式会社
用紙搬送装置及び画像形成システム
19日前
コニカミノルタ株式会社
抗菌剤塗布装置および画像形成装置
17日前
コニカミノルタ株式会社
トナー収容容器および画像形成装置
4日前
コニカミノルタ株式会社
開発システムおよび学習管理システム
17日前
コニカミノルタ株式会社
定着部材、定着装置および画像形成装置
18日前
コニカミノルタ株式会社
インクジェット記録装置及びプログラム
12日前
コニカミノルタ株式会社
仲介システム、仲介方法及びプログラム
17日前
コニカミノルタ株式会社
医療用検査装置、および医療用検査方法
17日前
コニカミノルタ株式会社
画像形成装置、制御方法及びプログラム
4日前
コニカミノルタ株式会社
動態画像解析装置、方法、及びプログラム。
10日前
コニカミノルタ株式会社
動態画像解析装置、方法、及びプログラム。
10日前
コニカミノルタ株式会社
ブラシ、ブラシの製造方法および画像形成装置
18日前
コニカミノルタ株式会社
ブラシ、ブラシの製造方法および画像形成装置
18日前
コニカミノルタ株式会社
プログラム、情報処理システム及び情報処理方法
10日前
コニカミノルタ株式会社
情報処理装置、情報表示システム及びプログラム
4日前
コニカミノルタ株式会社
インクジェットヘッド及びインクジェット記録装置
17日前
コニカミノルタ株式会社
断裁装置、画像形成システム及び断裁位置決定方法
4日前
コニカミノルタ株式会社
放射線画像処理装置及び放射線画像処理プログラム
10日前
コニカミノルタ株式会社
シート処理装置、画像形成システム、及び制御方法
19日前
コニカミノルタ株式会社
移動型放射線撮影装置、プログラム、及び動画撮影方法
17日前
コニカミノルタ株式会社
移動型放射線撮影装置、プログラム、及び動画撮影方法
17日前
コニカミノルタ株式会社
状態評価装置、状態評価方法、および状態評価プログラム
10日前
コニカミノルタ株式会社
色調整システム、色調整装置、色調整方法及びプログラム
10日前
コニカミノルタ株式会社
中綴じ処理機構および中綴じ処理機構を備えた画像形成装置
10日前
コニカミノルタ株式会社
画像形成装置
4日前
コニカミノルタ株式会社
検査装置、画像形成システム、異常検出方法およびプログラム
10日前
続きを見る
他の特許を見る