TOP
|
特許
|
意匠
|
商標
特許ウォッチ
Twitter
他の特許を見る
10個以上の画像は省略されています。
公開番号
2025161543
公報種別
公開特許公報(A)
公開日
2025-10-24
出願番号
2024064829
出願日
2024-04-12
発明の名称
量子コンピュータ制御装置、量子コンピュータ制御システムおよび量子コンピュータ制御方法
出願人
アンリツ株式会社
代理人
弁理士法人有我国際特許事務所
主分類
H04L
7/00 20060101AFI20251017BHJP(電気通信技術)
要約
【課題】クロック同期の精度と同程度まで時刻同期の精度を向上することができる量子コンピュータ制御装置を提供する。
【解決手段】量子ビットを制御するための制御装置100であって、時刻を示す時刻カウンタ160と、基準クロックを入力し、基準クロックに同期したクロックを制御装置内外の構成要素に分配するクロック分配器130と、基準トリガ信号を入力し、基準トリガ信号を基に時刻設定された時刻カウンタが示す時刻を基に、制御装置内外の構成要素にトリガ信号を分配するトリガ信号分配器140と、を備え、トリガ信号分配器は、クロックのタイミングで基準トリガ信号をサンプリングし、基準トリガ信号をサンプリングしたタイミングで時刻カウンタが示す時刻に基準トリガ信号のレイテンシを加えた時刻を時刻カウンタに設定する。
【選択図】図1
特許請求の範囲
【請求項1】
量子ビットを制御するための第1および第2の制御装置(100,200)を含む制御システム(2)であって、
前記第1の制御装置は、
時刻を示す第1の時刻カウンタ(160)と、
前記第1の制御装置内外の構成要素に第1のクロックを分配する第1のクロック分配器(130)と、
前記第1の時刻カウンタが示す時刻を基に、前記第1の制御装置内外の構成要素に第1のトリガ信号を分配する第1のトリガ信号分配器(140)と、を備え、
前記第2の制御装置は、
時刻を示す第2の時刻カウンタ(260)と、
前記第1のクロック分配器に接続され、前記第1のクロック分配器が分配する前記第1のクロックに同期した第2のクロックを前記第2の制御装置内の構成要素に分配する第2のクロック分配器(230)と、
前記第1のトリガ信号分配器に接続され、前記第1のトリガ信号分配器が分配する前記第1のトリガ信号を一定のレイテンシ後に受信するとともに、前記第2の時刻カウンタが示す時刻を基に、前記第2の制御装置内の構成要素に第2のトリガ信号を分配する第2のトリガ信号分配器(240)と、
を備え、
前記第2のトリガ信号分配器は、前記第2のクロックのタイミングで前記第1のトリガ信号をサンプリングし、前記第1のトリガ信号をサンプリングしたタイミングで前記第1の時刻カウンタが示す時刻に前記レイテンシを加えた時刻を前記第2の時刻カウンタに設定する、制御システム。
続きを表示(約 3,200 文字)
【請求項2】
量子ビットを制御するための第1および第2の制御装置(100,200)を含む制御システム(2)であって、
前記第1の制御装置は、
時刻を示す第1の時刻カウンタ(160)と、
前記第1の制御装置内外の構成要素に第1のクロックを分配する第1のクロック分配器(130)と、
前記第1の時刻カウンタが示す時刻を基に、前記第1の制御装置内外の構成要素に第1のトリガ信号を分配する第1のトリガ信号分配器(140)と、を備え、
前記第2の制御装置は、
時刻を示す第2の時刻カウンタ(260)と、
前記第1のクロック分配器に接続され、前記第1のクロック分配器が分配する前記第1のクロックに同期した第2のクロックを前記第2の制御装置内の構成要素に分配する第2のクロック分配器(230)と、
前記第1のトリガ信号分配器に接続され、前記第1のトリガ信号分配器が分配する前記第1のトリガ信号を一定のレイテンシ後に受信するとともに、前記第2の時刻カウンタが示す時刻を基に、前記第2の制御装置内の構成要素に第2のトリガ信号を分配する第2のトリガ信号分配器(240)と、
を備え、
前記第1のトリガ信号分配器は、前記第1のトリガ信号および第1のタイムスタンプを前記第2のトリガ信号分配器に送信し、
前記第2のトリガ信号分配器は、前記第2のクロックのタイミングで前記第1のトリガ信号をサンプリングし、前記第1のトリガ信号をサンプリングしたタイミングで前記第1のタイムスタンプに前記レイテンシを加えた第2のタイムスタンプを前記第2の時刻カウンタに設定する、制御システム。
【請求項3】
前記第1の制御装置は、前記第1のトリガ信号分配器から前記第2のトリガ信号分配器にトリガ信号を送信するのに要するレイテンシを測定するレイテンシ測定部(114)をさらに備える、請求項1または2に記載の制御システム。
【請求項4】
前記第1および第2の制御装置内の構成要素は、前記量子ビットを制御するための高周波無線信号を送信および受信するための第1および第2の送受信部(120,220)をそれぞれ含み、
前記第1および第2の送受信部はそれぞれ、ベースバンド信号を処理するベースバンド回路(50)と前記ベースバンド信号と高周波無線信号との変換を行うRF回路(60)とを備え、
前記ベースバンド回路は、前記ベースバンド信号をデジタルで処理するデジタル処理回路(52)と、前記ベースバンド信号をデジタル信号とアナログ信号との間で変換を行うデジタルアナログ変換回路(54)とを備え、
前記第1および第2のトリガ信号は、前記デジタルアナログ変換回路に送られ、デジタル信号とアナログ信号との間での変換のトリガとして用いられる、請求項1または2に記載の制御システム。
【請求項5】
前記第1および第2のトリガ信号分配器と前記デジタル処理回路とは、FPGAで構成される、請求項4に記載の測定システム。
【請求項6】
第1および第2の制御装置(100,200)を用いて量子ビットを制御する制御方法であって、
前記第1の制御装置において、
前記第1の制御装置内外の構成要素に第1のクロックを分配する第1のクロック分配ステップと、
前記第1の制御装置の時刻を基に、前記第1の制御装置内外の構成要素に第1のトリガ信号を分配する第1のトリガ信号分配ステップと、を備え、
前記第2の制御装置において、
前記第1のクロック分配ステップにて分配される前記第1のクロックに同期した第2のクロックを前記第2の制御装置内の構成要素に分配する第2のクロック分配ステップと、
前記第1のトリガ信号分配ステップにて分配される前記第1のトリガ信号を一定のレイテンシ後に受信するとともに、前記第2の制御装置の時刻を基に、前記第2の制御装置内の構成要素に第2のトリガ信号を分配する第2のトリガ信号分配ステップと、
を含み、
前記第2のトリガ信号分配ステップでは、前記第2のクロックのタイミングで前記第1のトリガ信号をサンプリングし、前記第1のトリガ信号をサンプリングしたタイミングで前記第1の制御装置の時刻に前記レイテンシを加えた時刻を前記第2の制御装置の時刻として設定する、制御方法。
【請求項7】
第1および第2の制御装置(100,200)を用いて量子ビットを制御する制御方法であって、
前記第1の制御装置において、
前記第1の制御装置内外の構成要素に第1のクロックを分配する第1のクロック分配ステップと、
前記第1の制御装置の時刻を基に、前記第1の制御装置内外の構成要素に第1のトリガ信号を分配する第1のトリガ信号分配ステップと、を備え、
前記第2の制御装置において、
前記第1のクロック分配ステップにて分配される前記第1のクロックに同期した第2のクロックを前記第2の制御装置内の構成要素に分配する第2のクロック分配ステップと、
前記第1のトリガ信号分配ステップにて分配される前記第1のトリガ信号を一定のレイテンシ後に受信するとともに、前記第2の制御装置の時刻を基に、前記第2の制御装置内の構成要素に第2のトリガ信号を分配する第2のトリガ信号分配ステップと、
を含み、
前記第1のトリガ信号分配ステップでは、前記第1のトリガ信号および第1のタイムスタンプを前記第2の制御装置に送信し、
前記第2のトリガ信号分配ステップでは、前記第2のクロックのタイミングで前記第1のトリガ信号をサンプリングし、前記第1のトリガ信号をサンプリングしたタイミングで前記第1のタイムスタンプに前記レイテンシを加えた第2のタイムスタンプを前記第2の制御装置の時刻として設定する、制御方法。
【請求項8】
量子ビットを制御するための制御装置(100)であって、
時刻を示す時刻カウンタ(160)と、
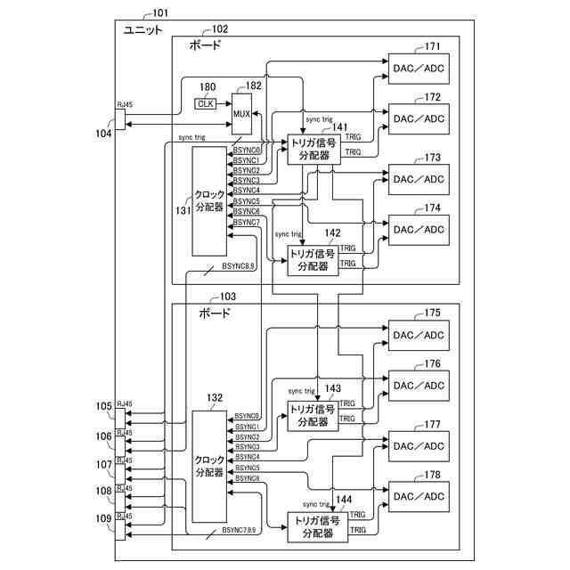
基準クロックを入力し、前記基準クロックに同期したクロックを前記制御装置内外の構成要素に分配するクロック分配器(130)と、
基準トリガ信号を入力し、前記基準トリガ信号を基に時刻設定された前記時刻カウンタが示す時刻を基に、前記制御装置内外の構成要素にトリガ信号を分配するトリガ信号分配器(140)と、を備え、
前記トリガ信号分配器は、前記クロックのタイミングで前記基準トリガ信号をサンプリングし、前記基準トリガ信号をサンプリングしたタイミングで前記時刻カウンタが示す時刻に前記基準トリガ信号のレイテンシを加えた時刻を前記時刻カウンタに設定することを特徴とする制御装置。
【請求項9】
量子ビットを制御するための制御装置(100)であって、
時刻を示す時刻カウンタ(160)と、
基準クロックを入力し、前記基準クロックに同期したクロックを前記制御装置内外の構成要素に分配するクロック分配器(130)と、
基準トリガ信号および基準タイムスタンプを入力し、前記基準トリガ信号および前記基準タイムスタンプを基に時刻設定された前記時刻カウンタが示す時刻を基に、前記制御装置内外の構成要素にトリガ信号およびタイムスタンプを分配するトリガ信号分配器(140)と、を備え、
前記トリガ信号分配器は、前記クロックのタイミングで前記基準トリガ信号をサンプリングし、前記基準トリガ信号をサンプリングしたタイミングで前記タイムスタンプに前記基準トリガ信号のレイテンシを加えたタイムスタンプを前記時刻カウンタに設定することを特徴とする制御装置。
発明の詳細な説明
【技術分野】
【0001】
本発明は、量子コンピュータ制御装置、量子コンピュータ制御システムおよび量子コンピュータ制御方法に関する。
続きを表示(約 2,100 文字)
【背景技術】
【0002】
量子コンピュータは、個別の量子ビットに対して、あるいは連携させた複数の量子ビットに対してゲート操作を順番に施すことによって計算を行うようになっている。このゲート操作を制御するために、量子コンピュータ制御装置が用いられている(例えば、特許文献1参照)。
【0003】
特許文献1には、ゲート操作を行うためにアナログ回路、発振回路、およびベースバンド回路を1台の制御装置内に納め、ベースバンド回路に対するアナログ回路と発振回路とを統合することで、制御装置のユーザビリティ、スケーラビリティ、ロバスト性を高めることが開示されている。
【0004】
現状では量子コンピュータが扱える量子ビット数は、数十程度であるが、今後は扱うことのできる量子ビット数の増加が見込まれている。量子コンピュータの大規模化に伴って、量子コンピュータ制御装置を複数台組み合わせて1台の量子コンピュータを制御する必要性が生まれている。
【先行技術文献】
【特許文献】
【0005】
特開2023-067604号公報
【発明の概要】
【発明が解決しようとする課題】
【0006】
量子コンピュータでは量子ビットに対してゲート操作を順番に施すことで計算を行うが、計算に必要な量子ビット数は、1台の制御装置で制御できる量子ビット数を上回ることもある。その場合には、複数台の制御装置を組み合わせて制御システムを構成し、1台の量子コンピュータを制御することになる。そのため、複数の制御装置からなる制御システムの全体としてゲート操作を行う時間を管理しなければならない。例えば、超伝導量子ビットのゲート操作時間は10nsから150ns程度であることから、制御装置および制御システムは少なくともnsよりも小さい単位で時刻同期を行う必要がある。
【0007】
しかしながら、時刻同期の方法として一般的に用いられているものでは、最も精度が良くても数μs程度であり、量子計算に求められる精度を満たしていないという課題がある。
【0008】
本発明は、上述のような課題を解決するためになされたものであって、クロック同期の精度と同程度まで時刻同期の精度を向上することができる量子コンピュータ制御装置、量子コンピュータ制御システムおよび量子コンピュータ制御方法を提供することを目的とする。
【課題を解決するための手段】
【0009】
本発明に係る量子コンピュータ制御システム(以下、制御システムともいう)は、上記目的達成のため、量子ビットを制御するための第1および第2の制御装置(100,200)を含む制御システム(2)であって、前記第1の制御装置は、時刻を示す第1の時刻カウンタ(160)と、前記第1の制御装置内外の構成要素に第1のクロックを分配する第1のクロック分配器(130)と、前記第1の時刻カウンタが示す時刻を基に、前記第1の制御装置内外の構成要素に第1のトリガ信号を分配する第1のトリガ信号分配器(140)と、を備え、前記第2の制御装置は、時刻を示す第2の時刻カウンタ(260)と、前記第1のクロック分配器に接続され、前記第1のクロック分配器が分配する前記第1のクロックに位相同期した第2のクロックを前記第2の制御装置内の構成要素に分配する第2のクロック分配器(230)と、前記第1のトリガ信号分配器に接続され、前記第1のトリガ信号分配器が分配する前記第1のトリガ信号を一定のレイテンシ後に受信するとともに、前記第2の時刻カウンタが示す時刻を基に、前記第2の制御装置内の構成要素に第2のトリガ信号を分配する第2のトリガ信号分配器(240)と、を備え、前記第2のトリガ信号分配器は、前記第2のクロックのタイミングで前記第1のトリガ信号をサンプリングし、前記第1のトリガ信号をサンプリングしたタイミングで前記第1の時刻カウンタが示す時刻に前記レイテンシを加えた時刻を前記第2の時刻カウンタに設定することを特徴とする。
【0010】
上述のように、本発明の制御システムは、第2のトリガ信号分配器が、第2のクロックのタイミングで第1のトリガ信号をサンプリングし、第1のトリガ信号をサンプリングしたタイミングで第1の時刻カウンタが示す時刻にレイテンシを加えた時刻を第2の時刻カウンタに設定するようになっている。第2のトリガ信号分配器が、第2のクロックのタイミングで第1のトリガ信号をサンプリングすることにより、レイテンシをナノ秒オーダー(~ns)に量子化することができる。さらに、第1のトリガ信号をサンプリングしたタイミングで第1の時刻カウンタが示す時刻にレイテンシを加えた時刻を第2の時刻カウンタに設定することにより、レイテンシ分の誤差を補正することができる。この構成により、クロック同期の精度と同程度まで時刻同期の精度を向上させることができる。
(【0011】以降は省略されています)
この特許をJ-PlatPat(特許庁公式サイト)で参照する
関連特許
アンリツ株式会社
物品検査装置
12日前
アンリツ株式会社
物品検査装置
28日前
アンリツ株式会社
X線検査装置
1か月前
アンリツ株式会社
物品検査装置
28日前
アンリツ株式会社
物品検査装置
14日前
アンリツ株式会社
測定装置とその測定方法
14日前
アンリツ株式会社
物品検査装置及びX線検査装置
1か月前
アンリツ株式会社
金属検出機及び金属検出システム
1か月前
アンリツ株式会社
誤り率測定装置及び誤り率測定方法
14日前
アンリツ株式会社
分光測定装置及びこれを備えた物品検査装置
5日前
アンリツ株式会社
分光測定装置及びこれを備えた物品検査装置
5日前
アンリツ株式会社
試験システム及び送信アンテナ相関推定方法
13日前
アンリツ株式会社
分光測定装置及びこれを備えた物品検査装置
28日前
アンリツ株式会社
分光測定装置及びこれを備えた物品検査装置
14日前
アンリツ株式会社
ネットワーク測定装置とその遅延時間補正方法
2か月前
アンリツ株式会社
検量線生成システム及び検量線生成システムの制御方法
5日前
アンリツ株式会社
検量線生成装置、検量線生成方法及び検量線生成プログラム
12日前
アンリツ株式会社
量子コンピュータ制御装置および量子コンピュータ制御方法
1か月前
アンリツ株式会社
検量線生成装置、検量線生成方法及び検量線生成プログラム
12日前
アンリツ株式会社
検量線生成装置、検量線生成方法及び検量線生成プログラム
5日前
アンリツ株式会社
分光器の校正装置、及びこれを備えた物品検査装置、並びに分光器の校正方法
5日前
アンリツ株式会社
検量線生成装置、検量線生成装置の制御方法及び検量線生成装置の制御プログラム
今日
アンリツ株式会社
量子コンピュータ制御装置、量子コンピュータ制御システムおよび量子コンピュータ制御方法
1か月前
個人
イヤーピース
1か月前
個人
イヤーマフ
1か月前
個人
監視カメラシステム
1か月前
キーコム株式会社
光伝送線路
1か月前
個人
スイッチシステム
1か月前
サクサ株式会社
中継装置
2か月前
個人
スキャン式車載用撮像装置
1か月前
WHISMR合同会社
収音装置
3か月前
サクサ株式会社
中継装置
2か月前
キヤノン株式会社
撮像装置
5日前
アイホン株式会社
電気機器
2か月前
キヤノン株式会社
撮像装置
12日前
キヤノン株式会社
撮像装置
5日前
続きを見る
他の特許を見る