TOP
|
特許
|
意匠
|
商標
特許ウォッチ
Twitter
他の特許を見る
公開番号
2025155436
公報種別
公開特許公報(A)
公開日
2025-10-14
出願番号
2024064281
出願日
2024-03-27
発明の名称
光伝送線路
出願人
キーコム株式会社
代理人
主分類
H04B
10/70 20130101AFI20251002BHJP(電気通信技術)
要約
【課題】低温で電子回路を動作させるとき、伝送路から流入する熱を低減させたい。
【解決手段】信号の伝送路を電子方式から、光方式に変える。
【選択図】図1
特許請求の範囲
【請求項1】
250K以上と150K以下の温度差間で光ファイバを用いて信号の送信受信を行う装置。
続きを表示(約 300 文字)
【請求項2】
250K以上と10K以下の温度差間で光ファイバを用いて信号の送信受信を行う装置。
【請求項3】
250K以上と10K以下の温度差間で光ファイバを用いて1GHzのアナログ信号を送信受信する量子コンピュータ。
【請求項4】
250K以上と10K以下の温度差間で、片端に電子信号から光信号への変換器そして他端に光信号から電子信号への変換器を有する光ファイバを用いて1GHz以上のアナログ信号を送信受信する請求項1、2、3の量子コンピュータ。
【請求項5】
送信に50本以上受信に50本以上の光ファイバを用いる請求項4の量子コンピュータ。
発明の詳細な説明
【技術分野】
【0001】
温度差間の有る間をアナログのマイクロ波を伝送する光伝送路
続きを表示(約 1,400 文字)
【発明の概要】
【発明が解決しようとする課題】
【0002】
超低温下で動作する量子コンピュータ用素子に多数のマイクロ波信号を、マイクロ波用伝送路を用いて常温から送り、またその結果を常温に戻すと、常温から超低温に多くの熱エネルギーを送り込んでしまい、超低温を維持できなくなる。
【課題を解決するための手段】
【0003】
マイクロ波用伝送路の代わりに、マイクロ波が伝送可能に工夫した光伝送路を用いる。なお、光伝送路はガラス製であり、金属製のマイクロ波伝送路よりも熱伝導度が低く、またマイクロ波伝送路よりも細いので、二重に熱伝導が小さくなる。
【 実施例】
【0004】
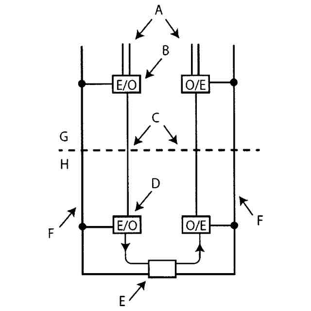
本実施例を図1に示した。
低温で動作する電子装置に常温からマイクロ波を入力して電子装置で信号処理する。その結果をまた常温に伝送する場合、伝送路に電子信号のマイクロ波を伝送できる同軸ケーブルを用いていた。同軸ケーブルは中心導体も外部導体も通常、銅を用いている。すると、常温から低温への熱流が多く、冷凍機の容量を大きくしなくてはならなかった。そこで、同軸ケーブルを光ファイバに換えた。光ファイバはガラス製であり、しかも細いので、熱流を同軸ケーブルの1/50以下に低減できた。
【 実施例】
【0005】
本実施例を図2に示した。
10mKで動作する量子コンピュータに常温から50本の同軸ケーブルで7GHzのアナログ信号を10mKの超低温下に有る量子コンピュータ素子に送った。なお、同軸ケーブルには0.86mm径の細いケーブルを用い、常温から4KまではCuNi(キュプロニッケル)製の熱伝導の低いケーブルを用いた。また、4K以下にはNbTi(ニオブチタン)製の超電導ケーブルを用いた。しかし、入力用に50本、そして出力用に50本の同軸ケーブルを用いたので、希釈冷凍機は現存する最大級のものを使わなくてはならなかった。
そこで、同軸ケーブルをアナログ信号が伝送できる光ファイバに変更したところ、熱流入を同軸ケーブルの場合の1/50に低減できた。
これによって、将来1、000bit信号を送ることになり、信号線路を1、000本にすることになっても、対応できる可能性が出てきた。
【産業上の利用可能性】
【0006】
量子コンピュータの現在のビット数は100程度であり実用化の1000bit以上には程遠い。しかし、光ファイバを用いると熱流入は1/50以下になり、しかも太さは断面積で1/5以下になる。すなわち、少なくとも信号線の数も250倍にできるので、将来の量子コンピュータの実用化に大きく貢献できる。
【図面の簡単な説明】
【0007】
温度差の有る間で、光ファイバを用いて信号の送信受信を行う装置
250K以上と10K以下の温度差間で光ファイバを用いて1GHz以上のアナログ信号を送信受信する量子コンピュータ
【符号の説明】
【0008】
A マイクロ波伝送路 B 電子信号から光信号への変換器 C 光伝送路
D 光信号から電子信号への変換器 E 電子装置 F 電源線 G 常温側
H 低温側 I 量子コンピュータ J 250K以上 K 10K以下
この特許をJ-PlatPat(特許庁公式サイト)で参照する
関連特許
キーコム株式会社
光伝送線路
24日前
キーコム株式会社
レーダエコーレベル校正システム
28日前
キーコム株式会社
コネクタ、コネクタ集合体、コネクタシステム及び伝送線路接続システム
1か月前
個人
イヤーピース
今日
個人
イヤーマフ
14日前
個人
監視カメラシステム
23日前
キーコム株式会社
光伝送線路
24日前
個人
スイッチシステム
8日前
サクサ株式会社
中継装置
29日前
WHISMR合同会社
収音装置
1か月前
個人
スキャン式車載用撮像装置
23日前
サクサ株式会社
中継装置
1か月前
キヤノン株式会社
撮像装置
2か月前
アイホン株式会社
電気機器
1か月前
個人
ワイヤレスイヤホン対応耳掛け
1か月前
サクサ株式会社
無線通信装置
29日前
個人
映像表示装置、及びARグラス
9日前
株式会社リコー
画像形成装置
16日前
株式会社リコー
画像形成装置
2か月前
キヤノン電子株式会社
画像読取装置
今日
ヤマハ株式会社
放音制御装置
8日前
サクサ株式会社
無線システム
28日前
サクサ株式会社
無線通信装置
29日前
キヤノン電子株式会社
画像読取装置
8日前
キヤノン電子株式会社
画像読取装置
1か月前
キヤノン電子株式会社
画像読取装置
22日前
株式会社リコー
画像形成装置
2か月前
キヤノン電子株式会社
シート搬送装置
今日
日本電気株式会社
海底分岐装置
24日前
キヤノン株式会社
画像処理装置
3日前
個人
発信機及び発信方法
28日前
キヤノン株式会社
撮像システム
1か月前
株式会社小糸製作所
画像照射装置
2か月前
沖電気工業株式会社
画像形成装置
1か月前
株式会社JVCケンウッド
通信システム
1か月前
パテントフレア株式会社
超高速電波通信
2か月前
続きを見る
他の特許を見る