TOP
|
特許
|
意匠
|
商標
特許ウォッチ
Twitter
他の特許を見る
10個以上の画像は省略されています。
公開番号
2025155132
公報種別
公開特許公報(A)
公開日
2025-10-14
出願番号
2024058636
出願日
2024-04-01
発明の名称
海底分岐装置
出願人
日本電気株式会社
代理人
個人
主分類
H04B
10/291 20130101AFI20251006BHJP(電気通信技術)
要約
【課題】互いに異なる2つのシステムのトランク間を相互接続し、互いに通信することができる海底分岐装置を提供する。
【解決手段】海底分岐装置であって、第1トランクと第2トランクとの間に互いに並列配置された2つの第1システム側トランクライン対L1、L2と、第3トランクと第4トランクとの間に互いに並列配置された2つの第2システム側トランクライン対L3、L4と、制御装置20からの制御に従い、前記第1システム側トランクライン対と前記第2システム側トランクライン対との間の接続状態を切り替える光スイッチ群10と、を備える。
【選択図】図1
特許請求の範囲
【請求項1】
第1トランクと第2トランクとの間に互いに並列配置された2つの第1システム側トランクライン対と、
第3トランクと第4トランクとの間に互いに並列配置された2つの第2システム側トランクライン対と、
制御装置からの制御に従い、前記第1システム側トランクライン対と前記第2システム側トランクライン対との間の接続状態を切り替える光スイッチ群と、を備える海底分岐装置。
続きを表示(約 2,400 文字)
【請求項2】
前記第1システム側トランクライン対は、第1システム側上りトランクライン及び第1システム側下りトランクラインを備え、
前記第2システム側トランクライン対は、第2システム側上りトランクライン及び第2システム側下りトランクラインを備え、
前記第1システム側上りトランクラインは、第1トランク側上りトランクライン、第1中間上りトランクライン、第2トランク側上りトランクライン、前記第1トランク側上りトランクラインと前記第1中間上りトランクライン又は前記光スイッチ群との間の接続に切り替える第1光スイッチ、前記第2トランク側上りトランクラインと前記第1中間上りトランクライン又は前記光スイッチ群との間の接続に切り替える第2光スイッチを備え、
前記第1システム側下りトランクラインは、第1トランク側下りトランクライン、第1中間下りトランクライン、第2トランク側下りトランクライン、前記第1トランク側下りトランクラインと前記第1中間下りトランクライン又は前記光スイッチ群との間の接続に切り替える第3光スイッチ、前記第2トランク側下りトランクラインと前記第1中間下りトランクライン又は前記光スイッチ群との間の接続に切り替える第4光スイッチを備え、
前記第2システム側上りトランクラインは、第3トランク側上りトランクライン、第2中間上りトランクライン、第4トランク側上りトランクライン、前記第3トランク側上りトランクラインと前記第2中間上りトランクライン又は前記光スイッチ群との間の接続に切り替える第5光スイッチ、前記第4トランク側上りトランクラインと前記第2中間上りトランクライン又は前記光スイッチ群との間の接続に切り替える第6光スイッチを備え、
前記第2システム側下りトランクラインは、第3トランク側下りトランクライン、第2中間下りトランクライン、第4トランク側下りトランクライン、前記第3トランク側下りトランクラインと前記第2中間下りトランクライン又は前記光スイッチ群との間の接続に切り替える第7光スイッチ、前記第4トランク側下りトランクラインと前記第2中間下りトランクライン又は前記光スイッチ群との間の接続に切り替える第8光スイッチを備え、
前記第1~第8光スイッチ及び前記光スイッチ群それぞれの切り替え状態に応じて前記第1トランク、前記第2トランク、前記第3トランク及び前記第4トランクのうち2つの間に上りトランクライン及び下りトランクラインが形成される請求項1に記載の海底分岐装置。
【請求項3】
前記第1トランクと前記第2トランクとの間に2つの上下パスが形成され、かつ、前記第3トランクと前記第4トランクとの間に2つの上下パスが形成されるように、前記第1~第8光スイッチは制御される請求項2に記載の海底分岐装置。
【請求項4】
前記第1トランクと前記第4トランクとの間に1つの上下パスが形成され、前記第1トランクと前記第2トランクとの間に1つの上下パスが形成され、前記第3トランクと前記第4トランクとの間に1つの上下パスが形成され、かつ、前記第3トランクと前記第2トランクとの間に1つの上下パスが形成されるように、前記第1~第8光スイッチ及び前記光スイッチ群は制御される請求項2に記載の海底分岐装置。
【請求項5】
前記第1トランクと前記第4トランクとの間に1つの上下パスが形成され、前記第1トランクと前記第2トランクとの間に1つの上下パスが形成され、前記第3トランクと前記第2トランクとの間に1つの上下パスが形成され、かつ、前記第3トランクと前記第4トランクとの間に1つの上下パスが形成されるように、前記第1~第8光スイッチ及び前記光スイッチ群は制御される請求項2に記載の海底分岐装置。
【請求項6】
前記第1トランクと前記第2トランクとの間に1つの上下パスが形成され、前記第1トランクと前記第4トランクとの間に1つの上下パスが形成され、前記第3トランクと前記第4トランクとの間に1つの上下パスが形成され、かつ、前記第3トランクと前記第2トランクとの間に1つの上下パスが形成されるように、前記第1~第8光スイッチ及び前記光スイッチ群は制御される請求項2に記載の海底分岐装置。
【請求項7】
前記第1トランクと前記第4トランクとの間に1つの上下パスが形成され、前記第1トランクと前記第2トランクとの間に1つの上下パスが形成され、前記第3トランクと前記第4トランクとの間に1つの上下パスが形成され、かつ、前記第4トランクと前記第2トランクとの間に1つの上下パスが形成されるように、前記第1~第8光スイッチ及び前記光スイッチ群は制御される請求項2に記載の海底分岐装置。
【請求項8】
前記第1トランクと前記第4トランクとの間に1つの上下パスが形成され、前記第1トランクと前記第3トランクとの間に1つの上下パスが形成され、かつ、前記第3トランクと前記第4トランクとの間に1つの上下パスが形成されるように、前記第1~第8光スイッチ及び前記光スイッチ群は制御される請求項2に記載の海底分岐装置。
【請求項9】
前記光スイッチ群は、互いに並列配置された第1光スイッチ群、第2光スイッチ群、第3光スイッチ群を備え、
前記第1~第4光スイッチは、前記第1光スイッチ群に接続されており、
前記第1光スイッチ群は、前記第2光スイッチ群に接続されており、
前記第2光スイッチ群は、前記第3光スイッチ群に接続されており、
前記第5~第8光スイッチは、前記第3光スイッチ群に接続されている請求項2に記載の海底分岐装置。
【請求項10】
前記第1~第8光スイッチ、前記第1光スイッチ群及び前記第2光スイッチ群は、それぞれ、1×2光スイッチである請求項9に記載の海底分岐装置。
発明の詳細な説明
【技術分野】
【0001】
本開示は、海底分岐装置に関する。
続きを表示(約 1,100 文字)
【背景技術】
【0002】
特許文献1には、トランク局とトランク局との間の光通信経路とトランク局とブランチ局との間の光通信経路とを単一システム内で切り替える海底分岐装置が開示されている。
【先行技術文献】
【特許文献】
【0003】
国際公開第2020/194842号
【発明の概要】
【発明が解決しようとする課題】
【0004】
しかしながら、特許文献1においては、互いに異なる2つのシステムのトランク間を相互接続し、互いに通信することができないという課題がある。
【0005】
本開示は、そのような課題を鑑みることによって、互いに異なる2つのシステムのトランク間を相互接続し、互いに通信することができる海底分岐装置を提供することを目的とする。
【課題を解決するための手段】
【0006】
本開示の第1の態様にかかる海底分岐装置は、第1トランクと第2トランクとの間に互いに並列配置された2つの第1システム側トランクライン対と、第3トランクと第4トランクとの間に互いに並列配置された2つの第2システム側トランクライン対と、制御装置からの制御に従い、前記第1システム側トランクライン対と前記第2システム側トランクライン対との間の接続状態を切り替える光スイッチ群と、を備える。
【発明の効果】
【0007】
本開示により、互いに異なる2つのシステムのトランク間を相互接続し、互いに通信することができる海底分岐装置を提供することができる。
【図面の簡単な説明】
【0008】
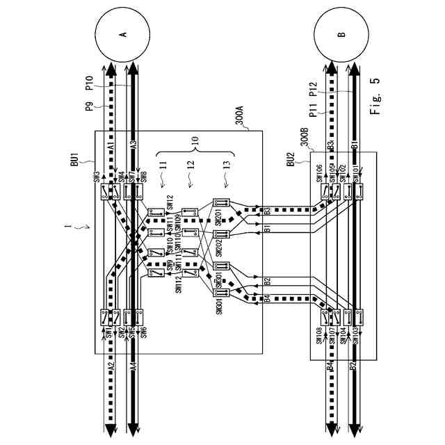
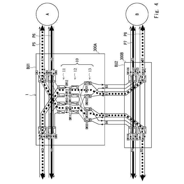
海底分岐装置1の一例を示す図である。
海底分岐装置1の一例を示す図である。
経路1を表す図である。
経路2を表す図である。
経路3を表す図である。
経路4を表す図である。
経路5を表す図である。
経路6を表す図である。
本実施形態に係るコンピュータ1000の構成の一例を示すブロック図である。
【発明を実施するための形態】
【0009】
以下では、本開示の実施形態について、図面を参照しながら詳細に説明する。各図面において、同一又は対応する要素には同一の符号が付されており、説明の明確化のため、必要に応じて重複説明は省略される。
【0010】
(第1の実施形態)
図1は、海底分岐装置1の一例を示す図である。
(【0011】以降は省略されています)
この特許をJ-PlatPat(特許庁公式サイト)で参照する
関連特許
日本電気株式会社
異常検知装置
17日前
日本電気株式会社
光モジュール
12日前
日本電気株式会社
推論装置および推論方法
4日前
日本電気株式会社
考査装置、考査方法、プログラム
5日前
日本電気株式会社
時刻維持装置および時刻維持方法
3日前
日本電気株式会社
考査装置、考査方法、プログラム
5日前
日本電気株式会社
交渉装置、交渉方法及びプログラム
12日前
日本電気株式会社
レコメンド装置およびレコメンド方法
19日前
日本電気株式会社
監視装置、監視方法、及びプログラム
2日前
日本電気株式会社
店舗端末、情報処理方法、及びプログラム
4日前
日本電気株式会社
情報処理装置、情報処理方法、プログラム
4日前
日本電気株式会社
処理システム、処理方法、およびプログラム
16日前
日本電気株式会社
健康管理装置、健康管理方法及びプログラム
12日前
日本電気株式会社
行動推奨装置、行動推奨方法及びプログラム
17日前
日本電気株式会社
処理システム、処理方法、およびプログラム
18日前
日本電気株式会社
合意判定装置、合意判定方法及びプログラム
10日前
日本電気株式会社
視聴支援装置、視聴支援方法及びプログラム
10日前
日本電気株式会社
経路選択装置、経路選択方法及びプログラム
2日前
日本電気株式会社
視線検出装置、視線検出方法、及びプログラム
16日前
日本電気株式会社
情報処理装置、情報処理方法、及びプログラム
3日前
日本電気株式会社
画像生成装置、画像生成方法、及びプログラム
10日前
日本電気株式会社
情報処理装置、情報処理方法、及びプログラム
3日前
日本電気株式会社
学習装置、利用装置、学習方法及びプログラム
2日前
日本電気株式会社
情報処理装置、情報処理方法、及びプログラム
3日前
日本電気株式会社
情報処理装置、分析方法、及び分析プログラム
10日前
日本電気株式会社
情報処理装置、情報処理方法、及びプログラム
16日前
日本電気株式会社
情報処理装置、情報処理方法、及びプログラム
10日前
日本電気株式会社
情報処理装置、情報処理方法、及びプログラム
16日前
日本電気株式会社
情報処理装置、情報処理方法、及びプログラム
3日前
日本電気株式会社
情報処理装置、情報処理方法、及びプログラム
3日前
日本電気株式会社
情報処理装置、情報処理方法、及びプログラム
3日前
日本電気株式会社
情報処理装置、情報処理方法、及びプログラム
3日前
日本電気株式会社
情報処理装置、情報処理方法、及びプログラム
3日前
日本電気株式会社
検査装置、判定装置、判定方法、及びプログラム
4日前
日本電気株式会社
情報出力システム、情報出力方法及びプログラム
3日前
日本電気株式会社
サーバ装置、サーバ装置の制御方法及びプログラム
4日前
続きを見る
他の特許を見る