TOP
|
特許
|
意匠
|
商標
特許ウォッチ
Twitter
他の特許を見る
10個以上の画像は省略されています。
公開番号
2025159892
公報種別
公開特許公報(A)
公開日
2025-10-22
出願番号
2024062732
出願日
2024-04-09
発明の名称
コンベアバッファシステム、コンベアバッファシステムの制御プログラム、コンベアバッファシステムの制御方法、情報処理装置及び仕分けシステム
出願人
株式会社東芝
代理人
弁理士法人酒井国際特許事務所
主分類
B65G
47/30 20060101AFI20251015BHJP(運搬;包装;貯蔵;薄板状または線条材料の取扱い)
要約
【課題】仕分けシステムにおいて、広いエリアを必要とせずに効率的でコスト効率の良い仕分け作業の自動化を実現すること。
【解決手段】実施形態に係るコンベアバッファシステムは、バッファコンベアと当該バッファコンベアを制御するサーバとを備える。サーバは、バッファコンベアに、複数の仕分け先に対応する複数のトレーから、少なくとも一つの優先仕分け先に対応するトレーを仕分けさせる。サーバは、バッファコンベアに、複数のトレーのうち、優先仕分け先以外の仕分け先に対応する前記トレーをバッファリングさせる。サーバは、バッファコンベアに、仕分けされた優先仕分け先に対応するトレーを後段へ出力させる。
【選択図】図8
特許請求の範囲
【請求項1】
バッファコンベアと前記バッファコンベアを制御するサーバとを備え、
前記サーバは、前記バッファコンベアに、
複数の仕分け先に対応する複数のトレーから、少なくとも一つの優先仕分け先に対応するトレーを仕分けさせ、
複数の前記トレーのうち、前記優先仕分け先以外の仕分け先に対応する前記トレーをバッファリングさせ、
仕分けされた前記優先仕分け先に対応する前記トレーを後段へ出力させる、
コンベアバッファシステム。
続きを表示(約 1,900 文字)
【請求項2】
前記サーバは、
複数の前記トレーのうち、少なくとも一つの前記優先仕分け先に対応する前記トレーが全て前記後段へ出力された後、新たな前記優先仕分け先を設定し、
前記バッファコンベアに、新たな前記優先仕分け先に対応するトレーを仕分けさせ、
前記バッファコンベアに、複数の前記トレーのうち、新たな前記優先仕分け先以外の仕分け先に対応する前記トレーをバッファリングさせ、
仕分けされた新たな前記優先仕分け先に対応する前記トレーを前記後段へ出力させる、
請求項1に記載のコンベアバッファシステム。
【請求項3】
前記バッファコンベアは、
複数の前記トレーを前記複数の仕分け先について順不同で入力し、前記トレーを双方向に移動可能な第1のコンベアと、
前記トレーを前記後段へ出力し、前記トレーを双方向に移動可能な第2のコンベアと、
前記第1のコンベアから前記第2のコンベアに前記トレーを移動可能な少なくとも一つの第3のコンベアと、
前記第2のコンベアから前記第1のコンベアに前記移動可能な少なくとも一つの第4のコンベアと、
を有し、
前記サーバは、前記第1のコンベア、前記第2のコンベア、前記第3のコンベア、前記第4のコンベアを制御して、前記優先仕分け先に対応する前記トレーを前記第2のコンベアに出力させ、前記優先仕分け先以外の仕分け先に対応する前記トレーを前記第3のコンベアにバッファリングさせる、
請求項1又は2に記載のコンベアバッファシステム。
【請求項4】
前記バッファコンベアは、少なくとも一つの前記第3のコンベアから前記第2のコンベアへの前記トレーの移動を停止するストッパを有し、
前記サーバは、前記ストッパを用いて少なくとも一つの前記第3のコンベアから前記第2のコンベアへの前記トレーの移動を制御する、
請求項3に記載のコンベアバッファシステム。
【請求項5】
コンベアバッファシステムが備えるコンピュータとしてのサーバに、
前記コンベアバッファシステムが備えるバッファコンベアが、複数の仕分け先に対応する複数のトレーから、少なくとも一つの優先仕分け先に対応するトレーを仕分けする機能と、
前記バッファコンベアが、複数の前記トレーのうち、前記優先仕分け先以外の仕分け先に対応する前記トレーをバッファリングする機能と、
前記バッファコンベアが、仕分けされた前記優先仕分け先に対応する前記トレーを後段へ出力する機能と、
を実現させるコンベアバッファシステムの制御プログラム。
【請求項6】
バッファコンベアと前記バッファコンベアを制御するサーバとを備えるコンベアバッファシステムの制御方法であって、
前記サーバが、前記バッファコンベアに、複数の仕分け先に対応する複数のトレーから、少なくとも一つの優先仕分け先に対応するトレーを仕分けさせ、
前記サーバが、前記バッファコンベアに、複数の前記トレーのうち、前記優先仕分け先以外の仕分け先に対応する前記トレーをバッファリングさせ、
前記バッファコンベアに、仕分けされた前記優先仕分け先に対応する前記トレーを後段へ出力させる、
制御方法。
【請求項7】
バッファコンベアと前記バッファコンベアを制御するサーバとを備えるコンベアバッファシステムに、
複数の仕分け先に対応する複数のトレーから、少なくとも一つの優先仕分け先に対応するトレーを仕分けさせ、
複数の前記トレーのうち、前記優先仕分け先以外の仕分け先に対応する前記トレーをバッファリングさせ、
仕分けされた前記優先仕分け先に対応する前記トレーを後段へ出力させる、
情報処理装置。
【請求項8】
コンベアバッファシステムと、パレタイズシステムとを少なくとも備える仕分けシステムであって、
前記コンベアバッファシステムは、
複数の仕分け先に対応する複数のトレーから、少なくとも一つの優先仕分け先に対応するトレーを仕分けし、
複数の前記トレーのうち、前記優先仕分け先以外の仕分け先に対応する前記トレーをバッファリングし、
仕分けされた前記優先仕分け先に対応する前記トレーを前記パレタイズシステムへ出力し、
前記パレタイズシステムは、前記コンベアバッファシステムから出力された前記トレーを、仕分けされた前記優先仕分け先に対応するトロリーにパレタイズする、
仕分けシステム。
発明の詳細な説明
【技術分野】
【0001】
本発明の実施形態は、コンベアバッファシステム、コンベアバッファシステムの制御プログラム、コンベアバッファシステムの制御方法、情報処理装置及び仕分けシステムに関する。
続きを表示(約 2,400 文字)
【背景技術】
【0002】
物流分野において物品を行先ごとに区分する仕分けシステムが利用されている。仕分けシステムでは、物品が格納された大量のトレーが行き先区分(方面)毎に分類されトロリーと呼ばれる台車に積載(パレタイズ)される。トレーが積載されたトロリーは、指定された方面に向けて輸送手段(例えばトラック等)によって配送される。
【先行技術文献】
【特許文献】
【0003】
特開2003-212314号公報
【発明の概要】
【発明が解決しようとする課題】
【0004】
従来の仕分けシステムでは、トレーを方面毎に分類して対応するトロリーにパレタイズする作業は、人為的に行われている。従って、大量のトレー(例えば8000個)を分類して多方面のトロリー(例えば400方面)に積み付けて仕分けする場合、方面数に対応した多数の作業員が必要となる。また、従来の仕分けシステムでは、仕分け先毎にトレーを分類し、同一仕分け先のトレーをまとめて溜め置くことで仕分け作業を効率化している。従って、仕分け作業や溜め置きのための大きなエリアが必要となり、倉庫等の多くの部分を占有してしまう場合がある。
【0005】
本開示が解決しようとする課題は、仕分けシステムにおいて、広いエリアを必要とせずに、コスト効率・処理性能の高い効率的な仕分け作業の自動化を実現することである。
【課題を解決するための手段】
【0006】
実施形態に係るコンベアバッファシステムは、バッファコンベアと前記バッファコンベアを制御するサーバとを備える。前記サーバは、前記バッファコンベアに、複数の仕分け先に対応する複数のトレーから、少なくとも一つの優先仕分け先に対応するトレーを仕分けさせる。前記サーバは、前記バッファコンベアに、複数の前記トレーのうち、前記優先仕分け先以外の仕分け先に対応する前記トレーをバッファリングさせる。前記サーバは、前記バッファコンベアに、仕分けされた前記優先仕分け先に対応する前記トレーを後段へ出力させる。
【図面の簡単な説明】
【0007】
図1は、実施形態に係る仕分けシステムの概略構成の一例を説明するための図である。
図2は、実施形態に係るコンベアバッファシステムが有するバッファコンベアの構成の一例を説明するための図である。
図3は、実施形態に係るバッファコンベアが有するストッパ機構の構成の一例を説明するための図である。
図4は、実施形態に係る仕分けシステムが有する情報処理系の構成の一例を説明するための図である。
図5は、実施形態に係る仕分けシステムが有するWES(Warehouse Execution System)の機能ブロックの一例を示した図である。
図6は、実施形態に係るコンベアバッファシステムの動作の一例を説明するための図である。
図7は、実施形態に係るコンベアバッファシステムの動作の一例を説明するための図である。
図8は、実施形態に係るコンベアバッファシステムの動作の一例を説明するための図である。
図9は、実施形態に係るコンベアバッファシステムの動作の一例を説明するための図である。
図10は、実施形態に係る仕分けシステムが実行する仕分け処理の概要の一例を示したフローチャートである。
図11は、実施形態に係る仕分けシステムが実行する仕分け処理の詳細の一例を示したフローチャートである。
図12は、実施形態に係る仕分けシステムが実行する仕分け処理の詳細の一例を示したフローチャートである。
図13は、実施形態に係る仕分けシステムが実行する仕分け処理の詳細の一例を示したフローチャートである。
【発明を実施するための形態】
【0008】
以下、図面を参照して、実施形態に係る情報処理装置、情報処理システム、情報処理プログラム及び情報処理方法について説明する。なお、同一の参照符号を付した部分は同様の動作をおこなうものとして、重複する説明を適宜省略する。以下の実施形態は開示の技術を限定するものではない。そして、各実施形態は、処理内容を矛盾させない範囲で適宜組み合わせることが可能である。
【0009】
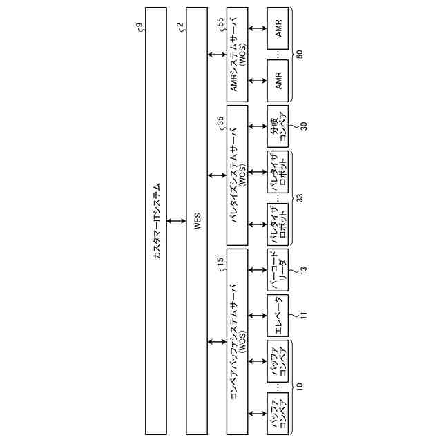
図1は、実施形態に係る仕分けシステムSの概略の一例を説明するための図である。仕分けシステムSは、コンベアバッファシステム1、パレタイズシステム3、AMR(Autonomous Mobile Robot)システム5を備える。なお、仕分けシステムSの具体的な導入対象としては、例えば、郵便配達業者、宅配輸送業者、物流業者等が想定される。
【0010】
図1に示した様に、仕分けシステムSにおいては、順不同で上流側から複数のトレーTxがコンベアバッファシステム1に入力される。コンベアバッファシステム1は、上流から入力されるトレーTxの仕分け(入れ替え)処理又はバッファリング処理を実行し、特定の方面(一方面でも複数方面でもよい)のトレーTxをパレタイズシステム3へ優先的に出力し、それ以外の方面のトレーTxをバッファリングする。パレタイズシステム3は、コンベアバッファシステム1から入力した特定の方面のトレーTxを、対応するトロリー6にパレタイズする。AMRシステム5は、パレタイズが完了した各トロリー6をAMR50によりトロリー配置エリア7まで移動させ、一時的に格納する。また、AMRシステム5は、パレタイズが完了した各トロリー6をAMR50によりトラック等の輸送手段への積載エリア(図示せず)まで移動させる。以下、コンベアバッファシステム1、パレタイズシステム3、AMRシステム5の具体的な構成について説明する。
(【0011】以降は省略されています)
この特許をJ-PlatPat(特許庁公式サイト)で参照する
関連特許
株式会社東芝
端子台
2日前
株式会社東芝
モータ
1か月前
株式会社東芝
電子装置
1か月前
株式会社東芝
電子装置
15日前
株式会社東芝
吸音装置
1か月前
株式会社東芝
電子回路
11日前
株式会社東芝
半導体装置
17日前
株式会社東芝
半導体装置
11日前
株式会社東芝
半導体装置
1か月前
株式会社東芝
半導体装置
18日前
株式会社東芝
半導体装置
15日前
株式会社東芝
半導体装置
11日前
株式会社東芝
真空バルブ
10日前
株式会社東芝
半導体装置
11日前
株式会社東芝
高周波回路
11日前
株式会社東芝
半導体装置
17日前
株式会社東芝
半導体装置
11日前
株式会社東芝
半導体装置
17日前
株式会社東芝
半導体装置
11日前
株式会社東芝
半導体装置
17日前
株式会社東芝
半導体装置
15日前
株式会社東芝
半導体装置
15日前
株式会社東芝
半導体装置
16日前
株式会社東芝
粒子加速器
1か月前
株式会社東芝
真空バルブ
16日前
株式会社東芝
半導体装置
17日前
株式会社東芝
超電導コイル
18日前
株式会社東芝
電子デバイス
1か月前
株式会社東芝
音響制御装置
29日前
株式会社東芝
補修システム
8日前
株式会社東芝
電子デバイス
1か月前
株式会社東芝
熱電変換装置
1か月前
株式会社東芝
電子デバイス
1か月前
株式会社東芝
コントローラ
11日前
株式会社東芝
重量測定装置
29日前
株式会社東芝
台車搬送装置
29日前
続きを見る
他の特許を見る