TOP
|
特許
|
意匠
|
商標
特許ウォッチ
Twitter
他の特許を見る
10個以上の画像は省略されています。
公開番号
2025156179
公報種別
公開特許公報(A)
公開日
2025-10-14
出願番号
2025053393
出願日
2025-03-27
発明の名称
超高強度吹付けコンクリート及びその吹付け方法
出願人
戸田建設株式会社
代理人
個人
主分類
E21D
11/10 20060101AFI20251002BHJP(地中もしくは岩石の削孔;採鉱)
要約
【課題】使用材料を変更することなく、掘削直後の地山の緩み防止が可能で、かつ長期的な荷重の増加や地山の変形に対応可能な強度を有する。
【解決手段】セメント及び水を含むコンクリート材料に液体急結剤及び粉体急結剤を添加してなる超高強度吹付けコンクリートであって、前記液体急結剤として水溶性アルミニウム塩系の液体急結剤を用いその添加量をセメント重量に対して4~6重量%とし、前記粉体急結剤としてカルシウムアルミネート系の粉体急結剤を用いその添加量をセメント重量に対して6重量%とし、水/セメント比を30~33%とする。
【選択図】図1
特許請求の範囲
【請求項1】
セメント及び水を含むコンクリート材料に液体急結剤及び粉体急結剤を添加してなる超高強度吹付けコンクリートであって、
前記液体急結剤として水溶性アルミニウム塩系の液体急結剤を用いその添加量をセメント重量に対して4~6重量%とし、前記粉体急結剤としてカルシウムアルミネート系の粉体急結剤を用いその添加量をセメント重量に対して6重量%とし、水/セメント比を30~33%としたことを特徴とする超高強度吹付けコンクリート。
続きを表示(約 620 文字)
【請求項2】
前記超高強度吹付けコンクリートの目標圧縮強度は、材齢3時間の設計基準強度が4N/mm
2
以上、材齢24時間の設計基準強度が18N/mm
2
以上、材齢28日の設計基準強度が54N/mm
2
以上である請求項1記載の超高強度吹付けコンクリート。
【請求項3】
前記液体急結剤の添加量及び前記粉体急結剤の添加量は、±10%の施工誤差を有する請求項1記載の超高強度吹付けコンクリート。
【請求項4】
トンネル掘削時の地山補強として、セメント及び水を含むコンクリート材料に液体急結剤及び粉体急結剤を添加してなる超高強度吹付けコンクリートを吹付ける吹付け方法であって、
前記液体急結剤として水溶性アルミニウム塩系の液体急結剤を用い、前記粉体急結剤としてカルシウムアルミネート系の粉体急結剤を用いる条件の下で、
設計基準強度として一般強度又は高強度が要求される地山では、前記液体急結剤の添加量をセメント重量に対して7~8重量%とし、前記粉体急結剤の添加量をセメント重量に対して5~4重量%とし、水/セメント比を34~60%として吹付けを行い、
設計基準強度として、超高強度が要求される地山に遭遇したならば、請求項1~3いずれかの記載の超高強度コンクリートを吹き付けるようにすることを特徴とする超高強度吹付けコンクリートの吹付け方法。
発明の詳細な説明
【技術分野】
【0001】
本発明は、トンネル覆工や法面防護工などにおいて、型枠を用いないで圧縮空気により高速噴射して施工面に吹き付ける吹付けコンクリートであって、従来の設計基準強度より高い強度が得られるようにした超高強度吹付けコンクリート及びその吹付け方法に関する。
続きを表示(約 1,800 文字)
【背景技術】
【0002】
一般的な吹付けコンクリートの設計基準強度は、普通強度の場合、材齢28日で18N/mm
2
に設定することが多かったが、トンネルの大断面化などに伴って高強度の品質が求められる場合は36N/mm
2
に設定する例も多くなっている。また、初期強度についても、通常は、普通強度の品質において材齢24時間(1日)で5N/mm
2
に設定され、高強度の品質において材齢24時間で10N/mm
2
、材齢3時間で2N/mm
2
に設定されていた。
【0003】
初期急結性を高め、高強度の吹付けコンクリートを得るための技術としては、下記特許文献1、2などを挙げることができる。下記特許文献1には、コンクリートの吹付け直前に液体急結剤を添加して吹付けを行う際、スラリー化しない粉体急結剤を液体急結剤と共にコンクリートに導入して吹き付けることにより、材齢28日強度を36N/mm
2
以上とした高強度吹付けコンクリートが開示されている。また、下記特許文献2には、急結剤を含有していないセメントコンクリート、液体急結剤、及びアルカリフリー粉体急結剤を含有してなる吹付け材料によって、初期強度(材齢3時間)が最大2.9N/mm
2
となる高強度吹付けコンクリートが開示されている。
【先行技術文献】
【特許文献】
【0004】
特開2001-159239号公報
特開2002-226247号公報
【発明の概要】
【発明が解決しようとする課題】
【0005】
しかしながら、例えばトンネル掘削時において、地山の持つ強度が小さい地質条件などの場合、より高度な早強性や支保効果が求められる場合がある。すなわち、掘削直後の地山の緩みを防止するとともに、長期的な荷重の増加や地山の変形に対しても耐力が向上できることが望まれていた。
【0006】
また、吹付けコンクリートの強度を高くする場合、セメント種類の変更や混和剤の添加を行う場合があるが、プラント設備によっては使用材料を変更することが難しい場合がある。
【0007】
そこで本発明の主たる課題は、使用材料を変更することなく、掘削直後の地山の緩み防止が可能で、かつ長期的な荷重の増加や地山の変形に対応可能な強度を有する超高強度吹付けコンクリート及びその吹付け方法を提供することにある。
【課題を解決するための手段】
【0008】
前記課題を解決するために請求項1に係る本発明として、セメント及び水を含むコンクリート材料に液体急結剤及び粉体急結剤を添加してなる超高強度吹付けコンクリートであって、
前記液体急結剤として水溶性アルミニウム塩系の液体急結剤を用いその添加量をセメント重量に対して4~6重量%とし、前記粉体急結剤としてカルシウムアルミネート系の粉体急結剤を用いその添加量をセメント重量に対して6重量%とし、水/セメント比を30~33%としたことを特徴とする超高強度吹付けコンクリートが提供される。
【0009】
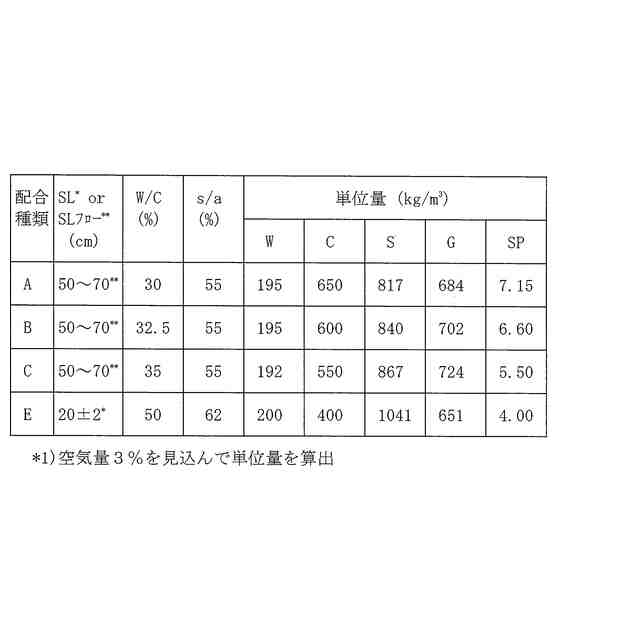
上記請求項1記載の発明では、液体急結剤として水溶性アルミニウム塩系の液体急結剤を用いその添加量をC×4~6重量%とし、粉体急結剤としてカルシウムアルミネート系の粉体急結剤を用いその添加量をC×6重量%とした条件の下で、水/セメント比を30~33%と通常に比べて大幅に低減することによって、後段で詳述する試験結果から明らかなように、初期強度(材齢3時間、材齢24時間)及び材齢28日強度が設計基準強度を満足し、使用材料を変更することなく、掘削直後の地山の緩み防止ができるとともに、長期的な荷重の増加や地山の変形にも対応できるようになる。
【0010】
請求項2に係る本発明として、前記超高強度吹付けコンクリートの目標圧縮強度は、材齢3時間の設計基準強度が4N/mm
2
以上、材齢24時間の設計基準強度が18N/mm
2
以上、材齢28日の設計基準強度が54N/mm
2
以上である請求項1記載の超高強度吹付けコンクリートが提供される。
(【0011】以降は省略されています)
この特許をJ-PlatPat(特許庁公式サイト)で参照する
関連特許
戸田建設株式会社
天井構造
1か月前
戸田建設株式会社
設計方法
1か月前
戸田建設株式会社
凍結破砕管
1か月前
戸田建設株式会社
柱設置方法
1か月前
戸田建設株式会社
コンクリート構造
22日前
戸田建設株式会社
照明制御システム
1か月前
戸田建設株式会社
議事録作成システム
1か月前
戸田建設株式会社
基礎フーチング設計方法
1か月前
戸田建設株式会社
鋼製ブラケットの取付装置
22日前
戸田建設株式会社
建物改修方法及び雑壁構造
1か月前
戸田建設株式会社
鋼製ブラケットの取付装置
22日前
戸田建設株式会社
身体冷却装置及び身体冷却服
1か月前
戸田建設株式会社
杭基礎形成方法及びアタッチメント
1か月前
戸田建設株式会社
植栽選定システム及び植栽選定方法
1か月前
戸田建設株式会社
高炉スラグ微粉末を主材とした充填材
1か月前
戸田建設株式会社
バイブロハンマ及びこれを用いた杭の引抜方法
1か月前
戸田建設株式会社
情報処理方法、プログラムおよび情報処理装置
1か月前
戸田建設株式会社
情報処理方法、プログラムおよび情報処理装置
1か月前
戸田建設株式会社
情報処理方法、プログラムおよび情報処理装置
1か月前
戸田建設株式会社
超高強度吹付けコンクリート及びその吹付け方法
1か月前
戸田建設株式会社
排水窓付型枠及びそれを用いたコンクリートの打設方法
1か月前
戸田建設株式会社
形鋼と鉄筋からなる主鋼材の建込み構造及び建込み方法
22日前
戸田建設株式会社
仮想輸送経路の提案方法及び仮想輸送経路の提案システム
1か月前
戸田建設株式会社
仮想輸送経路の提案方法及び仮想輸送経路の提案システム
1か月前
戸田建設株式会社
杭と柱梁仕口組立体の接合方法及び杭と柱梁仕口組立体の接合構造
1か月前
戸田建設株式会社
学習済みモデル、情報処理装置、情報処理方法、情報処理プログラム
1か月前
戸田建設株式会社
報知送受信装置、報知システム、消火器スタンド、報知送信装置、及び報知受信装置
1か月前
個人
掘削機
5か月前
日特建設株式会社
切断装置
27日前
株式会社奥村組
地山探査装置
3か月前
株式会社奥村組
地山探査装置
3か月前
株式会社奥村組
地山探査装置
3か月前
株式会社奥村組
地山探査方法
3か月前
株式会社奥村組
シールド掘進機
5か月前
株式会社奥村組
シールド掘進機
8か月前
株式会社奥村組
シールド掘進機
1か月前
続きを見る
他の特許を見る