TOP
|
特許
|
意匠
|
商標
特許ウォッチ
Twitter
他の特許を見る
公開番号
2025155848
公報種別
公開特許公報(A)
公開日
2025-10-14
出願番号
2025013265
出願日
2025-01-29
発明の名称
構造部材
出願人
TOTO株式会社
代理人
個人
,
個人
,
個人
,
個人
主分類
C04B
41/87 20060101AFI20251002BHJP(セメント;コンクリート;人造石;セラミックス;耐火物)
要約
【課題】耐パーティクル性に優れた保護膜を備えた構造部材、を提供する。
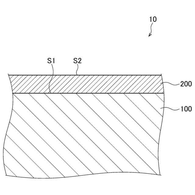
【解決手段】構造部材10は、基材100と、基材100の表面S1を覆う保護膜200と、を備える。基材100の表面S1の粗さが、平均長さRSmにおいて70μm以上となる粗さである。
【選択図】図2
特許請求の範囲
【請求項1】
基材と、
前記基材の表面を覆う保護膜と、を備え、
前記表面の粗さが、平均長さRSmにおいて70μm以上となる粗さであることを特徴とする構造部材。
続きを表示(約 350 文字)
【請求項2】
前記表面の粗さが、二乗平均平方根傾斜Rdqにおいて15μm以下となる粗さであることを特徴とする、請求項1に記載の構造部材。
【請求項3】
前記表面の粗さが、算術平均粗さRaにおいて0.1μmを超える粗さであることを特徴とする、請求項1または2に記載の構造部材。
【請求項4】
前記基材が酸化アルミニウムを含む材料により形成されていることを特徴とする、請求項1に記載の構造部材。
【請求項5】
前記保護膜が酸化イットリウムを含む材料により形成されていることを特徴とする、請求項1に記載の構造部材。
【請求項6】
前記保護膜がエアロゾルデポジション法により形成されていることを特徴とする、請求項1に記載の構造部材。
発明の詳細な説明
【技術分野】
【0001】
本発明は構造部材に関する。
続きを表示(約 1,500 文字)
【背景技術】
【0002】
基材の表面に保護膜を有する構造部材は、半導体製造装置等の様々な分野で用いられる。例えばプラズマエッチング装置においては、チャンバーの内壁を構成する基材の表面に、基材をプラズマから保護するための保護膜が形成されている。このような保護膜としては、例えば、酸化イットリウム(イットリア)のような酸化物セラミックス等が用いられる。
【0003】
保護膜がプラズマに曝されると、劣化した保護膜の一部が大きなパーティクルとなって飛散し、半導体製造プロセスに悪影響を及ぼしてしまうことがある。このような現象が生じにくい保護膜のことを、以下では、「耐パーティクル性に優れた保護膜」のように表記する。例えば、プラズマに曝されても劣化が生じにくい保護膜や、劣化が生じても、プロセスにおいて問題とならない程度に微小なパーティクルとなって飛散するような保護膜(つまり、大きなパーティクルとはなりにくい保護膜)は、いずれも「耐パーティクル性に優れた保護膜」、ということになる。
【0004】
基材の表面に保護膜を形成する方法としては、例えばPVDやCVD等、様々な成膜方法を採用することができる。近年では、エアロゾルデポジション法による成膜も行われるようになってきた。エアロゾルデポジション法をはじめとする複数の成膜方法により、微細な結晶粒子によって構成された緻密で耐パーティクル性に優れた保護膜の形成が実現されている。緻密で耐パーティクル性に優れた保護膜の形成には、従来の製法と比較して長い成膜時間を要する一方、こうした保護膜では比較的厚さが薄い場合でも一定の寿命を得ることができる。したがって、保護膜の厚さを比較的薄くする検討もなされている。膜厚が薄い場合には、保護膜表面の形状は、基材の表面の形状の影響をより強く受けることになる。
【先行技術文献】
【特許文献】
【0005】
特開2008-160097号公報
特開2020-050536号公報
【発明の概要】
【発明が解決しようとする課題】
【0006】
パーティクルの発生を抑制するために、保護膜表面の凹凸を除去し、算術平均粗さRa等を小さくすることがなされている。また、保護膜の剥離抑制や緻密な保護膜を得るためにも、保護膜が形成された基材の表面は、算術平均粗さRaにおいて0.1μm以下程度の平滑な面とする必要があると考えられていた。
【0007】
本発明者らは、保護膜が形成された基材の表面について、その高さ方向の指標である算術平均粗さRaではなく、平面方向の指標を制御することで、耐パーティクル性に優れた構造部材が得られることを見出した。本発明の目的は、耐パーティクル性に優れた保護膜を備えた構造部材、を提供することにある。
【課題を解決するための手段】
【0008】
上記課題を解決するために、本発明に係る構造部材は、基材と、基材の表面を覆う保護膜と、を備える。この構造部材では、基材の表面の粗さが、平均長さRSmにおいて70μm以上となる粗さである。
【0009】
本発明者らが行った実験によれば、基材の表面を、平均長さRSmにおいて70μm以上とすることで、例えば基材の表面の算術平均粗さRaが0.1μmよりも大きい場合であっても耐パーティクル性に優れた保護膜を備えた構造部材を得ることが可能となる。
【発明の効果】
【0010】
本発明によれば、耐パーティクル性に優れた保護膜を備えた構造部材、を提供することができる。
【図面の簡単な説明】
(【0011】以降は省略されています)
この特許をJ-PlatPat(特許庁公式サイト)で参照する
関連特許
TOTO株式会社
洗面器
1か月前
TOTO株式会社
洗面器
1か月前
TOTO株式会社
水栓装置
1か月前
TOTO株式会社
構造部材
28日前
TOTO株式会社
吐水装置
28日前
TOTO株式会社
吐水装置
28日前
TOTO株式会社
吐水装置
28日前
TOTO株式会社
構造部材
28日前
TOTO株式会社
構造部材
23日前
TOTO株式会社
構造部材
23日前
TOTO株式会社
水栓装置
1か月前
TOTO株式会社
水洗大便器
27日前
TOTO株式会社
水洗大便器
27日前
TOTO株式会社
水洗大便器
27日前
TOTO株式会社
水洗大便器
27日前
TOTO株式会社
トイレ装置
1か月前
TOTO株式会社
トイレ装置
1か月前
TOTO株式会社
水まわり部材
28日前
TOTO株式会社
静電チャック
1か月前
TOTO株式会社
静電チャック
1か月前
TOTO株式会社
浴室システム
1日前
TOTO株式会社
静電チャック
1か月前
TOTO株式会社
水まわり部材
28日前
TOTO株式会社
静電チャック
1か月前
TOTO株式会社
静電チャック
1か月前
TOTO株式会社
静電チャック
1か月前
TOTO株式会社
静電チャック
1か月前
TOTO株式会社
静電チャック
1か月前
TOTO株式会社
静電チャック
1か月前
TOTO株式会社
排水システム
28日前
TOTO株式会社
浴室システム
1か月前
TOTO株式会社
浴室システム
1か月前
TOTO株式会社
排水システム
28日前
TOTO株式会社
浴室システム
1日前
TOTO株式会社
浴室システム
8日前
TOTO株式会社
静電チャック
1か月前
続きを見る
他の特許を見る