TOP
|
特許
|
意匠
|
商標
特許ウォッチ
Twitter
他の特許を見る
公開番号
2025155095
公報種別
公開特許公報(A)
公開日
2025-10-14
出願番号
2024058479
出願日
2024-04-01
発明の名称
ガスタービン制御装置、ガスタービン制御方法、及び、ガスタービン制御プログラム
出願人
三菱重工業株式会社
代理人
SSIP弁理士法人
主分類
F02C
9/32 20060101AFI20251006BHJP(燃焼機関;熱ガスまたは燃焼生成物を利用する機関設備)
要約
【課題】系統周波数の変動時に、ガスタービンの燃焼状態を好適に維持しながら、良好な応答性で系統周波数の変動に対する補償制御を実施する。
【解決手段】本願は、電力系統に電気的に接続された発電機に連結されたタービンを有するガスタービンを制御するためのガスタービン制御装置に関する。ガスタービン制御装置は、タービンの回転数が電力系統の系統周波数に対応する目標回転数になるように、燃料供給系統に設けられた流量調整弁の開度を調整するとともに、燃焼器における燃空比が許容範囲になるように、圧縮機の入口案内翼の開度を制御する。燃料流量指令は、系統周波数が上昇した際に、燃料流量指令が第1変化率で減少させた後、第1変化率より小さい第2変化率で減少するように制御される。
【選択図】図6
特許請求の範囲
【請求項1】
燃料供給系統から供給される燃料と、圧縮機で生成された圧縮空気とを混合燃焼することにより燃焼ガスを生成可能な燃焼器と、
前記燃焼ガスによって駆動可能なタービンと、
前記タービンに連結され、電力系統に電気的に接続された発電機と、
を備える、ガスタービンを制御するためのガスタービン制御装置であって、
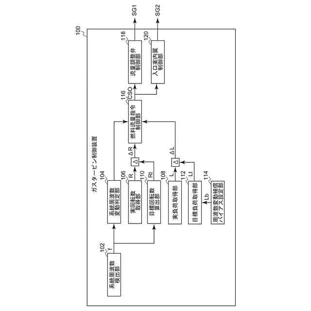
前記タービンの回転数が前記電力系統の系統周波数に対応する目標回転数になるように、前記燃料供給系統に設けられた流量調整弁の開度を調整するための燃料流量指令を制御するための燃料流量指令制御部と、
前記燃焼器における燃空比が許容範囲になるように、前記圧縮機の入口案内翼の開度を制御するための入口案内翼制御部と、
を備え、
前記燃料流量指令制御部は、前記系統周波数が上昇した際に、前記燃料流量指令が第1変化率で減少させた後、前記第1変化率より小さい第2変化率で減少するように前記燃料流量指令を制御する、ガスタービン制御装置。
続きを表示(約 1,400 文字)
【請求項2】
前記燃料流量指令制御部は、前記燃料流量指令が前記第1変化率で減少した際の前記燃空比が前記許容範囲の最大値に収まるように、前記第1変化率による前記燃料流量指令の減少量を設定する、請求項1に記載のガスタービン制御装置。
【請求項3】
前記燃料流量指令制御部は、前記燃料流量指令を前記第1変化率で減少した後、前記第2変化率で減少を開始するまでの間、前記燃料流量指令を一定に維持する、請求項1又は2に記載のガスタービン制御装置。
【請求項4】
前記燃料流量指令制御部は、前記燃料流量指令が前記第1変化率で減少した後、予め設定された所定期間が経過した後、前記燃料流量指令の前記第2変化率での減少を開始するように前記燃料流量指令を制御する、請求項1又は2に記載のガスタービン制御装置。
【請求項5】
前記燃料流量指令制御部は、前記燃料流量指令が前記第1変化率で減少した後、前記タービンの負荷と目標負荷との偏差が閾値以下になった場合に、前記燃料流量指令の前記第2変化率での減少を開始するように前記燃料流量指令を制御する、請求項1又は2に記載のガスタービン制御装置。
【請求項6】
前記許容範囲は、前記燃焼器において失火又は燃焼振動が生じない範囲として規定される、請求項1又は2に記載のガスタービン制御装置。
【請求項7】
燃料供給系統から供給される燃料と、圧縮機で生成された圧縮空気とを混合燃焼することにより燃焼ガスを生成可能な燃焼器と、
前記燃焼ガスによって駆動可能なタービンと、
前記タービンに連結され、電力系統に電気的に接続された発電機と、
を備える、ガスタービンを制御するためのガスタービン制御方法であって、
前記タービンの回転数が前記電力系統の系統周波数に対応する目標回転数になるように、前記燃料供給系統に設けられた流量調整弁の開度を調整するための燃料流量指令を制御する工程と、
前記燃焼器における燃空比が許容範囲になるように、前記圧縮機の入口案内翼の開度を制御する工程と、
を備え、
前記燃料流量指令は、前記系統周波数が上昇した際に、前記燃料流量指令が第1変化率で減少させた後、前記第1変化率より小さい第2変化率で減少するように制御される、ガスタービン制御方法。
【請求項8】
燃料供給系統から供給される燃料と、圧縮機で生成された圧縮空気とを混合燃焼することにより燃焼ガスを生成可能な燃焼器と、
前記燃焼ガスによって駆動可能なタービンと、
前記タービンに連結され、電力系統に電気的に接続された発電機と、
を備える、ガスタービンを制御するためのガスタービン制御プログラムであって、
コンピュータ装置に、
前記タービンの回転数が前記電力系統の系統周波数に対応する目標回転数になるように、前記燃料供給系統に設けられた流量調整弁の開度を調整するための燃料流量指令を制御する工程と、
前記燃焼器における燃空比が許容範囲になるように、前記圧縮機の入口案内翼の開度を制御する工程と、
を実行可能であり、
前記燃料流量指令は、前記系統周波数が上昇した際に、前記燃料流量指令が第1変化率で減少させた後、前記第1変化率より小さい第2変化率で減少するように制御される、ガスタービン制御プログラム。
発明の詳細な説明
【技術分野】
【0001】
本開示は、ガスタービン制御装置、ガスタービン制御方法、及び、ガスタービン制御プログラムに関する。
続きを表示(約 2,400 文字)
【背景技術】
【0002】
動力源としてガスタービンを利用した発電設備が知られている。この種の発電設備では、燃料供給系統から供給される燃料と、圧縮機で生成した圧縮空気とを混合燃焼することで生成した燃焼ガスを用いてタービンを駆動することにより、タービンに連結された発電機によって発電が行われる。発電機は、所定の系統周波数を有する電力系統に対して電気的に接続されることにより、電力系統への給電が可能である。
【0003】
このように電力系統に電気的に接続された発電設備では、タービンの回転数が系統周波数に対応する目標回転数に維持されるように、いわゆるガバナフリー運転が実施される。ガバナフリー運転では、例えば、何らかの要因によって系統周波数が上昇するように変動した場合、燃料供給量を減少させることでタービン回転数を低下させることにより、給電先である電力系統の系統周波数の変動を抑制するように補償制御が実施される。このときガスタービンの燃焼状態を好適に維持するためには、燃焼器に供給される燃料と圧縮空気との比(燃空比)を適切に調整する必要がある。例えば、燃料供給系統からの燃料供給量を減少させた場合には、これに応じて圧縮機からの圧縮空気の供給量も減少させることで、適切な燃空比を維持することができる。
【0004】
燃料供給系統による燃料供給量の調整は、燃料供給系統に設けられた流量調整弁の開閉操作によって行われる。一方で圧縮機からの圧縮空気の供給量の調整は、圧縮機に設けられた入口案内翼(IGV:Inlet Guide Vane)の開度調整によって行われる。ここで系統周波数の変動が急激である場合、入口案内弁の開閉操作には機械的な制約(例えば圧縮機におけるサージング防止)があることから、圧縮空気の供給量の調整速度には限界がある。そのため、圧縮空気の供給量調整が流量調整弁による燃料供給量の調整に対して遅延することにより、燃空比が許容範囲から逸脱し、ガスタービンに失火あるいは燃焼振動等が発生するおそれがある。
【0005】
このような課題に対して、特許文献1では、系統周波数の変動時に、入力される系統周波数の信号変化率を制限することにより、当該制限された信号変化率に基づいて燃料供給系統に対する燃料流量指令を調整する。これにより、系統周波数の変動時における燃料流量指令の変化率を遅らせることで、圧縮空気の供給量の変化との時間差を短縮し、ガスタービンの燃焼状態を安定化できるとされている。
【先行技術文献】
【特許文献】
【0006】
特開2003-239763号公報
【発明の概要】
【発明が解決しようとする課題】
【0007】
しかしながら上記特許文献1では、系統周波数の変動時に、燃料流量指令の変化率を小さくしているため、ガスタービンの負荷が目標負荷に安定化するまでに時間を要してしまう。そのため系統周波数の変動に対する補償制御の応答性が低下してしまう。
【0008】
本開示の少なくとも一実施形態は上述の事情に鑑みなされたものであり、系統周波数の変動時に、ガスタービンの燃焼状態を好適に維持しながら、良好な応答性で系統周波数の変動に対する補償制御を実施可能なガスタービン制御装置、ガスタービン制御方法、及び、ガスタービン制御プログラムを提供することを目的とする。
【課題を解決するための手段】
【0009】
本開示の少なくとも一実施形態に係るガスタービン制御装置は、上記課題を解決するために、
燃料供給系統から供給される燃料と、圧縮機で生成された圧縮空気とを混合燃焼することにより燃焼ガスを生成可能な燃焼器と、
前記燃焼ガスによって駆動可能なタービンと、
前記タービンに連結され、電力系統に電気的に接続された発電機と、
を備える、ガスタービンを制御するためのガスタービン制御装置であって、
前記タービンの回転数が前記電力系統の系統周波数に対応する目標回転数になるように、前記燃料供給系統に設けられた流量調整弁の開度を調整するための燃料流量指令を制御するための燃料流量指令制御部と、
前記燃焼器における燃空比が許容範囲になるように、前記圧縮機の入口案内翼の開度を制御するための入口案内翼制御部と、
を備え、
前記燃料流量指令制御部は、前記系統周波数が上昇した際に、前記燃料流量指令が第1変化率で減少させた後、前記第1変化率より小さい第2変化率で減少するように前記燃料流量指令を制御する。
【0010】
本開示の少なくとも一実施形態に係るガスタービン制御方法は、上記課題を解決するために、
燃料供給系統から供給される燃料と、圧縮機で生成された圧縮空気とを混合燃焼することにより燃焼ガスを生成可能な燃焼器と、
前記燃焼ガスによって駆動可能なタービンと、
前記タービンに連結され、電力系統に電気的に接続された発電機と、
を備える、ガスタービンを制御するためのガスタービン制御方法であって、
前記タービンの回転数が前記電力系統の系統周波数に対応する目標回転数になるように、前記燃料供給系統に設けられた流量調整弁の開度を調整するための燃料流量指令を制御する工程と、
前記燃焼器における燃空比が許容範囲になるように、前記圧縮機の入口案内翼の開度を制御する工程と、
を備え、
前記燃料流量指令は、前記系統周波数が上昇した際に、前記燃料流量指令が第1変化率で減少させた後、前記第1変化率より小さい第2変化率で減少するように制御される。
(【0011】以降は省略されています)
この特許をJ-PlatPat(特許庁公式サイト)で参照する
関連特許
三菱重工業株式会社
皮膜形成装置
4日前
三菱重工業株式会社
風力発電装置
11日前
三菱重工業株式会社
フィルタ装置
11日前
三菱重工業株式会社
超音波探傷方法
4日前
三菱重工業株式会社
ポンプシステム
4日前
三菱重工業株式会社
バッテリ交換装置
5日前
三菱重工業株式会社
洗浄水噴射ノズル
6日前
三菱重工業株式会社
軌道系交通システム
11日前
三菱重工業株式会社
メタン酸化触媒装置
4日前
三菱重工業株式会社
デジタル入力モジュール
6日前
三菱重工業株式会社
電解セル、及び電解装置
5日前
三菱重工業株式会社
炭化炉及びその制御方法
4日前
三菱重工業株式会社
シール装置および回転機械
6日前
三菱重工業株式会社
内燃機関の制御装置および方法
11日前
三菱重工業株式会社
バーナ及びこれを備えたボイラ
4日前
三菱重工業株式会社
バーナ及びこれを備えたボイラ
4日前
三菱重工業株式会社
水素製造システム及び水素製造方法
4日前
三菱重工業株式会社
渦電流探傷装置、及び渦電流探傷方法
4日前
三菱重工業株式会社
洗浄装置、分離システム及び洗浄方法
4日前
三菱重工業株式会社
シール構造の製造方法およびシール構造
6日前
三菱重工業株式会社
移動体、自己位置推定方法及びプログラム
6日前
三菱重工業株式会社
電力変換器、および電力変換器の製造方法
11日前
三菱重工業株式会社
蓄圧システム及び蓄圧システムの運転方法
5日前
三菱重工業株式会社
情報処理装置、情報処理方法及びプログラム
6日前
三菱重工業株式会社
電解モジュールの冷却方法及び電解システム
4日前
三菱重工業株式会社
シール構造、建屋及びシール構造の製造方法
5日前
三菱重工業株式会社
制御装置、ガスタービン、制御方法及びプログラム
7日前
三菱重工業株式会社
電力変換システム、および電力変換システムの制御方法
5日前
三菱重工業株式会社
フォークリフトの制御装置および方法並びにフォークリフト
11日前
三菱重工業株式会社
タービン架台及びタービン装置並びにタービン架台の製造方法
4日前
三菱重工業株式会社
機器配置設計装置、機器配置設計方法及び機器配置設計プログラム
5日前
三菱重工業株式会社
粉砕テーブル及び固体燃料粉砕装置並びに粉砕テーブルの補修方法
4日前
三菱重工業株式会社
制御装置、ガスタービンの燃料供給系統、制御方法及びプログラム
今日
三菱重工業株式会社
固体燃料粉砕装置及びボイラ設備並びに固体燃料粉砕装置の運転方法
5日前
三菱重工業株式会社
固体燃料粉砕装置の運転方法並びに固体燃料粉砕装置及びボイラ設備
7日前
三菱重工業株式会社
濃度算出装置、燃焼制御装置、濃度算出方法及び濃度算出プログラム
5日前
続きを見る
他の特許を見る