TOP
|
特許
|
意匠
|
商標
特許ウォッチ
Twitter
他の特許を見る
公開番号
2025153918
公報種別
公開特許公報(A)
公開日
2025-10-10
出願番号
2024056639
出願日
2024-03-29
発明の名称
移相回路
出願人
株式会社村田製作所
代理人
個人
,
個人
,
個人
,
個人
,
個人
主分類
H03H
7/19 20060101AFI20251002BHJP(基本電子回路)
要約
【課題】損失を低減可能な移相回路を提供する。
【解決手段】入力信号を、第1の信号と、前記第1の信号の位相と異なる位相の第2の信号と、に分配する分配回路と、前記第1の信号の位相を第1の角度で移相させて第1の出力信号を出力する第1の移相器と、前記第2の信号の位相を前記第1の角度と反対周りの第2の角度で移相させて、前記第1の出力信号との位相差が0度より大きく90度より小さい第2の出力信号を出力する第2の移相器と、前記第1の出力信号を増幅して第1の増幅信号を出力する第1の増幅器と、前記第2の出力信号を増幅して第2の増幅信号を出力する第2の増幅器であって、前記第1の増幅信号と前記第2の増幅信号とが合成されるように前記第1の増幅器と接続される第2の増幅器と、を備える。
【選択図】図1
特許請求の範囲
【請求項1】
入力信号を、第1の信号と、前記第1の信号の位相と異なる位相の第2の信号と、に分配する分配回路と、
前記第1の信号の位相を第1の角度で移相させて第1の出力信号を出力する第1の移相器と、
前記第2の信号の位相を前記第1の角度と反対周りの第2の角度で移相させて、前記第1の出力信号との位相差が0度より大きく90度より小さい第2の出力信号を出力する第2の移相器と、
前記第1の出力信号を増幅して第1の増幅信号を出力する第1の増幅器と、
前記第2の出力信号を増幅して第2の増幅信号を出力する第2の増幅器であって、前記第1の増幅信号と前記第2の増幅信号とが合成されるように前記第1の増幅器と接続される第2の増幅器と、
を備える移相回路。
続きを表示(約 1,100 文字)
【請求項2】
前記第1の移相器は、
前記分配回路に対して直列に接続される第1のインダクタと、
一端が前記第1のインダクタの一端と電気的に接続され、他端が基準電位と電気的に接続される第1のコンデンサと、
一端が前記第1のインダクタの他端と電気的に接続され、他端が基準電位と電気的に接続される第2のコンデンサと、
を含み、
前記第2の移相器は、
前記分配回路に対して直列に接続される第3のコンデンサと、
前記第3のコンデンサと直列に接続される第4のコンデンサと、
一端が前記第3のコンデンサと前記第4のコンデンサとの間のノードに電気的に接続され、他端が基準電位と電気的に接続される第2のインダクタと、
を含む、
請求項1に記載の移相回路。
【請求項3】
前記第1の移相器は、
前記分配回路に対して直列に接続される第5のコンデンサと、
前記第5のコンデンサと直列に接続される第6のコンデンサと、
一端が前記第5のコンデンサと前記第6のコンデンサとの間のノードに電気的に接続され、他端が基準電位と電気的に接続される第3のインダクタと、
を含み、
前記第2の移相器は、
前記分配回路に対して直列に接続される第4のインダクタと、
一端が前記第4のインダクタの一端と電気的に接続され、他端が基準電位と電気的に接続される第7のコンデンサと、
一端が前記第4のインダクタの他端と電気的に接続され、他端が基準電位と電気的に接続される第8のコンデンサと、
を含む、
請求項1に記載の移相回路。
【請求項4】
前記第2の移相器は、前記第1の角度と絶対値が等しく、前記第1の角度と反対周りの前記第2の角度で、前記第2の信号の位相を移相させて前記第2の出力信号を出力する、
請求項1に記載の移相回路。
【請求項5】
前記第1の移相器および前記第2の移相器は、前記位相差が45度となるように構成される、
請求項2または請求項3に記載の移相回路。
【請求項6】
前記第1の増幅器の出力端子は、前記第2の増幅器の出力端子と電気的に直接接続される、
請求項1に記載の移相回路。
【請求項7】
前記分配回路は、90度ハイブリッドカプラである、
請求項1に記載の移相回路。
【請求項8】
前記分配回路は、バランである、
請求項1に記載の移相回路。
発明の詳細な説明
【技術分野】
【0001】
本発明は、移相回路に関する。
続きを表示(約 1,700 文字)
【背景技術】
【0002】
無線及び衛星通信のような種々のマルチキャリア(多搬送波)通信システムにおいて、通信容量の改善および高いデータ通信速度のために、デジタル変調方式が広く使用されている。デジタル変調方式において伝送される情報は、変調された後、信号の振幅と位相の双方に含めて伝送される。特許文献1には、このような信号を伝送する場合に、信号の品質を低下させ得る信号の歪みを改善する電子回路であって、入力信号を移相する位相差分配器を含む電子回路が開示されている。
【先行技術文献】
【特許文献】
【0003】
特開2012-120037号公報
【発明の概要】
【発明が解決しようとする課題】
【0004】
特許文献1に記載の電子回路に含まれる位相差分配器は、入力信号が入力されて信号を分配する90度ハイブリッドカップラと、移相回路とを備える。移相回路は、第1線路と、第2線路と、抵抗とを備える。第1線路の一端は90度ハイブリッドカプラの一端と電気的に接続される。第2線路の一端は90度ハイブリッドカプラの他端と電気的に接続される。そして、抵抗は、一端が第1線路の他端と電気的に接続され、他端が第2線路の他端と電気的に接続される。すなわち、位相差分配器は、90度ハイブリッドカプラにおける同相出力端子である一端と、位相が90度異なる出力端子である他端との間に抵抗を電気的に接続して構成されている。これにより、位相差分配器は、入力信号に対して所望の位相差の信号を出力することが可能となる。
【0005】
しかし、特許文献1に記載の電子回路に含まれる位相差分配器では、第1線路から抵抗を介して第2線路に流入する第1信号と、第2線路から抵抗を介して第1線路に流入する、第1信号と方向が反対の第2信号とが互いに打ち消しあうことにより電力損失が生じる。
【0006】
本発明は、かかる事情に鑑みてなされたものであり、損失を低減可能な移相回路を提供することを目的とする。
【課題を解決するための手段】
【0007】
かかる目的を達成するため、本発明の一側面に係る移相回路は、入力信号を、第1の信号と、前記第1の信号の位相と異なる位相の第2の信号と、に分配する分配回路と、前記第1の信号の位相を第1の角度で移相させて第1の出力信号を出力する第1の移相器と、前記第2の信号の位相を前記第1の角度と反対周りの第2の角度で移相させて、前記第1の出力信号との位相差が0度より大きく90度より小さい第2の出力信号を出力する第2の移相器と、前記第1の出力信号を増幅して第1の増幅信号を出力する第1の増幅器と、前記第2の出力信号を増幅して第2の増幅信号を出力する第2の増幅器であって、前記第1の増幅信号と前記第2の増幅信号とが合成されるように前記第1の増幅器と接続される第2の増幅器と、を備える。
【発明の効果】
【0008】
本発明によれば、損失を低減可能な移相回路を提供することができる。
【図面の簡単な説明】
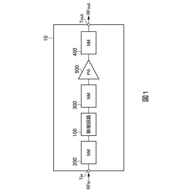
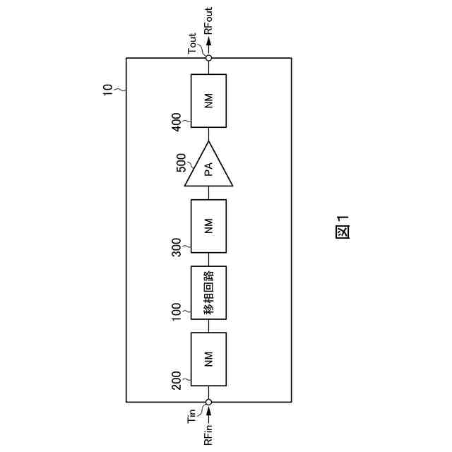
【0009】
電力増幅回路の構成の一例を示す図である。
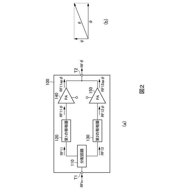
移相回路の構成の概要の一例を示す図である。
移相回路の構成の詳細の一例を示す図である。
移相回路における信号損失と位相差との関係を示すグラフである。
第1の変形例にかかる移相回路の一部の構成を示す図である。
第2の変形例にかかる移相回路の一部の構成を示す図である。
第3の変形例にかかる移相回路の一部の構成を示す図である。
変形例にかかる第1の移相器および第2の移相器の構成例を示す図である。
【発明を実施するための形態】
【0010】
以下、本発明の実施の形態について、図面を参照しつつ詳細に説明する。なお、同一の要素には同一の符号を付し、重複する説明を省略する。
(【0011】以降は省略されています)
この特許をJ-PlatPat(特許庁公式サイト)で参照する
関連特許
株式会社村田製作所
電子部品
8日前
株式会社村田製作所
移相回路
1日前
株式会社村田製作所
測定装置
3日前
株式会社村田製作所
ネブライザ
1日前
株式会社村田製作所
電子聴診器
1日前
株式会社村田製作所
電池パック
3日前
株式会社村田製作所
高周波回路
2日前
株式会社村田製作所
コイル部品
1日前
株式会社村田製作所
コイル部品
1日前
株式会社村田製作所
フィルタ装置
2日前
株式会社村田製作所
圧力センサ装置
3日前
株式会社村田製作所
電池モジュール
1日前
株式会社村田製作所
電子部品包装装置
3日前
株式会社村田製作所
ファブリペロー干渉計
2日前
株式会社村田製作所
コンデンサモジュール
1日前
株式会社村田製作所
造粒粉及びインダクタ
2日前
株式会社村田製作所
積層セラミック電子部品
2日前
株式会社村田製作所
光学的パターン表示物品
8日前
株式会社村田製作所
積層セラミック電子部品
8日前
株式会社村田製作所
積層セラミック電子部品
2日前
株式会社村田製作所
積層セラミック電子部品
2日前
株式会社村田製作所
濾過装置および濾過方法
2日前
株式会社村田製作所
積層セラミックコンデンサ
4日前
株式会社村田製作所
タブおよび電池モジュール
8日前
株式会社村田製作所
二次電池および電池パック
4日前
株式会社村田製作所
二次電池および電池パック
4日前
株式会社村田製作所
積層インダクタの製造方法
8日前
株式会社村田製作所
電池および電池の製造方法
8日前
株式会社村田製作所
二次電池および電池パック
2日前
株式会社村田製作所
高周波回路および通信装置
3日前
株式会社村田製作所
二次電池および電池パック
2日前
株式会社村田製作所
積層セラミックコンデンサ
2日前
株式会社村田製作所
積層セラミックコンデンサ
2日前
株式会社村田製作所
プラグの端子構造及びプラグ
2日前
株式会社村田製作所
光学的パターン表示システム
8日前
株式会社村田製作所
高周波モジュール及び通信装置
8日前
続きを見る
他の特許を見る