TOP
|
特許
|
意匠
|
商標
特許ウォッチ
Twitter
他の特許を見る
公開番号
2025164372
公報種別
公開特許公報(A)
公開日
2025-10-30
出願番号
2024068309
出願日
2024-04-19
発明の名称
電力増幅回路
出願人
株式会社村田製作所
代理人
個人
,
個人
,
個人
,
個人
,
個人
主分類
H03F
1/02 20060101AFI20251023BHJP(基本電子回路)
要約
【課題】高周波成分についてのバイパス経路を形成することで歪特性及び効率を向上させる電力増幅回路を提供する。
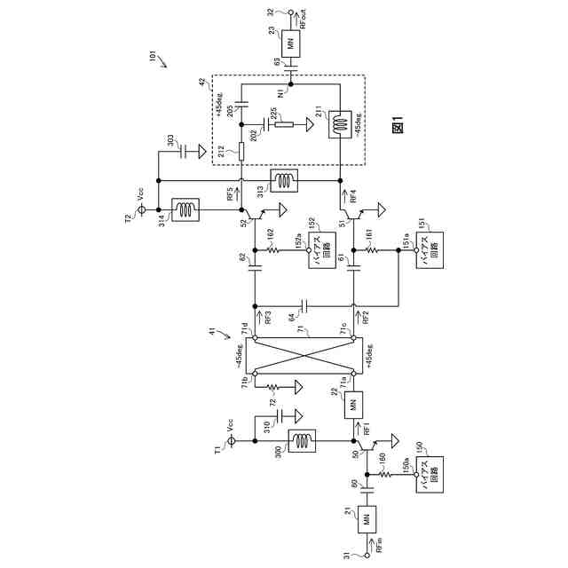
【解決手段】電力増幅回路101は、入力信号RFinに位相差を加えて分配する分配回路41と、第1増幅信号RF4を出力するキャリア増幅器51と、第2増幅信号RF5を出力するピーク増幅器52と、第1増幅信号と第2増幅信号とを合成して第3増幅信号RFoutを生成する合成回路42と、抵抗素子160を通じて第1キャパシタ61の第2端に第1バイアスを供給する第1バイアス供給端子151aを有する第1バイアス回路151と、抵抗素子162を通じて第2キャパシタ62の第2端に第2バイアスを供給する第2バイアス供給端子152aを有する第2バイアス回路152と、第2キャパシタ62に接続された第1端と、第1バイアス供給端子に接続された第2端と、を有する第3キャパシタ64と、を備える。
【選択図】図1
特許請求の範囲
【請求項1】
第1信号を、第2信号と、前記第2信号の位相より遅れた位相を有する第3信号と、に分配し、前記第2信号及び前記第3信号をそれぞれ出力する第1出力端子及び第2出力端子を有する分配回路と、
第1キャパシタを通じて前記第1出力端子に接続され、前記第2信号が供給される第1入力端子を有し、前記第2信号を増幅して、第1増幅信号を出力するキャリア増幅器と、
第2キャパシタを通じて前記第2出力端子に接続され、前記第3信号が供給される第2入力端子を有し、前記第3信号を増幅して、第2増幅信号を出力するピーク増幅器と、
前記第1増幅信号と前記第2増幅信号とを合成して第3増幅信号を生成する合成回路と、
第1抵抗素子を通じて前記第1入力端子に第1バイアスを供給する第1バイアス供給端子を有する第1バイアス回路と、
第2抵抗素子を通じて前記第2入力端子に第2バイアスを供給する第2バイアス供給端子を有する第2バイアス回路と、
前記第2出力端子に接続された第1端と、前記第1バイアス供給端子に接続された第2端と、を有する第3キャパシタと、を備える、
電力増幅回路。
続きを表示(約 190 文字)
【請求項2】
請求項1に記載の電力増幅回路であって、
前記電力増幅回路は、
前記第1出力端子に接続された第1端と、前記第1バイアス供給端子に接続された第2端と、を有する第4キャパシタと、
前記第2出力端子に接続された第1端と、前記第2バイアス供給端子に接続された第2端と、を有する第5キャパシタと、をさらに備える、
電力増幅回路。
発明の詳細な説明
【技術分野】
【0001】
本発明は、電力増幅回路に関する。
続きを表示(約 1,800 文字)
【背景技術】
【0002】
ベース端子及びコレクタ端子を有するエミッタ接地型バイポーラトランジスタと、ベースバイアス電圧供給端子及びベース端子間に接続された抵抗素子と、信号入力端子及びベース端子間に接続された第1キャパシタと、信号入力端子及びベースバイアス電圧供給端子間に接続された第2キャパシタと、を備える電力増幅器がある(例えば、特許文献1参照)。
【先行技術文献】
【特許文献】
【0003】
特開2003-324325号公報
【発明の概要】
【発明が解決しようとする課題】
【0004】
特許文献1に記載の電力増幅器では、バイポーラトランジスタのベース端子とベースバイアス電圧供給端子との間に接続された抵抗素子の両端において、第1キャパシタ及び第2キャパシタを経由した高周波成分についてのバイパス経路が形成されることにより、低歪み動作が可能となっている。
【0005】
入力信号に位相差を加えて分配する分配回路と、分配された信号を増幅する増幅回路と、位相差を低減して合成する合成回路と、を備える構成において、歪特性及び効率の良好な電力増幅回路が求められる。
【0006】
本発明はこのような事情に鑑みてなされたものであり、入力信号に位相差を加えて分配する分配回路と、分配された信号を増幅する増幅回路と、位相差を低減して合成する合成回路と、を備える構成において、歪特性及び効率を向上させることが可能な電力増幅回路を提供することを目的とする。
【課題を解決するための手段】
【0007】
本発明の一側面に係る電力増幅回路は、第1信号を、第2信号と、前記第2信号の位相より遅れた位相を有する第3信号と、に分配し、前記第2信号及び前記第3信号をそれぞれ出力する第1出力端子及び第2出力端子を有する分配回路と、第1キャパシタを通じて前記第1出力端子に接続され、前記第2信号が供給される第1入力端子を有し、前記第2信号を増幅して、第1増幅信号を出力するキャリア増幅器と、第2キャパシタを通じて前記第2出力端子に接続され、前記第3信号が供給される第2入力端子を有し、前記第3信号を増幅して、第2増幅信号を出力するピーク増幅器と、前記第1増幅信号と前記第2増幅信号とを合成して第3増幅信号を生成する合成回路と、第1抵抗素子を通じて前記第1入力端子に第1バイアスを供給する第1バイアス供給端子を有する第1バイアス回路と、第2抵抗素子を通じて前記第2入力端子に第2バイアスを供給する第2バイアス供給端子を有する第2バイアス回路と、前記第2出力端子に接続された第1端と、前記第1バイアス供給端子に接続された第2端と、を有する第3キャパシタと、を備える。
【発明の効果】
【0008】
本発明によれば、入力信号に位相差を加えて分配する分配回路と、分配された信号を増幅する増幅回路と、位相差を低減して合成する合成回路と、を備える構成において、歪特性及び効率を向上させることが可能な電力増幅回路を提供することができる。
【図面の簡単な説明】
【0009】
図1は、電力増幅回路101の回路図である。
図2は、参考例である電力増幅回路901の回路図である。
図3は、電力増幅回路101及び901における増幅信号及びバイアス電圧の時間変化の一例を示す図である。
図4は、電力増幅回路101及び901におけるPAE(Power Added Efficiency)特性の一例を示す図である。
図5は、電力増幅回路101及び901におけるAM/PM特性の一例を示す図である。
図6は、電力増幅回路101及び901におけるゲイン特性の一例を示す図である。
図7は、電力増幅回路101及び901におけるAM/AM特性の一例を示す図である。
図8は、電力増幅回路102の回路図である。
【発明を実施するための形態】
【0010】
以下、本発明の実施の形態について、図面を参照しつつ詳細に説明する。なお、同一の要素には同一の符号を付し、重複する説明を極力省略する。
(【0011】以降は省略されています)
この特許をJ-PlatPat(特許庁公式サイト)で参照する
関連特許
株式会社村田製作所
二次電池
1か月前
株式会社村田製作所
切断装置
1日前
株式会社村田製作所
移相回路
1か月前
株式会社村田製作所
電子聴診器
1か月前
株式会社村田製作所
コイル部品
1か月前
株式会社村田製作所
電池パック
22日前
株式会社村田製作所
弾性波装置
2日前
株式会社村田製作所
コイル部品
1か月前
株式会社村田製作所
高周波回路
1か月前
株式会社村田製作所
ネブライザ
1か月前
株式会社村田製作所
コイル部品
1か月前
株式会社村田製作所
電力増幅回路
1か月前
株式会社村田製作所
外観検査装置
1か月前
株式会社村田製作所
電力システム
1か月前
株式会社村田製作所
フィルタ装置
24日前
株式会社村田製作所
フィルタ装置
1か月前
株式会社村田製作所
超音波ノズル
1日前
株式会社村田製作所
電池モジュール
1か月前
株式会社村田製作所
インダクタ部品
22日前
株式会社村田製作所
インダクタ部品
10日前
株式会社村田製作所
インダクタ部品
10日前
株式会社村田製作所
指装着デバイス
15日前
株式会社村田製作所
インダクタ部品
1か月前
株式会社村田製作所
インダクタ部品
22日前
株式会社村田製作所
インダクタ部品
22日前
株式会社村田製作所
インダクタ部品
22日前
株式会社村田製作所
インダクタ部品
22日前
株式会社村田製作所
高周波電力増幅器
1日前
株式会社村田製作所
高周波モジュール
1か月前
株式会社村田製作所
高周波電力増幅器
1日前
株式会社村田製作所
伸縮性コイル部品
1か月前
株式会社村田製作所
正極及び二次電池
22日前
株式会社村田製作所
健康管理システム
3日前
株式会社村田製作所
積層体の切断装置
24日前
株式会社村田製作所
積層体の切断装置
24日前
株式会社村田製作所
固体電解コンデンサ
17日前
続きを見る
他の特許を見る