TOP
|
特許
|
意匠
|
商標
特許ウォッチ
Twitter
他の特許を見る
10個以上の画像は省略されています。
公開番号
2025153433
公報種別
公開特許公報(A)
公開日
2025-10-10
出願番号
2024055915
出願日
2024-03-29
発明の名称
超音波風速計、及び風速測定方法
出願人
ミツミ電機株式会社
代理人
個人
,
個人
主分類
G01P
5/26 20060101AFI20251002BHJP(測定;試験)
要約
【課題】測定精度の向上を図ることが可能な超音波風速計を提供する。
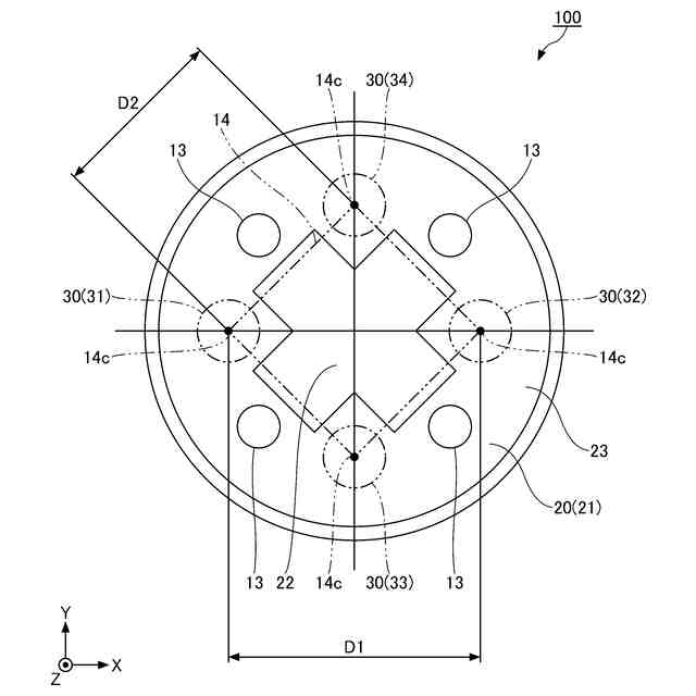
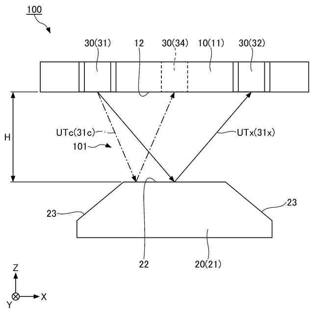
【解決手段】超音波風速計100は、第1超音波送受信機31と、第1超音波送受信機31から第1方向に第1距離D1離れた第2超音波送受信機32と、第1超音波送受信機31から第1距離D1よりも短い第2距離D2離れた第3超音波送受信機33と、第1超音波送受信機31と第2超音波送受信機32との間の送受信結果、及び、第1超音波送受信機31と第3超音波送受信機との間の送受信結果を用いて演算処理を行う制御回路210と、を備え、制御回路210は、第1超音波送受信機31と第2超音波送受信機32との間の送受信結果を用いて第1風速を演算し、第1超音波送受信機31と第3超音波送受信機33との間の送受信結果を用いて第2風速を演算し、第1風速と第2風速との差が第1条件を満たさない場合に、第1風速を出力し、第1風速と第2風速との差が第1条件を満たす場合に、第2風速を出力する。
【選択図】図3
特許請求の範囲
【請求項1】
第1超音波送受信機と、
前記第1超音波送受信機から第1方向に第1距離離れた第2超音波送受信機と、
前記第1超音波送受信機から前記第1方向とは異なる方向に前記第1距離よりも短い第2距離離れた第3超音波送受信機と、
前記第1超音波送受信機と前記第2超音波送受信機との間の超音波の送受信結果、及び、前記第1超音波送受信機と前記第3超音波送受信機との間の超音波の送受信結果を用いて演算処理を行う制御回路と、を備え、
前記制御回路は、
前記第1超音波送受信機と前記第2超音波送受信機との間の超音波の送受信結果を用いて第1風速を演算し、
前記第1超音波送受信機と前記第3超音波送受信機との間の超音波の送受信結果を用いて第2風速を演算し、
前記第1風速と前記第2風速との差が第1条件を満たさない場合に、前記第1風速を出力し、
前記第1風速と前記第2風速との差が第1条件を満たす場合に、前記第2風速を出力する超音波風速計。
続きを表示(約 1,700 文字)
【請求項2】
前記第1条件は前記第2風速が前記第1風速の2倍以上であることである請求項1に記載の超音波風速計。
【請求項3】
前記制御回路は、
前記第1超音波送受信機から第1超音波を送信し前記第2超音波送受信機で前記第1超音波を受信した第1時間と、前記第2超音波送受信機から第2超音波を送信し前記第1超音波送受信機で前記第2超音波を受信した第2時間とを用いて、前記第1風速を演算し、
前記第1超音波送受信機から第3超音波を送信し前記第3超音波送受信機で前記第3超音波を受信した第3時間と、前記第3超音波送受信機から第4超音波を送信し前記第1超音波送受信機で第4超音波を受信した第4時間とを用いて、前記第2風速を演算する請求項1又は2に記載の超音波風速計。
【請求項4】
前記制御回路は、
前記第2超音波送受信機が前記第1超音波を受信したときの振幅が0となる時間のうち第5時間に最も近い時間を前記第1時間とし、
前記第1超音波送受信機が前記第2超音波を受信したときの振幅が0となる時間のうち前記第5時間に最も近い時間を前記第2時間として、前記第1風速を演算し、
前記第3超音波送受信機が前記第3超音波を受信したときの振幅が0となる時間のうち前記第5時間に最も近い時間を前記第3時間とし、
前記第1超音波送受信機が前記第4超音波を受信したときの振幅が0となる時間のうち前記第5時間に最も近い時間を前記第4時間として、前記第2風速を演算する請求項3に記載の超音波風速計。
【請求項5】
前記第1方向と交差する第2方向に前記第3超音波送受信機と対向し、且つ、前記第1超音波送受信機から前記第2距離離れた第4超音波送受信機を更に備え、
前記制御回路は、
前記第1超音波送受信機と前記第2超音波送受信機との間の超音波の送受信結果と、
前記第3超音波送受信機と前記第4超音波送受信機との間の超音波の送受信結果とを用いて、前記第1風速を演算し、
前記第1超音波送受信機と前記第3超音波送受信機との間の超音波の送受信結果と、
前記第1超音波送受信機と前記第4超音波送受信機との間の超音波の送受信結果と、
前記第2超音波送受信機と前記第3超音波送受信機との間の超音波の送受信結果と、
前記第2超音波送受信機と前記第4超音波送受信機との間の超音波の送受信結果とを用いて、前記第2風速を演算する請求項1に記載の超音波風速計。
【請求項6】
前記第1超音波送受信機、前記第2超音波送受信機、前記第3超音波送受信機、及び、前記第4超音波送受信機を搭載する天板と、
前記第1方向及び前記第2方向に交差する第3方向に、前記天板と対向する底板と、
前記底板から前記第3方向に延在し、前記天板を支持する複数の支柱と、を更に備え、
前記第3方向に見て、前記複数の支柱は、前記第1超音波送受信機と前記第2超音波送受信機とを結ぶ仮想の第1直線、及び、前記第3超音波送受信機と前記第4超音波送受信機とを結ぶ仮想の第2直線と重ならない位置に配置されている請求項5に記載の超音波風速計。
【請求項7】
第1超音波送受信機と、前記第1超音波送受信機から第1方向に第1距離離れた第2超音波送受信機と、前記第1超音波送受信機から前記第1方向とは異なる方向に前記第1距離よりも短い第2距離離れた第3超音波送受信機とを備える超音波風速計を用いて風速を測定する風速測定方法であって、
前記第1超音波送受信機から送信された超音波を、前記第2超音波送受信機により受信して、当該超音波の送受信結果を用いて第1風速を演算する工程と、
前記第1超音波送受信機から送信された超音波を、前記第3超音波送受信機により受信して、当該超音波の送受信結果を用いて第2風速を演算する工程と、を含み、
前記第1風速と前記第2風速との差が第1条件を満たさない場合に、前記第1風速を出力し、
前記第1風速と前記第2風速との差が第1条件を満たす場合に、前記第2風速を出力する風速測定方法。
発明の詳細な説明
【技術分野】
【0001】
本開示は、超音波風速計、及び風速測定方法に関する。
続きを表示(約 1,700 文字)
【背景技術】
【0002】
例えば、圧電振動子を備えた送受波器を互いに超音波信号を送受可能に複数配置した超音波式風向風速計が知られている(例えば、特許文献1参照)。この超音波式風向風速計では、送受波器の1つから超音波信号を発信して残りの他の送受波器で受波する動作を、超音波信号を発信する送受波器を順次切り替えて繰り返すことで、全ての送受波器の対の組み合わせについて送受波器の双方向の超音波信号伝搬時間を測定する。
【0003】
この超音波式風向風速計では、測定された超音波信号伝搬時間から送受波器数nについてのn・(n-1)/2個の風向風速ベクトルを算出する。この超音波式風向風速計では、算出された風向風速ベクトルのうち、所定の閾値以上に相違する風向値および風速値を除外する。
【先行技術文献】
【特許文献】
【0004】
特開2009-229256号公報
【発明の概要】
【発明が解決しようとする課題】
【0005】
しかし、従来技術に係る超音波式風向風速計では、強風時における風向風速の誤判定の問題は述べられていない。
【0006】
本開示は、測定精度の向上を図ることが可能な超音波風速計、及び風速測定方法を提供することを目的とする。
【課題を解決するための手段】
【0007】
本開示に係る超音波風速計は、第1超音波送受信機と、当該第1超音波送受信機から第1方向に第1距離離れた第2超音波送受信機と、第1超音波送受信機から第1方向とは異なる方向に第1距離よりも短い第2距離離れた第3超音波送受信機と、第1超音波送受信機と第2超音波送受信機との間の超音波の送受信結果、及び、第1超音波送受信機と第3超音波送受信機との間の超音波の送受信結果を用いて演算処理を行う制御回路と、を備え、制御回路は、第1超音波送受信機と第2超音波送受信機との間の超音波の送受信結果を用いて第1風速を演算し、第1超音波送受信機と第3超音波送受信機との間の超音波の送受信結果を用いて第2風速を演算し、第1風速と第2風速との差が第1条件を満たさない場合に、第1風速を出力し、第1風速と第2風速との差が第1条件を満たす場合に、第2風速を出力する。
【発明の効果】
【0008】
本開示は、測定精度の向上を図ることが可能な超音波風速計、及び風速測定方法を提供することができる。
【図面の簡単な説明】
【0009】
実施形態に係る超音波風速計を例示する概略斜視図である。
実施形態に係る超音波風速計を例示する概略断面図である。
反射板及び超音波送受信機の配置の一例を示す平面図である。
複数の超音波送受信機の間のベクトルの一例を示す概略図である。
風速Vを示すベクトル、風速VのX軸成分、及びY軸成分の一例を示す図である。
実施形態に係る超音波風速計のハードウェア構成を例示するブロック図である。
図7(a)第1観測波及び第2観測波のそれぞれに対応する信号の波形を例示するグラフであり、図7(b)第3観測波及び第4観測波のそれぞれに対応する信号の波形を例示するグラフである。
第1観測波及び第2観測波のそれぞれに対応する信号の波形を例示するグラフである。
実施形態に係る風速測定方法に係る手順を例示するフローチャートである。
【発明を実施するための形態】
【0010】
以下、実施形態に係る超音波風速計について、添付の図面を参照しながら説明する。尚、本明細書及び図面において、実質的に同一の構成要素については、同一の符号を付することにより重複した説明を省く場合がある。また、本明細書において、「上」及び「下」との用語を使用する場合がある。これは、図2に示されている状態における「上」及び「下」であり、Z軸方向において、天板11が配置されている方を「上」とし、反射板21が配置されている方を「下」とする。実際の超音波風速計100の配置はこれに限定されない。
(【0011】以降は省略されています)
この特許をJ-PlatPat(特許庁公式サイト)で参照する
関連特許
個人
視触覚センサ
3日前
個人
採尿及び採便具
1か月前
日本精機株式会社
検出装置
1か月前
個人
計量機能付き容器
28日前
甲神電機株式会社
電流検出装置
1か月前
日本精機株式会社
発光表示装置
11日前
株式会社ミツトヨ
測定器
1か月前
株式会社カクマル
境界杭
18日前
ユニパルス株式会社
トルク変換器
3日前
ユニパルス株式会社
トルク変換器
3日前
ユニパルス株式会社
トルク変換器
3日前
株式会社トプコン
測量装置
10日前
アズビル株式会社
電磁流量計
1か月前
大成建設株式会社
風洞実験装置
28日前
愛知時計電機株式会社
ガスメータ
1か月前
双庸電子株式会社
誤配線検査装置
1か月前
日本特殊陶業株式会社
ガスセンサ
10日前
日本特殊陶業株式会社
ガスセンサ
3日前
日本信号株式会社
距離画像センサ
1か月前
個人
計量具及び計量機能付き容器
28日前
個人
非接触による電磁パルスの測定方法
1か月前
個人
システム、装置及び実験方法
1か月前
大和製衡株式会社
組合せ計量装置
1か月前
大和製衡株式会社
組合せ計量装置
1か月前
愛知電機株式会社
軸部材の外観検査装置
1か月前
日本特殊陶業株式会社
ガスセンサ
26日前
日本特殊陶業株式会社
ガスセンサ
4日前
株式会社不二越
X線測定装置
1か月前
日置電機株式会社
絶縁抵抗測定装置
3日前
キーコム株式会社
画像作成システム
18日前
個人
液位検視及び品質監視システム
26日前
日本特殊陶業株式会社
センサ
12日前
株式会社タイガーカワシマ
揚穀装置
10日前
日東精工株式会社
振動波形検査装置
1か月前
本陣水越株式会社
車載式計測標的物
5日前
日本特殊陶業株式会社
センサ
1か月前
続きを見る
他の特許を見る