TOP
|
特許
|
意匠
|
商標
特許ウォッチ
Twitter
他の特許を見る
公開番号
2025151711
公報種別
公開特許公報(A)
公開日
2025-10-09
出願番号
2024053265
出願日
2024-03-28
発明の名称
電子タグ及び位置情報通信システム
出願人
能美防災株式会社
代理人
弁理士法人きさ特許商標事務所
主分類
G08B
25/10 20060101AFI20251002BHJP(信号)
要約
【課題】スマートフォン又はタブレット端末等の携帯端末を用いることなく、位置情報を通信できる電子タグ及び位置情報通信システムを得る。
【解決手段】電子タグは、操作部と、現在位置を測定する測位部と、操作部への操作内容に応じた第1信号と、測定した現在位置を示す第2信号とを送信する通信部とを備えた。
【選択図】図2
特許請求の範囲
【請求項1】
操作部と、
現在位置を測定する測位部と、
前記操作部への操作内容に応じた第1信号と、測定した前記現在位置を示す第2信号とを送信する通信部とを備えた
電子タグ。
続きを表示(約 980 文字)
【請求項2】
衝撃センサを備え、
前記衝撃センサにより閾値以上の大きさの衝撃が検出された場合に、前記通信部は、測定した前記現在位置を示す信号を送信する
請求項1に記載の電子タグ。
【請求項3】
衝撃センサを備え、
前記衝撃センサにより閾値以上の大きさの衝撃が検出された後に、前記操作部への操作がなされると、前記通信部は、測定した前記現在位置を示す信号を送信する
請求項1に記載の電子タグ。
【請求項4】
請求項1~請求項3のいずれか一項に記載の電子タグと、
前記電子タグから送信された前記第1信号及び前記第2信号を受信し、前記現在位置を地図に表示する表示データを生成する制御手段とを備えた
位置情報通信システム。
【請求項5】
請求項1~請求項3のいずれか一項に記載の電子タグと、
前記第1信号が示す前記操作内容と前記第2信号が示す前記現在位置に関する情報とを含む制御条件と、前記制御条件を満たす場合に実行するタスクとを対応づけて記憶する記憶部と、
前記制御条件を満たす場合に、対応づけられた前記タスクを実行する制御手段とを備えた
位置情報通信システム。
【請求項6】
請求項2又は請求項3記載の電子タグと、
制御手段とを備え、
前記電子タグは、前記衝撃センサにより検出された衝撃の大きさに関する情報を含む第3信号を前記制御手段に送信し、
前記制御手段は、前記電子タグから送信された前記第2信号及び前記第3信号を受信し、前記現在位置と衝撃の大きさを地図に表示する表示データを生成する
位置情報通信システム。
【請求項7】
請求項2又は請求項3記載の電子タグと、
制御条件と、前記制御条件を満たす場合に実行するタスクとを対応づけて記憶する記憶部と、
前記制御条件を満たす場合に、対応づけられた前記タスクを実行する制御手段とを備え、
前記電子タグは、前記衝撃センサにより検出された衝撃の大きさに関する情報を含む第3信号を前記制御手段に送信し、
前記制御条件は、前記第3信号が示す衝撃の大きさに関する条件を含む
位置情報通信システム。
発明の詳細な説明
【技術分野】
【0001】
本発明は、ユーザに携帯される電子タグと、電子タグを備えた位置情報通信システムに関する。
続きを表示(約 1,500 文字)
【背景技術】
【0002】
従来、表示部を有するスマートフォン又はタブレット端末等である携帯端末により、避難完了を支援装置に報告する支援システムが提案されている(例えば、特許文献1参照)。特許文献1に記載の支援システムでは、携帯端末が自己の位置情報を取得し、取得した位置情報を支援装置に送信しており、支援装置は、位置情報に基づいて避難完了の確認を行っている。
【先行技術文献】
【特許文献】
【0003】
特開2015-194853号公報
【発明の概要】
【発明が解決しようとする課題】
【0004】
特許文献1に示された支援システムは、ユーザの避難確認を支援することができる。しかし、情報機器であるスマートフォン又はタブレット端末等の携帯端末は、例えば研究所又は製品開発部門等においては情報管理の観点から持ち込みが禁止されることも多い。また、例えば飲食業又は工場内での作業など、携帯端末を携帯した状態での仕事が難しく、携帯端末を携帯しないことも多い。さらに、常に携帯端末を携帯するとは限らず、例えば一時的な移動の際には携帯端末を携帯しないことも多い。このため、スマートフォン又はタブレット端末等の携帯端末を用いないシステムが望まれていた。
【0005】
本発明は、上記のような課題を背景としたものであり、スマートフォン又はタブレット端末等の携帯端末を用いることなく、位置情報を通信できる電子タグ及び位置情報通信システムを提供するものである。
【課題を解決するための手段】
【0006】
本発明に係る電子タグは、操作部と、現在位置を測定する測位部と、前記操作部への操作内容に応じた第1信号と、測定した前記現在位置を示す第2信号とを送信する通信部とを備えたものである。
【0007】
本発明に係る位置情報通信システムは、前記電子タグと、前記電子タグから送信された前記第1信号及び前記第2信号を受信し、前記現在位置を地図に表示する表示データを生成する制御手段とを備えたものである。
【発明の効果】
【0008】
本発明によれば、スマートフォン又はタブレット端末等の携帯端末を用いることなく、位置情報を通信できる。
【図面の簡単な説明】
【0009】
実施の形態に係る位置情報通信システム100の構成を示す図である。
実施の形態に係る電子タグ10の機能ブロック図である。
実施の形態に係る制御手段20の機能ブロック図である。
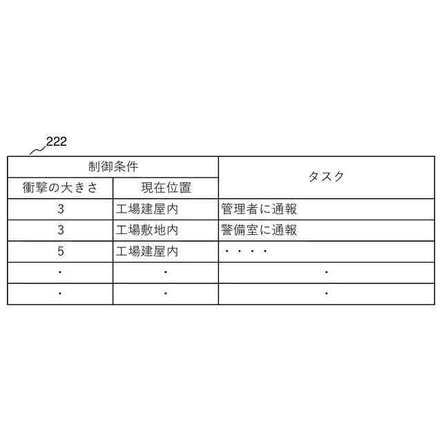
実施の形態に係るタスクテーブル222を例示する図である。
実施の形態に係る位置情報通信システム100の動作例を示す図である。
実施の形態に係る表示データ例である。
実施の形態の変形例1に係るタスクテーブル222を例示する図である。
【発明を実施するための形態】
【0010】
以下、本発明の実施の形態を、図面を参照して説明する。本発明は、以下の実施の形態に限定されるものではなく、本発明の主旨を逸脱しない範囲で種々に変形することが可能である。また、本発明は、以下の実施の形態に示す構成のうち、組合せ可能な構成のあらゆる組合せを含むものである。また、図面に示す装置は、本発明の装置の一例を示すものであり、図面に示された装置によって本発明の装置が限定されるものではない。また、各図において、同一の符号を付したものは、同一の又はこれに相当するものであり、これは明細書の全文において共通している。
(【0011】以降は省略されています)
この特許をJ-PlatPat(特許庁公式サイト)で参照する
関連特許
能美防災株式会社
表示灯
1か月前
能美防災株式会社
照射装置
26日前
能美防災株式会社
消火装置
10日前
能美防災株式会社
表示装置
11日前
能美防災株式会社
システム
24日前
能美防災株式会社
消火設備
1か月前
能美防災株式会社
携帯型電灯
1か月前
能美防災株式会社
火災受信機
27日前
能美防災株式会社
火災受信機
25日前
能美防災株式会社
火災受信機
25日前
能美防災株式会社
火災受信機
17日前
能美防災株式会社
防災システム
1か月前
能美防災株式会社
感知器ベース
1か月前
能美防災株式会社
防災システム
1か月前
能美防災株式会社
感知システム
26日前
能美防災株式会社
車両システム
26日前
能美防災株式会社
車両システム
26日前
能美防災株式会社
水噴霧ヘッド
1か月前
能美防災株式会社
感知システム
26日前
能美防災株式会社
着脱式避難誘導灯
25日前
能美防災株式会社
異常検出システム
26日前
能美防災株式会社
深部火災検知装置
25日前
能美防災株式会社
画像表示システム
27日前
能美防災株式会社
スプリンクラ消火設備
1か月前
能美防災株式会社
中継器の配線接続構造
1か月前
能美防災株式会社
エアーコンディショナー
26日前
能美防災株式会社
防災機器及び消火栓装置
25日前
能美防災株式会社
塵芥車の火災検知システム
1か月前
能美防災株式会社
信号検出装置および警報器
26日前
能美防災株式会社
中継器および通信テスト方法
25日前
能美防災株式会社
防災設備の製造管理システム
1か月前
能美防災株式会社
煙感知器および火災報知設備
12日前
能美防災株式会社
熱感知器及び熱感知システム
25日前
能美防災株式会社
避難シミュレーションシステム
1か月前
能美防災株式会社
スプリンクラヘッドの散水反射板
1か月前
能美防災株式会社
火災感知器及び火災報知システム
24日前
続きを見る
他の特許を見る