TOP
|
特許
|
意匠
|
商標
特許ウォッチ
Twitter
他の特許を見る
公開番号
2025150334
公報種別
公開特許公報(A)
公開日
2025-10-09
出願番号
2024051157
出願日
2024-03-27
発明の名称
多重構造部の止水方法
出願人
株式会社IHI
代理人
個人
主分類
F16L
55/17 20060101AFI20251002BHJP(機械要素または単位;機械または装置の効果的機能を生じ維持するための一般的手段)
要約
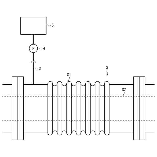
【課題】止水箇所を特定することなく簡便に施工することができる、多重構造部の止水方法を提供する。
【解決手段】本実施形態にかかる多重構造部の止水方法は、破孔箇所Xを有する多重構造部Sの最外殻部S1の内側に形成された空間に吸水性を有する一次止水物質1を供給する一次止水工程と、最外殻部S1の破孔箇所Xを二次止水物質2で封止する二次止水工程と、を含み、多重構造部Sの最外殻部S1の内側から一次止水物質1を供給して破孔箇所Xを粗止水し、二次止水物質2により仕上げ止水するものである。
【選択図】図2
特許請求の範囲
【請求項1】
破孔箇所を有する多重構造部の最外殻部の内側に形成された空間に吸水性を有する一次止水物質を供給する一次止水工程と、
前記最外殻部の前記破孔箇所を二次止水物質で封止する二次止水工程と、
を含むことを特徴とする多重構造部の止水方法。
続きを表示(約 460 文字)
【請求項2】
前記一次止水物質は吸水性ポリマーである、請求項1に記載の多重構造部の止水方法。
【請求項3】
前記二次止水物質は硬化剤であり、前記二次止水工程は前記一次止水物質を供給した空間に前記硬化剤を供給する工程である、請求項1に記載の多重構造部の止水方法。
【請求項4】
前記二次止水物質は樹脂製シートであり、前記二次止水工程は前記最外殻部の外側に前記樹脂製シートを被覆する工程である、請求項1に記載の多重構造部の止水方法。
【請求項5】
前記二次止水物質は樹脂製塗料であり、前記二次止水工程は前記最外殻部の外側に前記樹脂製塗料を塗布する工程である、請求項1に記載の多重構造部の止水方法。
【請求項6】
前記二次止水物質は耐放射線性を有する止水物質である、請求項1に記載の多重構造部の止水方法。
【請求項7】
前記一次止水工程及び前記二次止水工程は、遠隔操作可能なロボットにより施工される、請求項1に記載の多重構造部の止水方法。
発明の詳細な説明
【技術分野】
【0001】
本発明は、多重構造部の止水方法に関し、特に、多重構造部の最外殻部における漏水の抑止に適した、多重構造部の止水方法に関する。
続きを表示(約 1,100 文字)
【背景技術】
【0002】
有害物質を含む気体又は液体が流れる配管は多重配管構造(例えば、二重配管、三重配管等)を有することが多い。また、有害物質を含む気体又は液体を貯蔵するタンクにおいても多重隔壁構造(例えば、二重隔壁、三重隔壁等)を有することが多い。以下、本明細書において、「多重構造部」とは多重配管構造及び多重隔壁構造の両方を含む意味である。
【0003】
多重構造部の最外殻部に破孔が生じた場合、破孔した部分から漏水する可能性がある。この破孔した部分から漏水した水分には有害物質が含まれている可能性もあることから止水することが好ましい。
【0004】
例えば、特許文献1には、原子力発電所の配管の結合に用いられる伸縮管継手が開示されており、この伸縮管継手を設置する部分は一般に多重管構造を有している。また、特許文献1に記載された発明では、伸縮管継手のベローズの破損を防止するためのカバーが設けられている。
【先行技術文献】
【特許文献】
【0005】
特開2022-96821号公報
【発明の概要】
【発明が解決しようとする課題】
【0006】
多重構造部から漏水が生じた場合、例えば、破孔した部分に速硬性のポリウレア等の樹脂を吹き付ける、破孔した部分に堰を構築してウレタンゴム等の止水材を充填する等の止水方法を採用することが考えられる。
【0007】
しかしながら、速硬性のポリウレアは止水の確実性に課題がある。また、例えば、特許文献1に記載された発明のように、ベローズがカバーに覆われている場合には、破孔箇所を特定することができず、破孔した部分に直接的に止水材を供給することができないという問題がある。
【0008】
また、多重構造部が原子力発電施設等のように人の侵入や滞在時間が制限される場所にある場合には、遠隔操作で止水作業を施工する必要があり、堰を構築して止水材を充填する止水作業は施工が困難であるという問題がある。
【0009】
本発明はかかる問題点に鑑み創案されたものであり、止水箇所を特定することなく簡便に施工することができる、多重構造部の止水方法を提供することを目的とする。
【課題を解決するための手段】
【0010】
本発明によれば、破孔箇所を有する多重構造部の最外殻部の内側に形成された空間に吸水性を有する一次止水物質を供給する一次止水工程と、前記最外殻部の前記破孔箇所を二次止水物質で封止する二次止水工程と、を含むことを特徴とする多重構造部の止水方法が提供される。
(【0011】以降は省略されています)
この特許をJ-PlatPat(特許庁公式サイト)で参照する
関連特許
株式会社IHIポールワース
炉頂装置
3日前
株式会社IHI
判定方法
11日前
株式会社IHIアグリテック
農作業機
1か月前
株式会社IHIアグリテック
農作業機
27日前
株式会社IHIアグリテック
トレーラ
1か月前
株式会社IHI
無人飛行体
1か月前
株式会社IHIインフラシステム
塗膜除去方法
1か月前
株式会社IHI
誘導加熱装置
3か月前
株式会社IHI原動機
脈動減衰装置
2か月前
株式会社IHI
制御システム
3か月前
株式会社IHI
基板固定構造
2か月前
株式会社IHI
給電システム
2か月前
株式会社IHI原動機
エンジン装置
1か月前
株式会社IHIインフラシステム
塗膜除去方法
3か月前
株式会社IHI
油圧PWM制御弁
3日前
株式会社IHI検査計測
プローブ取付装置
3か月前
株式会社IHI回転機械エンジニアリング
サイレンサ及び過給機
4日前
株式会社IHIインフラ建設
合成桁の床版撤去方法
3か月前
株式会社IHI建材工業
セグメントの接合構造
1か月前
株式会社IHI
多重構造部の止水方法
1か月前
株式会社IHI
ラジアルフォイル軸受
1か月前
株式会社IHI
走査装置および走査方法
1か月前
株式会社IHIインフラ建設
ワイヤロープ油除去装置
1か月前
株式会社IHI
修復装置および修復方法
2か月前
株式会社IHI
クリンチング接合検査装置
24日前
株式会社IHI
探索装置、および、探索方法
3日前
株式会社IHIインフラシステム
吊材取替方法及び吊材取替装置
1か月前
株式会社IHI
ガス除害装置及びガス除害方法
2か月前
株式会社IHI汎用ボイラ
ボイラ及び水素ガスのパージ方法
2か月前
株式会社IHI検査計測
ボルトねじ部のき裂検査装置と方法
3か月前
株式会社IHI
乾燥装置、および、含水率の推定方法
2か月前
株式会社IHI
橋梁の管理方法および橋梁の管理装置
2か月前
株式会社IHI
超音波接合方法、および、超音波接合装置
11日前
株式会社IHI
認識装置、認識方法、及び、認識プログラム
2か月前
JFEスチール株式会社
高炉の原料装入方法
3日前
株式会社IHI
鉄または鉄合金を接着する組成物および接着方法
3日前
続きを見る
他の特許を見る