TOP
|
特許
|
意匠
|
商標
特許ウォッチ
Twitter
他の特許を見る
10個以上の画像は省略されています。
公開番号
2025149744
公報種別
公開特許公報(A)
公開日
2025-10-08
出願番号
2024050568
出願日
2024-03-26
発明の名称
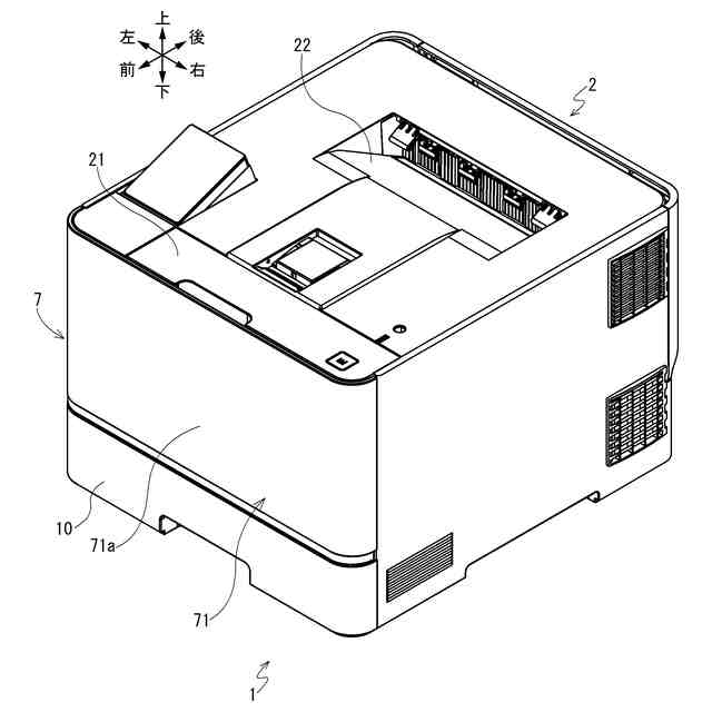
画像形成装置
出願人
ブラザー工業株式会社
代理人
弁理士法人矢野内外国特許事務所
主分類
G03G
21/16 20060101AFI20251001BHJP(写真;映画;光波以外の波を使用する類似技術;電子写真;ホログラフイ)
要約
【課題】トレイカバーの組み付け性を向上することができる画像形成装置を提供する。
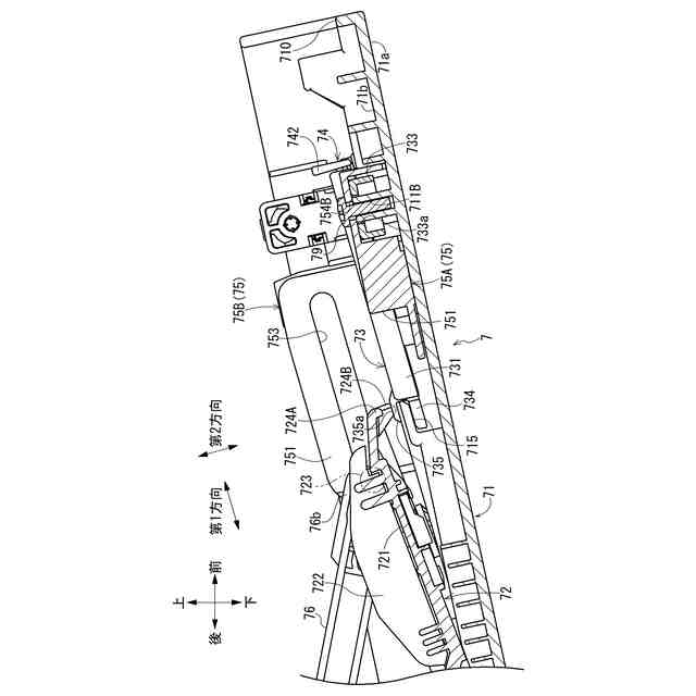
【解決手段】画像形成装置1においては、エクステンションカバー73は、回転軸線X方向における両端部に、エクステンションカバー73をMPトレイカバー71に固定するための取付孔733aを有し、ガイド部材75は、ガイド部材75をMPトレイカバー71に固定するための取付孔754Bを有し、取付孔733aと取付孔754Bとは互いに重なり合っており、エクステンションカバー73とガイド部材75とは、取付孔733aと取付孔754Bとに挿通された同一のネジ79によってMPトレイカバー71に固定されている。
【選択図】図12
特許請求の範囲
【請求項1】
開口を有する装置本体と、
前記装置本体に回動軸線を中心として回動可能に支持されるカバー本体であって、前記回動軸線を中心として回動することで前記開口を開放する開位置と前記開口を閉鎖する閉位置とに移動可能なカバー本体と、
前記装置本体に設けられたシート搬送部と、
前記シート搬送部に供給するシートを支持する第1トレイと、
前記カバー本体に支持され、前記カバー本体が前記開位置に位置するときに、前記第1トレイを挟んで前記シート搬送部と反対側に位置する第2トレイと、
前記カバー本体と前記第2トレイとの間に位置する収納位置と、前記収納位置に対して前記第1トレイから離れる側に引き出された引出位置との間で移動可能な第3トレイと、
前記第1トレイの回転軸線方向における両側において前記カバー本体に支持され、前記第1トレイを案内する複数のガイド部材と、
を備え、
前記第2トレイは、前記回転軸線方向における両端部に、前記第2トレイを前記カバー本体に固定するための第1取付孔を有し、
前記ガイド部材は、前記ガイド部材を前記カバー本体に固定するための第2取付孔を有し、
前記第1取付孔と前記第2取付孔とは互いに重なり合っており、
前記第2トレイと前記ガイド部材とは、前記第1取付孔と前記第2取付孔とに挿通された同一の締結部材によって前記カバー本体に固定されている画像形成装置。
続きを表示(約 1,300 文字)
【請求項2】
前記第2トレイは、シートを案内するシート案内面と、前記シート案内面よりも前記回動軸線方向に突出する突出片とを有し、
前記第1取付孔は、前記突出片に形成されている請求項1に記載の画像形成装置。
【請求項3】
前記第2トレイのシート供給方向における下流端部には、前記シート供給方向の下流側に突出する複数の突起が形成され、
前記カバー本体は、前記突起が挿入される挿入穴を有し、
前記第1取付孔は、前記第2トレイのシート供給方向における上流端部に位置している請求項1に記載の画像形成装置。
【請求項4】
前記第3トレイの前記収納位置から前記引出位置へ向かう引き出し方向は、前記第1トレイから遠ざかるに従って前記カバー本体から離れる側に傾斜している請求項1に記載の画像形成装置。
【請求項5】
前記カバー本体は、前記収納位置にある前記第3トレイに向かって延びる補強リブを有する請求項4に記載の画像形成装置。
【請求項6】
前記収納位置に移動した前記第3トレイは、前記カバー本体が前記閉位置に位置した状態において、前記第3トレイの先端と前記装置本体との間に隙間が形成される位置に位置する請求項1に記載の画像形成装置。
【請求項7】
前記シート搬送部は、給送ローラと、分離ローラと、分離パッドとを有し、
前記第1トレイを前記給送ローラに接近する接近位置と、前記接近位置よりも前記給送ローラから離間する離間位置との間で移動させる昇降機構を備え、
前記カバー本体が開位置にあり、前記第1トレイが前記離間位置に移動した状態において、前記第1トレイの前記第2トレイ側端部における下端の少なくとも一部が、前記第2トレイの前記第1トレイ側端部における上端よりもカバー本体の近くに位置する請求項1に記載の画像形成装置。
【請求項8】
前記シート搬送部は、給送ローラと、分離ローラと、分離パッドとを有し、
前記第1トレイを前記給送ローラに接近する接近位置と、前記接近位置よりも前記給送ローラから離間する離間位置との間で移動させる昇降機構と、
複数の前記ガイド部材の少なくとも一方に設けられ、前記第1トレイに向かって延びる係合部と、前記第1トレイに設けられ、前記ガイド部材に向かって延びる被係合部とを有し、前記カバー本体が前記閉位置に位置した状態で、前記係合部と前記被係合部とが係合して、前記第1トレイが前記近接位置に移動することを規制する規制機構と、
を備える請求項1に記載の画像形成装置。
【請求項9】
前記カバー本体が前記開位置にあるときには、前記係合部と前記被係合部との係合は解除され、
前記カバー本体が前記開位置から前記閉位置へ移動する過程において、前記係合部と前記被係合部とが係合する請求項8に記載の画像形成装置。
【請求項10】
前記第1トレイは、前記カバー本体の前記開位置と前記閉位置との間の移動に伴って、前記ガイド部材に案内されることにより、前記カバー本体に対して前記シート供給方向に沿って移動する請求項9に記載の画像形成装置。
発明の詳細な説明
【技術分野】
【0001】
本発明は、画像形成装置に関する。
続きを表示(約 1,300 文字)
【背景技術】
【0002】
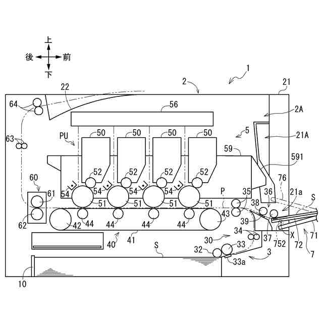
従来、特許文献1に開示されるように、シート搬送部に供給するシートを支持するシートトレイと、シートトレイを支持するトレイカバーとを備えた画像形成装置が知られている。
【0003】
特許文献1に開示される画像形成装置においては、トレイカバーは、カバー本体と、一対のリブと、カバー板と、一対のリンクレールとを有しており、カバー本体と、一対のリブと、カバー板と、一対のリンクレールとは一体成形されている。
【先行技術文献】
【特許文献】
【0004】
特開2023-72452号公報
【発明の概要】
【発明が解決しようとする課題】
【0005】
トレイカバーには、上記部品に加えて補強用のリブ等も一体成形されており、構造が複雑になるため、トレイカバーを射出成形によって成形することが困難であった。
【0006】
また、カバー本体と、一対のリブ、カバー板、および一対のリンクレール等の他の部品とを、別体の部品として形成すると、トレイカバーを構成するために組み付ける部品の数が増加して、トレイカバーの組み付け性が低下してしまう。
【0007】
そこで、本発明においては、トレイカバーの組み付け性を向上することができる画像形成装置を提供する。
【課題を解決するための手段】
【0008】
上記課題を解決する画像形成装置は、以下の特徴を有する。
【0009】
即ち、画像形成装置は、開口を有する装置本体と、前記装置本体に回動軸線を中心として回動可能に支持されるカバー本体であって、前記回動軸線を中心として回動することで前記開口を開放する開位置と前記開口を閉鎖する閉位置とに移動可能なカバー本体と、前記装置本体に設けられたシート搬送部と、前記シート搬送部に供給するシートを支持する第1トレイと、前記カバー本体に支持され、前記カバー本体が前記開位置に位置するときに、前記第1トレイを挟んで前記シート搬送部と反対側に位置する第2トレイと、前記カバー本体と前記第2トレイとの間に位置する収納位置と、前記収納位置に対して前記第1トレイから離れる側に引き出された引出位置との間で移動可能な第3トレイと、前記第1トレイの回転軸線方向における両側において前記カバー本体に支持され、前記第1トレイを案内する複数のガイド部材と、を備え、前記第2トレイは、前記回転軸線方向における両端部に、前記第2トレイを前記カバー本体に固定するための第1取付孔を有し、前記ガイド部材は、前記ガイド部材を前記カバー本体に固定するための第2取付孔を有し、前記第1取付孔と前記第2取付孔とは互いに重なり合っており、前記第2トレイと前記ガイド部材とは、前記第1取付孔と前記第2取付孔とに挿通された同一の締結部材によって前記カバー本体に固定されている。
【0010】
これにより、ガイド部材と第2トレイとが同一の締結部材によってカバー本体に固定されるため、ガイド部材および第2トレイのカバー本体に対する組み付け性を向上することができる。
(【0011】以降は省略されています)
この特許をJ-PlatPat(特許庁公式サイト)で参照する
関連特許
ブラザー工業株式会社
印刷装置
4日前
ブラザー工業株式会社
印刷装置
16日前
ブラザー工業株式会社
画像形成装置
3日前
ブラザー工業株式会社
画像形成装置
3日前
ブラザー工業株式会社
画像形成装置
3日前
ブラザー工業株式会社
画像形成装置
3日前
ブラザー工業株式会社
サポートプログラム
3日前
ブラザー工業株式会社
サポートプログラム
3日前
ブラザー工業株式会社
プリンタおよびプログラム
5日前
ブラザー工業株式会社
プリンタおよびプログラム
5日前
ブラザー工業株式会社
プログラム、データ処理装置、および、データ処理方法
5日前
ブラザー工業株式会社
通信システム、サーバ、および、コンピュータプログラム
3日前
ブラザー工業株式会社
画像形成装置
9日前
ブラザー工業株式会社
情報処理プログラム、情報処理装置、情報処理方法、印刷プログラム、印刷装置、及び印刷方法
5日前
個人
表示装置
18日前
個人
雨用レンズカバー
16日前
株式会社シグマ
絞りユニット
1か月前
キヤノン株式会社
撮像装置
1か月前
キヤノン株式会社
撮像装置
1か月前
日本精機株式会社
車両用投射装置
24日前
平和精機工業株式会社
雲台
2か月前
キヤノン株式会社
撮像装置
9日前
キヤノン株式会社
撮像装置
9日前
キヤノン株式会社
撮像装置
9日前
キヤノン株式会社
撮像装置
1か月前
株式会社リコー
画像形成装置
1か月前
株式会社リコー
画像形成装置
1か月前
株式会社リコー
画像形成装置
2か月前
株式会社リコー
画像形成装置
6日前
株式会社リコー
画像形成装置
3日前
株式会社リコー
画像形成装置
2か月前
株式会社リコー
画像形成装置
3日前
株式会社リコー
画像形成装置
2か月前
ブラザー工業株式会社
再生方法
2か月前
キヤノン株式会社
トナー
1か月前
株式会社オプトル
プロジェクタ
1か月前
続きを見る
他の特許を見る