TOP
|
特許
|
意匠
|
商標
特許ウォッチ
Twitter
他の特許を見る
公開番号
2025149495
公報種別
公開特許公報(A)
公開日
2025-10-08
出願番号
2024050192
出願日
2024-03-26
発明の名称
駆動回路
出願人
ローム株式会社
代理人
個人
,
個人
,
個人
,
個人
主分類
H02M
1/08 20060101AFI20251001BHJP(電力の発電,変換,配電)
要約
【課題】正規信号の検出精度を向上させること。
【解決手段】駆動回路は、複数のパルス信号SETをローレベルの複数のパルス信号SETBにそれぞれ変換して伝送ラインL1に順に出力するとともに、パルス信号RSETをローレベルのパルス信号RSETBに変換して伝送ラインL2に出力するレベルシフト回路23と、電圧VL1がローレベルであることを検出したことに応じて検出信号Det1を出力し、電圧VL2がローレベルであることを検出したことに応じて検出信号Det2を出力する検出回路25と、検出回路25から出力される1番目の検出信号Det1に応じて、電源ラインPLHと伝送ラインL1との間に設けられたスイッチング素子45をオン状態に設定し、検出回路25から出力される2番目の検出信号Det1に応じて、入力信号HINの第1エッジを復元する復元回路26と、を備える。
【選択図】図4
特許請求の範囲
【請求項1】
ハイサイドトランジスタの駆動回路であって、
入力信号の第1エッジに応じて連続するハイレベルの複数の第1パルス信号を生成するとともに、前記入力信号の第2エッジに応じてハイレベルの第2パルス信号を生成する生成回路と、
前記複数の第1パルス信号をローレベルの複数のセットパルス信号にそれぞれ変換して第1伝送ラインに順に出力するとともに、前記第2パルス信号をローレベルのリセットパルス信号に変換して第2伝送ラインに出力するレベルシフト回路と、
前記第1伝送ラインの第1電圧及び前記第2伝送ラインの第2電圧をクランプするクランプ回路であって、ハイサイド電源電位の電源ラインと前記第1伝送ラインとの間に設けられ、前記電源ラインと前記第1伝送ラインとを導通するオン状態と、前記電源ラインと前記第1伝送ラインとを遮断するオフ状態との間で切り替え可能な第1スイッチング素子を有する前記クランプ回路と、
前記第1電圧がローレベルであることを検出したことに応じて第1検出信号を出力し、前記第2電圧がローレベルであることを検出したことに応じて第2検出信号を出力する検出回路と、
前記検出回路から出力される1番目の前記第1検出信号に応じて、前記第1スイッチング素子をオン状態に設定し、前記検出回路から出力される2番目の前記第1検出信号に応じて、前記入力信号の前記第1エッジを復元する復元回路と、
を備える、駆動回路。
続きを表示(約 450 文字)
【請求項2】
前記復元回路は、前記検出回路から出力される3番目以降の前記第1検出信号を無視する、請求項1に記載の駆動回路。
【請求項3】
前記生成回路は、前記第2エッジに応じてハイレベルの複数の第2パルス信号を生成し、
前記クランプ回路は、前記電源ラインと前記第2伝送ラインとの間に設けられ、前記電源ラインと前記第2伝送ラインとを導通するオン状態と、前記電源ラインと前記第2伝送ラインとを遮断するオフ状態との間で切り替え可能な第2スイッチング素子を更に有し、
前記復元回路は、前記検出回路から出力される1番目の前記第2検出信号に応じて、前記第2スイッチング素子をオン状態に設定し、前記検出回路から出力される2番目の前記第2検出信号に応じて、前記入力信号の前記第2エッジを復元する、請求項1又は請求項2に記載の駆動回路。
【請求項4】
前記復元回路は、前記検出回路から出力される3番目以降の前記第2検出信号を無視する、請求項3に記載の駆動回路。
発明の詳細な説明
【技術分野】
【0001】
本開示は、駆動回路に関する。
続きを表示(約 2,000 文字)
【背景技術】
【0002】
特許文献1には、直列に接続された上側スイッチング素子及び下側スイッチング素子のうちの、上側スイッチング素子をオンオフ制御する上側ドライバが記載されている。例えば、特許文献1に記載の上側ドライバにおいては、P端子とN端子との間に上側スイッチング素子と下側スイッチング素子とが直列に接続され、上側スイッチング素子と下側スイッチング素子とが接続されるノードが出力端子に接続されている。
【先行技術文献】
【特許文献】
【0003】
国際公開第2021/131157号
【0004】
[概要]
下側スイッチング素子がオンからオフに切り替えられると、上記出力端子の電圧が上昇する。このとき、正規信号が入力されると、正規信号が検出されないことがある。上側ドライバには、正規信号の検出精度を向上させることが求められる。
【0005】
本開示は、正規信号の検出精度を向上可能な駆動回路を説明する。
【0006】
本開示の一側面に係る駆動回路は、ハイサイドトランジスタの駆動回路であって、入力信号の第1エッジに応じて連続するハイレベルの複数の第1パルス信号を生成するとともに、入力信号の第2エッジに応じてハイレベルの第2パルス信号を生成する生成回路と、複数の第1パルス信号をローレベルの複数のセットパルス信号にそれぞれ変換して第1伝送ラインに順に出力するとともに、第2パルス信号をローレベルのリセットパルス信号に変換して第2伝送ラインに出力するレベルシフト回路と、第1伝送ラインの第1電圧及び第2伝送ラインの第2電圧をクランプするクランプ回路であって、ハイサイド電源電位の電源ラインと第1伝送ラインとの間に設けられ、電源ラインと第1伝送ラインとを導通するオン状態と、電源ラインと第1伝送ラインとを遮断するオフ状態との間で切り替え可能な第1スイッチング素子を有するクランプ回路と、第1電圧がローレベルであることを検出したことに応じて第1検出信号を出力し、第2電圧がローレベルであることを検出したことに応じて第2検出信号を出力する検出回路と、検出回路から出力される1番目の第1検出信号に応じて、第1スイッチング素子をオン状態に設定し、検出回路から出力される2番目の第1検出信号に応じて、入力信号の第1エッジを復元する復元回路と、を備える。
【図面の簡単な説明】
【0007】
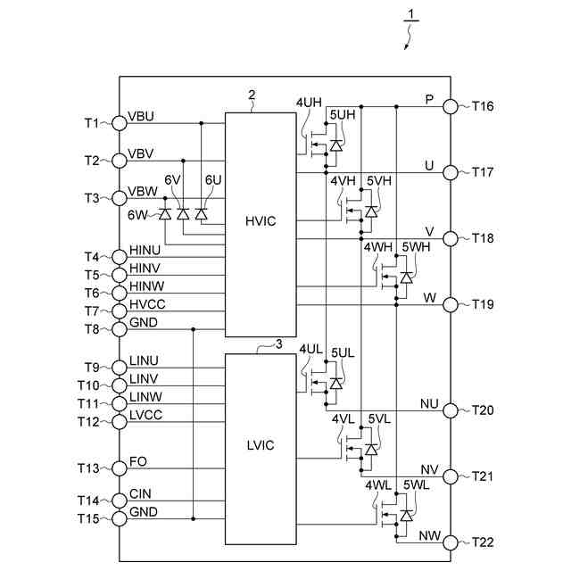
図1は、一実施形態に係るハイサイドトランジスタの駆動回路を含むIPM(Intelligent Power Module)の例示的な内部構成を示す図である。
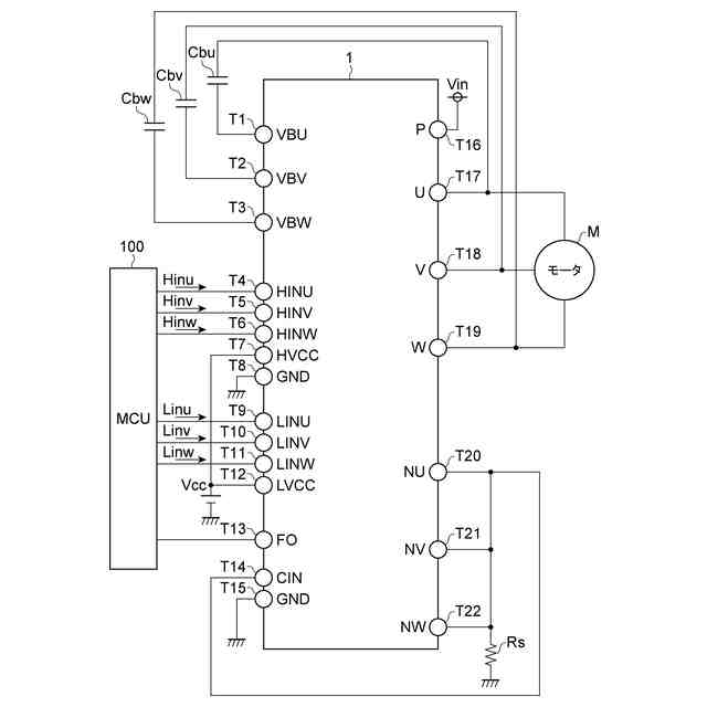
図2は、図1に示されるIPMの適用例を示す図である。
図3は、図1に示されるハイサイドトランジスタの駆動回路を概略的に説明するための図である。
図4は、図3に示されるレベルシフト回路、クランプ回路、及び検出回路の例示的な回路構成を示す図である。
図5は、図3に示される復元回路の例示的な回路構成を示す図である。
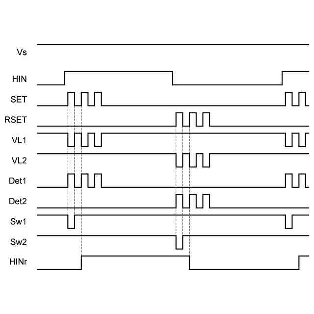
図6は、図5に示される復元回路の動作を説明するための図である。
図7は、図3に示される駆動回路の、上回生時における動作を説明するための図である。
図8は、図3に示される駆動回路の、正規信号の入力時における動作を説明するための図である。
【0008】
[詳細な説明]
以下、図面を参照しながら本開示の実施形態が詳細に説明される。なお、図面の説明において同一要素には同一符号が付され、重複する説明は省略される。
【0009】
図1及び図2を参照しながら、一実施形態に係るハイサイドトランジスタの駆動回路を含むIPMを説明する。図1は、一実施形態に係るハイサイドトランジスタの駆動回路を含むIPMの例示的な内部構成を示す図である。図2は、図1に示されるIPMの適用例を示す図である。
【0010】
図1及び図2に示されるIPM1は、パワー素子とゲートドライバとを1パッケージに封入したデバイスである。IPM1のパッケージとしては、例えば、DIP(Dual In-line Package)が用いられる。IPM1のパッケージとして、HSDIP(Shrink Dual In-line Package with Heat Sink)及びSMD(Surface Mount Device)などの任意のパッケージが用いられ得る。IPM1は、例えば、MCU(Micro Control Unit)100によって制御され、モータMを駆動する。モータMの例としては、3相DC(Direct Current)ブラシレスモータが挙げられる。
(【0011】以降は省略されています)
この特許をJ-PlatPat(特許庁公式サイト)で参照する
関連特許
ローム株式会社
RAM
28日前
ローム株式会社
電源装置
28日前
ローム株式会社
光センサ
22日前
ローム株式会社
半導体装置
28日前
ローム株式会社
半導体装置
14日前
ローム株式会社
半導体装置
28日前
ローム株式会社
半導体装置
23日前
ローム株式会社
半導体装置
22日前
ローム株式会社
半導体装置
22日前
ローム株式会社
半導体装置
16日前
ローム株式会社
半導体装置
15日前
ローム株式会社
抵抗チップ
15日前
ローム株式会社
半導体装置
14日前
ローム株式会社
半導体装置
16日前
ローム株式会社
半導体集積回路
9日前
ローム株式会社
静電気保護素子
28日前
ローム株式会社
自己診断システム
17日前
ローム株式会社
窒化物半導体装置
15日前
ローム株式会社
半導体パッケージ
15日前
ローム株式会社
半導体メモリ装置
2日前
ローム株式会社
窒化物半導体装置
24日前
ローム株式会社
検証装置及び検証方法
28日前
ローム株式会社
半導体装置及び補正方法
28日前
ローム株式会社
半導体装置、電子機器、車両
9日前
ローム株式会社
半導体装置、電子機器、車両
9日前
ローム株式会社
信号伝達装置、電子機器、車両
24日前
ローム株式会社
半導体装置及びレギュレータ装置
28日前
ローム株式会社
レギュレータ回路を備えた集積回路
28日前
ローム株式会社
パルス幅変調回路およびモータ駆動装置
9日前
ローム株式会社
半導体回路及び半導体回路のテスト方法
28日前
ローム株式会社
パルス幅測定回路、パルス幅の測定方法
28日前
ローム株式会社
電圧電流変換回路および半導体集積回路
9日前
ローム株式会社
音波センサ駆動回路、音波センサ及び車両
28日前
ローム株式会社
電流生成回路、半導体装置、電子機器及び車両
21日前
ローム株式会社
モータドライバ回路およびハードディスク装置
17日前
ローム株式会社
電源制御装置、DC/DCコンバータ、および車両
10日前
続きを見る
他の特許を見る