TOP
|
特許
|
意匠
|
商標
特許ウォッチ
Twitter
他の特許を見る
10個以上の画像は省略されています。
公開番号
2025144427
公報種別
公開特許公報(A)
公開日
2025-10-02
出願番号
2024044188
出願日
2024-03-19
発明の名称
半導体装置及び半導体装置を含む半導体基板
出願人
キオクシア株式会社
代理人
弁理士法人高橋・林アンドパートナーズ
主分類
H04B
5/26 20240101AFI20250925BHJP(電気通信技術)
要約
【課題】半導体装置のインダクタの磁気結合を用いた非接触無線通信を向上する。
【解決手段】一実施形態にかかる半導体装置は、第1コイル配線と、少なくとも配線の一部が第1コイル配線と同一平面上に存在する第2コイル配線と、第1コイル配線と第2コイル配線に同じ信号を供給する駆動ユニットと、を含み、第1コイル配線によって囲まれる第1領域と、第2コイル配線によって囲まれる第2領域とが、同一平面に対して直交する方向から見たときに重畳する、第1のインダクタを含む。
【選択図】 図2B
特許請求の範囲
【請求項1】
第1コイル配線と、
少なくとも配線の一部が前記第1コイル配線と同一平面上に存在する第2コイル配線と、
前記第1コイル配線と前記第2コイル配線に同じ信号を供給する駆動ユニットと、を含み、
前記第1コイル配線によって囲まれる第1領域と、前記第2コイル配線によって囲まれる第2領域とが、前記同一平面に対して直交する方向から見たときに重畳する、第1のインダクタを含む半導体装置。
続きを表示(約 1,800 文字)
【請求項2】
前記駆動ユニットは、
前記第1コイル配線に前記信号を供給する第1ドライバと、
前記第2コイル配線に前記信号を供給する第2ドライバと、を備える、請求項1に記載の半導体装置。
【請求項3】
前記第1ドライバに接続する第1タイミング調整回路と、
前記第2ドライバに接続する第2タイミング調整回路と、をさらに含む、請求項2に記載の半導体装置。
【請求項4】
第1の半導体素子層を含む第1のチップと、
前記第1のチップと貼合し、第2の半導体素子層を含む第2のチップと、をさらに含み、
前記第1コイル配線と前記第2コイル配線とは、前記第1のチップの前記第2のチップとの貼合面とは反対側の面に配置される、請求項1に記載の半導体装置。
【請求項5】
第1コイル配線と、少なくとも配線の一部が前記第1コイル配線と同一平面上に存在する第2コイル配線と、前記第1コイル配線と前記第2コイル配線に同じ信号を供給する駆動ユニットと、を含み、前記第1コイル配線によって囲まれる第1領域と、前記第2コイル配線によって囲まれる第2領域とが、前記同一平面に対して直交する方向から見たときに重畳する、第1のインダクタを含む第1の半導体装置と、
前記第1の半導体装置を囲う非有効素子領域に配置され、前記第1のインダクタと磁気結合する第2のインダクタと、を含む半導体基板。
【請求項6】
第3コイル配線と、少なくとも配線の一部が前記第3コイル配線と同一平面上に存在する第4コイル配線と、前記第3コイル配線と前記第4コイル配線に信号を供給する第2駆動ユニットと、を含み、前記第3コイル配線によって囲まれる第3領域と、前記第4コイル配線によって囲まれる第4領域とが、前記方向から見たときに重畳し、前記第2のインダクタと磁気結合する第3のインダクタを含む第2の半導体装置をさらに含む、請求項5に記載の半導体基板。
【請求項7】
前記第1の半導体装置は、第5コイル配線と、少なくとも配線の一部が前記第5コイル配線と同一平面上に存在する第6コイル配線と、前記第5コイル配線と前記第6コイル配線に信号を供給する第3駆動ユニットと、を含み、前記第5コイル配線によって囲まれる第5領域と、前記第6コイル配線によって囲まれる第6領域とが、前記方向から見たときに重畳し、前記第1のインダクタと磁気結合する第4のインダクタをさらに含み、
第7コイル配線と、少なくとも配線の一部が前記第7コイル配線と同一平面上に存在する第8コイル配線と、前記第7コイル配線と前記第8コイル配線に信号を供給する第4駆動ユニットと、を含み、前記第7コイル配線によって囲まれる第7領域と、前記第8コイル配線によって囲まれる第8領域とが、前記方向から見たときに重畳し、前記第4のインダクタと磁気結合する第5のインダクタを含む、第2の半導体装置をさらに含む、請求項5に記載の半導体基板。
【請求項8】
前記第1の半導体装置は、第5コイル配線と、少なくとも配線の一部が前記第5コイル配線と同一平面上に存在する第6コイル配線と、前記第5コイル配線と前記第6コイル配線に信号を供給する第3駆動ユニットと、を含み、前記第5コイル配線によって囲まれる第5領域と、前記第6コイル配線によって囲まれる第6領域とが、前記方向から見たときに重畳し、前記第1のインダクタと磁気結合する第4のインダクタをさらに含み、
前記非有効素子領域に配置され、前記第4のインダクタと磁気結合する第6のインダクタと、
第7コイル配線と、少なくとも配線の一部が前記第7コイル配線と同一平面上に存在する第8コイル配線と、前記第7コイル配線と前記第8コイル配線に信号を供給する第4駆動ユニットと、を含み、前記第7コイル配線によって囲まれる第7領域と、前記第8コイル配線によって囲まれる第8領域とが、前記方向から見たときに重畳し、前記第6のインダクタと磁気結合する第5のインダクタを含む、第2の半導体装置と、をさらに含む、請求項5に記載の半導体基板。
【請求項9】
前記第2のインダクタと接続する外部端子をさらに含む、請求項5に記載の半導体基板。
発明の詳細な説明
【技術分野】
【0001】
本開示の実施形態は半導体装置及び半導体装置を含む半導体基板に関する。
続きを表示(約 1,800 文字)
【背景技術】
【0002】
磁気結合を用いた非接触無線通信を目的としてインダクタを含む半導体装置がある。このような半導体装置では、非接触で通信可能であり、有線通信装置に必須な送受信器間の信号配線を省略できる。また、この信号配線に起因した伝送ロスを軽減することができる。
【先行技術文献】
【特許文献】
【0003】
米国特許第7312685号明細書
米国特許出願公開第2008/0169895号明細書
米国特許出願公開第2016/0155558号明細書
【発明の概要】
【発明が解決しようとする課題】
【0004】
磁気結合を用いた非接触無線通信を向上したインダクタを含む半導体装置を提供する。
【課題を解決するための手段】
【0005】
一実施形態にかかる半導体装置は、第1コイル配線と、少なくとも配線の一部が第1コイル配線と同一平面上に存在する第2コイル配線と、第1コイル配線と第2コイル配線に同じ信号を供給する駆動ユニットと、を含み、第1コイル配線によって囲まれる第1領域と、第2コイル配線によって囲まれる第2領域とが、同一平面に対して直交する方向から見たときに重畳する、第1のインダクタを含む。
【図面の簡単な説明】
【0006】
磁気結合による非接触無線通信を説明する斜視図である。
送信インダクタの両端の入力信号を示す図である。
送信インダクタに流れる電流の時間変化を示す図である。
本開示の一実施形態にかかる半導体装置のインダクタを説明する上面図である。
本開示の一実施形態にかかる半導体装置の駆動ユニットを説明する回路図である。
本開示の一実施形態にかかる半導体装置のインダクタを説明する斜視図である。
本開示の一実施形態にかかる半導体装置のインダクタを説明する斜視図である。
本開示の一実施形態にかかる半導体装置の駆動ユニットを説明する回路図である。
本開示の一実施形態にかかる半導体装置の駆動ユニットを説明する回路図である。
本開示の一実施形態にかかる半導体装置を説明する断面図である。
本開示の一実施形態にかかる半導体装置を説明する断面図である。
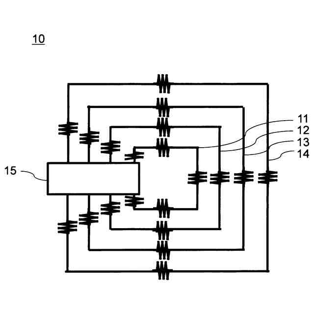
本開示の一実施形態にかかる半導体基板の構成を説明する上面図である。
本開示の一実施形態にかかる半導体基板を説明する拡大上面図である。
本開示の一実施形態にかかる半導体基板を説明する拡大上面図である。
本開示の一実施形態にかかる半導体基板を説明する拡大上面図である。
本開示の一実施形態にかかる半導体基板を説明する拡大上面図である。
【発明を実施するための形態】
【0007】
以下、本実施形態にかかる半導体装置及び半導体基板について図面を参照して具体的に説明する。以下の説明において、略同一の機能及び構成を有する要素について、同一符号又は同一符号の後にアルファベットが追加された符号が付されており、必要な場合にのみ重複して説明する。以下に示す各実施形態は、この実施形態の技術的思想を具体化するための装置や方法を例示する。実施形態は、発明の要旨を逸脱しない範囲において種々の変更を加えることができる。これら実施形態やその変形例は、特許請求の範囲に記載された発明とその均等の範囲に含まれる。
【0008】
図面は、説明をより明確にするため、実際の態様に比べ、各部の幅、厚さ、形状等について模式的に表される場合があるが、あくまで一例であって、本発明の解釈を限定するものではない。本明細書と各図面において、既出の図面に関して説明したものと同様の機能を備えた要素には、同一の符号を付して、重複する説明を省略することがある。
【0009】
本明細書において「αはA、B又はC」を含む、といった表現は、特に明示が無い限り、αがA~Cの複数の組み合わせを含む場合を排除しない。さらに、これらの表現は、αが他の要素を含む場合も排除しない。
【0010】
以下の各実施形態は、技術的な矛盾を生じない限り、互いに組み合わせることができる。
(【0011】以降は省略されています)
この特許をJ-PlatPat(特許庁公式サイト)で参照する
関連特許
キオクシア株式会社
記憶装置
8日前
キオクシア株式会社
記憶装置
2日前
キオクシア株式会社
記憶装置
2日前
キオクシア株式会社
記憶装置
4日前
キオクシア株式会社
記憶装置
今日
キオクシア株式会社
半導体装置
今日
キオクシア株式会社
半導体装置
2日前
キオクシア株式会社
半導体装置
1日前
キオクシア株式会社
半導体装置
1日前
キオクシア株式会社
半導体装置
8日前
キオクシア株式会社
磁気記憶装置
4日前
キオクシア株式会社
通信システム
2日前
キオクシア株式会社
磁気記憶装置
4日前
キオクシア株式会社
磁気記憶装置
1日前
キオクシア株式会社
磁気記憶装置
2日前
キオクシア株式会社
磁気記憶装置
2日前
キオクシア株式会社
基板ユニット
4日前
キオクシア株式会社
半導体記憶装置
今日
キオクシア株式会社
メモリシステム
1日前
キオクシア株式会社
半導体記憶装置
1日前
キオクシア株式会社
半導体記憶装置
4日前
キオクシア株式会社
半導体記憶装置
今日
キオクシア株式会社
有機分子メモリ
今日
キオクシア株式会社
メモリデバイス
7日前
キオクシア株式会社
メモリデバイス
今日
キオクシア株式会社
半導体記憶装置
2日前
キオクシア株式会社
半導体記憶装置
今日
キオクシア株式会社
半導体記憶装置
今日
キオクシア株式会社
半導体記憶装置
2日前
キオクシア株式会社
メモリデバイス
2日前
キオクシア株式会社
半導体記憶装置
今日
キオクシア株式会社
メモリシステム
14日前
キオクシア株式会社
半導体記憶装置
2日前
キオクシア株式会社
半導体記憶装置
4日前
キオクシア株式会社
半導体記憶装置
4日前
キオクシア株式会社
メモリデバイス
今日
続きを見る
他の特許を見る