TOP
|
特許
|
意匠
|
商標
特許ウォッチ
Twitter
他の特許を見る
公開番号
2025141897
公報種別
公開特許公報(A)
公開日
2025-09-29
出願番号
2025038877
出願日
2025-03-12
発明の名称
コンバータシステム、コンバータシステムの制御方法及び無停電電源システム
出願人
株式会社GSユアサ
代理人
主分類
H02M
7/48 20070101AFI20250919BHJP(電力の発電,変換,配電)
要約
【課題】信号線で接続することなく、並列に接続された複数台の三相PWMコンバータのキャリア信号の位相差を抑制することができるコンバータシステム及び無停電電源システムを提供する。
【解決手段】トランスレスで複数台が並列に接続された第一変換器12は、ブリッジ接続されたスイッチング素子Q1~Q6のオンオフ制御によって入力電圧V
R
、V
S
、V
T
を中間直流電圧V
AB
に変換する。制御部20は、入力電圧V
R
、V
S
、V
T
に基づく搬送波とキャリア信号との比較によってスイッチング素子Q1~Q6をオンオフ制御するPWM信号を生成する。制御部20は、搬送波の三相の中の2つが重なる付近を位相判定タイミングとする。制御部20は、位相判定タイミングの重ならない他のコンバータ電流において、キャリア周波数の約2倍の周波数成分が支配的になるように、キャリア信号の位相を調整する。
【選択図】図1
特許請求の範囲
【請求項1】
ブリッジ接続されたスイッチング素子のオンオフ制御によって三相交流電圧を直流電圧に変換する三相PWMコンバータがトランスレスで複数台が並列に接続されたコンバータシステムであって、
複数台の前記三相PWMコンバータをそれぞれ独立で制御する複数の制御部は、前記三相交流電圧に基づく搬送波とキャリア信号との比較によって、前記三相PWMコンバータの前記スイッチング素子をオンオフ制御するPWM信号を生成するコンバータ制御機能ブロックをそれぞれ備え、
複数の前記制御部の全部もしくは1台を除く全部は、前記搬送波の三相の中の2つが重なる付近を位相判定タイミングとして、重ならない他の相のコンバータ電流において、キャリア周波数の約2倍の周波数成分が支配的になるように、前記キャリア信号の位相を調整する同期制御機能ブロックを備えるコンバータシステム。
続きを表示(約 1,700 文字)
【請求項2】
前記同期制御機能ブロックは、重ならない他の相の前記コンバータ電流において、前記キャリア周波数の約2倍の周波数成分に対する前記キャリア周波数の約1倍の周波数成分の比率が予め設定された判定閾値未満になるように前記キャリア信号の位相を調整する請求項1に記載のコンバータシステム。
【請求項3】
前記同期制御機能ブロックは、前記キャリア周波数の約1倍の周波数成分よりも低い帯域をカットすると共に、前記キャリア周波数の約2倍の周波数成分よりも高い帯域をカットする帯域制限フィルタと、
前記帯域制限フィルタを通過した前記コンバータ電流の周波数成分を解析する位相判定部と、を備える請求項2に記載のコンバータシステム。
【請求項4】
前記同期制御機能ブロックは、前記キャリア周波数の約1倍の周波数成分を通過させる第1フィルタと、前記キャリア周波数の約2倍の周波数成分を通過させる第2フィルタと、
前記第1フィルタを通過した前記コンバータ電流と、前記第2フィルタを通過した前記コンバータ電流とを解析する位相判定部と、を備える請求項2に記載のコンバータシステム。
【請求項5】
請求項1に記載のコンバータシステムと、
ブリッジ接続された前記スイッチング素子のオンオフ制御によって複数台の前記三相PWMコンバータが変換した前記直流電圧を三相の出力電圧に変換する三相PWMインバータと、を備えた無停電電源システム。
【請求項6】
前記制御部は、前記搬送波と、前記同期制御機能ブロックによって位相調整された前記キャリア信号との比較によって、前記三相PWMインバータの前記スイッチング素子をオンオフ制御するPWM信号を生成するインバータ制御機能ブロックを備える請求項5に記載の無停電電源システム。
【請求項7】
ブリッジ接続されたスイッチング素子のオンオフ制御によって三相交流電圧を直流電圧に変換する三相PWMコンバータがトランスレスで複数台が並列に接続されたコンバータシステムの制御方法であって、
複数台の前記三相PWMコンバータは、前記三相交流電圧に基づく搬送波とキャリア信号との比較によって、前記三相PWMコンバータの前記スイッチング素子をオンオフ制御するPWM信号をそれぞれ生成し、
複数台の前記三相PWMコンバータの全部もしくは1台を除く全部は、前記搬送波の三相の中の2つが重なる付近を位相判定タイミングとして、重ならない他の相のコンバータ電流において、キャリア周波数の約2倍の周波数成分が支配的になるように、前記キャリア信号の位相を調整するコンバータシステムの制御方法。
【請求項8】
ブリッジ接続されたスイッチング素子のオンオフ制御によって電力を変換するPWMコンバータがトランスレスで複数台が並列に接続されたコンバータシステムであって、
複数台の前記PWMコンバータをそれぞれ独立で制御する複数の制御部は、搬送波とキャリア信号との比較によって、前記PWMコンバータの前記スイッチング素子をオンオフ制御するPWM信号を生成するコンバータ制御機能ブロックをそれぞれ備え、
複数の前記制御部の全部もしくは1台を除く全部は、コンバータ電流と、前記キャリア信号の周波数とを用いて前記キャリア信号の位相を調整する同期制御機能ブロックを備えるコンバータシステム。
【請求項9】
ブリッジ接続されたスイッチング素子のオンオフ制御によって電力を変換するPWMコンバータがトランスレスで複数台が並列に接続されたコンバータシステムの制御方法であって、
複数台の前記PWMコンバータは、搬送波とキャリア信号との比較によって、前記PWMコンバータの前記スイッチング素子をオンオフ制御するPWM信号をそれぞれ生成し、
複数の前記PWMコンバータの全部もしくは1台を除く全部は、コンバータ電流と、前記キャリア信号の周波数とを用いて前記キャリア信号の位相を調整するコンバータシステムの制御方法。
発明の詳細な説明
【技術分野】
【0001】
本発明は、複数台のPWMコンバータが並列に接続されたコンバータシステム及び無停電電源システムに関する。
続きを表示(約 1,600 文字)
【背景技術】
【0002】
特許文献1に示すように、PWMコンバータを備えた複数台の三相無停電電源装置をトランスレスで並列に接続した無停電電源システムは、バッテリが共通の場合、循環電流が流れる。循環電流には、並列に接続された複数台のPWMコンバータにおけるキャリア信号の位相差に起因する成分がある。従って、循環電流は、並列に接続された複数台のPWMコンバータに共通のキャリア信号を分配して使用することで低減できる。
【先行技術文献】
【特許文献】
【0003】
特開2024-5823号公報
【発明の概要】
【発明が解決しようとする課題】
【0004】
しかしながら、複数台の三相無停電電源装置が並列に接続された無停電電源システムは、並列するUPSが近くに配置されるとは限らず、電力線と信号線がUPS間線で束線分離できない場合がある。この場合、並列に接続された複数台のPWMコンバータは、共通のキャリア信号にノイズが重畳したりするため、キャリア信号が正確に検出できなかったり、位相差が生じてしまう。
【0005】
本発明の一態様は、信号線で接続することなく、並列に接続された複数台のPWMコンバータのキャリア信号の位相差を抑制することができるコンバータシステム、コンバータシステムの制御方法及び無停電電源システムを提供することにある。
【課題を解決するための手段】
【0006】
本発明の一態様に係るコンバータシステムは、トランスレスで複数台が並列に接続された三相PWMコンバータを備える。PWMコンバータは、ブリッジ接続されたスイッチング素子のオンオフ制御によって三相交流電圧を直流電圧に変換する。複数台の三相PWMコンバータをそれぞれ独立で制御する複数の制御部を備える。複数の制御部は、コンバータ制御機能ブロックをそれぞれ備える。コンバータ制御機能ブロックは、入力電圧に基づく搬送波とキャリア信号との比較によってスイッチング素子をオンオフ制御するPWM信号を生成する。複数の制御部の全部もしくは1台を除く全部は、同期制御機能ブロックを備える。同期制御機能ブロックは、搬送波の三相の中の2つが重なる付近を位相判定タイミングとして、重ならない他の相のコンバータ電流において、キャリア周波数の約2倍の周波数成分が支配的になるように、キャリア信号の位相を調整する。
【発明の効果】
【0007】
本発明の一態様によれば、トランスレスで複数台が並列に接続されたPWMコンバータを信号線で接続することなく、並列に接続された複数台のPWMコンバータでPWM信号の生成に使用するキャリア信号の位相差を抑制することができる。
【図面の簡単な説明】
【0008】
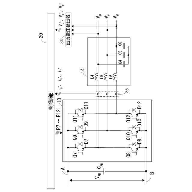
無停電電源装置システムの構成例を示す図である。
図1に示す入力フィルタ及び第一変換器を示す図である。
図1に示す第二変換器及び出力フィルタを示す図である。
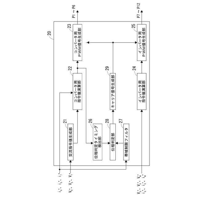
図1に示す制御部を示す図である。
位相検出タイミングを示す図である。
位相検出タイミングのコンバータ電流を示す図である。
解析結果(一次/二次)のシミュレーションを示す図である。
位相調整動作を示すフローチャートである。
【発明を実施するための形態】
【0009】
以下、図を参照して本発明の実施の形態を詳細に説明する。以下の実施の形態において、同様の機能を示す構成には、同一の符号を付して適宜説明を省略する。
【0010】
本実施の形態の無停電電源システム1は、図1を参照すると、複数の無停電電源装置1
0a、10b(以下、UPS10a、10bと称す)と、停電時にバックアップ電力を供給する蓄電装置4と、を備える。
(【0011】以降は省略されています)
この特許をJ-PlatPat(特許庁公式サイト)で参照する
関連特許
個人
電源装置
22日前
個人
バッテリ内蔵直流電源
21日前
株式会社FUJI
制御盤
11日前
日本精機株式会社
サージ保護回路
3日前
西部電機株式会社
充電装置
3日前
オムロン株式会社
電源回路
15日前
オムロン株式会社
電源回路
15日前
西部電機株式会社
充電装置
3日前
オムロン株式会社
電源回路
15日前
トヨタ自動車株式会社
固定子
1日前
トヨタ自動車株式会社
回転子
22日前
トヨタ自動車株式会社
回転子
7日前
ミサワホーム株式会社
居住設備
11日前
東京応化工業株式会社
発電装置
15日前
大豊工業株式会社
モータ
21日前
トヨタ自動車株式会社
製造装置
1日前
個人
連続ガウス加速器形磁力増幅装置
3日前
株式会社リコー
拡張アンテナ装置
14日前
個人
太陽エネルギー収集システム
1日前
株式会社ミツバ
ブラシレスモータ
2日前
カヤバ株式会社
筒型リニアモータ
2日前
東京瓦斯株式会社
通信装置
2日前
トヨタ自動車株式会社
被膜形成装置
1日前
トヨタ自動車株式会社
ロータ
9日前
ユタカ電業株式会社
ケーブルダクト
11日前
日産自動車株式会社
ステータ
8日前
ニチコン株式会社
AC入力検出回路
7日前
富士電子工業株式会社
電力変換装置
23日前
東京瓦斯株式会社
給電システム
2日前
株式会社ミツバ
巻線装置
14日前
株式会社正興電機製作所
地絡確認装置
14日前
株式会社ダイヘン
電力システム
3日前
株式会社ダイヘン
電力変換装置
3日前
ASTI株式会社
電力変換装置
1日前
株式会社大林組
可搬式充電設備
8日前
株式会社デンソー
電力変換装置
7日前
続きを見る
他の特許を見る