TOP
|
特許
|
意匠
|
商標
特許ウォッチ
Twitter
他の特許を見る
公開番号
2025134566
公報種別
公開特許公報(A)
公開日
2025-09-17
出願番号
2024032551
出願日
2024-03-04
発明の名称
電気回路及び増幅器
出願人
株式会社東芝
代理人
個人
,
個人
,
個人
,
個人
主分類
H03F
1/02 20060101AFI20250909BHJP(基本電子回路)
要約
【課題】簡易な回路構成で、高効率かつ広帯域の特性の増幅器を提供する。
【解決手段】増幅器は、入力される第1信号を増幅する第1アンプの出力信号のインピーダンスを変換する第1インピーダンス変換器を有する第1基板と、入力される第2信号を増幅する第2アンプの出力信号のインピーダンスを変換する第2インピーダンス変換器を有する第2基板と、前記第1基板に一部分が設けられて前記第2基板に残りの部分が設けられ、交流信号を通過させるとともに直流信号を遮断する電気部品を有する第3インピーダンス変換器と、を備え、前記第1インピーダンス変換器の出力信号と前記第3インピーダンス変換器の出力信号とは、合成されて出力される。
【選択図】図12
特許請求の範囲
【請求項1】
入力される第1信号を増幅する第1アンプの出力信号のインピーダンスを変換する第1インピーダンス変換器を有する第1基板と、
入力される第2信号を増幅する第2アンプの出力信号のインピーダンスを変換する第2インピーダンス変換器を有する第2基板と、
前記第1基板に一部分が設けられて前記第2基板に残りの部分が設けられ、交流信号を通過させるとともに直流信号を遮断する電気部品を有する第3インピーダンス変換器と、を備え、
前記第1インピーダンス変換器の出力信号と前記第3インピーダンス変換器の出力信号とは、合成されて出力される、
電気回路。
続きを表示(約 1,000 文字)
【請求項2】
前記第1インピーダンス変換器、前記第2インピーダンス変換器、及び前記第3インピーダンス変換器を有し、前記第1インピーダンス変換器の出力信号と前記第3インピーダンス変換器の出力信号とを合成して出力する合成器を備える、
請求項1に記載の電気回路。
【請求項3】
前記第1インピーダンス変換器の出力信号と前記第3インピーダンス変換器の出力信号とを合成する合成ノードを有し、
前記第1基板は、前記合成ノードから前記第2基板に向かって分岐する分岐部を有し、
前記第1基板の一部分は、前記分岐部の一端部に設けられる、
請求項1に記載の電気回路。
【請求項4】
前記第1アンプの寄生成分及び前記第1インピーダンス変換器の電気長は、90度であり、
前記第2アンプの寄生成分及び前記第2インピーダンス変換器の電気長は、90度であり、
前記第3インピーダンス変換器の電気長は、90度である、
請求項1に記載の電気回路。
【請求項5】
前記電気部品は、前記第1基板の前記一部分と前記第2基板の前記残りの部分とにはんだ付けされる、
請求項1に記載の電気回路。
【請求項6】
前記合成器が前記第1アンプに見せるインピーダンスが周波数特性を表すスミスチャートの中心に対して反時計回りに回るインピーダンス軌跡を描くように、前記電気部品の素子値、前記第1基板の種類、又は前記第2基板の種類の少なくとも一つが調整される、
請求項2に記載の電気回路。
【請求項7】
前記合成された信号の周波数が高くなるに従って位相がより進むように、前記電気部品の素子値、前記第1基板の種類、又は前記第2基板の種類の少なくとも一つが調整される、
請求項1に記載の電気回路。
【請求項8】
前記第1基板及び前記第2基板は、誘電率、厚さ、又は基板材料の少なくとも一つを含む種類が互いに異なる、
請求項7に記載の電気回路。
【請求項9】
前記電気部品は、キャパシタ、インダクタ、又は抵抗の少なくとも1つを含む、
請求項1に記載の電気回路。
【請求項10】
前記第1基板の一部分の幅と前記第2基板の他の部分の幅とは、前記電気部品の幅よりも大きい、
請求項1に記載の電気回路。
(【請求項11】以降は省略されています)
発明の詳細な説明
【技術分野】
【0001】
本発明の一実施形態は、電気回路及び増幅器に関する。
続きを表示(約 2,700 文字)
【背景技術】
【0002】
高周波入力信号の振幅に応じて動作させるアンプの数を動的に切り替えるドハティ増幅器が知られている。ドハティ増幅器は、メインアンプとピークアンプで構成される。トランジスタで設計したメインアンプ及びピークアンプなどは、ドハティ増幅器などのパワーアンプが見せるインピーダンスはスミスチャート上で時計回りのインピーダンス軌跡を描くため、高効率かつ広帯域の特性を得るには、パワーアンプの出力にスミスチャート上で反時計回りのインピーダンス軌跡を実現する負荷を接続する必要がある。
【0003】
しかしながら、一般的なパワーアンプでは、スミスチャート上で時計回りのインピーダンス軌跡しか得られず、結果として、高効率かつ広帯域の特性を得るのが容易ではない。
【先行技術文献】
【特許文献】
【0004】
AR191191(AMPLEON Application Report)
【発明の概要】
【発明が解決しようとする課題】
【0005】
そこで、本発明の一実施形態では、簡易な回路構成で、高効率かつ広帯域の特性の電気回路及び増幅器を提供するものである。
【課題を解決するための手段】
【0006】
上記の課題を解決するために、本発明の一実施形態によれば、 入力される第1信号を増幅する第1アンプの出力信号のインピーダンスを変換する第1インピーダンス変換器を有する第1基板と、
入力される第2信号を増幅する第2アンプの出力信号のインピーダンスを変換する第2インピーダンス変換器を有する第2基板と、
前記第1基板に一部分が設けられて前記第2基板に残りの部分が設けられ、交流信号を通過させるとともに直流信号を遮断する電気部品を有する第3インピーダンス変換器と、を備え、
前記第1インピーダンス変換器の出力信号と前記第3インピーダンス変換器の出力信号とは、合成されて出力される、
電気回路が提供される。
【図面の簡単な説明】
【0007】
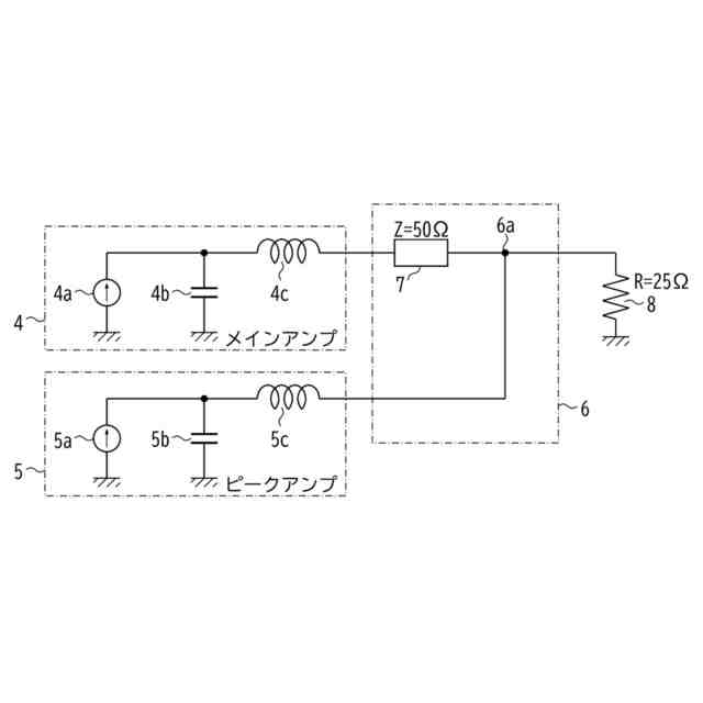
一実施形態に係る増幅器の概略的な構成を示すブロック図。
一実施形態に係る増幅器の理想的な等価回路図。
図2の理想的な等価回路からなるインピーダンス変換器が負荷側に見せる通過位相特性を示す図。
一実施形態に係る増幅器の寄生成分を考慮に入れた等価回路図。
図4のインピーダンス変換器を第1~第3インピーダンス変換器に置換した等価回路図。
図6A、図6B及び図6Cは一般的なインピーダンス変換器を説明する図。
図6Bのスミスチャートを説明する図。
複素共役を説明する図。
図8の複素共役に関する周波数特性を説明する図。
一般的なドハティ増幅器用合成器がメインアンプに見せる周波数特性を表すスミスチャートと、高効率を得るためにメインアンプに見せたい理想的な合成器の周波数特性を表すスミスチャートとを比較した図。
図11Aは一比較例に係るドハティ増幅器用合成器がメインアンプに見せる周波数特性と、図11Bは図10Bと同様に理想的な合成器の周波数特性を表すスミスチャート。
一実施形態に係る増幅器の平面レイアウト図。
図12に示す一実施形態に係る合成器の周波数特性を表すスミスチャート。
一実施形態に係る増幅器の等価回路図。
基板で設計したマイクロストリップ線路の幅を段階的に変えてインピーダンスを変換する負荷変換器の平面図。
2つの基板で設計したマイクロストリップ線路を繋げた負荷変換器を示す平面図。
回路Aの電磁界シミュレーションを説明する図。
基板種類が異なる回路Aと回路Bを繋げた回路の電磁界シミュレーションを説明する図。
2つの基板上の2つの回路を電気部品を介して接続する実施形態を説明する図。
図19の回路A及び回路Bの電磁界シミュレーション方法の第1例を説明する図。
第1例の電磁界シミュレーション結果を示す図。
図19の回路A及び回路Bの電磁界シミュレーション方法の第2例を説明する図。
第2例の電磁界シミュレーション結果を示す図。
電磁界シミュレーションで使用した第1基板、電気部品、及び第2基板のサイズと、第1基板、電気部品、及び第2基板を流れる電流を示す図。
電磁界シミュレーション結果を示す図。
第1及び第2基板の間に2つの電気部品を並列に接続する例を示す図。
第1及び第2基板の間に3つの電気部品を並列に接続する例を示す図。
第1及び第2基板の間にキャパシタからなる電気部品を接続した場合の等価回路図。
図27の伝達特性を示すグラフ。
互いに異なる基板種類の第1基板と第2基板との間に複数のキャパシタを並列に接続する例を示す図。
第1基板と第2基板との間で送信される信号の周波数帯域と共振周波数との関係を示す図。
本実施形態に係る増幅器の寄生成分を考慮に入れた等価回路図。
図31の第1~第3インピーダンス変換器の通過位相特性を示す図。
本実施形態の一変形例に係る増幅器のブロック図。
一実施形態の一変形例に係る増幅器の平面レイアウト図。
【発明を実施するための形態】
【0008】
以下、図面を参照して、電気回路及び増幅器の実施形態について説明する。以下では、増幅器の主要な構成部分を中心に説明するが、増幅器には、図示又は説明されていない構成部分や機能が存在しうる。以下の説明は、図示又は説明されていない構成部分や機能を除外するものではない。
【0009】
図1は一実施形態に係る電気回路10及び増幅器1の概略的な構成を示すブロック図である。一実施形態に係る増幅器1は、図1に示すように、分配器2と、直流電圧源3と、メインアンプ4と、ピークアンプ5と、合成器6とを備える。後述するように、一実施形態に係る電気回路10は、増幅器1の一部である。
【0010】
分配器2は、増幅器1の入力信号を複数の信号に分配する。本明細書では、分配器2が入力信号を第1信号と第2信号に分配する例を説明する。
(【0011】以降は省略されています)
この特許をJ-PlatPat(特許庁公式サイト)で参照する
関連特許
株式会社東芝
端子台
1か月前
株式会社東芝
電子源
3日前
株式会社東芝
電子回路
1か月前
株式会社東芝
除去装置
1か月前
株式会社東芝
半導体装置
3日前
株式会社東芝
半導体装置
1か月前
株式会社東芝
高周波回路
1か月前
株式会社東芝
真空バルブ
1か月前
株式会社東芝
真空バルブ
4日前
株式会社東芝
半導体装置
4日前
株式会社東芝
半導体装置
4日前
株式会社東芝
半導体装置
10日前
株式会社東芝
半導体装置
1か月前
株式会社東芝
半導体装置
1か月前
株式会社東芝
半導体装置
1か月前
株式会社東芝
半導体装置
18日前
株式会社東芝
半導体装置
1か月前
株式会社東芝
半導体装置
3日前
株式会社東芝
ディスク装置
1か月前
株式会社東芝
光電流センサ
4日前
株式会社東芝
補修システム
1か月前
株式会社東芝
コントローラ
1か月前
株式会社東芝
電気化学装置
3日前
株式会社東芝
半導体スイッチ
1か月前
株式会社東芝
半導体集積回路
1か月前
株式会社東芝
半導体デバイス
4日前
株式会社東芝
半導体デバイス
4日前
株式会社東芝
電気車制御装置
1か月前
株式会社東芝
地熱発電システム
10日前
株式会社東芝
パワーモジュール
24日前
株式会社東芝
パワーモジュール
24日前
株式会社東芝
磁気ディスク装置
5日前
株式会社東芝
磁気ディスク装置
1か月前
株式会社東芝
センサ及び電子装置
5日前
株式会社東芝
原子力設備冠水方法
3日前
株式会社東芝
踏板フレーム及び踏板
10日前
続きを見る
他の特許を見る