TOP
|
特許
|
意匠
|
商標
特許ウォッチ
Twitter
他の特許を見る
公開番号
2025131059
公報種別
公開特許公報(A)
公開日
2025-09-09
出願番号
2024028559
出願日
2024-02-28
発明の名称
モールド付磁性コア
出願人
北川工業株式会社
代理人
名古屋国際弁理士法人
主分類
H01F
17/06 20060101AFI20250902BHJP(基本的電気素子)
要約
【課題】磁性コアの変形及び破損が抑制されたモールド付磁性コアを提供する。
【解決手段】モールド付磁性コアは、磁性コアと、カラーと、モールド部と、を備える。磁性コアは、磁性材料の薄帯を巻回して環状に構成される。カラーは、外周側から内周側に向かって外力が加えられる場合の機械的強度が磁性コアよりも高い筒状体であり、磁性コアの内周側に配置されて、外周面で磁性コアの内周面に接触する。モールド部は、樹脂材料によって構成され、少なくとも磁性コアの両端面及び外周面を覆う位置に設けられる。
【選択図】図2
特許請求の範囲
【請求項1】
磁性材料の薄帯を巻回して環状に構成される磁性コアと、
外周側から内周側に向かって外力が加えられる場合の機械的強度が前記磁性コアよりも高い筒状体であり、前記磁性コアの内周側に配置されて、外周面で前記磁性コアの内周面に接触するカラーと、
樹脂材料によって構成され、少なくとも前記磁性コアの両端面及び外周面を覆う位置に設けられるモールド部と、
を備えるモールド付磁性コア。
続きを表示(約 310 文字)
【請求項2】
請求項1に記載のモールド付磁性コアであって、
前記モールド部は、更に前記カラーの両端面及び内周面を覆う位置にも形成される、
モールド付磁性コア。
【請求項3】
請求項1又は請求項2に記載のモールド付磁性コアであって、
前記磁性材料は、Fe基ナノ結晶合金である、
モールド付磁性コア。
【請求項4】
請求項1又は請求項2に記載のモールド付磁性コアであって、
前記カラーは、熱可塑性樹脂、熱硬化性樹脂、金属、ガラス及びセラミックの中から選ばれるいずれか1種又は2種以上の材料で構成されている、
モールド付磁性コア。
発明の詳細な説明
【技術分野】
【0001】
本開示は、モールド付磁性コアに関する。
続きを表示(約 2,000 文字)
【背景技術】
【0002】
アモルファス磁性薄帯からなる閉磁路磁心(本開示でいう磁性コア。)を樹脂モールドする技術が開示されている(例えば、特許文献1参照。)。
【先行技術文献】
【特許文献】
【0003】
特開昭58-56305号公報
【発明の概要】
【発明が解決しようとする課題】
【0004】
磁性材料の薄帯を巻回して構成される磁性コアは、フェライトコアのような焼結体に比べると、機械的強度が低い。そのため、そのような磁性コアを樹脂モールドする際に、磁性コアが配置された金型内へ樹脂材料を射出すると、樹脂材料から受ける圧力によって磁性コアが変形したり破損したりする場合がある。磁性コアが変形又は破損すれば、磁性コアの性能が劣化するおそれがある。
【0005】
本開示の一局面においては、磁性コアの変形及び破損が抑制されたモールド付磁性コアを提供することが望ましい。
【課題を解決するための手段】
【0006】
(1)本開示の一態様は、モールド付磁性コアであって、磁性コアと、カラーと、モールド部と、を備える。磁性コアは、磁性材料の薄帯を巻回して環状に構成される。カラーは、外周側から内周側に向かって外力が加えられる場合の機械的強度が磁性コアよりも高い筒状体であり、磁性コアの内周側に配置されて、外周面で磁性コアの内周面に接触する。モールド部は、樹脂材料によって構成され、少なくとも磁性コアの両端面及び外周面を覆う位置に設けられる。
【0007】
このように構成されたモールド付磁性コアによれば、磁性コアの内周側に上述のようなカラーが配置されている。そのため、カラーが配置されていない場合に比べ、磁性コアが中心方向へ潰れにくくなる。したがって、モールド部を設ける際に、磁性コアが樹脂材料から圧力を受けたとしても、カラーによって磁性コアの変形や破損を抑制でき、磁性コアの変形及び破損が抑制されたモールド付磁性コアを提供することができる。
【0008】
なお、本開示のモールド付磁性コアは、更に以下のような構成を備えていてもよい。
(2)本開示の一態様では、モールド部は、更にカラーの両端面及び内周面を覆う位置にも形成されてもよい。
【0009】
(3)本開示の一態様では、磁性材料は、Fe基ナノ結晶合金であってもよい。
(4)本開示の一態様では、カラーは、熱可塑性樹脂、熱硬化性樹脂、金属、ガラス及びセラミックの中から選ばれるいずれか1種又は2種以上の材料で構成されていてもよい。
【図面の簡単な説明】
【0010】
図1Aは第1実施形態のモールド付磁性コアを右前上方から見た斜視図である。図1Bは第1実施形態のモールド付磁性コアを左後下方から見た斜視図である。
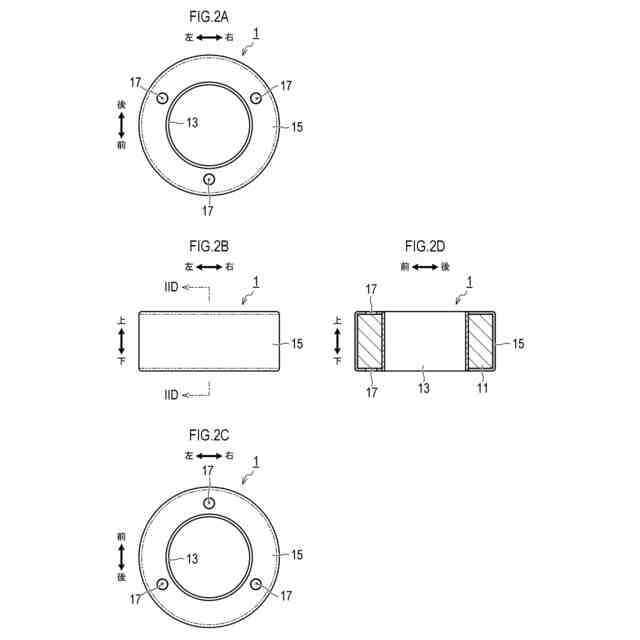
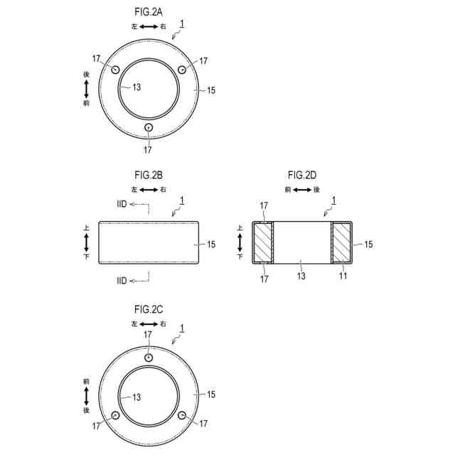
図2Aは第1実施形態のモールド付磁性コアの平面図である。図2Bは第1実施形態のモールド付磁性コアの正面図である。図2Cは第1実施形態のモールド付磁性コアの底面図である。図2Dは第1実施形態のモールド付磁性コアを図2B中にIID-IID線で示す箇所で切断した場合における断面図である。
図3Aは第2実施形態のモールド付磁性コアを右前上方から見た斜視図である。図3Bは第2実施形態のモールド付磁性コアを左後下方から見た斜視図である。
図4Aは第2実施形態のモールド付磁性コアの平面図である。図4Bは第2実施形態のモールド付磁性コアの正面図である。図4Cは第2実施形態のモールド付磁性コアの底面図である。図4Dは第2実施形態のモールド付磁性コアを図4B中にIVD-IVD線で示す箇所で切断した場合における断面図である。
図5Aは第3実施形態のモールド付磁性コアを右前上方から見た斜視図である。図5Bは第3実施形態のモールド付磁性コアを左後下方から見た斜視図である。
図6Aは第3実施形態のモールド付磁性コアの平面図である。図6Bは第3実施形態のモールド付磁性コアの正面図である。図6Cは第3実施形態のモールド付磁性コアの右側面図である。図6Dは第3実施形態のモールド付磁性コアを図6C中にVID-VID線で示す箇所で切断した場合における断面図である。
図7Aは第4実施形態のモールド付磁性コアを右前上方から見た斜視図である。図7Bは第4実施形態のモールド付磁性コアを左後下方から見た斜視図である。
図8Aは第4実施形態のモールド付磁性コアの平面図である。図8Bは第4実施形態のモールド付磁性コアの正面図である。図8Cは第4実施形態のモールド付磁性コアの底面図である。図8Dは第4実施形態のモールド付磁性コアを図8B中にVIIID-VIIID線で示す箇所で切断した場合における断面図である。
【発明を実施するための形態】
(【0011】以降は省略されています)
この特許をJ-PlatPat(特許庁公式サイト)で参照する
関連特許
北川工業株式会社
磁性積層体
7日前
北川工業株式会社
モールド付磁性コア
2か月前
APB株式会社
蓄電セル
28日前
東ソー株式会社
絶縁電線
1か月前
個人
フレキシブル電気化学素子
1か月前
マクセル株式会社
電源装置
22日前
日新イオン機器株式会社
イオン源
1か月前
ローム株式会社
半導体装置
1か月前
株式会社東芝
端子台
22日前
ローム株式会社
半導体装置
29日前
株式会社ユーシン
操作装置
1か月前
株式会社GSユアサ
蓄電装置
23日前
株式会社GSユアサ
蓄電設備
1か月前
株式会社ホロン
冷陰極電子源
1か月前
株式会社GSユアサ
蓄電装置
1日前
株式会社GSユアサ
蓄電装置
23日前
富士電機株式会社
電磁接触器
1日前
三菱電機株式会社
回路遮断器
9日前
株式会社GSユアサ
蓄電設備
1か月前
オムロン株式会社
電磁継電器
1か月前
株式会社GSユアサ
蓄電装置
15日前
太陽誘電株式会社
コイル部品
1か月前
トヨタ自動車株式会社
バッテリ
1か月前
トヨタ自動車株式会社
冷却構造
1か月前
トヨタ自動車株式会社
バッテリ
28日前
日本特殊陶業株式会社
保持装置
14日前
日新イオン機器株式会社
基板処理装置
25日前
北道電設株式会社
配電具カバー
28日前
日東電工株式会社
積層体
1か月前
ノリタケ株式会社
熱伝導シート
1か月前
トヨタ自動車株式会社
蓄電装置
23日前
日本特殊陶業株式会社
保持装置
1か月前
サクサ株式会社
電池の固定構造
1か月前
トヨタ自動車株式会社
蓄電装置
1か月前
東レエンジニアリング株式会社
実装装置
1か月前
トヨタ自動車株式会社
電池パック
1か月前
続きを見る
他の特許を見る