TOP
|
特許
|
意匠
|
商標
特許ウォッチ
Twitter
他の特許を見る
公開番号
2025126143
公報種別
公開特許公報(A)
公開日
2025-08-28
出願番号
2025018818
出願日
2025-02-07
発明の名称
ウエハリング位置決めステージ
出願人
盛詮科技股フン有限公司
代理人
弁理士法人テックロー国際知財事務所
,
個人
,
個人
主分類
H01L
21/683 20060101AFI20250821BHJP(基本的電気素子)
要約
【課題】ウエハリングを挟持固定する力が過大になることによるウエハリングの変形を防止するウエハリング位置決めステージを提供する。
【解決手段】ウエハリングAを載置する本体部20を有するウエハリング位置決めステージにおいて、本体部には、水平的に本体部に設置される第1平面21と、それぞれが本体部の対向する二つの端部に位置し、第1平面に設置される第1固定当接部231材及び第1移動当接部材241と、ウエハリングを挟持するように、第1固定当接部材に対して接近又は離間するように第1移動当接部材を駆動する駆動部材と、第1移動当接部材が第1固定当接部材から離れるように第1移動当接部材を付勢する弾性部材と、を有する。
【選択図】図3
特許請求の範囲
【請求項1】
ウエハリングを載置するウエハリング位置決めステージであって、
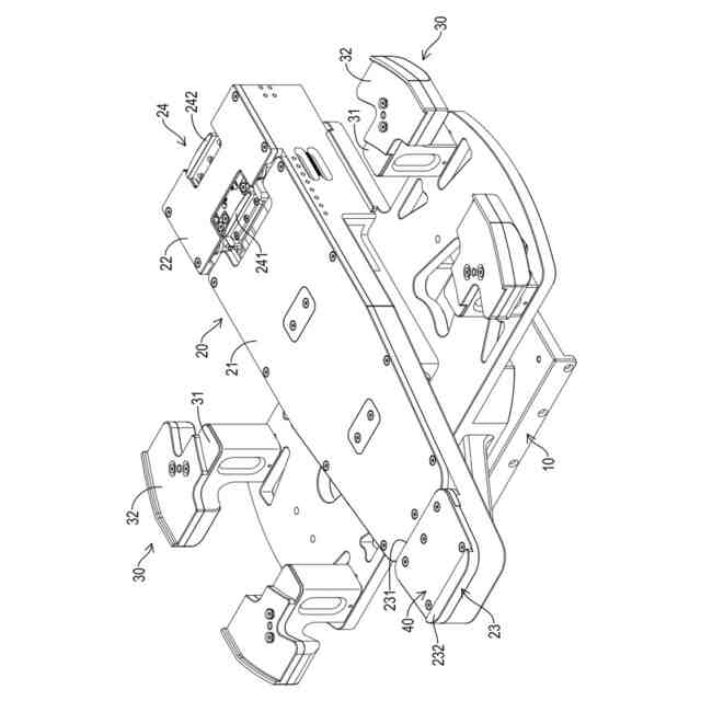
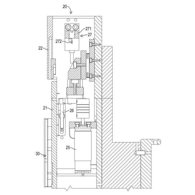
ベースと、前記ウエハリングを載置するように前記ベースに固設される本体部を備え、
前記本体部には、
水平的に前記本体部に設置される第1平面と、
前記本体部の一端部に位置し、前記第1平面に固設される第1固定当接部材と、
移動可能に前記本体部の他端部に設置され、前記第1固定当接部材と対向する第1移動当接部材と、
前記第1平面の高さより高く、水平的に前記本体部に設置される第2平面と、
前記第1固定当接部材と共に前記本体部の前記一端部に位置し、前記第2平面に固設される第2固定当接部材と、
移動可能に前記本体部の前記他端部に設置され、前記第2固定当接部材と対向する第2移動当接部材と、
前記第1移動当接部材に接続され、前記第1固定当接部材に対して選択的に接近又は離間するように前記第1移動当接部材を駆動させる駆動部材と、
前記第1移動当接部材に接続され、前記第1移動当接部材が前記第1固定当接部材から離れるように前記第1移動当接部材を付勢する弾性部材と、を有する、ウエハリング位置決めステージ。
続きを表示(約 650 文字)
【請求項2】
前記ベースに固設され、且つ間隔をあけて前記本体部の両側に設置される複数の支持部材を有し、
前記支持部材の各々の頂部の高さは、前記第1平面の高さと同一であることを特徴とする請求項1に記載のウエハリング位置決めステージ。
【請求項3】
前記ベースに固設され、且つ間隔をあけて前記本体部の両側に設置される複数の支持部材を有し、
前記支持部材の各々の頂部は、
高さが前記第1平面の高さと同一の第1階段と、
高さが前記第2平面の高さと同一の第2階段と、を有することを特徴とする請求項1に記載のウエハリング位置決めステージ。
【請求項4】
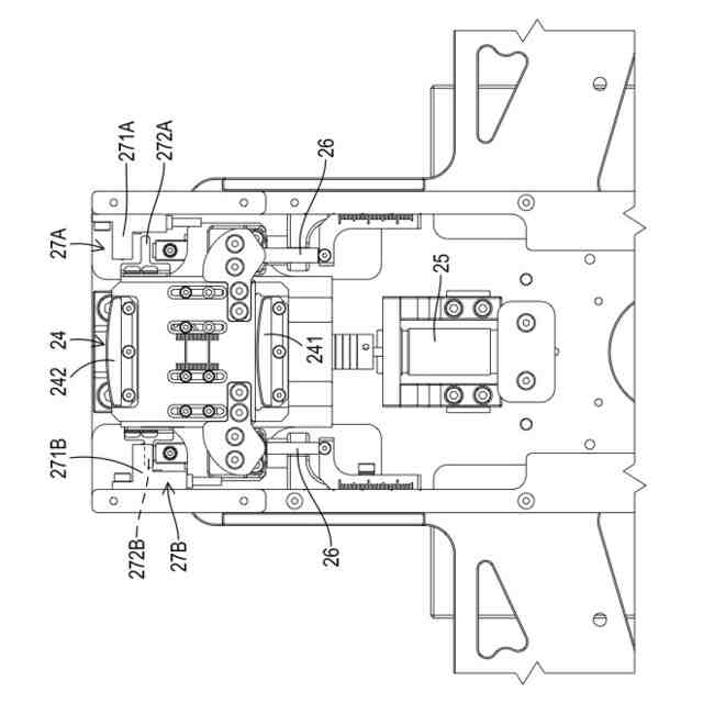
前記第1移動当接部材の位置を計測するセンサアセンブリを有し、その計測結果に基づき、前記駆動部材は前記第1移動当接部材を駆動させることを特徴とする請求項1~3のいずれか1項に記載のウエハリング位置決めステージ。
【請求項5】
前記センサアセンブリが光学センサであることを特徴とする請求項4に記載のウエハリング位置決めステージ。
【請求項6】
前記ウエハリングに接触し、帯電防止のコーティングが施された表面を更に有することを特徴とする請求項1~3のいずれか1項に記載のウエハリング位置決めステージ。
【請求項7】
前記ウエハリングに接触し、帯電防止のコーティングが施された表面を更に有することを特徴とする請求項4に記載のウエハリング位置決めステージ。
発明の詳細な説明
【技術分野】
【0001】
本発明は、ウエハリング位置決めステージに関するものである。
続きを表示(約 1,900 文字)
【背景技術】
【0002】
半導体産業では、ウエハに対し切断や研磨等の加工を施す時、加工過程においてウエハの摺動を避けるために、ウエハリングに薄いフィルムを貼り付けた上で、そのフィルムにウエハを載置する。また、加工完了後、クリーニングされたウエハリングは再度使用することができる。つまり、加工の過程において、ウエハはウエハリングに固設されて、ウエハリングと共に移動する。
【0003】
例えば、米国特許出願公開第2021/0301871号明細書と米国特許出願公開第2019/0203373号明細書に記載される通り、ウエハ生産ラインの各加工ステーションには、加工過程においてウエハの変位を避けるために、ウエハリングを係合して固定し、ウエハとウエハリングを正確な加工位置に位置決めするウエハリング位置決めステージが設置されている。また、ウエハとウエハリングが加工ステーションのウエハリング位置決めステージの間を移動する際、ロボットアームで一つのウエハリング位置決めステージからウエハリングを持ち上げて、該ウエハリングを別のウエハリング位置決めステージに係合する。
【0004】
しかしながら、従来のウエハリング位置決めステージにおけるウエハリングを挟持するための部材は、ベースに固設されており、且つベース上において移動することができない。即ち、このようなウエハリング位置決めステージでは、挟持力や挟持範囲を調整することができず、ウエハリングの弾性変形により着脱作業を行う必要があるので、ウエハリングの変形(deformation)は容易に発生して、ウエハの加工に支障が起こし、ウエハリングの再利用もできなくなる。
【先行技術文献】
【特許文献】
【0005】
米国特許出願公開第2021/0301871号明細書
米国特許出願公開第2019/0203373号明細書
【発明の概要】
【発明が解決しようとする課題】
【0006】
本発明は、ウエハリングを挟持固定する力が過大になることによる、ウエハリングの変形を防止するウエハリング位置決めステージを提供することを目的とする。
【課題を解決するための手段】
【0007】
本発明のウエハリング位置決めステージは、ウエハリングを載置するウエハリング位置決めステージであって、
ベースと、前記ウエハリングを載置するように前記ベースに固設される本体部を備え、
前記本体部には、
水平的に前記本体部に設置される第1平面と、
前記本体部の一端部に位置し、前記第1平面に固設する第1固定当接部材と、
移動可能に前記本体部の他端部に設置され、前記第1固定当接部材と対向する第1移動当接部材と、
前記第1平面の高さより高く、水平的に前記本体部に設置される第2平面と、
前記第1固定当接部材と共に前記本体部の前記一端部に位置し、前記第2平面に固設される第2固定当接部材と、
移動可能に前記本体部の前記他端部に設置され、前記第2固定当接部材と対向する第2移動当接部材と、
前記第1移動当接部材に接続され、前記第1固定当接部材に対して選択的に接近又は離間するように前記第1移動当接部材を駆動させる駆動部材と、
前記第1移動当接部材に接続され、前記第1移動当接部材が前記第1固定当接部材から離れるように前記第1移動当接部材を付勢する弾性部材と、を有する。
【発明の効果】
【0008】
本発明のウエハリング位置決めステージには、弾性部材と駆動部材を有することから、ウエハリングを挟持、固定する際に、弾性部材がウエハリングが変形しないように、第1移動当接部材を付勢し、第1固定当接部材と第1移動当接部材との間の距離や、その間に発生する挟持力を、ウエハリングの状況に合わせるように調整することができる。
【0009】
上記のウエハリング位置決めステージにおいては、前記ベースに固設され、且つ間隔をあけて前記本体部の両側に設置される複数の支持部材を有し、前記支持部材の各々の頂部の高さは、前記第1平面の高さと同一である。
【0010】
上記のウエハリング位置決めステージにおいては、前記ベースに固設され、且つ間隔をあけて前記本体部の両側に設置される複数の支持部材を有し、前記支持部材の各々の頂部は、高さが前記第1平面の高さと同一の第1階段と、高さが前記第2平面の高さと同一の第2階段と、を有する。
(【0011】以降は省略されています)
この特許をJ-PlatPat(特許庁公式サイト)で参照する
関連特許
東ソー株式会社
絶縁電線
1か月前
APB株式会社
蓄電セル
1か月前
マクセル株式会社
電源装置
25日前
株式会社東芝
端子台
25日前
ローム株式会社
半導体装置
1か月前
日新イオン機器株式会社
イオン源
1か月前
株式会社GSユアサ
蓄電装置
26日前
三菱電機株式会社
回路遮断器
12日前
株式会社GSユアサ
蓄電装置
4日前
富士電機株式会社
電磁接触器
4日前
株式会社GSユアサ
蓄電装置
26日前
株式会社GSユアサ
蓄電装置
18日前
株式会社ホロン
冷陰極電子源
1か月前
トヨタ自動車株式会社
蓄電装置
26日前
トヨタ自動車株式会社
冷却構造
1か月前
日本特殊陶業株式会社
保持装置
1か月前
北道電設株式会社
配電具カバー
1か月前
日本特殊陶業株式会社
保持装置
17日前
日新イオン機器株式会社
基板処理装置
28日前
トヨタ自動車株式会社
バッテリ
1か月前
ローム株式会社
半導体装置
1か月前
ローム株式会社
半導体モジュール
5日前
トヨタ自動車株式会社
電池パック
1か月前
住友電装株式会社
コネクタ
4日前
トヨタ自動車株式会社
密閉型電池
27日前
矢崎総業株式会社
コネクタ
4日前
株式会社デンソー
電子装置
28日前
ヒロセ電機株式会社
電気コネクタ
4日前
株式会社トクヤマ
シリコンエッチング液
1か月前
日本無線株式会社
レーダアンテナ
19日前
日亜化学工業株式会社
半導体レーザ素子
28日前
株式会社トクヤマ
シリコンエッチング液
1か月前
甲神電機株式会社
変流器及び零相変流器
19日前
住友電装株式会社
コネクタ
1か月前
トヨタ自動車株式会社
電池パック
1か月前
株式会社レゾナック
冷却器
12日前
続きを見る
他の特許を見る