TOP
|
特許
|
意匠
|
商標
特許ウォッチ
Twitter
他の特許を見る
10個以上の画像は省略されています。
公開番号
2025119392
公報種別
公開特許公報(A)
公開日
2025-08-14
出願番号
2024014269
出願日
2024-02-01
発明の名称
A/Dコンバータ回路
出願人
ローム株式会社
代理人
個人
,
個人
主分類
H03M
1/10 20060101AFI20250806BHJP(基本電子回路)
要約
【課題】簡便な構成で精度よくアナログ信号をデジタルデータに変換できるA/Dコンバータ回路を提供する。
【解決手段】A/Dコンバータ回路1は、同一のアナログ信号がそれぞれ入力され、所定の位相差を有する複数のトリガー信号に応じて、アナログ信号をデジタル信号に変換する複数のA/Dコンバータ10_1~10_mと、複数のトリガー信号から1つのトリガー信号を選択する選択部と、選択されたトリガー信号に応じて、アナログ信号をデジタル信号に変換する基準A/Dコンバータ10_rと、複数のA/Dコンバータのうちの選択されたトリガー信号に対応するA/Dコンバータが変換したデジタル信号および基準A/Dコンバータが変換したデジタル信号に基づいて、選択されたトリガー信号に対応するA/Dコンバータが変換したデジタル信号を補正するための補正パラメータを取得するパラメータ取得部474,476と、を備える。
【選択図】図7
特許請求の範囲
【請求項1】
同一のアナログ信号がそれぞれ入力され、所定の位相差を有する複数のトリガー信号のうちの対応するトリガー信号に応じて、前記アナログ信号をそれぞれデジタル信号に変換する複数のA/Dコンバータと、
前記複数のトリガー信号から1つのトリガー信号を選択する選択部と、
前記選択されたトリガー信号に応じて、前記アナログ信号をデジタル信号に変換する基準A/Dコンバータと、
前記複数のA/Dコンバータのうちの前記選択されたトリガー信号に対応するA/Dコンバータが変換したデジタル信号および前記基準A/Dコンバータが変換したデジタル信号に基づいて、前記選択されたトリガー信号に対応するA/Dコンバータが変換したデジタル信号を補正するための補正パラメータを取得するパラメータ取得部と、を備える、
A/Dコンバータ回路。
続きを表示(約 480 文字)
【請求項2】
前記補正パラメータに基づいて、前記A/Dコンバータが変換したデジタル信号を補正する補正部をさらに備える、
請求項1に記載のA/Dコンバータ回路。
【請求項3】
前記補正部は、前記補正パラメータに基づいて、前記A/Dコンバータが変換したデジタル信号のオフセットまたはゲインを補正する、
請求項2に記載のA/Dコンバータ回路。
【請求項4】
前記パラメータ取得部は、前記複数のA/Dコンバータが変換したデジタル信号のそれぞれについて前記補正パラメータを取得し、
前記補正部は、前記複数のA/Dコンバータが変換したデジタル信号のそれぞれを前記補正パラメータに基づいて補正する、
請求項2または3に記載のA/Dコンバータ回路。
【請求項5】
前記補正部によってそれぞれ補正された前記複数のA/Dコンバータが変換したデジタル信号を統合し、前記アナログ信号をデジタル波形に変換したデジタルデータを生成する統合部をさらに備える、
請求項4に記載のA/Dコンバータ回路。
発明の詳細な説明
【技術分野】
【0001】
本開示は、A/Dコンバータ回路に関する。
続きを表示(約 1,800 文字)
【背景技術】
【0002】
従来より、複数のA/Dコンバータ(以下、「ADC」とも称する。)を所定の位相差で駆動することにより、アナログ信号をデジタル信号に変換するタイムインターリーブ方式(以下、単に「インターリーブ方式」ともいう。)のA/Dコンバータ回路が利用されている。
【0003】
インターリーブ方式のA/Dコンバータ回路では、複数のADCを使用するため、それらのADCにおけるミスマッチにより、出力データの波形に歪みが起こることがある。特許文献1および非特許文献1には、ミスマッチによる波形の歪みを補正するための技術が開示されている。
【先行技術文献】
【特許文献】
【0004】
特開2014-23164号公報
【非特許文献】
【0005】
松野隼也、古田雅則、板倉哲朗.タイムインターリーブADCの高速化と小面積化を両立させるデジタル補正技術.東芝レビュー.2014,vol.69,no.7,p.28-31
【0006】
[概要]
しかしながら、本発明者らは、以下の課題を認識するに至った。すなわち、簡便な構成でA/Dコンバータの出力データを補正する余地があるものと考えた。
【0007】
本開示はこうした状況に鑑みてなされたものであり、その例示的な目的の一つは、簡便な構成で精度よくアナログ信号をデジタルデータに変換できるA/Dコンバータ回路を提供することにある。
【0008】
本開示のある態様のA/Dコンバータ回路は、同一のアナログ信号がそれぞれ入力され、所定の位相差を有する複数のトリガー信号のうちの対応するトリガー信号に応じて、アナログ信号をそれぞれデジタル信号に変換する複数のA/Dコンバータと、複数のトリガー信号から1つのトリガー信号を選択する選択部と、選択されたトリガー信号に応じて、アナログ信号をデジタル信号に変換する基準A/Dコンバータと、複数のA/Dコンバータのうちの選択されたトリガー信号に対応するA/Dコンバータが変換したデジタル信号および基準A/Dコンバータが変換したデジタル信号に基づいて、選択されたトリガー信号に対応するA/Dコンバータが変換したデジタル信号を補正するための補正パラメータを取得するパラメータ取得部と、を備える。
【0009】
なお、以上の構成要素の任意の組合せ、本開示の表現を方法、装置、システムなどの間で変換したものもまた、本開示の態様として有効である。
【図面の簡単な説明】
【0010】
図1は、参考技術に係るインターリーブ方式のA/Dコンバータ回路を示す図である。
図2は、参考技術に係るA/Dコンバータ回路の動作を説明するための図である。
図3は、スプリアスが現れるデジタルデータの一例を示す図である。
図4は、本開示の一実施形態に係るA/Dコンバータ回路のブロック図である。
図5は、m個のADCに入力されるトリガー信号を示すタイミングチャートである。
図6は、基準ADCがアナログ信号を取得するタイミングを説明するためのタイミングチャートである。
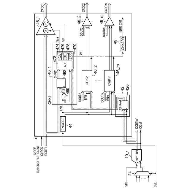
図7は、本開示の一実施形態に係る補正回路ブロックのブロック図である。
図8は、同実施形態に係るA/Dコンバータ回路が取り得るモードを示す図である。
図9は、同実施形態に係るA/Dコンバータ回路が実施するオフセット測定処理のフローチャートである。
図10は、同実施形態に係るA/Dコンバータ回路が実施するゲイン測定処理のフローチャートである。
図11は、同実施形態に係るA/Dコンバータ回路がチャンネル1のオフセットパラメータを取得し、チャンネル1のデジタル信号のオフセットを補正する流れの一例を示すタイミングチャートである。
図12は、同実施形態に係るA/Dコンバータ回路がチャンネル1のゲインパラメータを取得し、チャンネル1のデジタル信号のゲインを補正する流れの一例を示すタイミングチャートである。
図13は、m個のチャンネルについてオフセット測定を実施し、それぞれのチャンネルについてオフセットを補正する流れを示すタイミングチャートである。
(【0011】以降は省略されています)
この特許をJ-PlatPat(特許庁公式サイト)で参照する
関連特許
ローム株式会社
半導体装置
19日前
ローム株式会社
半導体装置
6日前
ローム株式会社
半導体装置
19日前
ローム株式会社
半導体装置
14日前
ローム株式会社
半導体装置
19日前
ローム株式会社
半導体装置
14日前
ローム株式会社
電源制御装置
14日前
ローム株式会社
信号伝達装置
14日前
ローム株式会社
半導体モジュール
7日前
ローム株式会社
モータドライバ回路
14日前
ローム株式会社
逐次比較型AD変換回路
6日前
ローム株式会社
半導体装置およびシステム
6日前
ローム株式会社
昇圧型スイッチングレギュレータ
今日
ローム株式会社
信号受信装置、IC及び電気機器
12日前
ローム株式会社
電圧調整装置及び電荷蓄積システム
今日
ローム株式会社
半導体装置および半導体装置の製造方法
19日前
ローム株式会社
力率改善回路、制御装置、および電子機器
19日前
ローム株式会社
半導体装置、および半導体装置の製造方法
19日前
ローム株式会社
半導体装置、および半導体装置の製造方法
12日前
ローム株式会社
電源回路、電子コントロールユニット、自動車
6日前
ローム株式会社
雨検出装置、雨検出システム、および、雨検出方法
今日
ローム株式会社
信号伝達装置、電子機器、車両、絶縁ゲートドライバIC
6日前
ローム株式会社
制御装置、力率改善回路、電子機器、およびオフセット設定方法
6日前
ローム株式会社
半導体装置、マルチフェーズDC/DCコンバータ及び電源装置
12日前
ローム株式会社
半導体モジュール
14日前
ローム株式会社
スイッチング装置、絶縁型DC/DCコンバータ及びAC/DCコンバータ
今日
ローム株式会社
半導体装置および半導体モジュール
今日
ローム株式会社
半導体装置、および半導体装置の製造方法
21日前
株式会社蜂鳥
増幅器
今日
エイブリック株式会社
増幅器
1か月前
エイブリック株式会社
増幅回路
1か月前
日本電波工業株式会社
水晶振動子
19日前
日本電波工業株式会社
圧電振動片
1か月前
京セラ株式会社
差動信号フィルタデバイス
6日前
京セラ株式会社
差動信号フィルタデバイス
6日前
台灣晶技股ふん有限公司
水晶発振器
27日前
続きを見る
他の特許を見る