TOP
|
特許
|
意匠
|
商標
特許ウォッチ
Twitter
他の特許を見る
10個以上の画像は省略されています。
公開番号
2025164639
公報種別
公開特許公報(A)
公開日
2025-10-30
出願番号
2024097243
出願日
2024-06-17
発明の名称
水晶発振器
出願人
台灣晶技股ふん有限公司
代理人
個人
主分類
H03H
9/19 20060101AFI20251023BHJP(基本電子回路)
要約
【目的】優れた品質または信頼性を有することのできる水晶発振器を提供する。
【解決手段】水晶発振器は、第1カバー体、第2カバー体、および水晶発振素子を含む。水晶発振素子は、第1カバー体と第2カバー体の間に位置する。水晶発振素子は、水晶シート、第1導電層、および第2導電層を含む。第1導電層は、水晶シートの第1表面上に位置する。第2導電層は、水晶シートの第2表面上に位置する。水晶シートは、それを貫通する溝または開口を有する。溝または開口の側壁と第1表面または第2表面の間は、60°~90°の角度を有する。
【選択図】図1E
特許請求の範囲
【請求項1】
第1カバー体と、
第2カバー体と、
前記第1カバー体と前記第2カバー体の間に位置し、
水晶シートと、
前記水晶シートの第1表面上に位置する第1導電層と、
前記水晶シートの第2表面上に位置する第2導電層と、
を含む水晶発振素子と、
を含み、前記水晶シートが、それを貫通する溝または開口を有し、前記溝または開口の側壁と前記第1表面または前記第2表面の間が、60°~90°の角度を有する水晶発振器。
続きを表示(約 640 文字)
【請求項2】
前記溝または開口が、ドライエッチング法により形成された請求項1に記載の水晶発振器。
【請求項3】
前記溝または開口の中心軸と前記第1表面または前記第2表面の間が、75°~90°の角度を有する請求項1に記載の水晶発振器。
【請求項4】
前記溝または開口の前記側壁の輪郭が、異なる断面上で一致する請求項1に記載の水晶発振器。
【請求項5】
前記溝または開口の深さが、前記溝または開口の最小幅の1.5倍、またはそれ以上である請求項1に記載の水晶発振器。
【請求項6】
断面において、前記溝または開口の幅が、前記第2表面から前記第1表面に向かって徐々に広がる請求項1に記載の水晶発振器。
【請求項7】
断面において、前記溝または開口の前記側壁が、平坦な面である請求項1に記載の水晶発振器。
【請求項8】
前記溝または開口の最も狭い部分の水平位置が、前記第1表面と前記第2表面の間に位置する請求項1に記載の水晶発振器。
【請求項9】
前記溝または開口の前記側壁が、前記第1表面に近い第1部分および前記第2表面に近い第2部分を有し、前記第1部分および前記第2部分が、対応する平坦な面を示す請求項1に記載の水晶発振器。
【請求項10】
前記溝または開口が、複数回のドライエッチング法により形成された請求項8または9に記載の水晶発振器。
発明の詳細な説明
【技術分野】
【0001】
本発明は、水晶発振器に関するものであり、特に、その中にある水晶シートの溝または開口の側壁が特定の角度範囲を有する水晶発振素子に関するものである。
続きを表示(約 1,900 文字)
【背景技術】
【0002】
水晶発振器は、振動周波数を生成するための電子部品であり、その製造方法は、一般的に、対応する水晶板を適切に切断して、適切な溝または開口のパターンを形成することである。その後、パッケージ化または切断を行って、対応する水晶発振素子または水晶発振器を形成する。
【0003】
しかしながら、電子製品が軽薄短小の傾向になるにつれ、その中にある水晶発振素子のサイズも、それに対応して縮小しなければならなくなった。しかしながら、水晶発振素子の溝または開口を形成する過程において、溝や開口の形状の良し悪しは、しばしば水晶発振素子または水晶発振器の品質や収率に大きな影響を与える要因となる。したがって、いかにして水晶発振素子の品質または信頼性を向上させるかが、研究課題となっている。
【発明の概要】
【発明が解決しようとする課題】
【0004】
本発明は、対応する製造工程および/または対応する構造特性(例えば、水晶シートの溝または開口の側壁が有する特定範囲の角度)により、優れた品質または信頼性を有することのできる水晶発振器を提供する。
【課題を解決するための手段】
【0005】
本発明は、優れた品質または信頼性を有する水晶発振器を提供する。
【0006】
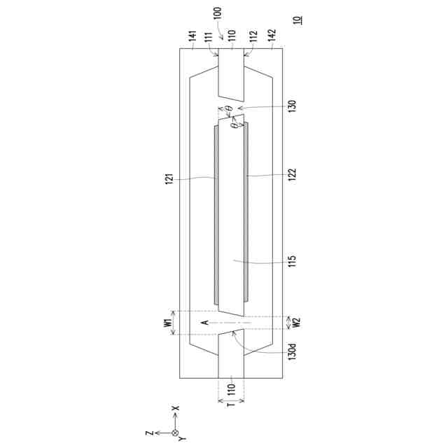
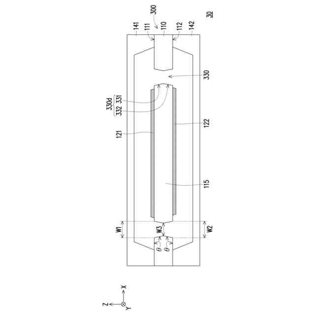
本発明の水晶発振器は、第1カバー体、第2カバー体、および水晶発振素子を含む。水晶発振素子は、第1カバー体と第2カバー体の間に位置する。水晶発振素子は、水晶シート、第1導電層、および第2導電層を含む。第1導電層は、水晶シートの第1表面上に位置する。第2導電層は、水晶シートの第2表面上に位置する。水晶シートは、それを貫通する溝または開口を有する。溝または開口の側壁と第1表面または第2表面の間は、60°~90°の角度を有する。
【発明の効果】
【0007】
以上のように、水晶シートの溝または開口の側壁は、60°~90°の角度を有するため、それを含む水晶発振器は、優れた品質を有し、応用上においても優れた信頼性を有する。
【図面の簡単な説明】
【0008】
本発明の第1実施形態に係る水晶発振器の一部の製造方法の上面概略図である。
本発明の第1実施形態に係る水晶発振器の一部の製造方法の部分断面概略図である。
本発明の第1実施形態に係る水晶発振器の一部の製造方法の部分断面概略図である。
本発明の第1実施形態に係る水晶発振器の一部の製造方法の部分断面概略図である。
本発明の第1実施形態に係る水晶発振器の一部の製造方法の部分断面概略図である。
本発明の第2実施形態に係る水晶発振器の断面概略図である。
本発明の第3実施形態に係る水晶発振器の一部の製造方法の部分断面概略図である。
本発明の第3実施形態に係る水晶発振器の一部の製造方法の部分断面概略図である。
本発明の第3実施形態に係る水晶発振器の一部の製造方法の部分断面概略図である。
本発明の第4実施形態に係る水晶発振器の断面概略図である。
本発明の1つの実施形態に係る水晶発振器の上面概略図である。
【発明を実施するための形態】
【0009】
図面において、明確にするため、一部の組織または膜層のサイズまたは外観を拡大、縮小、または誇張して描くことがある。例えば、後続の図において、溝または開口の傾斜角度および/または幅は、誇張して描かれている可能性がある。また、説明書に示した数値は、当該数値およびその分野において一般的な知識を有する者が許容する偏差範囲内の偏差値を含むことができる。上記の偏差値は、製造過程または測定過程における1つまたは複数の標準偏差(standard deviation)、あるいは計算または換算過程において採用した桁数、四捨五入、誤差伝播(error propagation)などの他の要素によって生じる計算誤差であってもよい。
【0010】
また、説明書において言及される方向性の用語、例えば、上または下は、単に添付した図面の方向を参照したものである。したがって、特に説明されていない限り、使用されている方向性の用語は、説明のためのものであり、本発明を限定するものではない。また、異なる図面間の方向関係を明確に示すために、一部の図では、デカルト座標系(cartesian coordinate system、すなわち、XYZ直交座標系)を用いて対応する方向を例示的に示しているが、本発明はこれに限定されない。
(【0011】以降は省略されています)
この特許をJ-PlatPat(特許庁公式サイト)で参照する
関連特許
エイブリック株式会社
増幅器
1か月前
エイブリック株式会社
増幅器
1か月前
エイブリック株式会社
増幅回路
1か月前
エイブリック株式会社
電圧検出器
2か月前
日本電波工業株式会社
水晶振動子
15日前
日本電波工業株式会社
圧電振動片
1か月前
株式会社トーキン
ノイズフィルタ
2か月前
株式会社半導体エネルギー研究所
駆動回路
1か月前
京セラ株式会社
差動信号フィルタデバイス
2日前
京セラ株式会社
差動信号フィルタデバイス
2日前
株式会社村田製作所
増幅回路
2か月前
台灣晶技股ふん有限公司
水晶発振器
23日前
TDK株式会社
電子部品
1か月前
台灣晶技股ふん有限公司
水晶発振素子
23日前
株式会社村田製作所
高周波回路
2か月前
TDK株式会社
電子部品
1か月前
ローム株式会社
自己診断システム
1か月前
株式会社村田製作所
弾性波フィルタ
2か月前
住友電気工業株式会社
高周波増幅器
2か月前
三菱電機株式会社
高周波増幅器モジュール
26日前
国立大学法人東北大学
弾性表面波デバイス
15日前
日清紡マイクロデバイス株式会社
演算増幅器
1か月前
ローム株式会社
圧電共振器
2か月前
太陽誘電株式会社
フィルタ及びマルチプレクサ
1か月前
ニチコン株式会社
信号出力装置
2か月前
アルプスアルパイン株式会社
センサ装置
1か月前
台灣晶技股ふん有限公司
発振装置
25日前
日本電波工業株式会社
温度センサ内蔵型の水晶振動子
15日前
エイブリック株式会社
出力制御回路及び電圧出力回路
1か月前
エイブリック株式会社
電流制限回路及び電流制限装置
1か月前
セイコーエプソン株式会社
振動素子
2か月前
株式会社NTTドコモ
リニアライザ
1か月前
日本電気株式会社
原子発振器
2か月前
ローム株式会社
発振回路
1か月前
ローム株式会社
差動アンプおよび半導体装置
2か月前
三安ジャパンテクノロジー株式会社
弾性波デバイス
15日前
続きを見る
他の特許を見る