TOP
|
特許
|
意匠
|
商標
特許ウォッチ
Twitter
他の特許を見る
公開番号
2025093762
公報種別
公開特許公報(A)
公開日
2025-06-24
出願番号
2023209607
出願日
2023-12-12
発明の名称
受電装置及びワイヤレス給電システム
出願人
株式会社ダイヘン
,
学校法人法政大学
代理人
個人
,
個人
主分類
H02J
50/12 20160101AFI20250617BHJP(電力の発電,変換,配電)
要約
【課題】より簡易に容量制御を実行可能な受電装置及びワイヤレス給電システムを提供する。
【解決手段】受電装置は、受電コイルと共に共振回路に含まれる容量可変の第1コンデンサと、前記第1コンデンサに対して並列に接続される容量固定の第2コンデンサと、前記第1コンデンサの両端にそれぞれ直列に接続し、双方向にオン/オフ可能なスイッチを含むスイッチング回路と、前記第2コンデンサの両端の交流電圧を入力として、増幅率を増減して一定振幅値の交流電圧に変換するAGC(Automatic Gain Control)回路と、前記AGC回路から出力される前記一定振幅値の交流電圧と、基準電圧との比較に基づき、前記スイッチング回路のスイッチを制御するスイッチ制御回路とを備える。
【選択図】図2
特許請求の範囲
【請求項1】
受電コイルと共に共振回路に含まれる容量可変の第1コンデンサと、
前記第1コンデンサに対して並列に接続される容量固定の第2コンデンサと、
前記第1コンデンサの両端にそれぞれ直列に接続し、双方向にオン/オフ可能なスイッチを含むスイッチング回路と、
前記第2コンデンサの両端の交流電圧を入力として、増幅率を増減して一定振幅値の交流電圧に変換するAGC(Automatic Gain Control)回路と、
前記AGC回路から出力される前記一定振幅値の交流電圧と、基準電圧との比較に基づき、前記スイッチング回路のスイッチを制御するスイッチ制御回路と
を備える受電装置。
続きを表示(約 780 文字)
【請求項2】
前記共振回路の電圧及び電流を検出する電圧電流検出器を更に備え、
前記スイッチ制御回路は、前記電圧電流検出器により検出される前記共振回路の電圧及び電流の位相差に基づく値を前記基準電圧として、制御される
請求項1に記載の受電装置。
【請求項3】
前記スイッチング回路は、前記AGC回路から出力される前記一定振幅値の交流電圧と前記基準電圧とを比較し、前記AGC回路から出力される前記一定振幅値の交流電圧が前記基準電圧の範囲内である場合、前記スイッチをオンとする
請求項1又は2に記載の受電装置。
【請求項4】
給電コイルを含む送電側共振回路を備えて電源からの電力を高周波信号として給電する給電装置と、
受電コイルを含む受電側共振回路を備えて前記給電装置から送信された電力を受電する受電装置と、
を含み、
前記受電装置は、
前記受電コイルと共に前記受電側共振回路に含まれる容量可変の第1コンデンサと、
前記第1コンデンサに対して並列に接続される容量固定の第2コンデンサと、
前記第1コンデンサの両端にそれぞれ直列に接続し、双方向にオン/オフ可能なスイッチを含むスイッチング回路と、
前記第2コンデンサの両端の交流電圧を入力として、増幅率を増減して一定振幅値の交流電圧に変換するAGC回路と、
前記受電側共振回路の電圧及び電流を検出する電圧電流検出器と、
前記電圧電流検出器により検出される前記受電側共振回路の電圧及び電流の位相差に基づく値を基準電圧とし、前記AGC回路から出力される前記一定振幅値の交流電圧が前記基準電圧の範囲内である場合に前記スイッチをオンとするスイッチ制御回路と
を備えるワイヤレス給電システム。
発明の詳細な説明
【技術分野】
【0001】
本発明は、ワイヤレス給電の受電装置及びワイヤレス給電システムに関する。
続きを表示(約 1,400 文字)
【背景技術】
【0002】
携帯機器、玩具等の小型の電子機器から、電気自動車、電気推進船等の大型の電動モビリティまで、繰り返して充電可能な蓄電池を用いた電気機器が普及している。これらの機器への給電方法の1つである磁界共鳴方式による無線給電の利便性が着目されている。無線給電を安全且つ高速化することで、充電忘れやケーブルの着脱の手間を低減することができる。
【0003】
磁界共鳴方式では、送電装置と受電装置とがそれぞれ共振回路を備え、これらの共振回路の共鳴現象を利用して電力が伝送される。送電装置と受電装置がそれぞれ備える共振回路の共振周波数と、伝送信号の周波数とが等しければ最も効率よく電力を伝送できる。
しかしながら、受電装置側が柔らかい物体である場合や多様な形状の製品への取り付けが必要な場合等、フレキシブルコイルを用いて固定でない共振周波数となり得るケースがある。発明者らは、このような場合であっても、共振を維持すべく簡易な構成で容量制御を実現することを提案した(特許文献1等)。
【0004】
特許文献1では、周波数の位相を合わせるためにコンデンサの容量を連続的に調整する制御回路を提案した。
【先行技術文献】
【特許文献】
【0005】
国際公開第2019/172366号
【発明の概要】
【発明が解決しようとする課題】
【0006】
本発明は、より簡易に容量制御を実行可能な受電装置及びワイヤレス給電システムを提供することを目的とする。
【課題を解決するための手段】
【0007】
本開示の一実施形態の受電装置は、受電コイルと共に共振回路に含まれる容量可変の第1コンデンサと、前記第1コンデンサに対して並列に接続される容量固定の第2コンデンサと、前記第1コンデンサの両端にそれぞれ直列に接続し、双方向にオン/オフ可能なスイッチを含むスイッチング回路と、前記第2コンデンサの両端の交流電圧を入力として、増幅率を増減して一定振幅値の交流電圧に変換するAGC(Automatic Gain Control)回路と、前記AGC回路から出力される前記一定振幅値の交流電圧と、基準電圧との比較に基づき、前記スイッチング回路のスイッチを制御するスイッチ制御回路とを備える。
【0008】
なお、上記AGC回路は、AVC回路(Automatic Volume Control)とも言われるものであってよい。
【0009】
本開示の一実施形態の受電装置では、印加された交流電圧を分圧することなく、交流電圧を一定の最大振幅となるようにAGC回路にて調整した後に比較に用いる。固定的な基準電圧は、電流と電圧との位相差に基づいてプロセッサを用いて出力させることにより、受電装置のインピーダンスの変化の影響を受けずに共振回路の容量を制御できる。
【発明の効果】
【0010】
本開示によれば、より簡易な構成で共振回路におけるコンデンサの容量を連続的に調整でき、多様な条件で電力の伝送効率を維持するワイヤレス給電システムを提供可能である。
【図面の簡単な説明】
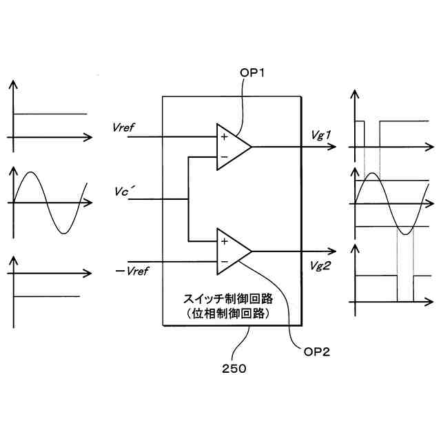
(【0011】以降は省略されています)
この特許をJ-PlatPat(特許庁公式サイト)で参照する
関連特許
株式会社ダイヘン
充電装置
今日
株式会社ダイヘン
溶接装置
14日前
株式会社ダイヘン
制御装置
2か月前
株式会社ダイヘン
充電装置
2か月前
株式会社ダイヘン
搬送装置
2か月前
株式会社ダイヘン
充電装置
2か月前
株式会社ダイヘン
充電装置
2か月前
株式会社ダイヘン
充電装置
2か月前
株式会社ダイヘン
溶接トーチ
1か月前
株式会社ダイヘン
送配電装置
5日前
株式会社ダイヘン
加工システム
今日
株式会社ダイヘン
回生ユニット
2か月前
株式会社ダイヘン
電力システム
2か月前
株式会社ダイヘン
電力変換装置
2か月前
株式会社ダイヘン
固相接合装置
3か月前
株式会社ダイヘン
固相接合装置
3か月前
株式会社ダイヘン
溶接電源装置
2か月前
株式会社ダイヘン
固相接合装置
3か月前
株式会社ダイヘン
電極交換装置
1か月前
株式会社ダイヘン
研削システム
1か月前
株式会社ダイヘン
電圧調整装置
7日前
株式会社ダイヘン
変圧器組立装置
2か月前
株式会社ダイヘン
インバータ装置
2か月前
株式会社ダイヘン
パルス電源装置
2か月前
株式会社ダイヘン
インバータ装置
1か月前
株式会社ダイヘン
絶縁紙巻回装置
2か月前
株式会社ダイヘン
レーザ接合装置
1か月前
株式会社ダイヘン
プラズマ発生器
2か月前
株式会社ダイヘン
熱加工用電源装置
1か月前
株式会社ダイヘン
ロボットシステム
2か月前
株式会社ダイヘン
熱加工用電源装置
1か月前
株式会社ダイヘン
積層造形システム
1か月前
株式会社ダイヘン
積層造形システム
1か月前
株式会社ダイヘン
積層造形システム
1か月前
株式会社ダイヘン
ロボットシステム
2か月前
株式会社ダイヘン
パワーモジュール
2か月前
続きを見る
他の特許を見る