TOP
|
特許
|
意匠
|
商標
特許ウォッチ
Twitter
他の特許を見る
10個以上の画像は省略されています。
公開番号
2025177961
公報種別
公開特許公報(A)
公開日
2025-12-05
出願番号
2024085138
出願日
2024-05-24
発明の名称
往復動工具、及び、往復動工具における電動モータの通電を保持する方法
出願人
株式会社マキタ
代理人
名古屋国際弁理士法人
主分類
B25F
5/00 20060101AFI20251128BHJP(手工具;可搬型動力工具;手工具用の柄;作業場設備;マニプレータ)
要約
【課題】往復動工具において手動スイッチがオフされた後も電動モータの通電を簡素な構成で保持できる技術を提供する。
【解決手段】
本開示の1つの局面は、往復部材と、電動モータと、伝達装置と、駆動回路と、第1の手動スイッチと、スイッチ素子と、制御回路とを備えている往復動工具を提供する。第1の手動スイッチの第1の接点は、電源に接続され、第1の手動スイッチの第2の接点は、駆動回路に接続されている。第1の手動スイッチは、そのオン状態において、第1の接点を第2の接点に接続する。スイッチ素子は、(i)電気信号を受けてオンされ、(ii)そのオン状態において、第1の接点と第2の接点との間を導通する。制御回路は、少なくとも第1の手動スイッチがオンされたことに応じて、電動モータの駆動が停止されるまで電気信号をスイッチ素子に出力し続ける。
【選択図】図6
特許請求の範囲
【請求項1】
往復動工具であって、
第1の死点と第2の死点との間を往復するように構成された往復部材と、
駆動力を発生するように構成された電動モータと、
少なくとも、前記第2の死点から前記第1の死点までの前記往復部材の行程において前記電動モータの前記駆動力を前記往復部材に伝達するように構成された伝達装置と、
(i)電源から電流を受け、(ii)受けた前記電流で前記電動モータを駆動するように構成された駆動回路と、
(i)第1の接点と、第2の接点とを備え、(ii)前記往復動工具の使用者によって手動でオンまたはオフされるように構成された第1の手動スイッチであって、前記第1の接点は、前記電源に接続され、前記第2の接点は、前記駆動回路に接続され、前記第1の手動スイッチは、(i)そのオン状態において、前記第1の接点を前記第2の接点に接続し、(ii)そのオフ状態において、前記第1の接点を前記第2の接点から切断するように構成されている、第1の手動スイッチと、
(i)電気信号を受けてオンされ、(ii)そのオン状態において、前記第1の接点と前記第2の接点との間を導通し、(iii)そのオフ状態において、前記第1の接点と前記第2の接点との間を遮断するように構成されたスイッチ素子と、
少なくとも前記第1の手動スイッチがオンされたことに応じて、前記電動モータの駆動が停止されるまで前記電気信号を前記スイッチ素子に出力し続けるように構成された制御回路と
を備えている、往復動工具。
続きを表示(約 2,100 文字)
【請求項2】
請求項1に記載の往復動工具であって、さらに、
前記第1の手動スイッチがオンされたことに関連付けられた物理量を検出するように構成された物理量検出回路を備え、
前記制御回路は、前記物理量検出回路が前記物理量を検出したことに応じて、前記電動モータの駆動が停止されるまで前記電気信号を前記スイッチ素子に出力し続けるように構成されている、往復動工具。
【請求項3】
請求項2に記載の往復動工具であって、
前記物理量は、前記電源から前記駆動回路に流れている前記電流である、往復動工具。
【請求項4】
請求項2または3に記載の往復動工具であって、
前記制御回路は、所定の周期を有している少なくとも1つのパルス幅変調信号を前記駆動回路に出力して前記駆動回路を制御するように構成され、
前記駆動回路は、前記少なくとも1つのパルス幅変調信号に基づいて前記電動モータを駆動するように構成されている、往復動工具。
【請求項5】
請求項4に記載の往復動工具であって、
前記制御回路は、前記駆動回路が前記電動モータを始動する前に、初期デューティ比を有している前記少なくとも1つのパルス幅変調信号を前記駆動回路に出力するように構成され、
前記初期デューティ比は、零よりも大きいが前記電動モータを始動するのに不十分なデューティ比である、往復動工具。
【請求項6】
請求項5に記載の往復動工具であって、
前記物理量検出回路は、前記物理量検出回路が前記物理量を検出したことに応じて、前記少なくとも1つのパルス幅変調信号の前記所定の周期と同等または前記所定の周期よりも長い時間だけ所定の論理値を前記制御回路に出力し続けるように構成され、
前記制御回路は、前記制御回路が前記所定の論理値を受けてから前記電動モータの駆動が停止されるまでの期間、前記スイッチ素子に前記電気信号を出力し続けるように構成されている、往復動工具。
【請求項7】
請求項5または6に記載の往復動工具であって、
前記電動モータは、第1~第3のコイルを備えているブラシレスDCモータであり、
前記駆動回路は、(i)フルブリッジ回路の少なくとも一部を形成し、(ii)前記第1~第3のコイルに接続された第1~第6の半導体スイッチを備え、
前記第1~第3の半導体スイッチは、前記フルブリッジ回路におけるハイサイドスイッチであり、
前記第4~第6の半導体スイッチは、前記フルブリッジ回路におけるローサイドスイッチであり、
前記少なくとも1つのパルス幅変調信号は、前記第1~第6の半導体スイッチにそれぞれ対応している第1~第6のパルス幅変調信号を含み、
前記制御回路は、前記駆動回路が前記電動モータを始動する前に、
前記駆動回路が前記電動モータを始動させ損なうように、(i)第1~第3の半導体スイッチのうちの1つと、(ii)前記第4~第6の半導体スイッチのうちの1つと、の組合せを選択し、
選択された前記組合せに対応する一対のパルス幅変調信号を前記第1~第6のパルス幅変調信号から選択し、
選択された前記一対のパルス幅変調信号を前記駆動回路に出力する
ように構成され、
前記一対のパルス幅変調信号の各々は、前記初期デューティ比を有している、往復動工具。
【請求項8】
請求項1~7のうちのいずれか1項に記載の往復動工具であって、さらに、
前記使用者によって工作物に押し当てられるように構成された押し当て部材と、
前記押し当て部材が前記工作物に押し当てられていることによってオンされるように構成された第2の手動スイッチと
を備え、
前記制御回路は、前記第1の手動スイッチと前記第2の手動スイッチとの双方がオンされていることに基づいて、前記電動モータを始動させるように前記駆動回路を制御するように構成されている、往復動工具。
【請求項9】
請求項4~7のうちのいずれか1項に従属しているときの請求項8に記載の往復動工具であって、
前記制御回路は、前記第2の手動スイッチがオンされたことに応じて、前記初期デューティ比を有している前記少なくとも1つのパルス幅変調信号の出力を開始するように構成されている、往復動工具。
【請求項10】
請求項8または9に記載の往復動工具であって、
前記往復動工具は、第1のモードを含む複数の動作モードのうちのいずれか1つに選択的に設定されるように構成され、
前記制御回路は、(i)前記往復動工具が前記第1の動作モードに設定され、且つ、(ii)前記第2の手動スイッチがオンされてから所定時間以内に前記第1の手動スイッチがオンされたことに応じて、前記電気信号の出力を停止するように構成されている、往復動工具。
(【請求項11】以降は省略されています)
発明の詳細な説明
【技術分野】
【0001】
本開示は、往復動工具に関する。
続きを表示(約 1,300 文字)
【背景技術】
【0002】
下記特許文献1は、起動状態ロック機構を備えている打ち込み工具を開示している。起動状態ロック機構は、打ち込み工具の通電スイッチをオン状態にロックして、打ち込み工具の電動モータの起動状態(通電状態)を継続させる機械的機能を有している。この起動状態ロック機構により、打ち込み動作後に使用者がトリガのオン操作を解除した後において、電動モータの起動状態が一定時間継続される。
【先行技術文献】
【特許文献】
【0003】
特開2022-58080号公報
【発明の概要】
【発明が解決しようとする課題】
【0004】
上述の起動状態ロック機構は、多くの機械部品を必要とする機械的機構である。起動状態ロック機構を簡素化できれば、上述の打ち込み工具の小型化または軽量化が促進され得る。
【0005】
そこで、本開示の1つの局面は、往復動工具において手動スイッチがオフされた後も電動モータの通電を簡素な構成で保持できる技術を提供することを目的とする。
【課題を解決するための手段】
【0006】
本開示において、「第1の」、「第2の」などの用語は、要素を互いに区別することを意図しているに過ぎず、要素の順序または数を限定することを意図していない。したがって、第1の要素を第2の要素と称してもよいし、同様に、第2の要素を第1の要素と称してもよい。加えて、第2の要素を備えることなく、第1の要素を備えていてもよいし、同様に、第1の要素を備えることなく、第2の要素を備えていてもよい。
【0007】
本開示の1つの局面は、往復部材と、電動モータと、伝達装置と、駆動回路と、第1の手動スイッチと、スイッチ素子と、制御回路とを備えている往復動工具を提供する。
【0008】
往復部材は、第1の死点と第2の死点との間を往復するように構成されている。
電動モータは、駆動力を発生するように構成されている。
伝達装置は、少なくとも、第2の死点から第1の死点までの往復部材の行程において電動モータの駆動力を往復部材に伝達するように構成されている。
【0009】
駆動回路は、(i)電源から電流を受け、(ii)受けた電流で電動モータを駆動するように構成されている。
第1の手動スイッチは、(i)第1の接点と、第2の接点とを備え、(ii)往復動工具の使用者によって手動でオンまたはオフされるように構成されている。第1の接点は、電源に接続されている。第2の接点は、駆動回路に接続されている。第1の手動スイッチは、(i)そのオン状態において、第1の接点を第2の接点に接続し、(ii)そのオフ状態において、第1の接点を第2の接点から切断するように構成されている。
【0010】
スイッチ素子は、(i)電気信号を受けてオンされ、(ii)そのオン状態において、第1の接点と第2の接点との間を導通し、(iii)そのオフ状態において、第1の接点と第2の接点との間を遮断するように構成されている。
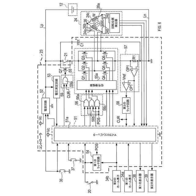
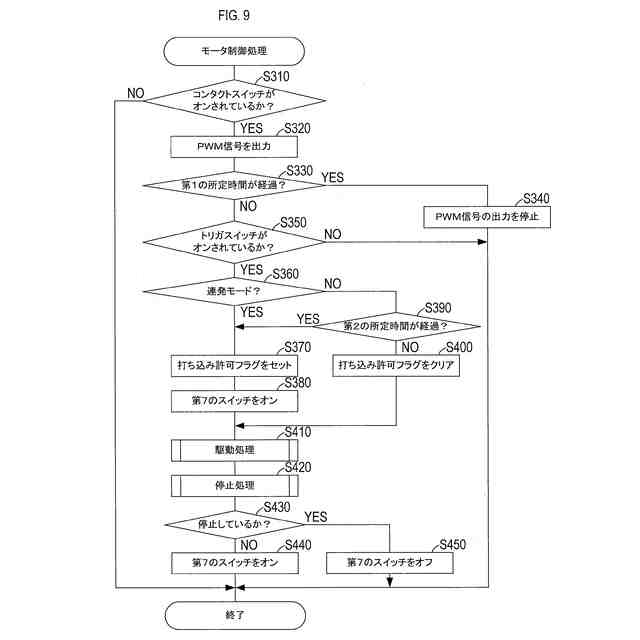
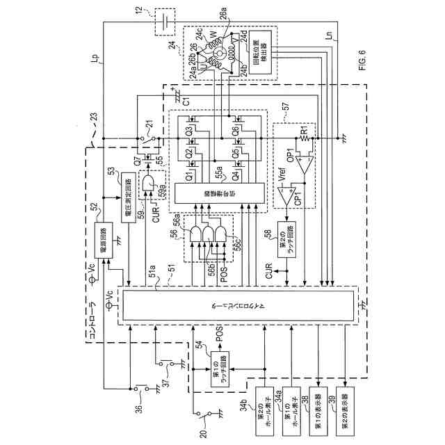
(【0011】以降は省略されています)
この特許をJ-PlatPat(特許庁公式サイト)で参照する
関連特許
株式会社マキタ
作業機
1か月前
株式会社マキタ
電動工具
2か月前
株式会社マキタ
電動工具
2か月前
株式会社マキタ
電動工具
15日前
株式会社マキタ
鉄筋結束機
1か月前
株式会社マキタ
電動作業機
1か月前
株式会社マキタ
現場用作業機
1か月前
株式会社マキタ
回転打撃工具
1か月前
株式会社マキタ
ハンマドリル
1か月前
株式会社マキタ
ハンマドリル
1か月前
株式会社マキタ
インパクト工具
2か月前
株式会社マキタ
ダイグラインダ
2か月前
株式会社マキタ
インパクト工具
1か月前
株式会社マキタ
インパクト工具
2か月前
株式会社マキタ
集塵アタッチメント
7日前
株式会社マキタ
スクラバードライヤー
15日前
株式会社マキタ
充電器及び充電システム
1か月前
株式会社マキタ
電動工具及びインパクト工具
2か月前
株式会社マキタ
フレア形成装置及びフレア形成工具
1か月前
株式会社マキタ
インパクト工具及びインパクトレンチ
1か月前
株式会社マキタ
往復動工具、及び、往復動工具の電動モータを制御する方法
今日
株式会社マキタ
現場用機器における光学表示器の内部に回路基板を固定する技術
1か月前
株式会社マキタ
往復動工具、及び、往復動工具における電動モータを制御する方法
今日
株式会社マキタ
往復動工具、及び、往復動工具における電動モータの通電を保持する方法
今日
株式会社マキタ
往復動工具、及び、往復動工具における往復部材の位置検出に関連する不具合の発生を検出する方法
今日
個人
フラワーホッチキス。
1か月前
個人
手持ち挟持具
1か月前
川崎重工業株式会社
ロボット
2か月前
株式会社竹中工務店
補助セット
2か月前
株式会社不二越
ロボット
2か月前
トヨタ自動車株式会社
学習装置
15日前
CKD株式会社
把持装置
今日
ダイセイ株式会社
ロボット自動刻印装置
今日
川崎重工業株式会社
ハンド
1か月前
株式会社マキタ
ハンマドリル
1か月前
株式会社マキタ
ハンマドリル
1か月前
続きを見る
他の特許を見る