TOP
|
特許
|
意匠
|
商標
特許ウォッチ
Twitter
他の特許を見る
10個以上の画像は省略されています。
公開番号
2025173742
公報種別
公開特許公報(A)
公開日
2025-11-28
出願番号
2024079464
出願日
2024-05-15
発明の名称
電力変換装置
出願人
株式会社デンソー
,
トヨタ自動車株式会社
,
株式会社ミライズテクノロジーズ
代理人
弁理士法人サトー
主分類
H02M
7/48 20070101AFI20251120BHJP(電力の発電,変換,配電)
要約
【課題】モータを駆動する機能と直流によるバッテリの急速充電機能とを備え、損失が少ない小型の電力変換装置を提供する。
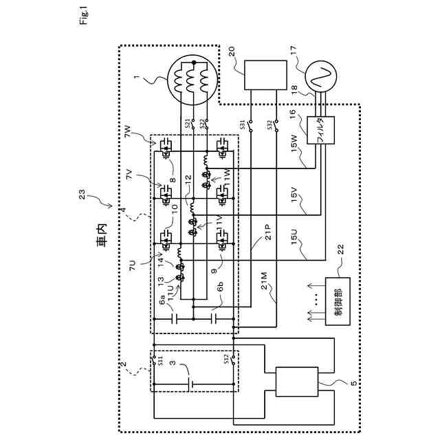
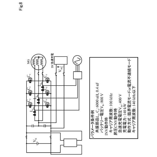
【解決手段】バッテリ2を駆動電源としてMG1を駆動する。電力変換部4は、バッテリ2に並列に接続されるコンデンサ6a及び6bの直列回路、上下アームスイッチ7U~7W、各アームスイッチ8,9に並列接続されるコンデンサ10並びに直列回路の共通接続点と上下アームスイッチ7の共通接続点との間に接続される補助スイッチ11及びインダクタ12の直列回路を備える。リレーS21及びS22は、上下アームスイッチ7U~7Wの出力端子とMG1との間に接続される。商用交流電源17と出力端子とを接続する配線15U~15W、直流急速充電器20とコンデンサ6bとの間に接続されるリレーS31及びS32を備える。制御部22は、電力変換部4の動作をインバータ、昇圧コンバータ及び三相PFCの各モードに切り替える。
【選択図】図1
特許請求の範囲
【請求項1】
車両に搭載されるバッテリ(2)を駆動用電源として、前記車両を走行駆動させる三相のモータ(1)を駆動する電力変換部(4)を備え、
前記電力変換部は、前記バッテリに並列に接続される2つのコンデンサの直列回路(6a,6b)と、
各相に対応した上下アームスイッチ(8,9)と、
各アームスイッチに並列に接続されるコンデンサ(10)と、
前記2つのコンデンサの共通接続点と、各相の上下アームスイッチの共通接続点との間に接続される、補助スイッチ(11)及びインダクタ(12)の直列回路と、を有し、
前記バッテリを充電するため、車外の直流急速充電器と、前記補助スイッチの一端及び前記電力変換部のグランドとの間に接続される充電器用リレー(S31、S32)と、
この充電器用リレー及び前記補助スイッチを制御することで、前記電力変換部の動作モードを、インバータモードと、昇圧コンバータモードとに切り替える制御部(22,32,34)と、を更に備え、
前記制御部は、前記インバータモードにおいて、前記補助スイッチを制御することで上下アームスイッチをソフトスイッチング動作させる電力変換装置。
続きを表示(約 220 文字)
【請求項2】
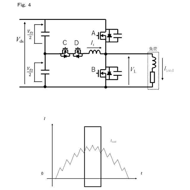
三相のうち何れか二相の上下アームスイッチの共通接続点と、前記モータの二相の巻線との間に接続されるモータ用リレー(S21,S22)と、
前記バッテリを充電するため、商用交流電源と各相の補助スイッチ及びインダクタの共通接続点とを接続する交流充電用配線(15U~15W)と、を備え、
前記制御部(22,32)は、前記電力変換部の動作モードを、三相力率改善モードにも切り替える請求項1記載の電力変換装置。
発明の詳細な説明
【技術分野】
【0001】
本発明は、車両に搭載されるバッテリを駆動用電源として、前記車両を走行駆動させる三相のモータを駆動する電力変換装置に関する。
続きを表示(約 1,700 文字)
【背景技術】
【0002】
バッテリを要する電気自動車については、充電時間を短縮するため、バッテリの高電圧化が進んでいる一方で、高電圧に対応した直流による急速充電器の普及が遅れている、という現状がある。既存の急速充電器で高電圧のバッテリを充電するためには、昇圧コンバータを備える必要があるが、昇圧コンバータは体格が大きくコストが高いという問題がある。また、バッテリの電圧が高くなると、モータ/ジェネレータ(以下、MGと記載する)への入力電流リップルが大きくなるため、MGでの損失が増加する。
【0003】
特許文献1~3には、上記の問題に対して、電気自動車は充電時は停止しており、MGやインバータは使用しないことに着眼して、インバータのパワー素子や、MGの巻線、リアクトルを利用して充電用の電力変換器として共用することで、体格、コストを抑制する技術が開示されている。
【先行技術文献】
【特許文献】
【0004】
特開2021-175363号公報
特許第5601274号
特許第6147426号
【発明の概要】
【発明が解決しようとする課題】
【0005】
特許文献1では、MGの巻線を利用するため、昇圧コンバータの効率が悪く性能が制限されるおそれがある。また、MGの中性点を外部に引き出す必要がある。MGでの損失を低減する必要については、言及されていない。特許文献2については、特許文献1と同様にMGの巻線を利用することに加えて、充電中にMGが回転しないように別のインバータを使って制御する必要がある。特許文献3についても充電中にMGが回転しないように、インバータ-MG間に大型のリレーを配置する必要がある。
【0006】
本発明は上記事情に鑑みてなされたものであり、その目的は、少なくともモータを駆動する機能と直流によるバッテリの急速充電機能とを備え、且つ、モータにおける損失が少ない小型な電力変換装置を提供することにある。
【課題を解決するための手段】
【0007】
請求項1記載の電力変換装置によれば、電力変換部(4)は、車両に搭載されるバッテリ(2)を駆動用電源として、前記車両を走行駆動させる三相のモータ(1)を駆動する。電力変換部は、バッテリに並列に接続される2つのコンデンサ(6a,6b)の直列回路、各相に対応した上下アームスイッチ(7U~7V)、各アームスイッチ(8,9)に並列に接続されるコンデンサ(10)、及び前記2つのコンデンサの共通接続点と各相の上下アームスイッチの共通接続点との間に接続される補助スイッチ(11)及びインダクタ(12)の直列回路とを有する。
【0008】
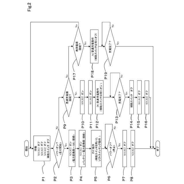
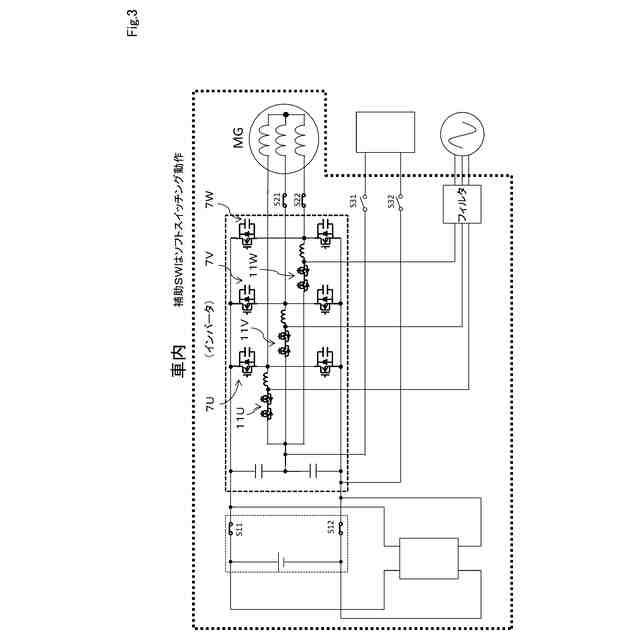
充電器用リレー(S31,S32)は、バッテリを充電するために、車外の直流急速充電器(20)と、補助スイッチの一端及び電力変換部のグランドとの間に接続される。制御部(22,32,34)は、充電器用リレー及び補助スイッチを制御して、電力変換部の動作モードを、少なくともインバータモードと昇圧コンバータモードとに切り替える。制御部は、インバータモードでは、補助スイッチを制御することで、上下アームスイッチをソフトスイッチング動作させる。
【0009】
このように構成すれば、電力変換部をインバータモードで動作させてモータを駆動する際には、各アームスイッチのオンオフが切り替わる期間にかけて補助スイッチをオンにする。これにより、上下アームスイッチの共通接続点にインダクタを介して電流を流すことでソフトスイッチング動作となり、上下アームスイッチにおけるスイッチング損失を低減できる。
【0010】
また、バッテリを車外の直流急速充電器により充電する際には、充電器用リレーをオンにすると共に補助スイッチを常時オンにすれば、電力変換部を昇圧コンバータモードで動作させることができる。これにより、バッテリを適切な電圧で急速充電できる。そして、この動作にはモータの巻線を使用しないので、ロータの回転を抑制するための制御も不要になる。
(【0011】以降は省略されています)
この特許をJ-PlatPat(特許庁公式サイト)で参照する
関連特許
株式会社デンソーウェーブ
筐体
1か月前
株式会社デンソー
分離体
9日前
株式会社デンソー
端子台
3日前
株式会社デンソー
電動弁
23日前
株式会社デンソー
電動機
1日前
株式会社デンソー
回転機
1か月前
株式会社デンソー
撮像装置
22日前
株式会社デンソー
熱交換器
22日前
株式会社デンソー
電子装置
23日前
株式会社デンソー
光学部材
9日前
株式会社デンソー
反力装置
1か月前
株式会社デンソー
電子装置
1か月前
株式会社デンソー
電子装置
1か月前
株式会社デンソー
制御装置
25日前
株式会社デンソー
光学部材
9日前
株式会社デンソー
電子装置
1か月前
株式会社デンソー
トランス
1日前
株式会社デンソー
摺動機構
22日前
株式会社デンソー
検出装置
1か月前
株式会社デンソー
光学部材
1日前
株式会社デンソー
電気回路
17日前
株式会社デンソー
摺動機構
22日前
株式会社デンソー
電解装置
24日前
株式会社デンソー
電子装置
1日前
株式会社デンソー
撮像装置
22日前
株式会社デンソー
半導体装置
9日前
株式会社デンソー
センサ装置
1か月前
株式会社デンソー
半導体装置
24日前
株式会社デンソー
センサ装置
1か月前
株式会社デンソー
熱交換部材
24日前
株式会社デンソーテン
インバータ
1か月前
株式会社デンソー
半導体装置
22日前
株式会社デンソー
農業用装置
1か月前
株式会社デンソー
電磁継電器
1日前
株式会社デンソー
ヒータ装置
1か月前
株式会社デンソー
電流センサ
1か月前
続きを見る
他の特許を見る