TOP
|
特許
|
意匠
|
商標
特許ウォッチ
Twitter
他の特許を見る
公開番号
2025173267
公報種別
公開特許公報(A)
公開日
2025-11-27
出願番号
2024078772
出願日
2024-05-14
発明の名称
運搬管理システム
出願人
株式会社大林組
代理人
個人
,
個人
主分類
G06Q
10/02 20120101AFI20251119BHJP(計算;計数)
要約
【課題】仮設エレベータの利用予約の手間を軽減することができる。
【解決手段】本開示の運搬管理システムCS1は、工程進捗、又は、資機材を管理する管理システムにアクセスして、管理システムの登録内容から運搬作業を検出し、仮設エレベータの利用予約を行う運搬管理システムCS1であって、運搬管理システムCS1は、管理システムにアクセスし、運搬作業を検出する検出情報に基づいて、検出した運搬作業の運搬内容と運搬日時を含む事前情報を取得する事前情報取得部CS13と、事前情報取得部CS13が事前情報を取得すると、運搬内容から仮設エレベータの占有時間を算出する時間算出部CS14と、事前情報取得部CS13が事前情報を取得すると、運搬日時に、占有時間の間、仮設エレベータを利用する予約を行う予約登録部CS15と、を備える。
【選択図】図3
特許請求の範囲
【請求項1】
工程進捗、又は、資機材を管理する管理システムにアクセスして、前記管理システムの登録内容から運搬作業を検出し、仮設エレベータの利用予約を行う運搬管理システムであって、
前記運搬管理システムは、
前記管理システムにアクセスし、前記運搬作業を検出する検出情報に基づいて、検出した前記運搬作業の運搬内容と運搬日時を含む事前情報を取得する事前情報取得部と、
前記事前情報取得部が前記事前情報を取得すると、前記運搬内容から前記仮設エレベータの占有時間を算出する時間算出部と、
前記事前情報取得部が前記事前情報を取得すると、前記運搬日時に、前記占有時間の間、前記仮設エレベータを利用する予約を行う予約登録部と、を備える運搬管理システム。
続きを表示(約 360 文字)
【請求項2】
前記事前情報取得部が所定のタイミングで前記管理システムにアクセスすることで、前記管理システム上の変更に合わせて、前記仮設エレベータの予約が変更される請求項1に記載の運搬管理システム。
【請求項3】
前記運搬内容が、運搬する物品、前記物品の数量、及び、運搬階を含む請求項1又は請求項2に記載の運搬管理システム。
【請求項4】
前記物品が仮設材であり、
前記運搬作業が前記仮設材の階移動である請求項3に記載の運搬管理システム。
【請求項5】
前記検出情報に、前記仮設エレベータで運搬することになる資機材名、又は、前記仮設エレベータで運搬することになる資機材に付与された識別子の少なくともいずれかが用いられる請求項1又は請求項2に記載の運搬管理システム。
発明の詳細な説明
【技術分野】
【0001】
本開示は、運搬管理システムに関する。
続きを表示(約 1,100 文字)
【背景技術】
【0002】
エレベータ等の複数のユーザによって共通利用される揚重設備等の予約に関して、複数のユーザによる予約が重なってしまった時の予約調整を行い、予約を確定させる設備予約システムが知られている(特許文献1、2)。
【0003】
この設備予約システムでは、ユーザが、ユーザ端末を用いて、ネットワーク経由で設備予約装置にアクセスして設備予約を行うと、設備予約装置があらかじめ設定されている優先順位に従って予約を確定している。
【先行技術文献】
【特許文献】
【0004】
特開2022-122191号公報
特開2022-124934号公報
【発明の概要】
【発明が解決しようとする課題】
【0005】
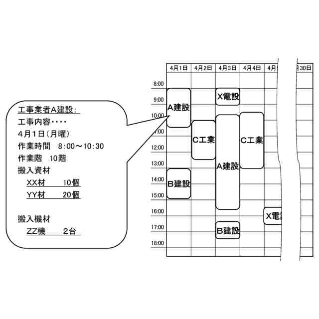
ところで、例えば、仮設材の盛替えを行うときには、仮設エレベータの予約なしで仮設エレベータを使用していることがあり、仮設材を運搬しようとした時に、既に仮設エレベータが使用されている場合があった。
【0006】
この場合、仮設エレベータが空くまでの間、仮設材の運搬ができないという無駄時間が発生する。
【0007】
一方、仮設エレベータの使用に際して、あらかじめ予約するようにすれば、上記のような無駄時間を削減できるものの、そのためにユーザが予約入力を行うものとすると、今度は、予約入力の手間が発生するという問題がある。
【0008】
本開示は、このような事情に鑑みてなされたものであり、仮設エレベータの利用予約の手間を軽減することを目的とする。
【課題を解決するための手段】
【0009】
本開示の運搬管理システムは、工程進捗、又は、資機材を管理する管理システムにアクセスして、前記管理システムの登録内容から運搬作業を検出し、仮設エレベータの利用予約を行う運搬管理システムであって、前記運搬管理システムは、前記管理システムにアクセスし、前記運搬作業を検出する検出情報に基づいて、検出した前記運搬作業の運搬内容と運搬日時を含む事前情報を取得する事前情報取得部と、前記事前情報取得部が前記事前情報を取得すると、前記運搬内容から前記仮設エレベータの占有時間を算出する時間算出部と、前記事前情報取得部が前記事前情報を取得すると、前記運搬日時に、前記占有時間の間、前記仮設エレベータを利用する予約を行う予約登録部と、を備える。
【発明の効果】
【0010】
本開示によれば、仮設エレベータの利用予約の手間を軽減することができる。
【図面の簡単な説明】
(【0011】以降は省略されています)
この特許をJ-PlatPat(特許庁公式サイト)で参照する
関連特許
株式会社大林組
測定方法
2か月前
株式会社大林組
基礎構造
3か月前
株式会社大林組
開封装置
29日前
株式会社大林組
加熱装置
29日前
株式会社大林組
減衰機構
2日前
株式会社大林組
減衰機構
2日前
株式会社大林組
減衰機構
2日前
株式会社大林組
飛込み台
2か月前
株式会社大林組
接合構造
1か月前
株式会社大林組
接合構造
1か月前
株式会社大林組
操縦装置
1か月前
株式会社大林組
接続構造
1か月前
株式会社大林組
建物の構造
1か月前
株式会社大林組
免震建築物
3か月前
株式会社大林組
ドリル装置
1か月前
株式会社大林組
仮設建築物
2か月前
株式会社大林組
スロープ構造
29日前
株式会社大林組
ルーバー構造
2か月前
株式会社大林組
折畳み構造物
1か月前
株式会社大林組
監視システム
3か月前
株式会社大林組
空調システム
3か月前
株式会社大林組
耐火被覆構造
2か月前
株式会社大林組
梁筋の配筋方法
21日前
株式会社大林組
構造物形成装置
今日
株式会社大林組
建物の躯体構造
3か月前
株式会社大林組
建物の躯体構造
3か月前
株式会社大林組
床板の設置方法
2か月前
株式会社大林組
可搬式充電設備
1か月前
株式会社大林組
災害時支援装置
21日前
株式会社大林組
リフトアップ装置
今日
株式会社大林組
リフトアップ装置
今日
株式会社大林組
日射遮蔽発電装置
3か月前
株式会社大林組
鋼矢板の圧入方法
1か月前
株式会社大林組
安全支援システム
3か月前
株式会社大林組
運搬管理システム
1日前
株式会社大林組
リフトアップ装置
2か月前
続きを見る
他の特許を見る