TOP
|
特許
|
意匠
|
商標
特許ウォッチ
Twitter
他の特許を見る
公開番号
2025173197
公報種別
公開特許公報(A)
公開日
2025-11-27
出願番号
2024078664
出願日
2024-05-14
発明の名称
対象成分回収システム及び対象成分回収方法
出願人
三菱重工業株式会社
,
国立研究開発法人物質・材料研究機構
代理人
弁理士法人酒井国際特許事務所
主分類
C02F
1/28 20230101AFI20251119BHJP(水,廃水,下水または汚泥の処理)
要約
【課題】海水に含まれる対象成分を適切に回収する。
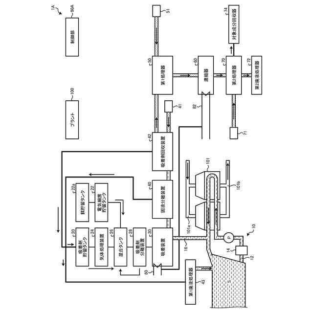
【解決手段】溶液中の対象成分を吸着する吸着剤を貯留する吸着剤貯留タンクと、吸着剤の吸着を補助する電気細菌を貯留する電気細菌貯留タンクと、吸着剤と電気細菌とを混合する混合タンクと、混合タンクで電気細菌と混合した後の吸着剤を、溶液に添加して、溶液と吸着剤とを含む吸着液を生成する吸着装置と、吸着液から吸着剤を分離する固液分離装置と、吸着剤から対象成分を脱離する吸着剤回収装置と、を含む。
【選択図】図1
特許請求の範囲
【請求項1】
溶液中の対象成分を吸着する吸着剤を貯留する吸着剤貯留タンクと、
前記吸着剤の吸着を補助する電気細菌を貯留する電気細菌貯留タンクと、
前記吸着剤と前記電気細菌とを混合する混合タンクと、
前記混合タンクで前記電気細菌と混合した後の前記吸着剤を、前記溶液に添加して、前記溶液と前記吸着剤とを含む吸着液を生成する吸着装置と、
前記吸着液から前記吸着剤を分離する固液分離装置と、
前記吸着剤から前記対象成分を脱離する吸着剤回収装置と、
を含む、対象成分回収システム。
続きを表示(約 1,000 文字)
【請求項2】
前記混合タンクに接続され、前記混合タンクで前記電気細菌と混合した混合液から前記吸着剤を分離し、分離した前記吸着剤を前記吸着装置に供給する吸着剤分離装置を更に備える、
請求項1に記載の対象成分回収システム。
【請求項3】
前記電気細菌の餌を貯留して、前記餌を前記電気細菌に添加する餌貯留タンクを更に備える、
請求項1又は請求項2に記載の対象成分回収システム。
【請求項4】
前記吸着液に添加する吸着剤を含んだ液から酸素を除去する気体処理装置を更に備える、
請求項1又は請求項2に記載の対象成分回収システム。
【請求項5】
前記混合タンクに添加する前記吸着剤の量と前記電気細菌の量とを調整する制御部を更に備える、
請求項1又は請求項2に記載の対象成分回収システム。
【請求項6】
プラントに用いられ、前記溶液を取り込む取水設備と、
取り込まれた前記溶液と前記プラントからの排熱媒体とを熱交換して、前記溶液を加熱する第1熱交換器と、
前記吸着液から前記対象成分を脱離した脱離剤及び前記対象成分を含む脱離液と、前記プラントからの排熱媒体とを熱交換して、前記脱離液を加熱する第2熱交換器と、
をさらに備え、
前記第2熱交換器は、前記脱離液を前記第1熱交換器による加熱よりも高温に加熱する、
請求項1又は請求項2に記載の対象成分回収システム。
【請求項7】
前記第1熱交換器は、前記吸着装置内の溶液と前記プラントからの排熱媒体とを熱交換して、前記吸着装置内の溶液を加熱する、
請求項6に記載の対象成分回収システム。
【請求項8】
前記第1熱交換器は、前記吸着装置内の溶液を加熱することで、前記溶液の温度を適温範囲に保つ、
請求項6に記載の対象成分回収システム。
【請求項9】
前記第1熱交換器は、前記第2熱交換器で熱交換した後の前記排熱媒体で、前記溶液を加熱する、
請求項6に記載の対象成分回収システム。
【請求項10】
前記第1熱交換器及び前記第2熱交換器は、前記プラントの複数箇所からの排熱媒体を用いて熱交換する、
請求項6に記載の対象成分回収システム。
(【請求項11】以降は省略されています)
発明の詳細な説明
【技術分野】
【0001】
本開示は、対象成分回収システム及び対象成分回収方法に関するものである。
続きを表示(約 1,400 文字)
【背景技術】
【0002】
海水から海水に含まれる資源を回収する技術が開示されている。例えば、特許文献1には、海水中のリチウムを吸着剤で吸着させ、発電所から排出される炭酸ガスを吹き込みバブリングさせて、炭酸リチウムを回収することで、リチウムを回収する技術が開示されている。
【先行技術文献】
【特許文献】
【0003】
特開平1-313323号公報
【発明の概要】
【発明が解決しようとする課題】
【0004】
海水に含まれる対象成分を適切に回収するには、回収効率を高めるための、改善の余地がある。
【0005】
本開示は、上記に鑑みてなされたものであり、海水に含まれる対象成分を適切に回収可能な対象成分回収システム及び対象成分回収方法を提供することを目的とする。
【課題を解決するための手段】
【0006】
本開示に係る対象成分回収システムは、溶液中の対象成分を吸着する吸着剤を貯留する吸着剤貯留タンクと、前記吸着剤の吸着を補助する電気細菌を貯留する電気細菌貯留タンクと、前記吸着剤と前記電気細菌とを混合する混合タンクと、前記混合タンクで前記電気細菌と混合した後の前記吸着剤を、前記溶液に添加して、前記溶液と前記吸着剤とを含む吸着液を生成する吸着装置と、前記吸着液から前記吸着剤を分離する固液分離装置と、前記吸着剤から前記対象成分を脱離する吸着剤回収装置と、を含む。
【0007】
本開示に係る対象成分回収方法は、溶液中の対象成分を吸着する吸着剤が貯留するステップと、前記吸着剤の吸着を補助する電気細菌を貯留するステップと、前記吸着剤と前記電気細菌とを混合するステップと、前記混合するステップで前記電気細菌と混合した後の前記吸着剤を、前記溶液に添加して、前記溶液と前記吸着剤とを含む吸着液を生成するステップと、前記吸着液から前記吸着剤を分離するステップと、前記吸着剤から前記対象成分を脱離するステップと、を含む。
【発明の効果】
【0008】
本開示によれば、海水に含まれる対象成分を適切に回収できる。
【図面の簡単な説明】
【0009】
図1は、第1実施形態に係る対象成分回収システムの全体構成を示す模式図である。
図2は、海水に含まれる対象成分の流れを示す模式図である。
図3は、第1実施形態に係る対象成分回収システムの対象成分回収方法の一例を示すフローチャートである。
図4は、第2実施形態に係る対象成分回収システムの全体構成を示す模式図である。
【発明を実施するための形態】
【0010】
以下に図面を参照して、本開示の好適な実施形態を詳細に説明する。なお、この実施形態により本開示が限定されるものではなく、また、実施形態が複数ある場合には、各実施形態を組み合わせて構成するものも含むものである。また、実施形態における構成要素には、当業者が容易に想定できるもの、実質的に同一のもの、いわゆる均等の範囲のものが含まれる。さらに、以下に記載した実施形態における構成要素は、本発明の要旨を逸脱しない範囲で構成の種々の省略、置換又は変更を行うことができる。
(【0011】以降は省略されています)
この特許をJ-PlatPat(特許庁公式サイト)で参照する
関連特許
三菱重工業株式会社
対象成分回収システム及び対象成分回収方法
今日
株式会社げんき
液体活性化装置
23日前
株式会社ウィズアクア
水質浄化装置
1か月前
三浦工業株式会社
汚泥乾燥加熱釜
1か月前
株式会社ライトアース
水循環式水質浄化システム
1か月前
三浦工業株式会社
精製水供給システム
1か月前
栗田工業株式会社
電気イオン濃縮装置
1か月前
名古屋メッキ工業株式会社
溶存金属析出装置
1か月前
スタンレー電気株式会社
流体除菌装置
28日前
栗田工業株式会社
逆浸透膜装置の運転方法
23日前
オルガノ株式会社
UV照射装置
22日前
栗田工業株式会社
超純水製造装置の制御方法
1か月前
栗田工業株式会社
電気脱イオン装置の運転方法
1か月前
WOTA株式会社
液性判定システム及び液性判定方法
1か月前
有限会社フリーウェー
浄水装置
22日前
株式会社神鋼環境ソリューション
貯留槽
1か月前
ジヤトコ株式会社
排水回収システム
7日前
個人
海水の塩分除去装置と淡水製造方法
8日前
株式会社ヘルスカンパニー
浴用剤の使用方法
1か月前
竹鶴油業株式会社
残渣処理プラント及び成形物の製造方法
22日前
有限会社エコルネサンス・エンテック
環境負荷の低減化を図る方法
1か月前
株式会社医道メディカル
水素及び水素溶解エクソソーム液発生装置
21日前
三菱化工機株式会社
電界ろ過装置及び電界ろ過装置のろ材の製造方法
15日前
王子ホールディングス株式会社
排水処理方法
1か月前
株式会社セルマップ
油吸着用の吸着体、及び油吸着用の吸着体の製造方法
1か月前
栗田工業株式会社
水・蒸気サイクル中の有機系溶存物質の除去方法
29日前
キヤノン株式会社
液体中に溶存するガスの回収システム
21日前
公立大学法人 富山県立大学
アンモニア含有水の処理装置
1か月前
荏原実業株式会社
防臭システム、防臭装置及び防臭方法
20日前
ガス・ウォーター株式会社
海水淡水化・塩分製造プラント
1か月前
株式会社ササクラ
被処理液の膜処理方法および装置
7日前
メタウォーター株式会社
消化システム及び加熱制御方法
20日前
メタウォーター株式会社
消化システム及び加熱制御方法
20日前
メタウォーター株式会社
消化システム及び加熱制御方法
21日前
メタウォーター株式会社
消化システム及び加熱制御方法
20日前
オルガノ株式会社
水処理システム
7日前
続きを見る
他の特許を見る