TOP
|
特許
|
意匠
|
商標
特許ウォッチ
Twitter
他の特許を見る
10個以上の画像は省略されています。
公開番号
2025166723
公報種別
公開特許公報(A)
公開日
2025-11-06
出願番号
2024070925
出願日
2024-04-24
発明の名称
能動騒音低減装置、移動体装置、及び、能動騒音低減方法
出願人
パナソニックオートモーティブシステムズ株式会社
代理人
個人
,
個人
,
個人
主分類
G10K
11/178 20060101AFI20251029BHJP(楽器;音響)
要約
【課題】キャンセル音の出力に関する遅延を短縮することができる能動騒音低減装置を提供する。
【解決手段】能動騒音低減装置10は、車両50内の空間における騒音と相関を有する参照信号に適応フィルタを適用することにより騒音を低減するためのキャンセル音を出力するためのキャンセル信号を生成する第1信号処理部11と、適応フィルタの係数を更新する第2信号処理部12と、サンプルレート変換部17とを備える。第1信号処理部11は、周期T1で動作し、第2信号処理部12は、周期T1よりも長い周期T2で動作し、サンプルレート変換部17は、第2信号処理部12によって更新された適応フィルタの係数をアップサンプリングして第1信号処理部11へ出力する。周期T1は、第2信号処理部が参照信号を取得してから適応フィルタの係数を更新するまでに要する処理時間の最大値と最小値との差よりも長い。
【選択図】図1
特許請求の範囲
【請求項1】
移動体装置内の空間における騒音と相関を有する参照信号に適応フィルタを適用することにより前記騒音を低減するためのキャンセル音を出力するためのキャンセル信号を生成する第1信号処理部と、
前記キャンセル音を出力するキャンセル音源の位置から誤差信号源の位置までの音響伝達特性を模擬した模擬伝達特性で前記参照信号を補正した濾波参照信号と、前記誤差信号源から得られる、前記キャンセル音が出力されているときの前記騒音の状態を示す誤差信号とに基づいて前記適応フィルタの係数を更新する第2信号処理部と、
サンプルレート変換部とを備え、
前記第1信号処理部は、周期T1で動作し、
前記第2信号処理部は、前記周期T1よりも長い周期T2で動作し、
前記サンプルレート変換部は、前記第2信号処理部によって更新された前記適応フィルタの係数をアップサンプリングして前記第1信号処理部へ出力し、
前記周期T1は、前記第2信号処理部が前記参照信号を取得してから前記適応フィルタの係数を更新するまでに要する処理時間の最大値と最小値との差よりも長い
能動騒音低減装置。
続きを表示(約 3,200 文字)
【請求項2】
移動体装置内の空間における騒音と相関を有する参照信号に適応フィルタを適用することにより前記騒音を低減するためのキャンセル音を出力するためのキャンセル信号を生成する第1信号処理部と、
前記キャンセル音を出力するキャンセル音源の位置から誤差信号源の位置までの音響伝達特性を模擬した模擬伝達特性で前記参照信号を補正した濾波参照信号と、前記誤差信号源から得られる、前記キャンセル音が出力されているときの前記騒音の状態を示す誤差信号とに基づいて前記適応フィルタの係数を更新する第2信号処理部と、
サンプルレート変換部とを備え、
前記第1信号処理部は、周期T1で動作し、
前記第2信号処理部は、前記周期T1よりも長い周期T2で動作し、
前記サンプルレート変換部は、前記第2信号処理部によって更新された前記適応フィルタの係数をアップサンプリングして前記第1信号処理部へ出力し、
前記周期T1は、前記第2信号処理部が前記参照信号を取得してから前記適応フィルタの係数を更新するまでに要する処理時間のばらつきによって定まる所定時間よりも長い
能動騒音低減装置。
【請求項3】
前記第1信号処理部によって生成された前記キャンセル信号には、1/(2×T1)の周波数において所定値以下の減衰量が得られる第1LPFが適用され、
前記第1信号処理部及び前記第2信号処理部に入力される前記参照信号には、1/(2×T2)の周波数において前記所定値以下の減衰量が得られる第2LPFが適用される
請求項1に記載の能動騒音低減装置。
【請求項4】
移動体装置内の空間における騒音と相関を有する参照信号に適応フィルタを適用することにより前記騒音を低減するためのキャンセル音を出力するためのキャンセル信号を生成する第1信号処理部と、
前記キャンセル音を出力するキャンセル音源の位置から誤差信号源の位置までの音響伝達特性を模擬した模擬伝達特性で前記参照信号を補正した濾波参照信号と、前記誤差信号源から得られる、前記キャンセル音が出力されているときの前記騒音の状態を示す誤差信号とに基づいて前記適応フィルタの係数を更新する第2信号処理部と、
サンプルレート変換部とを備え、
前記第1信号処理部は、周期T1で動作し、
前記第2信号処理部は、前記周期T1よりも長い周期T2で動作し、
前記サンプルレート変換部は、前記第2信号処理部によって更新された前記適応フィルタの係数をアップサンプリングして前記第1信号処理部へ出力し、
前記第1信号処理部に入力される前記参照信号には、1/(2×T1)の周波数において所定値以下の減衰量が得られる第1LPFが適用され、
前記第2信号処理部に入力される前記参照信号には、1/(2×T2)の周波数において前記所定値以下の減衰量が得られる第2LPFが適用される
能動騒音低減装置。
【請求項5】
前記第2信号処理部は、前記第1LPFの減衰特性と、前記第2LPFの減衰特性とに基づいて、更新後の前記適応フィルタの係数を補正し、
前記サンプルレート変換部は、前記第2信号処理部によって補正された前記適応フィルタの係数をアップサンプリングして前記第1信号処理部へ出力する
請求項4に記載の能動騒音低減装置。
【請求項6】
請求項1~5のいずれか1項に記載の能動騒音低減装置と、
前記参照信号を出力する参照信号源と、
前記キャンセル音源と、
前記誤差信号源とを備える
移動体装置。
【請求項7】
移動体装置内の空間における騒音と相関を有する参照信号に適応フィルタを適用することにより前記騒音を低減するためのキャンセル音を出力するためのキャンセル信号を生成する第1信号処理ステップと、
前記キャンセル音を出力するキャンセル音源の位置から誤差信号源の位置までの音響伝達特性を模擬した模擬伝達特性で前記参照信号を補正した濾波参照信号と、前記誤差信号源から得られる、前記キャンセル音が出力されているときの前記騒音の状態を示す誤差信号とに基づいて前記適応フィルタの係数を更新する第2信号処理ステップと、
サンプルレート変換ステップとを備え、
前記第1信号処理ステップは、周期T1で実行され、
前記第2信号処理ステップは、前記周期T1よりも長い周期T2で実行され、
前記サンプルレート変換ステップにおいては、前記第2信号処理ステップによって更新された前記適応フィルタの係数を、前記第1信号処理ステップにおいて使用できるようにアップサンプリングし、
前記周期T1は、前記第2信号処理ステップにおいて前記参照信号を取得してから前記適応フィルタの係数を更新するまでに要する処理時間の最大値と最小値との差よりも長い
能動騒音低減方法。
【請求項8】
移動体装置内の空間における騒音と相関を有する参照信号に適応フィルタを適用することにより前記騒音を低減するためのキャンセル音を出力するためのキャンセル信号を生成する第1信号処理ステップと、
前記キャンセル音を出力するキャンセル音源の位置から誤差信号源の位置までの音響伝達特性を模擬した模擬伝達特性で前記参照信号を補正した濾波参照信号と、前記誤差信号源から得られる、前記キャンセル音が出力されているときの前記騒音の状態を示す誤差信号とに基づいて前記適応フィルタの係数を更新する第2信号処理ステップと、
サンプルレート変換ステップとを備え、
前記第1信号処理ステップは、周期T1で実行され、
前記第2信号処理ステップは、前記周期T1よりも長い周期T2で実行され、
前記サンプルレート変換ステップにおいては、前記第2信号処理ステップによって更新された前記適応フィルタの係数を、前記第1信号処理ステップにおいて使用できるようにアップサンプリングし、
前記周期T1は、前記第2信号処理ステップにおいて前記参照信号を取得してから前記適応フィルタの係数を更新するまでに要する処理時間のばらつきによって定まる所定時間よりも長い
能動騒音低減方法。
【請求項9】
移動体装置内の空間における騒音と相関を有する参照信号に適応フィルタを適用することにより前記騒音を低減するためのキャンセル音を出力するためのキャンセル信号を生成する第1信号処理ステップと、
前記キャンセル音を出力するキャンセル音源の位置から誤差信号源の位置までの音響伝達特性を模擬した模擬伝達特性で前記参照信号を補正した濾波参照信号と、前記誤差信号源から得られる、前記キャンセル音が出力されているときの前記騒音の状態を示す誤差信号とに基づいて前記適応フィルタの係数を更新する第2信号処理ステップと、
サンプルレート変換ステップとを備え、
前記第1信号処理ステップは、周期T1で実行され、
前記第2信号処理ステップは、前記周期T1よりも長い周期T2で実行され、
前記サンプルレート変換ステップにおいては、前記第2信号処理ステップによって更新された前記適応フィルタの係数を、前記第1信号処理ステップにおいて使用できるようにアップサンプリングし、
前記第1信号処理ステップにおいて使用される前記参照信号には、1/(2×T1)の周波数において所定値以下の減衰量が得られる第1LPFが適用され、
前記第2信号処理ステップにおいて使用される前記参照信号には、1/(2×T2)の周波数において前記所定値以下の減衰量が得られる第2LPFが適用される
能動騒音低減方法。
発明の詳細な説明
【技術分野】
【0001】
本開示は、騒音にキャンセル音を干渉させることでこの騒音を能動的に低減する能動騒音低減装置に関する。
続きを表示(約 1,800 文字)
【背景技術】
【0002】
従来、騒音と相関を有する参照信号と、所定空間内の騒音及びキャンセル音が干渉した残留音に基づく誤差信号とを用いてキャンセル音源から騒音を打ち消すためのキャンセル音を出力することにより、騒音を能動的に低減する能動騒音低減装置が知られている(例えば、特許文献1~3参照)。
【先行技術文献】
【特許文献】
【0003】
国際公開第2014/006846号
特開2022-108195号公報
特開2020-64101号公報
【発明の概要】
【発明が解決しようとする課題】
【0004】
本開示は、キャンセル音の出力に関する遅延を短縮することができる能動騒音低減装置を提供する。
【課題を解決するための手段】
【0005】
本開示の一態様に係る能動騒音低減装置は、移動体装置内の空間における騒音と相関を有する参照信号に適応フィルタを適用することにより前記騒音を低減するためのキャンセル音を出力するためのキャンセル信号を生成する第1信号処理部と、前記キャンセル音を出力するキャンセル音源の位置から誤差信号源の位置までの音響伝達特性を模擬した模擬伝達特性で前記参照信号を補正した濾波参照信号と、前記誤差信号源から得られる、前記キャンセル音が出力されているときの前記騒音の状態を示す誤差信号とに基づいて前記適応フィルタの係数を更新する第2信号処理部と、サンプルレート変換部とを備え、前記第1信号処理部は、周期T1で動作し、前記第2信号処理部は、前記周期T1よりも長い周期T2で動作し、前記サンプルレート変換部は、前記第2信号処理部によって更新された前記適応フィルタの係数をアップサンプリングして前記第1信号処理部へ出力し、前記周期T1は、前記第2信号処理部が前記参照信号を取得してから前記適応フィルタの係数を更新するまでに要する処理時間の最大値と最小値との差よりも長い。
【発明の効果】
【0006】
本開示の一態様に係る能動騒音低減装置は、キャンセル音の出力に関する遅延を短縮することができる。
【図面の簡単な説明】
【0007】
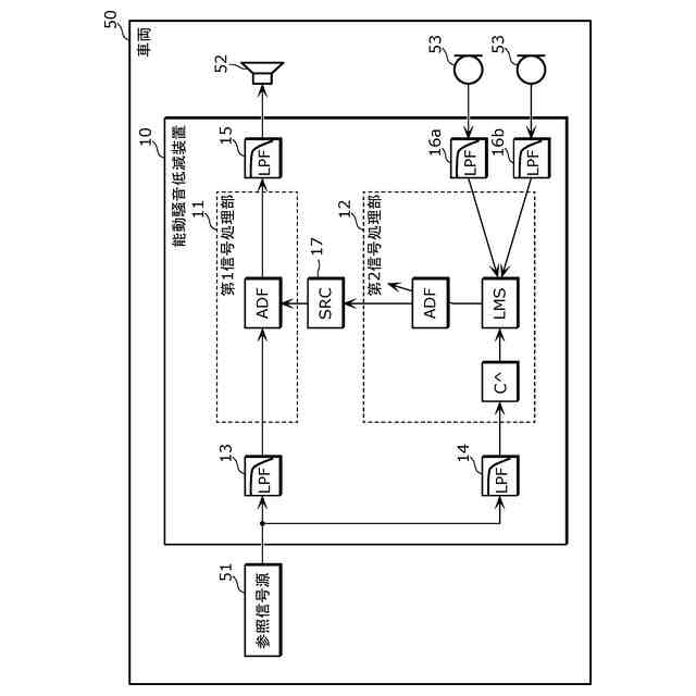
図1は、実施の形態に係る能動騒音低減装置の機能構成を示す図である。
図2は、実施の形態に係る能動騒音低減装置の動作のフローチャートである。
図3は、比較例に係る能動騒音低減装置において生じる遅延を説明するための第1の図である。
図4は、比較例に係る能動騒音低減装置において生じる遅延を説明するための第2の図である。
図5Aは、実施の形態に係る能動騒音低減装置において発生する遅延を説明するための第1の図である。
図5Bは、実施の形態に係る能動騒音低減装置において発生する遅延を説明するための第2の図である。
図6は、LPFの特性の設定例を示す図である。
図7は、適応フィルタの係数が補正される場合の能動騒音低減装置の機能構成を示す図である。
【発明を実施するための形態】
【0008】
以下、実施の形態について、図面を参照しながら具体的に説明する。なお、以下で説明する実施の形態は、いずれも包括的または具体的な例を示すものである。以下の実施の形態で示される数値、形状、材料、構成要素、構成要素の配置位置及び接続形態、ステップ、ステップの順序などは、一例であり、本開示を限定する主旨ではない。また、以下の実施の形態における構成要素のうち、独立請求項に記載されていない構成要素については、任意の構成要素として説明される。
【0009】
また、各図は、模式図であり、必ずしも厳密に図示されたものではない。なお、各図において、実質的に同一の構成に対しては同一の符号を付しており、重複する説明は省略または簡略化される場合がある。
【0010】
(実施の形態)
[構成]
以下、実施の形態に係る能動騒音低減装置の構成について説明する。図1は、実施の形態に係る能動騒音低減装置の機能構成を示す図である。図1に示されるように、車両50は、参照信号源51、キャンセル音源52、複数の誤差信号源53、及び、能動騒音低減装置10を備える。
(【0011】以降は省略されています)
この特許をJ-PlatPat(特許庁公式サイト)で参照する
関連特許
個人
遮音材
13日前
個人
歌唱補助器具
22日前
個人
管楽器用リガチャ-
1か月前
個人
音声出力装置
13日前
横浜ゴム株式会社
音響材
6日前
大和ハウス工業株式会社
音低減設備
23日前
DIC株式会社
吸音材及び吸音部品
24日前
個人
管楽器用音質改善留め具
今日
NOK株式会社
吸音構造体
15日前
株式会社SinasSP
自動騒音低減装置
1か月前
矢崎総業株式会社
車両用対話システム
14日前
横浜ゴム株式会社
多層空洞音響材
13日前
株式会社第一興商
カラオケ装置
14日前
有限会社ツバサ
エレキギターおよび保護フィルム付きの樹脂プレート
1か月前
ヤマハ株式会社
音処理装置及び音処理方法
今日
有限会社 宮脇工房
モーター挙動音発生装置
22日前
株式会社デンソー
制御装置、制御方法、及び制御プログラム
6日前
株式会社SUBARU
乗物用遮音構造体、及び車両
1か月前
株式会社第一興商
カラオケ装置、カラオケシステム
8日前
固昌通訊股ふん有限公司
音響調整装置
27日前
株式会社コルグ
楽音信号変換装置、楽音信号変換方法、プログラム
16日前
株式会社東芝
発話言語理解のためのシステムおよび方法
28日前
安克創新科技股フン有限公司
通話ノイズキャンセリング方法及びイヤホン
28日前
株式会社枚方技研
方向付き楽器固定具
14日前
株式会社デンソー
制御装置、ロボットシステム、制御方法、及び制御プログラム
21日前
日本放送協会
エンコーダー・デコーダー装置、推論装置、およびプログラム
27日前
エムケイ無線事業協同組合
音声応答システム、及びそれを利用した応答方法
23日前
パイオニア株式会社
効果音出力装置
23日前
ヤマハ株式会社
音響信号処理装置、楽器、音響信号処理方法および音響信号処理プログラム
24日前
ピクシーダストテクノロジーズ株式会社
遮音ユニット、遮音構造体、および区画設備
15日前
株式会社デンソーテン
情報処理装置、情報処理方法、および情報処理プログラム
1か月前
株式会社イービーエム
音声分析装置、音声分析システム、音声分析方法、及び音声分析プログラム
6日前
カシオ計算機株式会社
電子鍵盤楽器
15日前
株式会社トランストロン
アクティブノイズ制御装置、アクティブノイズ制御方法及びアクティブノイズ制御プログラム
21日前
パナソニックオートモーティブシステムズ株式会社
能動騒音低減装置、移動体装置、及び、能動騒音低減方法
14日前
AlphaTheta株式会社
情報処理装置
21日前
続きを見る
他の特許を見る