TOP
|
特許
|
意匠
|
商標
特許ウォッチ
Twitter
他の特許を見る
公開番号
2025162714
公報種別
公開特許公報(A)
公開日
2025-10-28
出願番号
2024066094
出願日
2024-04-16
発明の名称
水処理装置および水処理方法
出願人
三菱ケミカルアクア・ソリューションズ株式会社
代理人
個人
,
個人
,
個人
主分類
C02F
1/44 20230101AFI20251021BHJP(水,廃水,下水または汚泥の処理)
要約
【課題】本発明は、地下水の熱を充分に利用でき、かつ、熱交換部の接液部の腐食を抑制できる水処理装置および水処理方法を提供する。
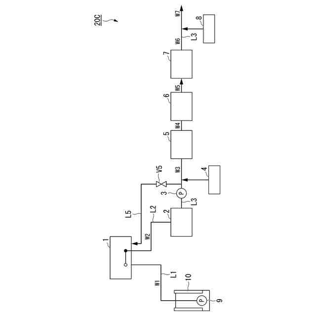
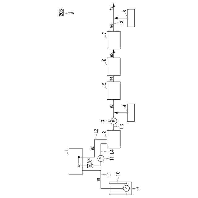
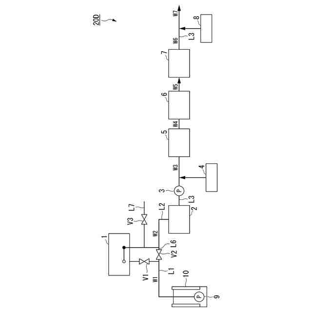
【解決手段】一例に係る水処理装置20Aは、井戸10の地下水を被処理水W1として汲み上げる揚水配管L1と、揚水配管L1で汲み上げた被処理水W1の熱交換を行う熱交換部1とを備え、揚水配管L1の第1の端部は揚水ポンプ9と接続され、揚水配管L1の第2の端部は熱交換部1と直接的に接続されている。
【選択図】図1
特許請求の範囲
【請求項1】
地下水を浄化処理する水処理装置であって、
前記地下水を被処理水として汲み上げる揚水配管と、
前記揚水配管で汲み上げた被処理水の熱交換を行う熱交換部と、
を備え、
前記揚水配管の第1の端部は揚水ポンプと接続され、前記揚水配管の第2の端部は前記熱交換部と直接的に接続されている、水処理装置。
続きを表示(約 950 文字)
【請求項2】
前記被処理水が前記熱交換部で熱交換されることで生じた熱交換水を貯留する貯留槽と、
前記熱交換部から前記貯留槽に、前記熱交換水を通水する熱交換水供給配管と、
をさらに備える、請求項1に記載の水処理装置。
【請求項3】
前記貯留槽から前記貯留槽の後段に、前記熱交換水を導く原水供給配管をさらに備える、請求項2に記載の水処理装置。
【請求項4】
前記熱交換水を後段に供給するための原水ポンプが前記原水供給配管に設けられている、請求項3に記載の水処理装置。
【請求項5】
前記貯留槽に貯留された前記熱交換水の一部を前記熱交換部に返送する循環用配管をさらに備える、請求項2に記載の水処理装置。
【請求項6】
前記貯留槽に貯留された熱交換水の一部を前記熱交換部に返送するための循環用ポンプが、前記循環用配管に設けられている、請求項5に記載の水処理装置。
【請求項7】
前記原水供給配管を流れる前記熱交換水の一部を前記熱交換部に返送する分岐循環配管をさらに備える、請求項3に記載の水処理装置。
【請求項8】
前記原水供給配管を流れる前記熱交換水の一部を前記熱交換部に返送するときの返送流量を変更するための循環バルブが、前記分岐循環配管に設けられている、請求項7に記載の水処理装置。
【請求項9】
地下水を浄化処理する水処理方法であって、
前記地下水を被処理水として汲み上げる揚水工程と、
前記揚水工程で汲み上げた前記被処理水の熱交換を行う熱交換部に、前記被処理水を直接的に供給する熱交換工程と、
を有し、
前記揚水工程で用いる揚水配管の第1の端部は揚水ポンプと接続され、前記揚水配管の第2の端部は前記熱交換部と直接的に接続されている、水処理方法。
【請求項10】
前記被処理水が前記熱交換部で熱交換されることで生じた熱交換水の一部を前記熱交換部に返送し、返送された前記熱交換水を用いて前記熱交換部で再び熱交換を行う、循環工程をさらに有する、請求項9に記載の水処理方法。
(【請求項11】以降は省略されています)
発明の詳細な説明
【技術分野】
【0001】
本発明は、水処理装置および水処理方法に関する。
続きを表示(約 2,100 文字)
【背景技術】
【0002】
地下10m以下の帯水層に貯まった地下水は、夏に降った雨がしみ込んだ場合でも、冬の積雪が溶けてしみ込んだ場合でも、いずれの場合でもほぼ一定の水温になる。これを井戸水としてポンプで汲み上げると、井戸水は夏でも冬でもほぼ同じ水温であるため、夏には冷たく感じ、冬には暖かく感じる。
【0003】
日本では、地域により異なるものの、関東平野、濃尾平野、大阪平野では地下水の水温は15~18℃であり、変動する水温の年間の温度差は1℃以内であることが一般的である。もちろん、深さが数mの浅い井戸では、年間の温度差が外気の影響を受けることはある。逆に地下100mを超える深い井戸では、地温の上昇により、地表面から深くなるほど地下水の水温は段々と高くなる。地表面から深くなるほど地下水の水温が高くなるのは、地球内部のマグマの影響を受けるからである。地域により異なるものの、100mにつき約3度上昇する。
【0004】
地下水としては、深井戸水、浅井戸水が一般的に利用しやすい。深井戸水とは、被圧帯水層から汲み上げられた地下10~200mの地下水である。浅井戸水とは、被圧帯水層の上から汲み上げられた地下1~50mの地下水である。水温は深ければ深いほど15~18℃に近づく。本稿における井戸水とは、深井戸または浅井戸から汲み上げられた水とする。
【0005】
深井戸または浅井戸から汲み上げられた地下水はその熱エネルギーも利用できる。例えば、特許文献1では、地下水の熱を利用する熱利用システムが提案されている。特許文献1の熱利用システムは、分離膜を用いて地下水を処理する前処理手段と、前処理手段の後段に設けられ、かつ、前処理手段によって処理された地下水を用いて熱交換を行う熱交換器とを備える。
【先行技術文献】
【特許文献】
【0006】
特開2021-113662号公報
【発明の概要】
【発明が解決しようとする課題】
【0007】
しかし、特許文献1の熱利用システムにおいては、膜分離装置の後段で熱交換を行うため、深井戸から汲み上げた地下水の熱が配管や各槽および各装置を介して外気の影響を受けてしまう。本来ならば熱交換に利用できるはずであった地下水の熱を損失してしまうため、結果として熱回収の効率が下がる。
【0008】
加えて、特許文献1のように膜分離装置の後段で熱交換を行うと、地下水には溶存酸素が混入しやすい。生活用水や飲用水等の浄化水を製造する際には、次亜塩素酸等の酸化剤で消毒することが多い。このような溶存酸素や酸化剤等の酸化性物質を含む水が後段の熱交換部の接液部(特に銅配管)に接触した場合、接液部の腐食反応が早期に進行する。結果、熱交換部から漏水が起きることや機器損壊が起きることがある。
【0009】
本発明は、地下水の熱を充分に利用でき、かつ、熱交換部の接液部の腐食を抑制できる水処理装置および水処理方法を提供する。
【課題を解決するための手段】
【0010】
本発明は、下記の態様を有する。
[1]地下水を浄化処理する水処理装置であって、
前記地下水を被処理水として汲み上げる揚水配管と、
前記揚水配管で汲み上げた被処理水の熱交換を行う熱交換部と、
を備え、
前記揚水配管の第1の端部は揚水ポンプと接続され、前記揚水配管の第2の端部は前記熱交換部と直接的に接続されている、水処理装置。
[2]前記被処理水が前記熱交換部で熱交換されることで生じた熱交換水を貯留する貯留槽と、
前記熱交換部から前記貯留槽に、前記熱交換水を通水する熱交換水供給配管と、
をさらに備える、[1]に記載の水処理装置。
[3]前記貯留槽から前記貯留槽の後段に、前記熱交換水を導く原水供給配管をさらに備える、[2]に記載の水処理装置。
[4]前記熱交換水を後段に供給するための原水ポンプが前記原水供給配管に設けられている、[3]に記載の水処理装置。
[5]前記貯留槽に貯留された前記熱交換水の一部を前記熱交換部に返送する循環用配管をさらに備える、[2]~[4]のいずれかに記載の水処理装置。
[6]前記貯留槽に貯留された熱交換水の一部を前記熱交換部に返送するための循環用ポンプが、前記循環用配管に設けられている、[5]に記載の水処理装置。
[7]前記原水供給配管を流れる前記熱交換水の一部を前記熱交換部に返送する分岐循環配管をさらに備える、[3]~[6]のいずれかに記載の水処理装置。
[8]前記原水供給配管を流れる前記熱交換水の一部を前記熱交換部に返送するときの返送流量を変更するための循環バルブが、前記分岐循環配管に設けられている、[7]に記載の水処理装置。
(【0011】以降は省略されています)
この特許をJ-PlatPat(特許庁公式サイト)で参照する
関連特許
株式会社げんき
液体活性化装置
20日前
株式会社ウィズアクア
水質浄化装置
1か月前
三浦工業株式会社
汚泥乾燥加熱釜
1か月前
株式会社ライトアース
水循環式水質浄化システム
27日前
三浦工業株式会社
精製水供給システム
1か月前
栗田工業株式会社
電気イオン濃縮装置
1か月前
名古屋メッキ工業株式会社
溶存金属析出装置
1か月前
スタンレー電気株式会社
流体除菌装置
25日前
栗田工業株式会社
逆浸透膜装置の運転方法
20日前
オルガノ株式会社
UV照射装置
19日前
栗田工業株式会社
超純水製造装置の制御方法
1か月前
栗田工業株式会社
電気脱イオン装置の運転方法
1か月前
WOTA株式会社
液性判定システム及び液性判定方法
1か月前
有限会社フリーウェー
浄水装置
19日前
株式会社神鋼環境ソリューション
貯留槽
1か月前
ジヤトコ株式会社
排水回収システム
4日前
個人
海水の塩分除去装置と淡水製造方法
5日前
株式会社ヘルスカンパニー
浴用剤の使用方法
1か月前
竹鶴油業株式会社
残渣処理プラント及び成形物の製造方法
19日前
有限会社エコルネサンス・エンテック
環境負荷の低減化を図る方法
1か月前
株式会社医道メディカル
水素及び水素溶解エクソソーム液発生装置
18日前
三菱化工機株式会社
電界ろ過装置及び電界ろ過装置のろ材の製造方法
12日前
王子ホールディングス株式会社
排水処理方法
28日前
株式会社セルマップ
油吸着用の吸着体、及び油吸着用の吸着体の製造方法
28日前
栗田工業株式会社
水・蒸気サイクル中の有機系溶存物質の除去方法
26日前
キヤノン株式会社
液体中に溶存するガスの回収システム
18日前
荏原実業株式会社
防臭システム、防臭装置及び防臭方法
17日前
公立大学法人 富山県立大学
アンモニア含有水の処理装置
1か月前
ガス・ウォーター株式会社
海水淡水化・塩分製造プラント
1か月前
株式会社ササクラ
被処理液の膜処理方法および装置
4日前
メタウォーター株式会社
消化システム及び加熱制御方法
17日前
メタウォーター株式会社
消化システム及び加熱制御方法
17日前
オルガノ株式会社
水処理システム
4日前
メタウォーター株式会社
消化システム及び加熱制御方法
17日前
株式会社東芝
スカム発生抑制システム及びスカム発生抑制方法
17日前
メタウォーター株式会社
消化システム及び配管設置方法
17日前
続きを見る
他の特許を見る