TOP
|
特許
|
意匠
|
商標
特許ウォッチ
Twitter
他の特許を見る
公開番号
2025161561
公報種別
公開特許公報(A)
公開日
2025-10-24
出願番号
2024064857
出願日
2024-04-12
発明の名称
柵部材開閉システム
出願人
シンフォニアテクノロジー株式会社
代理人
弁理士法人ATEN
主分類
B62D
33/03 20060101AFI20251017BHJP(鉄道以外の路面車両)
要約
【課題】貨物車両において、連結された複数の柵部材を開閉動作させる際の問題の発生を抑制する。
【解決手段】トラック1のアオリ開閉システム10は、リア側アオリ開閉装置12と、フロント側アオリ開閉装置11と、通信線14aとを備える。リア側アオリ開閉装置12は、駆動モータ32と、制御部33とを有する。フロント側アオリ開閉装置11は、駆動モータ22と、制御部23とを有する。通信線14aは、制御部33と制御部23とを通信接続する。制御部33は、連結アオリ15の速度を制御するための電流指令信号を生成し、電流指令信号に基づいて駆動モータ32の動作を制御する。また、制御部33は、通信線14aを介して電流指令信号を制御部23側へ送る。制御部23は、通信線14aを介して制御部33から受信した通信電流指令信号に基づいて駆動モータ22の動作を制御する。
【選択図】図3
特許請求の範囲
【請求項1】
荷物を運送する貨物車両の荷台を囲うための複数の柵部材を開閉させる柵部材開閉システムであって、
前記複数の柵部材の1つである第1柵部材を開閉駆動する第1駆動源と、前記第1駆動源の動作を制御する第1制御部と、を有する第1柵部材開閉装置と、
前記複数の柵部材の1つであり前記第1柵部材と一体的に連結されることが可能な第2柵部材を開閉駆動する第2駆動源と、前記第2駆動源の動作を制御する第2制御部と、を有する第2柵部材開閉装置と、
前記第1制御部と前記第2制御部とを通信接続する通信接続部と、を備え、
前記第1制御部は、
互いに連結された前記第1柵部材と前記第2柵部材とを有する連結柵部材の速度又は位置を制御するための第1指令信号を生成し、
前記第1指令信号に基づいて前記第1駆動源の動作を制御し、且つ、
前記通信接続部を介して、前記第1指令信号、又は前記第1指令信号に対して所定の演算を施すことによって得られる第2指令信号を前記第2制御部へ送り、
前記第2制御部は、
前記第1指令信号又は前記第2指令信号に基づいて、前記第2駆動源の動作を制御することを特徴とする柵部材開閉システム。
続きを表示(約 330 文字)
【請求項2】
前記第1制御部は、前記連結柵部材の速度を制御し、
前記第2制御部は、前記第2駆動源の出力を制御することを特徴とする請求項1に記載の柵部材開閉システム。
【請求項3】
前記第2制御部は、前記第1指令信号に基づいて、前記第2駆動源の出力が前記第1駆動源の出力と等しくなるように前記第2駆動源を制御することを特徴とする請求項2に記載の柵部材開閉システム。
【請求項4】
前記第2制御部は、
前記第2指令信号に基づいて、前記第2駆動源の出力が前記第1駆動源の出力に所定の係数を掛けることにより算出される出力になるように、前記第2駆動源を制御することを特徴とする請求項1又は2に記載の柵部材開閉システム。
発明の詳細な説明
【技術分野】
【0001】
本発明は、貨物車両に取り付けられた柵部材を開閉する柵部材開閉システムに関する。
続きを表示(約 2,200 文字)
【背景技術】
【0002】
特許文献1には、トラック(以下、貨物車両)の荷台を囲うアオリ(以下、柵部材)を開閉駆動するアオリ開閉機構(以下、機構部)が開示されている。貨物車両には、一般的に複数の柵部材が設けられ、柵部材の数に対応する数の機構部が設けられている。また、複数の機構部の各々は、制御部によって駆動制御される。特許文献1に明記されていないが、一般的に、各機構部に対応して複数の制御部が設けられている。入力デバイスからの指令にしたがって、複数の制御部が所定の処理を行うことにより、各機構部の動作によって各柵部材が開閉される。
【先行技術文献】
【特許文献】
【0003】
特開2024-15814号公報
【発明の概要】
【発明が解決しようとする課題】
【0004】
貨物車両の荷台の側面には、複数の柵部材が前後方向に並べて配置されうる。説明の便宜上、当該複数の柵部材は、第1柵部材及び第2柵部材を含むものとする。また、1つの機構部と、当該1つの機構部を制御する制御部とを合わせたものを柵部材開閉装置と呼ぶ。また、複数の柵部材開閉装置を備えるシステムを柵部材開閉システムと呼ぶ。柵部材開閉システムによって第1柵部材及び第2柵部材の開閉動作を制御する方法として、大きく2種類の方法がある。第1の方法は、第1柵部材及び第2柵部材が独立的に開閉可能な構成において、第1柵部材を開閉する第1柵部材開閉装置と、第2柵部材を開閉する第2柵部材開閉装置とを独立的に動作させる方法である。第2の方法は、第1柵部材及び第2柵部材が連結されて一体的に開閉可能な構成において、第1柵部材開閉装置及び第2柵部材開閉装置の両方を一斉に動作させる方法である。しかし、第2の方法においては、複数の柵部材開閉装置が適切に動作しないと、柵部材がねじれて破損し、又は一方の柵部材開閉装置に負荷が集中して当該一方の柵部材開閉装置が壊れるなどの問題が生じうる。
【0005】
本発明の目的は、貨物車両において、連結された複数の柵部材を開閉動作させる際の問題の発生を抑制することである。
【課題を解決するための手段】
【0006】
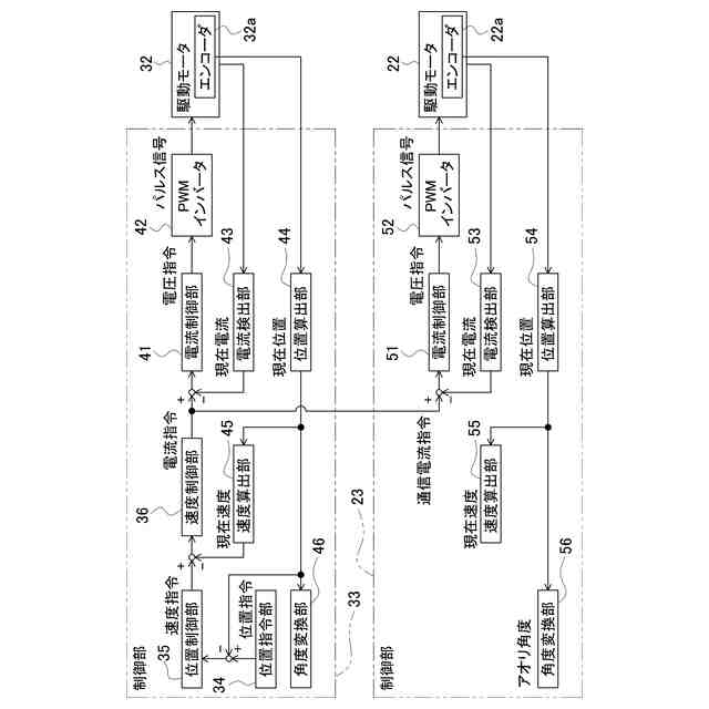
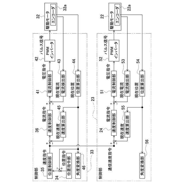
第1の発明の柵部材開閉システムは、荷物を運送する貨物車両の荷台を囲うための複数の柵部材を開閉させる柵部材開閉システムであって、前記複数の柵部材の1つである第1柵部材を開閉駆動する第1駆動源と、前記第1駆動源の動作を制御する第1制御部と、を有する第1柵部材開閉装置と、前記複数の柵部材の1つであり前記第1柵部材と一体的に連結されることが可能な第2柵部材を開閉駆動する第2駆動源と、前記第2駆動源の動作を制御する第2制御部と、を有する第2柵部材開閉装置と、前記第1制御部と前記第2制御部とを通信接続する通信接続部と、を備え、前記第1制御部は、互いに連結された前記第1柵部材と前記第2柵部材とを有する連結柵部材の速度又は位置を制御するための第1指令信号を生成し、前記第1指令信号に基づいて前記第1駆動源の動作を制御し、且つ、前記通信接続部を介して、前記第1指令信号、又は前記第1指令信号に対して所定の演算を施すことによって得られる第2指令信号を前記第2制御部へ送り、前記第2制御部は、前記第1指令信号又は前記第2指令信号に基づいて、前記第2駆動源の動作を制御することを特徴とする。
【0007】
本発明において、信号に基づいて駆動源の動作を制御するとは、信号を直接的又は間接的に用いて駆動源の動作を制御することを意味する。本発明の構成において、第1制御部及び第2制御部の両方で連結柵部材の位置を制御し又は当該両方で連結柵部材の速度を制御しようとすると、複数の駆動源間で出力の不均衡が生じやすい(すなわち、出力が安定しにくい)。これにより、上述した問題が発生しやすい。この点、本発明では、通信接続部によって第1制御部と第2制御部とを通信接続することにより、これらの制御部を同期させることができる。また、第2制御部は第1制御部から受信した信号に基づいて第2駆動源を制御する。このことは、第1制御部及び第2制御部がいわゆるマスタースレーブ制御のシステムを構成していることを意味する。言い換えると、第1制御部がマスターとして機能し、第2制御部がスレーブとして機能する。このような制御により、第1駆動源の出力と第2駆動源の出力との間に不均衡が生じることを抑制できる。したがって、貨物車両において、連結された複数の柵部材を開閉動作させる際の問題の発生を抑制できる。
【0008】
第2の発明の柵部材開閉システムは、前記第1の発明において、前記第1制御部は、前記連結柵部材の速度を制御し、前記第2制御部は、前記第2駆動源の出力を制御することを特徴とする。
【0009】
連結柵部材を安定的な速度で開閉させるために、連結柵部材の速度を制御することは有効である。その上で、上述の出力制御を行うことにより、連結柵部材の動作に支障が生じることを抑制できる。
【0010】
第3の発明の柵部材開閉システムは、前記第2の発明において、前記第2制御部は、前記第1指令信号に基づいて、前記第2駆動源の出力が前記第1駆動源の出力と等しくなるように前記第2駆動源を制御することを特徴とする。
(【0011】以降は省略されています)
この特許をJ-PlatPat(特許庁公式サイト)で参照する
関連特許
個人
カート
3か月前
個人
走行装置
4か月前
個人
三輪バイク
9日前
個人
乗り物
5か月前
個人
電動走行車両
4か月前
個人
自転車用歩数計
17日前
個人
閂式ハンドル錠
4か月前
個人
駐輪設備
1か月前
個人
折り畳み自転車
11か月前
個人
発音装置
7か月前
個人
電動モビリティ
8か月前
個人
ボギー・フレーム
2か月前
個人
三輪電動車両
17日前
個人
ルーフ付きトライク
3か月前
個人
“zen-go.”
3か月前
個人
自由方向乗車自転車
8か月前
個人
体重掛けリフト台車
11か月前
個人
ルーフ付きトライク
2か月前
個人
パワーアシスト自転車
2か月前
個人
キャンピングトライク
9か月前
個人
自転車用荷物台
11か月前
井関農機株式会社
作業車両
2日前
個人
ステアリングの操向部材
9か月前
個人
フロントフットブレーキ。
4か月前
株式会社豊田自動織機
産業車両
5か月前
株式会社三五
リアサブフレーム
11か月前
個人
乗用自動車のディフューザー
1か月前
学校法人千葉工業大学
車両
10か月前
豊田鉄工株式会社
小型車両
3か月前
学校法人千葉工業大学
車両
10か月前
学校法人千葉工業大学
車両
10か月前
個人
ホイールハブ駆動構造
4か月前
個人
折り畳み作業机搭載の変型台車
1か月前
個人
自転車の駐輪場システム
6か月前
株式会社カインズ
台車
8か月前
株式会社クボタ
作業車
6か月前
続きを見る
他の特許を見る