TOP
|
特許
|
意匠
|
商標
特許ウォッチ
Twitter
他の特許を見る
公開番号
2025089977
公報種別
公開特許公報(A)
公開日
2025-06-16
出願番号
2023215262
出願日
2023-12-04
発明の名称
フロントフットブレーキ。
出願人
個人
代理人
主分類
B62L
3/04 20060101AFI20250609BHJP(鉄道以外の路面車両)
要約
【課題】足の力で踏む事で咄嗟の時に止められる自転車を提供する。
【解決手段】自転車の三角フレーム左右に取り付けた、足で踏むフロントフットブレーキである。
【選択図】図1
特許請求の範囲
【請求項1】
自転車の三角フレームの左右に、ブレーキレバーを付けた自転車である。
続きを表示(約 190 文字)
【請求項2】
ハンドのシフトレバーと連結してある足で踏むブレーキフットレバーでブレーキを掛ける仕組みである。
【請求項3】
三角フレームを付けたブレーキ、フットレバーを踏むと前輪のブレーキと後輪のブレーキも同時に掛かる様にしたフットブレーキである。
【請求項4】
三角フレームにフットブレーキ用のレバーが左右に付けてあるのである。
発明の詳細な説明
【技術分野】
【0001】
自転車のブレーキ前、後と繋げており、足で強く踏む方が自転車は、短い距離で止まるのである。ブレーキの仕組みには、何も変わっていないのである。
続きを表示(約 1,300 文字)
【背景技術】
【0002】
相も変わらず自転車の歩行無謀運転で自転車の事故が絶えない、特に主婦、高齢者によるルール無視が多く高齢者や女性の方々の手、指の握力が弱くブレーキの利利が弱い為に人にぶつかったり、車との接触での人身事故が起こる。そこで、足で強く踏む力の方が強いので、三角フレームに足で踏むブレーキを考案発明したのである。
【発明の開示】
【発明が解決しようとする課題】
【0003】
自転車の事故防止にハンドルのブレーキレバーより足踏ブレーキの方が咄嗟にフットレバーを踏めるのでより早く、強く自転車を停止させる事が出来るのである。そこで、三角フレームにブレーキフットレバーを取り付けた世界初の自転車である。
【課題を解決するための手段】
【0004】
従来の自転車、特に主婦が乗るママチャリと言われる前後にカゴを付けた自転車は、まさに暴走自転車である。手指の握力が弱く視界も悪い、咄嗟の時の対応が出来ない、そんな人々の為に自転車に乗って座ったままの急ブレーキを、掛ける事が出来るフットブレーキである。
【発明の効果】
【0005】
高齢の主婦数人に試乗してもらった所、ブレーキの利きが非常に良く座ったままで足での動作が早く、手指の方より早く停止したのである。
【発明を実施するための最良の形態】
【0006】
自転車の台数が世界的に増え、日本も同じCo2問題や、ガソリンの高騰などで自転車に乗る主婦や高齢者の方々が増え、事故が多発している。そこで、自転車が急に止まれない、を、急にブレーキを掛けられる様にしたブレーキである。座ったまま足で強く踏む事で急停止出来る様にした自転車である。
【 実施例】
【0007】
実際、主婦や女性、高齢者の方々の手や指の握力は弱く自転車を急に止められなく、止める時は漕ぐのをやめて立って地面で止めている人々を見る事がある。自転車には自勢が付いているので自転車に引っ張られ、やっとの思いで止まっているのを見掛けるのである。このブレーキフットレバーは、自転車に乗ったまま足で踏んで止めるので安心なフットブレーキである。
【産業上の利用可能性】
【0008】
自転車の事故防止用に三角フレームに足で踏んで自転車に座ったまま踏む事で体の芯がぶれないので転倒しないのである。ハンドルブレーキだと、握力の弱い人々には自転車を急いで止められないのである。このフットレバーブレーキは、力の弱い方々の強い味方になり産業上の利用は、計り知れないのである。
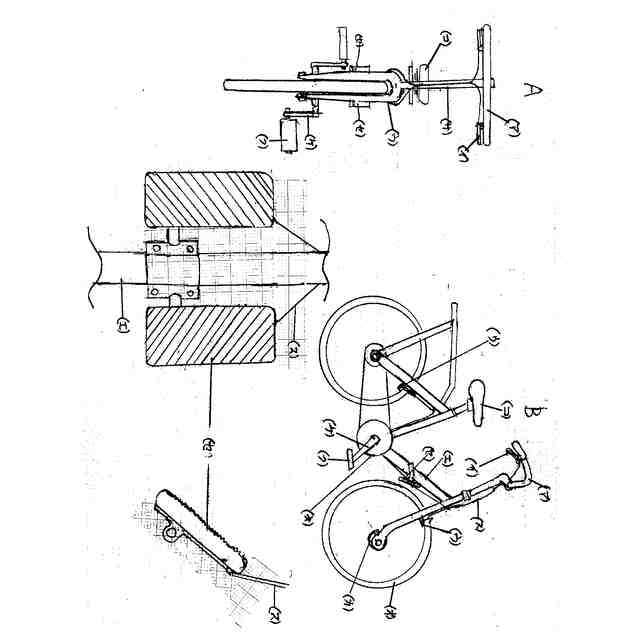
【図面の簡単な説明】
【0009】
図面の名称 Aは自転車の正面図 Bは自転車の側面図 Cはフロント三角フレームを取付けたフットブレーキの図 (ア)ハンドル (イ)ブレーキレバー (ウ)ブレーキ (エ)三角フレーム (オ)タイヤ (カ)ハブ (キ)チェーンリング (ク)ペダル (ケ)クランク (コ)サドル (サ)シートポスト (シ)チェーン (ス)ワイヤー (セ)ブレーキペダル
この特許をJ-PlatPat(特許庁公式サイト)で参照する
関連特許
個人
カート
3か月前
個人
走行装置
3か月前
個人
電動走行車両
3か月前
個人
乗り物
5か月前
個人
折り畳み自転車
10か月前
個人
閂式ハンドル錠
3か月前
個人
発音装置
7か月前
個人
駐輪設備
1か月前
個人
電動モビリティ
7か月前
個人
自転車用傘捕捉具
11か月前
個人
ボギー・フレーム
1か月前
個人
ルーフ付きトライク
2か月前
個人
“zen-go.”
2か月前
個人
自由方向乗車自転車
7か月前
個人
体重掛けリフト台車
10か月前
個人
ルーフ付きトライク
1か月前
個人
自転車用荷物台
11か月前
個人
キャンピングトライク
8か月前
個人
パワーアシスト自転車
1か月前
個人
アタッチメント
11か月前
個人
ステアリングの操向部材
8か月前
株式会社CPM
駐輪機
11か月前
個人
フロントフットブレーキ。
3か月前
株式会社三五
リアサブフレーム
10か月前
株式会社豊田自動織機
産業車両
4か月前
ヤマハ発動機株式会社
車両
12か月前
ヤマハ発動機株式会社
車両
12か月前
ヤマハ発動機株式会社
車両
12か月前
ヤマハ発動機株式会社
車両
12か月前
豊田合成株式会社
操舵装置
11か月前
個人
乗用自動車のディフューザー
16日前
学校法人千葉工業大学
車両
9か月前
学校法人千葉工業大学
車両
9か月前
個人
ホイールハブ駆動構造
4か月前
豊田鉄工株式会社
小型車両
3か月前
学校法人千葉工業大学
車両
9か月前
続きを見る
他の特許を見る